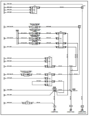
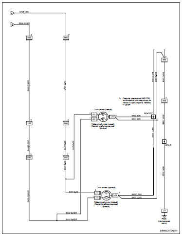
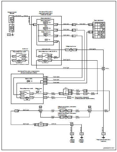
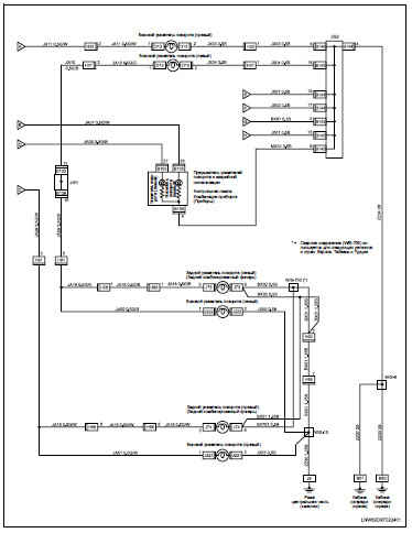
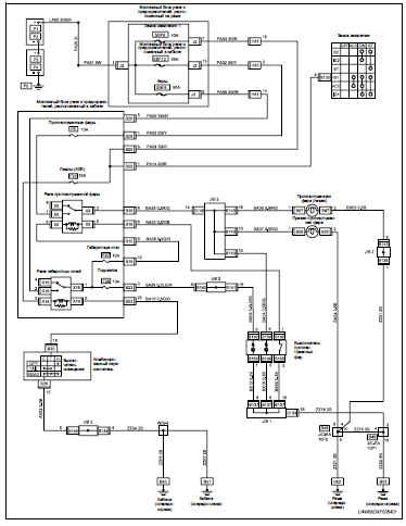
ISUZU СЕРИЯ N Схемы освещения
(NLR, NMR, NNR, NPR, NQR, NPS, NQ)
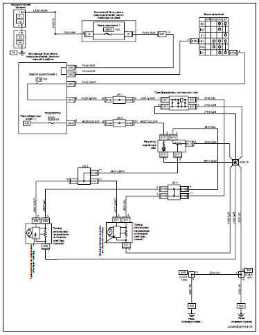
Фара (с галогеновыми лампами)

Регулировка направления оптических осей фар

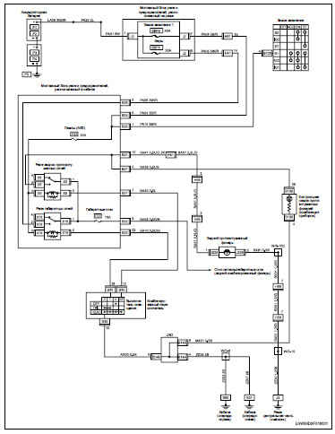
Противотуманные фары

Задний противотуманный фонарь

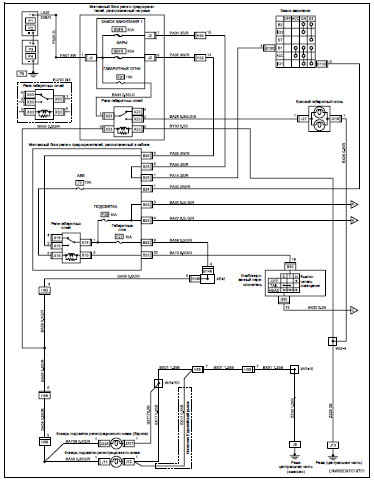
Габаритные огни

Подсветка дороги при повороте

Подсветка / Фонарь подсветки регистрационного знака



Стоп-сигналы / Габаритные огни


Указатели поворота / Аварийная сигнализация


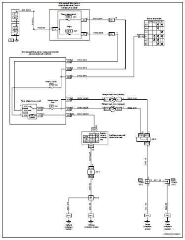
Фонари заднего хода

Габаритные фонари, установленные на крыше

Все схемы в