FOTON AUMAN Диагностика неисправностей и обслуживание
(мастерская)
Указания по диагностике неисправностей и обслуживанию
Порядок поиска и устранения неисправностей электрических цепей
1. Проверка жалобы клиента.
Проверить соответствие признаков неисправности указанным в жалобе, чтобы правильно установить причину неисправности и выполнить соответствующее обслуживание. Осторожно проверить соответствующие детали, чтобы убедиться в наличии признаков неисправности и зарегистрировать их. Запрещается снимать какую-либо деталь, не выяснив причину неисправности и объем предстоящих работ по обслуживанию.
2. Чтение электрической принципиальной схемы и анализ возможных причин неисправности.
С помощью электрической принципиальной схемы проанализировать электрическую цепь неисправной детали, начиная от источника питания и заканчивая точкой заземления. Если невозможно определить порядок ремонта детали, следует обратиться к описанию системы, имеющемуся в руководстве по ремонту, чтобы понять принцип работы детали. Также проверить другие цепи, которые соединены с цепью неисправной детали. Например, проверить цепи, которые объединены с цепью неисправной детали общим предохранителем, общей линией заземления, общим переключателем и т.п., в соответствии с принципиальной схемой. После завершения проверки по жалобе клиента, если другие детали, имеющие общие электрические контуры и которые не были проверены, работают исправно, это значит, что неисправна цепь вышедшей из строя детали. Если какая-либо из деталей, имеющих общие цепи с деталью, вышедшей из строя, также не работает, значит, перегорел предохранитель или неисправна цепь заземления.
3. Проверка цепей и элементов цепей.
В процессе диагностики необходимо использовать принципиальную электрическую схему совместно с руководством по ремонту, а также руководствоваться порядком проверки цепей и деталей, приведенном в руководстве по ремонту. При диагностике цепей с модульным управлением следует испытывать деталь, которая наиболее вероятно вышла из строя. При этом в процессе диагностики использовать логику и здравый смысл. Необходимо точно следовать процедуре диагностики, приведенной в руководстве по ремонту, начиная с наиболее вероятной причины неисправности и детали, доступ к которой наименее затруднен.
4. Устранение неисправности.
Устранение неисправностей следует выполнять в соответствии с описанием, приведенным на схеме цепи, а также с указаниями руководства по ремонту. Например, порядок устранения плохого контакта массы, а также способ ремонта разъема жгута проводов.
5. Подтвердить готовность цепи к работе.
После завершения ремонта следует убедиться, что неисправность устранена, а все функциональные возможности восстановлены до нормального состояния. Если перегорел предохранитель, необходимо проверить все цепи, которые он защищает.
Меры предосторожности при ремонте электрооборудования
1. Убедиться, что все электрические устройства выключены, а ключ в замке зажигания повернут в положение OFF (ВЫКЛ.).
2. Отсоединить аккумуляторную батарею:
а. Отсоединить кабель 1 от отрицательного вывода аккумуляторной батареи.
b. Отсоединить кабель 2 от положительного вывода аккумуляторной батареи, а также отсоединить кабель 3.
3. Подключить кабели к аккумуляторной батарее в последовательности, обратной отключению. Предостережение Очистить выводы аккумуляторной батареи и кабельный соединитель; после подсоединения кабелей нанести тонкий слой консистентной смазки на выводы аккумуляторной батареи и на соединители, чтобы защитить их от коррозии.

Проверка плавких предохранителей
Предостережение Для замены перегоревших предохранителей использовать только предохранители, рассчитанные на такой же номинальный ток. Невыполнение данного требования может привести к выходу из строя электрооборудования или к серьезным повреждениям компонентов электрических цепей.
1. Предохранители малой и средней мощности
Предохранители чаще всего используются в качестве устройств для защиты компонентов электрооборудования автомобилей. Они последовательно включены в защищаемую цепь. Предохранители защищают электрические цепи от перегрузки по току (например, в результате короткого замыкания линии заземления). Предохранители, представляющие собой тонкую пластину из электропроводного металла, перегорают и прерывают течение тока. Таким образом, предохранитель не допускает ток большой силы к другим деталям контура, защищая их от повреждений. Прежде чем менять плавкий предохранитель, необходимо установить причину возникновения перегрузки по току. Новый предохранитель, устанавливаемый взамен перегоревшего, должен быть рассчитан на такой же номинальный ток. Перегоревший предохранитель легко найти, как показано на иллюстрации.

2. Предохранители большой мощности
Предохранители большой мощности используются для защиты цепей, по которым проходит ток большой силы (например, цепь стартера) или в тех случаях, когда применение обычного предохранителя не представляется возможным. Чрезмерно большой ток, проходящий по плавкой вставке предохранителя, расплавляет ее. Это приводит к немедленному прерыванию тока, позволяя защитить контур от возможного повреждения в результате пожара или перегрева. Прежде чем менять плавкий предохранитель, необходимо установить причину возникновения перегрузки по току. Новый предохранитель, устанавливаемый взамен перегоревшего, должен быть рассчитан на такой же номинальный ток. Перегоревший предохранитель легко найти, как показано на иллюстрации.

Предостережение
Для замены реле использовать только реле, рассчитанные на такой же номинальный ток.
Между источником питания и нагрузкой иногда требуется установить выключатель, который располагается на определенном расстоянии от каждого из них. Однако, в некоторых случаях, если длина провода достаточно велика, то это приводит к значительному падению напряжения в цепи. Для снижения длины электрического провода между источником питания и нагрузкой служит реле, которое позволяет избежать падения напряжения в цепи. Большинство выключателей не рассчитано на прохождение по ним тока большой силы, поэтому они применяются для управления реле с помощью тока небольшой силы.

Обращение с разъемами различных моделей
1. Отсоединить разъем. Чтобы отсоединить разъем, следует браться руками за сам разъем, а не тянуть за жгут проводов, подсоединенный к разъему. Предостережение Перед отсоединением разъема необходимо сначала установить его тип.

Определить тип фиксатора, применяемый на установленном разъеме. Крепко удерживать разъем с обеих сторон (вилку и розетку). Освободить фиксатор и осторожно развести в стороны оба конца разъема. Запрещается разъединять разъем, держась рукой за провода. Это приведет к обрыву электрического провода.

2. Совместить вилку и розетку разъема.
Крепко удерживать разъем с обеих сторон (вилку и розетку). Убедиться, что штыри входят в соответствующие отверстия. Убедиться, что обе половины разъема хорошо совмещены. Осторожно соединить обе половинки разъема до характерного щелчка.
3. Проверить линию от штепсельного разъема:
a. С помощью мультиметра проверить целостность линии. Вставить диагностический зонд со стороны провода в штепсельный разъем.

b. С помощью тонкого диагностического зонда проверить линию со стороны разъемной части разъема. Предостережение Не вставлять диагностический зонд, имеющий большее поперечное сечение, чем отверстие под штырь разъема, при проверке линии со стороны разъемной части разъема. Это приведет к поломке зажима разъема или увеличению размера разъема и отверстия под штырь.

c. Отсоединить разъем, затем, если разъем водонепроницаемый и невозможно вставить в отверстие под штырь диагностический зонд, использовать диагностический зонд в виде иглы, проткнув им изоляцию электрического провода для проверки линии. Предостережение Использовать специальный диагностический зажим, чтобы не повредить электрический провод.

4. Снять штырь штепсельного разъема:
a. Фиксатор в корпусе разъема: Вставить тонкий длинный штырь со стороны открытого конца корпуса штепсельного разъема.

Приподнять фиксатор (в направлении стрелки, как показано на схеме). Извлечь электрический провод и штырь из разъема в сторону провода.

b. Фиксатор на штыре:
Вставить тонкий длинный стержень со стороны открытого конца корпуса, затем надавить на фиксатор (в сторону провода). Извлечь электрический провод и штырь из разъема в сторону провода.

5. Установка штыря штепсельного разъема:
a. Приподнять фиксатор вертикально вверх.
b. Вставить штырь в разъем со стороны провода и надавить на него, пока штырь не будет надежно закреплен.
c. Слегка потянуть за провод и убедиться, что провод правильно и надежно зафиксирован.

Крепление жгута проводов
1. При монтаже деталей следить, чтобы жгут проводов не попал под них; все электрические разъемы должны быть чистыми, а также надежно соединены.

2. Для предотвращения повреждения жгута проводов об острые кромки или поверхности следует использовать изолирующие шайбы или втулки.

3. При монтаже жгута проводов обеспечить достаточный зазор между ним и другими деталями, а также защитить жгут проводов с помощью виниловой трубки и зажима, чтобы избежать соприкосновения жгута проводов с другими деталями. Предостережение Жгут проводов, соединяющий двигатель и шасси, должен быть достаточной длины, чтобы избежать его износа или повреждения вследствие вибрации.

Ремонт электрических проводов
1. Разделить жгут проводов
Если провода жгута соединены изолентой, следует снять изоленту. При снятии изоленты соблюдать осторожность, чтобы не повредить изоляцию электрических проводов, входящих в жгут. Если на жгут проводов надета пластмассовая втулка, следует сместить втулку в нужную сторону.
2. Перерезать электрические провода
В начале перерезать один провод из жгута проводов как можно ближе к разъему. Затем, если нужно перерезать больше электрических проводов, чтобы поменять местоположение разъема, следует оставить некоторую длину проводов для последующей регулировки положения мест соединения так, чтобы каждое соединение располагалось на некотором расстоянии от других соединений, ответвлений или разъемов.
3. Снять слой изоляции
Для замены использовать электрический провод аналогичного сечения. После снятия изоляции проверить, нет ли надорванных или разрезанных жил. Вместо поврежденного электрического провода использовать новый, при этом концы оголенных проводов должны быть одинаковой длины.
4. Соединить электрические провода
Совместить оголенные концы обоих проводов, скрутить провода или соединить с помощью зажима, обеспечив надежное соединение.
5. Изолировать электрические провода
Намотать изоленту на соединение, начиная с его середины. Изолента должна закрывать все соединение. Слой изоленты, намотанной на соединение, должен в два раза превышать по толщине слой существующей изоляции провода. Изолента должна быть намотана плотно на соединение. Провисающая изолента не обеспечивает требуемой изоляции, кроме того, свободный конец изоляции может зацепиться за другие провода жгута.

Обслуживание крепления заземления
1. Вывернуть болт крепления провода заземления.

2. С помощью наждачной бумаги крупной зернистости очистить обе контактные поверхности клеммы контура заземления (со стороны кабины и со стороны болта) до блестящего металла.

3. С помощью наждачной бумаги крупной зернистости очистить точку подключения провода заземления на поверхности кабины.
4. Подсоединить провод заземления к точке заземления и закрепить болтом.

Выявление неисправности
Измерение напряжения
1. Предварительные условия для измерения напряжения:
a. Повернуть ключ в замке зажигания в положение ON.
b. Повернув ключ в замке зажигания в положение ON, замкнуть контакты выключателя SW1.
c. Повернув ключ в замке зажигания в положение ON, замкнуть контакты выключателя SW1, затем замкнуть контакты реле (а именно, отсоединить выключатель SW2).
2. Подсоединить отрицательный зажим вольтметра к точке заземления, обеспечивающей хороший контакт, или к отрицательному выводу аккумуляторной батареи, а положительный зажим вольтметра подсоединить к выводу разъема в точке измерения.
3. Если измеренное с помощью вольтметра напряжение ниже номинального более, чем на 1 В, то в цепи имеется неисправность. Предостережение Проверка напряжения применяется для того, чтобы определить наличие напряжение в определенной точке. Для проверки одного из выводов разъема жгута проводов не нужно его разъединять. Достаточно подсоединить положительный зажим к задней части разъема нужного провода.

Проверка на обрыв цепи
1. Отсоединить клемму аккумуляторной батареи или провод в месте измерения, а также обеспечить отсутствие напряжения в цепи.
2. Подсоединить оба зажима омметра к обоим выводам испытуемой цепи, после чего измерить сопротивление. Если сопротивление, показываемое омметром, очень низкое или близко к 0 Ом, значит, данная деталь имеет хорошую электропроводность.

3. Если в цепи установлен диод, необходимо поменять местами зажимы омметра и провести испытание повторно:
a. Если отрицательный зажим омметра подсоединен к положительному выводу диода, а положительный зажим подсоединен к отрицательному выводу диода, то показания омметра должны быть близки к 0.
b. Поменять местами зажимы и снова выполнить испытание. Показания омметра должны стремиться к бесконечности.
c. Если удовлетворены оба вышеуказанных условия, то диод работает исправно.
d. Для проверки электрических цепей использовать вольтметр и омметр с высоким внутренним сопротивлением (свыше 10 кОм).


Проверка на наличие короткого замыкания
1. Отсоединить кабель от отрицательного вывода аккумуляторной батареи.
2. Подсоединить зажим омметра к выходной клемме предохранителя.
3. Подсоединить второй зажим омметра к заземлению.
4. Отсоединить электрическую нагрузку от предохранителя. Предостережение Если не отсоединить электрическую нагрузку, то омметр будет всегда показывать низкое сопротивление при проверке контуров фар и других компонентов с низким сопротивлением, вследствие чего могут быть сделаны неверные выводы.
5. Если омметр показывает сопротивление ниже 5 Ом, это свидетельствует, что деталь закорочена на массу.
6. Проверку линии следует начинать с детали, которая ближе всех расположена к плавкому предохранителю, слегка потрясти деталь и найти место короткого замыкания.

Испытание на падение напряжения
Предостережение Данное испытание проводится для проверки падения напряжения вдоль провода, на разъеме или переключателе.
1. Подсоединить положительный зажим вольтметра к концу провода, расположенному близко к аккумуляторной батарее (со стороны разъема или переключателя).
2. Подсоединить отрицательный зажим вольтметра к противоположному концу провода (к противоположному выводу разъема или переключателя).
3. Выключить или включить переключатель, чтобы подать напряжение в цепь.
4. Вольтметр покажет разницу напряжения между обеими точками.
5. Если перепад напряжения превышает 0,1 В (менее 50 мВ в случае цепи с напряжением 5 В), то это означает, что цепь неисправна. В таком случае необходимо проверить цепь на наличие ослабления соединений, окисление или коррозию соединений.

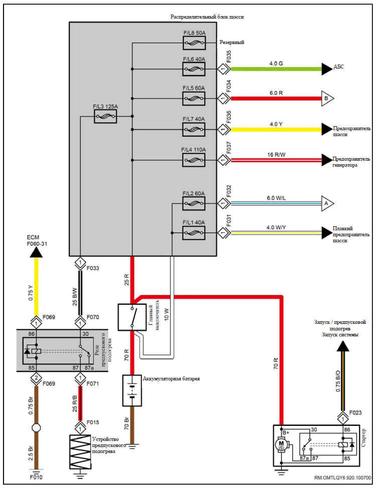
Схема цепи питания

Весь мануал смотри в энциклопедии