Диагностика на автомобилях и автобусах с газовыми двигателями КамАЗ
моделей 820.60-260 и 820.61-260
с электронной системой управления М20
1. Краткие сведения о системах управления двигателем и подачи газа.
- Схема системы подачи газа.
- Схема электронной системы управления двигателем.
- Принципиальная электрическая схема жгутов проводов системы М20.
- Схема подключения высоковольтных проводов к катушкам зажигания.
- Датчики.
- Исполнительные механизмы.
- Включение системы управления двигателем.
3. Общие требования при диагностике электронной системы управления двигателем.
4. Диагностика системы управления сканером – тестером при неработающем двигателе.
5. Диагностика системы управления сканером – тестером при работе двигателя на режиме холостого хода.
6. Некоторые часто встречающиеся неисправности. Методика поиска.

Принципиальная схема системы управления двигателем
1. Датчик температуры ОЖ
2. Узел дроссельной заслонки
3. Датчик абсолютного давления во впускном коллекторе
4. Датчик синхронизаиии
5. Датчик температуры воздуха во впускном коллекторе
6. Датчик фазы
7. Форсунка газовая
8. Свеча зажигания
9. Датчик температуры выхлопных газов
10. Датчик температуры газа
11. Датчик давления газа
12. Газовый фильтр
13. Электронная педаль
14. Вентиль магистральный
15. Электронный блок управления
16. Тройник
17. Заправочное устройство
18. Газовый редуктор
19. Манометр
20. Баллон газовый
21. Вентиль баллона с электромагнитным клапаном
22. Колодка диагностическая
23. Лампа диагностики
24. Выключатель ЭМК
25. Замок зажигания
26. Выключатель питания АКБ
27. ЭМК подогревателя
23. ЭМК Високого давления
29. Редуктор подогрбателя с ЭМК
30. Тлавное реле
31. Реле топливное
32. Реле включения электромагнитных клапанов баллонных без двигателя для питания подогревателя
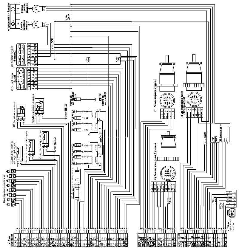
Принципиальная электрическая схема жгутов проводов системы М20

Принципиальная схема жгута двигателя
Принципиальная электрическая схема жгута кабины

Блок реле и предохранителей.
1 – топливное реле.
2 – предохранитель отсечного клапана.
3 – предохранитель главный.
4 –главное реле.

Схема подключения высоковольтных проводов к катушкам зажигания. 1…8 – номера цилиндров.
Датчики
Датчик синхронизации (датчик частоты вращения) 23.3847 индуктивного типа. Внешний вид датчика и его разъема.

Датчик частоты вращения 23.3847.
а. внешний вид датчика с проводом и разъемом.
б. чувствительный элемент датчика.
в. разъем датчика и нумерация контактов.

Назначение контактов датчика

Установка датчика частоты вращения (кронштейн крепления двигателя снят)
Датчик установлен передней крышке двигателя в районе левого кронштейна крепления.
Расстояние от торца датчика до зубчатого венца 0,5…1 мм.
Сигнал датчика используется для определения частоты вращения коленчатого вала и положения ВМТ 1 (6) цилиндра.
При выходе из строя датчика, или неисправности его цепей работа двигателя невозможна.
Оценить работоспособность датчика можно, проверив наличие генерируемых им импульсов, с помощью вольтметра. Проверка
производится при прокручивании коленчатого вала стартером.
Одной из причин отсутствия сигнала датчика может быть налипшие на него металлические частицы.
Датчик фазы 24.3847 служит для согласования работы дозаторов газа с фазами открытия и закрытия впускных клапанов. Датчик работает на эффекте Холла. На двигателе может быть установлен датчик фазы другой модели, но идентичный по габаритным размерам, принципу работы и назначению контактов.

Датчик фазы 24.3847.
а. внешний вид датчика.
б. разъем датчика и нумерация контактов.

Назначение контактов датчика

Установка датчика фазы
Датчик установлен на верхней части картера маховика.
При отсутствии сигнала датчика фазы электронный блок управления переходит в режим нефазированного впрыска топлива. При этом незначительно ухудшаются мощностные показатели двигателя, увеличивается расход топлива и токсичность отработавших газов.
Для оценки работоспособности датчика необходимо проверить наличие импульсов на контакте 2, при прокручивании коленчатого вала.
Также можно проверить датчик, демонтировав его с двигателя и поднося к торцу датчика стальной предмет. Налипшие на торец датчика металлические частицы могут служить причиной отсутствия сигнала датчика.
Основные коды неисправностей блока М20



Полные схемы, описания датчиков и коды неисправностей в
