См. также:
Электросхема Steyr CVT 6130, CVT 6145, CVT 6160
Просматривать и распечатывать все схемы в высоком качесте и описания
могут только пользователи
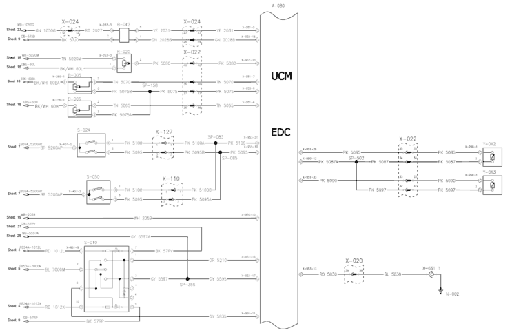
ENGINE- CONTROLLER
CONTROL UNIT (Electr. Draft Control)
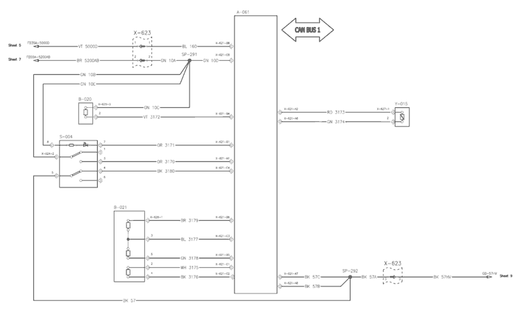
FAST STEERING SYSTEM
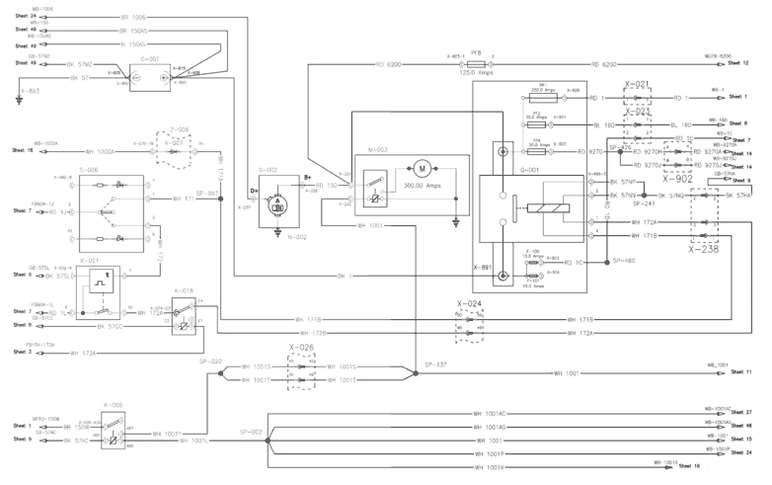
START/CHARGING (with Battery Isolator)



