Описание КПП DAF XF95
ПНЕВМАТИЧЕСКИЕ ЭЛЕМЕНТЫ КОРОБОК ПЕРЕДАЧ
ТЕХНИЧЕСКИЕ ДАННЫЕ
ВНИМАНИЕ! После внесения изменений в силовой агрегат электронный блок управления КПП необходимо перепрограммировать.
ВНИМАНИЕ! После внесения изменений в конструкцию необходимо вносить соответствующие изменения и в программу управления. Заданные программные установки (защита от неверного выбора передачи, обороты переключения передач) влияют на ездовые качества автомобиля.

Клапан защиты GV - пневматический датчик положения педали сцепления:
Начало открытия клапана (С)...............123±2 мм
Полный ход педали сцепления (D).......154±2 мм
КЛАПАН НЕЙТРАЛИ
Комплектация с отдельным воздухораспределительным блоком 2хЗ/2-ходовые клапаны:
Рабочее давление.................................. 6,5-10 бар
Штуцерное соединение..............................М14х1,5
Комплектация с встроенным воздухораспределительным блоком 3/2-ходовой клапан:
Рабочее давление.................................. 6,5-10 бар
Штуцерное соединение.......................................нет
РЫЧАГ УПРАВЛЕНИЯ. ПЕРЕКЛЮЧАЮЩИЙ КЛАПАН
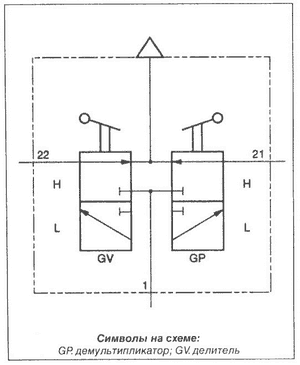
Управление делителем и демультипликатором

Цвет:
Питание...........................................................................................Черн.
3 Продувка..................................................................................... Красн.
21 Тумблер переключения демультипликатора (А).......................... Бел.
22 Клавиша включения делителя (В).................................................Желт.

Управление демультипликатором и делителем

Таблица возможных неисправностей и способов их устранения






ОБЩАЯ ЧАСТЬ
Защита переключения передач «вниз» КПП ZF
КПП ZF, ZF 16S-151/181/221
• Клапан нейтрали.
С отдельным блоком распределителя воздуха: Сбоку на корпусе вала селектора, на КПП.
С встроенным блоком распределителя воздуха: Встроен в блок распределителя воздуха.
• Цилиндр переключения диапазонов (демультипликатора)

• Клапан защиты от случайного (преждевременного) перехода на пониженную передачу.

• Модуль управления VIC.

• Тумблер переключения демультипликатора на рычаге управления КПП.

Описание системы защиты от случайного (преждевременного) перехода на пониженную передачу (Downshift protection)
Эта система предотвращает случайное переключение КПП с «верхнего» диапазона передач на передачу «нижнего» диапазона, если скорость движения автомобиля слишком высока. Такое случайное переключение (включение слишком «низкой» передачи) может привести к серьезному повреждению сцепления, КПП и двигателя от перегрузок.
Защита срабатывает (включается) автоматически, по достижении автомобилем определенного
скоростного порога. Этот скоростной порог (по сигналу скорости) является программной установкой
модуля управления VIC.
Схема работы системы защиты от случайного (преждевременного) перехода на пониженную передачу КПП ZF

Если тумблер переключения демультипликатора (5) на рычаге управления переключен на «нижний» диапазон, клапан «GP» демультипликатора подает давление воздуха к штуцеру 21. Это давление
воздуха воздействует на штуцер 4 электропневматического клапана (3). Если скорость автомобиля достигла заданного порогового значения, подача электропитания на электропневматический клапан (3) прерывается блоком управления (4).
Несмотря на пневматический сигнал от тумблера переключения демультипликатора (5) на рычаге переключения, поступление давления воздуха на штуцер 26 переключающего цилиндра (2), а, значит, и переход на «нижний» диапазон передач становится невозможным.
ВНИМАНИЕ! Подача воздуха на электропневматический клапан (3) возможна только в том случае, если рычаг управления, и, следовательно, клапан нейтрали (1), установлены в нейтральное положение (N). .
Расположение компонентов системы защиты от перегрузок
• Клапан защиты от перегрузок.

- Блокирующий цилиндр


- Модуль электронного управления VIC

• Датчик включения «нижнего» диапазона передач

ОПИСАНИЕ СИСТЕМЫ ЗАЩИТЫ ОТ ПЕРЕГРУЗОК
Работа защиты от перегрузок

Защита от перегрузок работает только в «нижнем» диапазоне передач. Включение «нижнего»
диапазона регистрируется контактным датчиком включения «нижнего» диапазона передач (2). Эта защита позволяет предотвратить случайный (преждевременный) переход с третьей или четвертой передачи (пара 3-4) на первую или вторую передачу (пара 1-2), если скорость движения автомобиля еще слишком высока.
Ошибочное переключение может произойти, если водитель не включит тумблер переключения
демультипликатора, расположенный на рычаге управления спереди, чтобы перейти на «верхний» диапазон при переходе с четвертой на пятую передачу.
Управляет включением защиты модуль управления VIC (3). Момент включения защиты зависит
от сигнала скорости автомобиля.
Клапан защиты от перегрузок (1) получает питание при следующих условиях:
Скорость автомобиля превышает определенное пороговое значение, это означает, что напряжение питания поступает на датчик включения «нижнего» диапазона передач (2) через модуль управления
VIC (3). Контактный датчик включения «нижнего» диапазона передач (2) замыкается, если КПП
переключена на «нижний» диапазон.
Давление воздуха поступает в блокирующий цилиндр (4) через электронный клапан защиты от перегрузок (1).
При этом пару передач 1-2 более включить невозможно.
В КПП с отдельным блоком распределителя воздуха блокирующий цилиндр установлен сзади корпуса селектора. В КПП с встроенным блоком распределителя воздуха (5) последний установлен под прямым углом к корпусу селектора.
Если включен «верхний» диапазон передач, на клапан защиты от перегрузок (1) питание более не поступает, поскольку датчик включения «нижнего» диапазона передач (2) - разомкнут.
Пара передач 5-6 (1-2) может быть снова включена.
ВНИМАНИЕ! В целях безопасности, возможность перерехода на пониженную передачу должны.быть всегда. Исходя из этого, включить передачи 1-2 остается возможным, но с усилием, преодолевая воздействие блокирующего цилиндра.
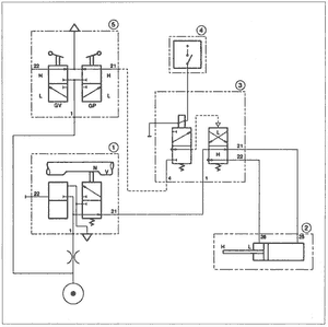
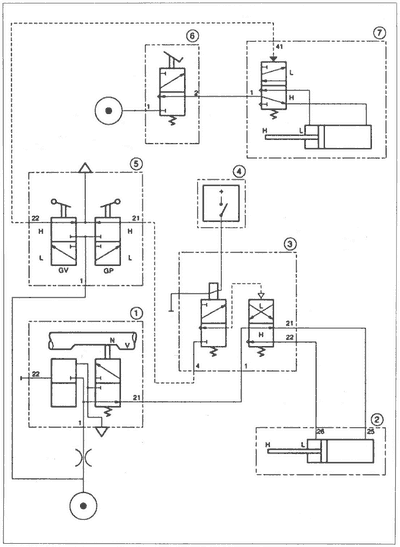
ПНЕВМАТИЧЕСКАЯ СХЕМА УПРАВЛЕНИЯ КПП
Пневматическая схема, 16 S, прямая передача

Пневматическая схема, 16 S, Повышающая передача (Overdrive)

Пневматические схемы V300712 и V300713
ВНИМАНИЕ! Механическое положение цилиндра переключения делителя (Low (L) и High (Н)) зависит от модели КПП: с прямой передачей или с повышающей передачей.
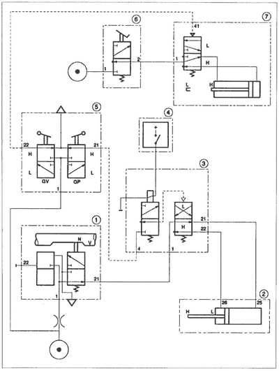
На рычаге управления (5) установлено два переключателя, один (клавиша) - для делителя (GV) и другой (тумблер) - для демультипликатора (GP). Воздух подается к обоим переключателям через штуцер 1 рычага (5).
При включении делителя воздух поступает к штуцеру 22 и штуцеру 41 клапана управления делителем
(7). Клапан управления делителем в результате этого толкается в положение (L). Если педаль сцепления нажать полностью, клапан управления делителем получает воздух через штуцер 2 клапана защиты GV (6). Цилиндр делителя (7) переключается в положение (L).
Если переключатель делителя (5) вновь перевести в положение (Н), воздух из штуцера 41 клапана управления делителем (7) выходит через штуцер 22 рычага управления (5). Поскольку давления воздуха на штуцере 41 более нет, клапан управления делителем переключается в положение (Н). При нажатии на педаль сцепления, клапан защиты GV (6) переключает подачу воздуха на штуцер 1 клапана управления делителем (7). Благодаря этому, цилиндр делителя переключается в положение (L).
Управление демультипликатором осуществляется тумблером GP (5). При включении тумблера GP (5) воздух подается к штуцеру 4 клапана защиты от случайного (преждевременного) перехода на пониженную передачу (3).
Если КПП - в нейтрали, воздух поступает к штуцерам 1 и 21 клапана защиты от случайного перехода на пониженную передачу (3) через штуцер 21 клапана нейтрали (1). Если тумблер GP (5) переведен в положение (Н), воздух подается в цилиндр переключения диапазонов (2) через штуцер 25, таким образом, цилиндр переключения диапазонов переключается в полокение (Н). Цилиндр переключения диапазонов (2) вентилируется через штуцер 26 и штуцер 22 клапана защиты от случайного перехода на пониженную передачу (3). Если тумблер GP (5) пе'Ьеведен в положение (L), воздух подается в цилиндр
переключения диапазонов (2) через штуцер 26, при этом цилиндр переключения диапазонов переключается в положение (L).
Если скорость автомобиля ниже определенного значения, модуль электронного управления (4) подает питание на клапан защиты от случайного (преждевременного) перехода на пониженную передачу (3). Этотэлектропневматический клапан переключается.Теперь воздух от тумблера GP (5) подается на пневматический клапан.
Появляется возможность подать пневматический сигнал от тумблера переключения демультипликатора
(5) на рычаге управления к штуцеру 26 цилиндра включения (2) и включить, таким образом, «нижний» диапазон передач.
ОПИСАНИЕ КОМПОНЕНТОВ КОРОБКИ ПЕРЕДАЧ
Встроенный блок распределителя воздуха Управление воздухом в КПП ZF осуществляется блоком распределителя воздуха, который может быть установлен в одном из двух вариантов:
1. отдельный блок распределителя, установленный на корпусе КПП, сбоку;
2. встроенный блок распределителя, установленный на корпусе селектора, - модели выпуска с 2003 года.
Встроенный блок распределителя воздуха имеет один центральный штуцер для подачи управляющего
воздуха (10), от которого питаются все компоненты. Клапан нейтрали (А) и блокирующий цилиндр защиты от перегрузок (В) также встроены в этот блок.
Штуцерные соединения встроенного блока распределителя воздуха


Схема встроенного блока распределителя воздуха

Корпус селектора с встроенным блоком распределителя воздуха

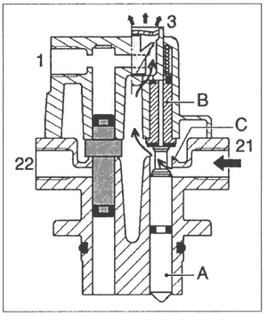
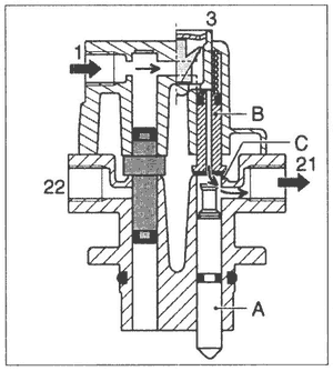
КЛАПАН НЕЙТРАЛИ

КПП в нейтрали
В нейтрали палец (А) входит в канавку вала селектора, под действием давления воздуха, поступающего от штуцера (1) через центральное сверление в золотнике (В). Золотник (В) запирает седло (С) под воздействием пружины.Теперь воздух может выходить из клапана через штуцер (2) и через электропневматический клапан приводить в действие цилиндр переключения диапазонов.

Передача включена
Если передача включена, вал селектора прижимает палец (А) вверх к золотнику (В). В результате
этого сверление в золотнике запирается, золотник отходит от седла (С), преодолевая воздействие пружины. Воздух под давлением в цилиндре селектора теперь может снова вернуться через электропневматический клапан в клапан нейтрали и выйти из корпуса клапана через штуцер (3).


Клапан защиты от случайного (преждевременного) перехода на пониженную передачу


Работа
Если скорость движения автомобиля превысит заданное пороговое значение, ток через обмотку электропневматического клапана прервется.
Несмотря на пневматический сигнал, который от тумблера переключения демультипликатора
(тумблер расположен на рычаге управления КПП) поступает на штуцер (4), переключиться на «нижний» диапазон невозможно.
Питание электропневматического клапан воздухом (1) возможно только в том случае, если рычаг управления КПП и, следовательно, клапан нейтрали, установлены в нейтральное положение.
Цилиндр включения диапазона передач HIGH/LOW


Работа
Цилиндр включения, управляющий секцией переключения диапазонов в КПП, получает питание
через электропневматический клапан защиты.
Управление этим клапаном осуществляется переключающим клапаном, расположенным в ручке рычага управления КПП. Цилиндр включения диапазона расположен в задней части КПП.
ПЕРЕКЛЮЧАЮЩИЙ КЛАПАН НА РЫЧАГЕ УПРАВЛЕНИЯ КПП
Переключающий клапан расположен в ручке набалдашнике) рычага управления КПП. Переключающий
клапан содержит клапан переключения диапазонов передач (демультипликатор) клапан делителя передач.

Демультипликатор

Переключение между «нижним» и «верхним» диапазонами передач осуществляется тумблером
(В), который укреплен спереди рычага управления КПП.
Переключение вниз: «Нижний» диапазон, переключение вверх: «верхний» диапазон. Предварительное
включение передачи допускается.
Само переключение происходит после прохода рычагом управления нейтрали.
Делитель
Деление передаточного числа выбранной передачи на два осуществляется клавишей (А), расположенной сбоку рычага управления КПП.
Нажата нижняя сторона клавиши: понижение передачи, нажата верхняя сторона клавиши: повышение
передачи.
После нажатия на клавишу необходимо полностью нажать на педаль сцепления (связанный с нею клапан защиты GV - Getriebevorschalt - подготовка включения передачи - приводится в действие), после чего происходит изменение передаточного числа выбранной передачи.
Предварительное включение передачи допускается.
Если делитель включен в режим LOW (деление), на панели приборов загорается предупреждающий
индикатор «splitter low».