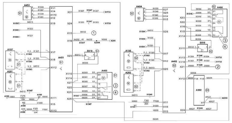
Краткий обзор дверного модуля TGS/TGX
A100 Блок предохранителей и реле
A156 Основное зеркало (пассажир)
A157 Основное зеркало (водитель)
A251 Панорамное зеркало (водитель)
A252 Панорамное зеркало (пассажир)
A302 Центральный бортовой компьютер 2
A451 Дверной модуль (сторона водителя)
A452 Дверной модуль (сторона пассажира)
A453 Стеклоподъемник (сторона водителя)
A454 Стеклоподъемник (сторона пассажира)
A465 Дверной замок (сторона водителя)
A466 Дверной замок (сторона пассажира)
F376 Предохранитель внутри кабины (клемма 15)
F382 Предохранитель дверного модуля — зеркало
F383 Предохранитель дверного модуля — кабина, центральный замок
S518 Замочный переключатель двери пассажира
S519 Замочный переключатель со стороны водителя
X200 Штекерное соединение Диагностика (MAN-cats)
X1546 Штекерное соединение Правая дверь
X1547 Штекерное соединение Левая дверь
X1582 Штекерное соединение основного и панорамного зеркала справа
X1583 Штекерное соединение основного и панорамного зеркала слева
X1584 Штекерное соединение бордюрного зеркала справа
X1585 Штекерное соединение бордюрного зеркала слева
X1733 Штекерное соединение Выключатель стеклоподъемника
X2544 Распределитель потенциалов 21-контактного К-провода
X4259 Адаптер зуммера заднего хода в заднем фонаре
1 Противоугонная система
2 Электронный блок сдвижной панели крыши (A473)
3 Дверной замок разблокирован
4 Дверной замок заблокирован
E6 Место установки сектора центральной электрической сети
S1 Место установки левой двери
S2 Место установки правой двери
