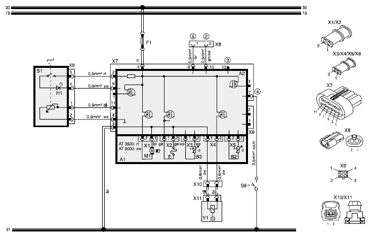
Электросхема автономного отопителя AT 3500/5000
Выдача кода неисправностей
Если отопитель оборудован комби-таймером, то после аварийной блокировки на дисплей таймера
выдаётся код неисправности:
- F 00 неисправен блок управления / неправильно заданы параметры
- F 01 пуск отсутствует (после 2 попыток) или не образуется пламя
- F 02 обрыв пламени (повторяется более 5 раз)
- F 03 падение напряжения ниже допустимого или повышение выше допустимого (см. 3.7)
- F 04 преждевременное распознавание пламени
- F 06 обрыв цепи или короткое замыкание датчика температуры
- F 07 обрыв цепи или короткое замыкание дозирующего насоса
- F 08 обрыв цепи, короткое замыкание или неправильное число оборотов мотора нагнетателя воздуха
- F 09 обрыв цепи или короткое замыкание штифта накаливания/ датчика пламени
- F 10 перегрев
- F 11 обрыв цепи или короткое замыкание ограничителя нагрева
- F 12 обрыв цепи/ короткое замыкание контрольного термостата
Если отопитель в качестве органа управления оснащён переключателем, то код неисправности
выдаётся после отключения отопителя в виде мигания лампочки индикатора работы на переключателе
(блинк-код). После 5 коротких сигналов выдаются длинные импульсы - количество этих импульсов при
различных неисправностях соответствует числу после буквы F в приведённой выше таблице.
Электросхемы
В качестве органов управления отопители могут оснащаться переключателем либо комби-таймером. Оба органа управления имеют регулятор температуры и индикатор включения. Подробную информацию о работе с органами управления.
Цвета проводов на электросхемах
bl синий
br коричневый
ge жёлтый
gn зелёный
gr серый
or оранжевый
rt красный
sw чёрный
vi фиолетовый
ws белый





