Подогреватель предпус ковой дизельный 14ТС-10-GP KAMAZ
ОПИСАНИЕ УСТРОЙСТВА И РАБОТЫ ПОДОГРЕВАТЕЛЯ
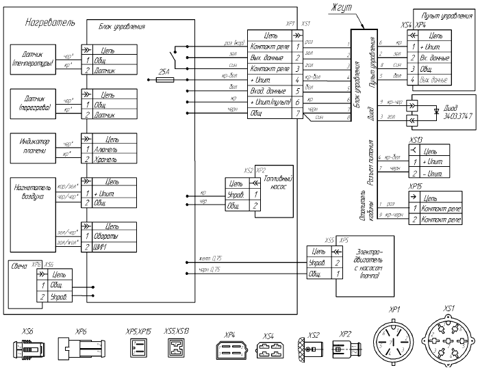
Подогреватель работает независимо от автомобильного двигателя. Питание подогревателя топливом и электроэнергией осуществляется от автотранспортного средства. Схема электрических соединений подогревателя приведена на рисунке.
Подогреватель является автономным нагревательным устройством, которое содержит:
- нагреватель;
- топливный насос для подачи топлива в камеру сгорания;
- циркуляционный насос (помпа) для принудительной прокачки рабочей жидкости системы охлаждения (тосола) через теплообменную систему нагревателя;
- блок управления, осуществляющий управление вышеперечисленными устройствами;
- пульт управления;
- жгуты проводов для соединения элементов подогревателя и с аккумуляторной батареей автомобиля.
Подогреватель своим гидравлическим контуром встраивается в систему охлаждения двигателя таким образом, чтобы его помпа обеспечивала циркуляцию охлаждающей жидкости в двигателе и нагревателе.
Принцип действия подогревателя основан на разогреве жидкости в системе охлаждения двигателя.
Для разогрева жидкости в качестве источника тепла используются продукты сгорания топливновоздушной смеси в камере сгорания. Тепло через стенки теплообменника передается охлаждающей жидкости, которая прокачивается через систему охлаждения двигателя автомобиля.
При включении подогревателя осуществляется тестирование и контроль работоспособности элементов подогревателя: индикатора пламени, датчиков температуры и перегрева, помпы, электромотора
нагнетателя воздуха, свечи, топливного насоса и их электроцепей. При исправном состоянии начинается
процесс розжига. Одновременно включается циркуляционный насос (помпа).
Подогреватель может работать по одной из двух программ: «экономичной» или «предпусковой».
Экономичная программа отличается меньшей потребляемой мощностью.
По заданной программе происходит предварительная продувка камеры сгорания и разогрев свечи
накаливания. Затем подается топливо и воздух. В камере сгорания начинается процесс горения. Контроль горения осуществляет индикатор пламени. Всеми процессами при работе подогревателя управляет блок управления.
Блок управления осуществляет контроль температуры охлаждающей жидкости и в зависимости от ее величины устанавливает режимы работы подогревателя: «полный», «средний» или «малый».
При нагреве жидкости свыше 80 °C подогреватель переходит на режим «остывания». При этом
прекращается процесс горения, продолжается работа помпы и обогрев салона автомобиля.
При охлаждении жидкости ниже 55 °С подогреватель автоматически включается в работу.
Продолжительность полного цикла работы по программе «предпусковая» составляет 3 часа, по
программе «экономичная» - 8 часов и зависит от положения переключателя на пульте управления. Кроме того, имеется возможность выключить подогреватель в любой момент цикла.
При выключении подогревателя вручную или автоматически по истечении установленного времени работы прекращается подача топлива и производится продувка камеры сгорания воздухом.
Особенности автоматического управления работой подогревателя в аварийных и нештатных ситуациях:
1) если по каким-либо причинам не произошёл запуск подогревателя, то процесс запуска автоматически повторится. После 2-х неудачных попыток происходит выключение подогревателя;
2) если во время работы подогревателя горение прекратится, то подогреватель выключится;
3) при перегреве подогревателя (например, вследствие нарушения циркуляции охлаждающей жидкости, воздушных пробок и др.) происходит автоматическое его выключение;
4) при падении напряжения ниже 20 В или его повышении свыше 30 В происходит выключение подогревателя;
5) при аварийном выключении подогревателя на пульте управления начинает мигать светодиод.
Количество миганий через паузу показывает вид неисправности. Расшифровка вида неисправности приведена в разделе 8 данного руководства.
Примечание. Обогрев кабины автомобиля возможен только при открытом положении крана отопителя салона и замкнутом прерывателе массы автомобиля.

1 - Вид на колодки показан со стороны присоединительной части (не со стороны провода);
2* - цвет метки на проводах датчиков, индикатора пламени и нагнетателя воздуха

Основные узлы нагревателя
НЕИСПРАВНОСТИ
Неисправности, которые могут быть устранены собственными силами.
6.1 Подогреватель после включения не запускается, светодиод на пульте не светится при этом
необходимо:
1. Проверить наличие топлива в баке;
2. Проверить наличие напряжения на разъеме ХS1.
3. Проверить предохранитель 25А который находится в блоке управления, при необходимости заменить.
6.2 Все другие возникшие неисправности подогревателя автоматически показываются миганием
светодиода на пульте.
6.3 Характерные неисправности подогревателя и методику их устранения описано отдельно.
6.4 При неисправностях возникших во время эксплуатации, при устранение которых требуется частичная разборка подогревателя, необходимо обращаться в ремонтную мастерскую.
НЕИСПРАВНОСТИ ЭЛЕМЕНТОВ СИСТЕМЫ УПРАВЛЕНИЯ ПОДОГРЕВАТЕЛЕМ
Поиск неисправностей необходимо начать с проверки контактов разъемов проверяемых цепей (см. схему
электрических соединений).
Все другие возникшие неисправности подогревателя показаны далее.
Светодиод не светится Подогреватель не запускается.
Проверить предохранитель 25 А, при необходимости заменить.
Проверить пульт управления, при необходимости заменить.
Проверить электропроводку.
Проверить разъемы, при необходимости удалить окисление с контактов разъемов.
1 Перегрев
Опознан возможный перегрев.
Разница температур, замеренных датчиком перегрева и датчиком температуры, слишком большая
Датчик перегрева или датчик температуры выдаёт температуру выше 102 °C. Проверить полностью жидкостный контур и работу циркуляционного насоса.
Разница значений температур, замеренных датчиком перегрева и датчиком температуры, составляет более 20 °C (значение температуры с датчика перегрева больше 85 °C или датчика температуры больше 70 °C). Проверить датчик перегрева и датчик температуры и при необходимости заменить.
Проверить работу циркуляционного насоса.
2 Попытки запуска исчерпаны
Если допустимое количество попыток запуска использовано – проверить количество и подачу топлива. Проверить систему подвода воздуха для сгорания и газоотводящий трубопровод.
3 Прерывание пламени
Проверить количество и подачу топлива. Проверить систему подвода воздуха для сгорания и газоотводящий трубопровод.
Если подогреватель запускается, то проверить индикатор пламени и при необходимости заменить. Проверить топливной фильтр тонкой очистки на засорение.
4 Неисправность свечи накаливания
Неисправность мотора нагнетателя воздуха
Проверить свечу накаливания, при необходимости заменить.
Проверить электропроводку мотора нагнетателя воздуха, при необходимости заменить нагнетатель воздуха
5 Неисправность индикатора пламени
Проверить соединительные провода. Проверить омическое сопротивление между контактами индикатора, которое должно быть не более 1 Ом.
6 Неисправность датчика перегрева
Неисправность датчика температуры
Проверить соединительные провода. Выходной сигнал и напряжение находятся в линейной зависимости от температуры (0 °C соответствует 2.73 В и при увеличении температуры на 1 °C соответственно увеличивается выходной сигнал на 10 мВ).
Проверить датчик и при необходимости заменить.
7 Неисправность циркуляционного насоса
Неисправность топливного насоса
Проверить электропровода циркуляционного насоса на короткое замыкание, проверить циркуляционный насос и при необходимости заменить.
Проверить электропровода топливного насоса на короткое замыкание, проверить топливный насос на производительность и при необходимости заменить.
9 Отключение, повышенное напряжение
Отключение, пониженное напряжение
Проверить батарею, регулятор и подводящую электропроводку. Напряжение между 4 и 7 контактами разъема ХS1 должно быть не выше 30 В.
Проверить батарею, регулятор и подводящую электропроводку. Напряжение между 4 и 7 контактами разъема ХS1 должно быть не ниже 20 В
10 Превышено время на вентиляцию
За время продувки недостаточно охлаждён подогреватель.
Проверить систему подачи воздуха для сгорания и газоотводящий трубопровод. Проверить индикатор пламени и при необходимости заменить.