Описание тормозных систем HINO 700

РАБОЧАЯ ТОРМОЗНАЯ СИСТЕМА
Тип рабочего тормоза
Колесный тормоз с колодками внутри тормозного барабана с пневматическим приводом.
Система нагнетания воздуха
Воздух нагнетается компрессором поршневого типа, а его распределение и регулирование расхода осуществляются регулятором давления, необходимыми клапанами и соответствующими трубками. Уровень давления в системе определяется с помощью датчика давления и выключателя контрольной лампы давления воздуха.
Система управления рабочим тормозом
Имеется два независимых контура для передних и задних колес, расход воздуха в которых регулируется тормозным клапаном; каждый контур состоит из группы клапанов и тормозных камер (по одной на колесо). Для включения стоп-сигналов используется выключатель стоп-сигналов.
Система управления пружинными энергоаккумуляторами
Применяется один контур для всех пружинных тормозных камер.
Контур состоит из клапана, регулирующего расход воздуха, прочих необходимых клапанов и пружинных тормозных камер.
Для включения стоп-сигналов используется выключатель стоп-сигналов.
Для отключения зуммера и включения контрольной лампы стояночного тормоза используется выключатель стояночного тормоза.
Колесный тормоз
Барабанный тормоз с первичной и вторичной разжимными колодками внутри тормозного барабана, которые приводятся в действие с помощью механизма регулировки зазора и кулачкового вала или разжимным механизмом на всех колесах.
ПРИНЦИПИАЛЬНАЯ СХЕМА
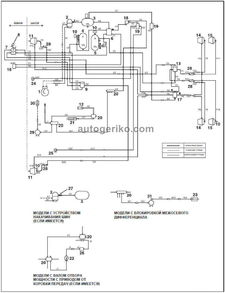
МОДЕЛЬ: FS (EURO3)

1 Воздушный компрессор
2 Осушитель воздуха
3 Ресивер-водоотделитель
4 Ресивер тормоза передних колес
5 Ресивер тормоза задних колес
6 Защитный клапан
7 Тормозной клапан
8 Выключатель стоп-сигнала
9 Ускорительный клапан тормоза передних колес
10 Контрольное соединение
11 Пружинная тормозная камера тормоза переднего колеса
12 Привод переключения передач
13 Ускорительный клапан тормоза задних колес
14 Пружинная тормозная камера тормоза заднего колеса
15 Тормозная камера
16 Регулирующий клапан пружинного энергоаккумулятора
17 Ускорительный клапан пружинного энергоаккумулятора
18 Редукционный клапан
19 Защитный клапан
20 Разветвитель
21 Усилитель привода сцепления
22 Электромагнитный клапан вала отбора мощности (если имеется)
23 Цилиндр управления блокировкой межосевого дифференциала
24 Подвеска кабины спереди
25 Подвеска кабины сзади
26 Вал отбора мощности с приводом от коробки передач (если имеется)
27 Устройство для накачивания шин (если имеется)
28 Регулирующий клапан ABS
29 Электромагнитный клапан тормоза-замедлителя в выпускной системе
30 Тормоз-замедлитель в выпускной системе
31 Электромагнитный клапан блокировки межосевого дифференциала
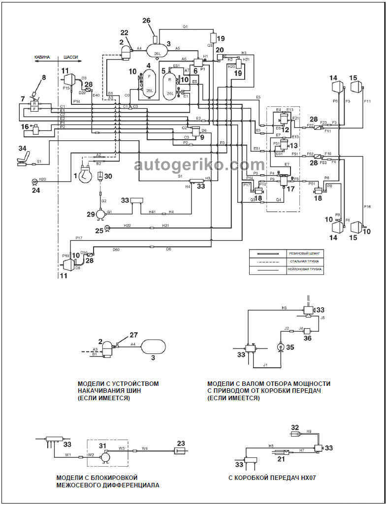
МОДЕЛЬ: FS (САМОСВАЛ И БЕТОНОСМЕСИТЕЛЬ, EURO4)

1 Воздушный компрессор
2 Осушитель воздуха
3 Ресивер-водоотделитель
4 Ресивер тормоза передних колес
5 Ресивер тормоза задних колес
6 Защитный клапан
7 Тормозной клапан
8 Выключатель стоп-сигнала
9 Ускорительный клапан тормоза передних колес
10 Контрольное соединение
11 Пружинная тормозная камера тормоза переднего колеса
12 Ускорительный клапан тормоза задних колес правого борта
13 Ускорительный клапан тормоза задних колес левого борта
14 Пружинная тормозная камера тормоза заднего колеса
15 Тормозная камера
16 Регулирующий клапан пружинного энергоаккумулятора
17 Ускорительный клапан пружинного энергоаккумулятора
18 Клапан быстрого растормаживания
19 Защитный клапан
20 Редукционный клапан
21 Усилитель привода сцепления
22 Обратный клапан
23 Цилиндр управления блокировкой межосевого дифференциала
24 Подвеска кабины спереди
25 Подвеска кабины сзади (если имеется)
26 Предохранительный клапан
27 Устройство для накачивания шин (если имеется)
28 Регулирующий клапан ABS
29 Электромагнитный клапан тормоза-замедлителя в выпускной системе
30 Тормоз-замедлитель в выпускной системе
31 Электромагнитный клапан блокировки межосевого дифференциала
32 Привод переключения передач
33 Разветвитель
34 Пневмоподвеска сиденья (если имеется)
35 Электромагнитный клапан вала отбора мощности (если имеется)
36 Вал отбора мощности с приводом от коробки передач (если имеется)
МОДЕЛЬ: FS (ДЛЯ ПЕРЕВОЗКИ ГРУЗОВ, EURO4)

1 Воздушный компрессор
2 Осушитель воздуха
3 Ресивер-водоотделитель
4 Ресивер тормоза передних колес
5 Ресивер тормоза задних колес
6 Защитный клапан
7 Тормозной клапан
8 Выключатель стоп-сигнала
9 Ускорительный клапан тормоза передних колес
10 Контрольное соединение
11 Пружинная тормозная камера тормоза переднего колеса
12 Ускорительный клапан тормоза задних колес правого борта
13 Ускорительный клапан тормоза задних колес левого борта
14 Пружинная тормозная камера тормоза заднего колеса
15 Тормозная камера
16 Регулирующий клапан пружинного энергоаккумулятора
17 Ускорительный клапан пружинного энергоаккумулятора
18 Клапан быстрого растормаживания
19 Защитный клапан
20 Редукционный клапан
21 Усилитель привода сцепления
22 Обратный клапан
23 Цилиндр управления блокировкой межосевого дифференциала
24 Подвеска кабины спереди
25 Подвеска кабины сзади (если имеется)
26 Предохранительный клапан
27 Устройство для накачивания шин (если имеется)
28 Регулирующий клапан ABS
29 Электромагнитный клапан тормоза-замедлителя в выпускной системе
30 Тормоз-замедлитель в выпускной системе
31 Электромагнитный клапан блокировки межосевого дифференциала
32 Привод переключения передач
33 Разветвитель
34 Пневмоподвеска сиденья (если имеется)
МОДЕЛЬ: SS (EURO3)

1 Воздушный компрессор
2 Осушитель воздуха
3 Ресивер-водоотделитель
4 Ресивер тормоза передних колес
5 Ресивер тормоза задних колес
6 Защитный клапан
7 Тормозной клапан
8 Выключатель стоп-сигнала
9 Ускорительный клапан тормоза передних колес
10 Контрольное соединение
11 Тормозная камера тормоза переднего колеса
12 Регулирующий клапан ABS
13 Ускорительный клапан тормоза задних колес
14 Пружинная тормозная камера тормоза заднего колеса
15 Тормозная камера тормоза заднего колеса
16 Регулирующий клапан пружинного энергоаккумулятора
17 Ускорительный клапан пружинного энергоаккумулятора
18 Редукционный клапан
19 Разветвитель
20 Электромагнитный клапан блокировки межосевого дифференциала
21 Клапан демультипликатора
22 Усилитель привода сцепления
23 Клапан-распределитель
24 Привод переключения передач
25 Регулирующий клапан прицепа
26 Защитный клапан
27 Подвеска кабины спереди
28 Подвеска кабины сзади
29 Цилиндр управления блокировкой межосевого дифференциала
30 Устройство для накачивания шин (если имеется)
31 Вал отбора мощности с приводом от коробки передач (если имеется)
32 Ресивер тормоза колес прицепа
33 Электромагнитный клапан вала отбора мощности (если имеется)
34 Электромагнитный клапан высокого/низкого давления
35 Электромагнитный клапан привода сцепления
36 Электромагнитный клапан тормоза-замедлителя в выпускной системе
37 Тормоз-замедлитель в выпускной системе
МОДЕЛЬ: SS (EURO4)

1 Воздушный компрессор
2 Осушитель воздуха
3 Ресивер-водоотделитель
4 Ресивер тормоза передних колес
5 Ресивер тормоза задних колес
6 Защитный клапан
7 Тормозной клапан
8 Выключатель стоп-сигнала
9 Ускорительный клапан тормоза передних колес
10 Контрольное соединение
11 Пружинная тормозная камера тормоза переднего колеса
12 Ускорительный клапан тормоза задних колес правого борта
13 Ускорительный клапан тормоза задних колес левого борта
14 Пружинная тормозная камера тормоза заднего колеса
15 Тормозная камера
16 Регулирующий клапан пружинного энергоаккумулятора
17 Ускорительный клапан пружинного энергоаккумулятора
18 Клапан быстрого растормаживания
19 Защитный клапан
20 Редукционный клапан
21 Усилитель привода сцепления
22 Обратный клапан
23 Цилиндр управления блокировкой межосевого дифференциала
24 Подвеска кабины спереди
25 Подвеска кабины сзади (если имеется)
26 Предохранительный клапан
27 Устройство для накачивания шин (если имеется)
28 Регулирующий клапан ABS
29 Электромагнитный клапан тормоза-замедлителя в выпускной системе
30 Тормоз-замедлитель в выпускной системе
31 Электромагнитный клапан блокировки межосевого дифференциала
32 Привод переключения передач
33 Разветвитель
34 Электромагнитный клапан высокого/низкого давления
35 Электромагнитный клапан привода сцепления
36 Клапан демультипликатора
37 Клапан-распределитель
38 Ресивер тормоза колес прицепа
39 Регулирующий клапан прицепа
40 Электромагнитный клапан вала отбора мощности (если имеется)
41 Вал отбора мощности с приводом от коробки передач (если имеется)
ПОИСК И УСТРАНЕНИЕ НЕИСПРАВНОСТЕЙ

АНТИБЛОКИРОВОЧНАЯ ТОРМОЗНАЯ СИСТЕМА ABS
ABS представляет собой систему, которая эффективно использует трение между шинами и дорожным покрытием для поддержания курсовой устойчивости ТС во время торможения и остановки.
Сильное торможение на скользком дорожном покрытии может вызывать блокировку колес вследствие приложения чрезмерного тормозного усилия. Это приводит к потере курсовой устойчивости ТС, поскольку при блокировке колеса утрачивают сопротивление движению в поперечном направлении. В частности, в случае блокировки передних колес становится невозможным рулевое управление ТС, а при блокировке задних колес задняя часть автомобиля может вилять из стороны в сторону.
Кроме того, в случае блокировки колес невозможно эффективно использовать трение между шинами и дорожным покрытием.
Это может приводить к увеличению тормозного пути.
Для непрерывного контроля вращения колес в системе ABS используются колесные датчики, установленные на мостах. Если какое-либо колесо начинает блокироваться, ЭБУ системы ABS передает сигналы на регулирующий клапан ABS и незамедлительно корректирует давление в тормозной системе для предотвращения блокировки колес.
Таким образом, система ABS поддерживает курсовую устойчивость ТС во время торможения за счет эффективного использования трения между шинами и дорожным покрытием.
СОСТАВ И ПРИНЦИП ДЕЙСТВИЯ
В состав системы ABS входят: кольца датчиков, установленные на колесах; ЭБУ системы ABS, который получает сигналы от колесных датчиков, контролирующих частоту вращения колес, и подает управляющие сигналы для поддержания надлежащего тормозного усилия; регулирующие клапаны ABS, которые обеспечивают увеличение или уменьшение тормозного усилия в соответствии с принимаемыми управляющими сигналами; контрольная лампа, которая подает аварийный сигнал в случае неисправности системы; трубопроводы, жгуты проводов и т. д., которые связывают друг с другом различные узлы, образующие данную систему.
На ступицах колес установлены кольца датчиков, которые вращаются вместе с колесами. Колесные датчики, установленные на мостах рядом с кольцами, формируют импульсные сигналы, поступающие в ЭБУ системы ABS. На основании получаемых сигналов ЭБУ системы ABS вычисляет частоту вращения колес, ускорение, замедление, а также величину скольжения.
В случае превышения предельных значений замедления колес или коэффициента скольжения ЭБУ системы ABS немедленно передает сигналы на регулирующие клапаны ABS для корректировки избыточного тормозного усилия.
Данная система ABS осуществляет независимое управление тормозами четырех колес: переднего правого, переднего левого, заднего правого и заднего левого.
ПРИНЦИПИАЛЬНАЯ СХЕМА СИСТЕМЫ

1 Тормозной клапан
2 Тормозная камера
3 Ускорительный клапан
4 Регулирующий клапан ABS
5 ЭБУ системы ABS
6 Колесный датчик
7 Контрольная лампа ABS
A От ресивера
ПРИНЦИП ДЕЙСТВИЯ
На представленном слева графике характеристик управления системы ABS показано, как изменяются во времени скорость движения ТС, частота вращения колес, ускорение/замедление вращения колес и давление воздуха на выходе регулирующего клапана ABS после включения тормозов.
При включении тормозов скорость движения ТС и частота вращения колес снижаются, и одновременно с этим также снижается величина ускорения/замедления вращения колес. В точке Т1 начинает увеличиваться несоответствие между частотой вращения колес и скоростью движения ТС. По мере перехода к точке T2 ЭБУ системы ABS обнаруживает, что начинается блокировка колес, и снижает
давление воздуха на выходе регулирующего клапана ABS для предотвращения блокировки.
В точке T3 начинает восстанавливаться нормальное ускорение/замедление вращения колес, и ЭБУ системы ABS прекращает снижение давления воздуха на выходе регулирующего клапана ABS и поддерживает давление на постоянном уровне. В точке T5 частота
вращения колес и скорость движения ТС являются примерно одинаковыми. ЭБУ системы ABS обнаруживает, что вероятность
блокировки колес мала, и увеличивает давление воздуха на выходе регулирующего клапана ABS.
Описанные выше процессы повторяются многократно до полной остановки ТС.

ФУНКЦИИ СИСТЕМЫ
РАБОТА В АВАРИЙНОМ РЕЖИМЕ
Данная система ABS имеет функцию работы в аварийном режиме, которая обеспечивает включение контрольной лампы ABS на панели приборов и восстановление работы стандартной (без ABS) тормозной системы в случае возникновения сбоя в работе системы ABS.
Следует отметить, что система ABS состоит из двух независимых контуров. При возникновении какой-либо неисправности в электрических цепях ABS соответствующей системы выключается, и восстанавливается работа стандартной тормозной системы, а ABS другой системы продолжает работу. Такая конфигурация предназначается для минимизации последствий возникновения сбоев в работе ABS.
ФУНКЦИЯ УПРАВЛЕНИЯ ВСПОМОГАТЕЛЬНЫМ ТОРМОЗОМ
Система ABS данного ТС оснащена функцией, которая осуществляет управление вспомогательным тормозом во время работы ABS. Если на дорожном покрытии с очень низким коэффициентом трения водитель включает вспомогательный тормоз отдельно или вместе с рабочим тормозом, это может привести к блокировке ведущих колес. Данная система ABS предотвращает блокировку вращающихся колес в подобных случаях путем автоматического выключения вспомогательного тормоза во время работы ABS при необходимости.
Продолжение и всю информацию смотри в