См. также:
Справочник по диагностике антиблокировочной cистемы
ABS Knorr-Bremse
(Служебная информация)

СОДЕРЖАНИЕ
1: Введение
2: Как пользоваться данным Справочником
Системы для автобусов и грузовых автомобилей
3: Гамма системы
- Гамма-система «СР» (4S/4M)
- Гамма-система «2E» (4S/4M)
- Гамма-система «3E» (6S/6M)
- Гамма-система «I» (4S/4M)
- Гамма-система «L» (4S/4M)
- Гамма-система «LKN» (4S/4M)
- Гамма-система «M» (4S/4M)
- Гамма-система «Р» (4S/4M)
- Гамма-система «SKN» (4S/4M)
4: Системы КВ90/92
5: Система CI12
6: Система EU12 (включая U16)
7: Система ABS 2x
Системы прицепов
8: Система КВ91-А
9: Система КВ3-ТА
10: Система А9
11: Система А18 (включая КВ4Т)
12: Система AL4T
Приложения
a. Сокращения
b. Общие замечания по проведению проверок
c. Общая информация
D. Электрические соединения – назначение контактов
c. Таблица обозначений компонентов электронного блока управления по типам системы
Введение
Данное Руководство было подготовлено с целью помочь в поиске неисправностей и обслуживании
антиблокировочных систем (ABS) фирмы Кнорр-Бремзе. Перед выполнением каких-либо работ на
транспортном средстве необходимо выполнить все стандартные меры предосторожности в отношении
закрепления транспортного средства и т.д., чтобы обеспечить безопасность обслуживающего персонала, работающего на транспортном средстве и возле него.
Некоторые из антиблокировочных систем (ABS), описанных в данном Руководстве, могут быть детально
диагностированы с помощью персонального компьютера с установленным специальным программным
обеспечением (ПО) (которое называется «система диагностики вне транспортного средства»).
Специализированное ПО содержит все необходимые инструкции для проведения диагностики. Система
диагностики с использованием лампы световой сигнализации для системы ABS или ручного адаптера
световой сигнализации называется системой бортовой диагностики. Данное Руководство подготовлено в помощь при проведении «бортовой» диагностики; оно поможет в создании необходимой конфигурации испытания и объяснит коды неисправностей, которые высвечиваются на дисплее при проведении технического обслуживания. Важное замечание: Следует отметить, что методы создания необходимой конфигурации и доступа к кодам неисправностей аналогичны методам, используемым для стирания памяти о неисправностях в электронном блоке управления (ECU), поэтому необходимо очень четко соблюдать правильность выполнения процедур. В противном случае, компания Кнорр-Бремзе не несет ответственность за какую-либо потерю данных из блока ECU.
Очень важно перед выпуском транспортного средства на общественные дороги выполнить проверку
тормозных систем в движении (например, на беговых барабанах) после завершения всех работ по
техническому обслуживанию.
Как пользоваться данным Справочником
Если Вы знаете обозначение электронного блока управления (ECU), но не знаете тип системы, в которой он должен быть установлен, просмотрите Таблицу в Приложении с. В этой Таблице можно найти тип системы и номер страницы в данном Справочнике, на которой представлена информация об этом блоке.
Большинство систем, описанных в данном Справочнике, могут отображать данные системы и информацию о неисправностях посредством «Кодов мигающей световой сигнализации». Коды мигающей световой сигнализации представляют собой последовательность мигания сигнальной лампы антиблокировочной тормозной системы ABS или сигнальной лампы противобуксовочной системы, встроенные в транспортное средство, или внешней подключенной сигнальной лампы. Все возможные опции описаны детально для каждой системы.
Отображение кодов мигающей световой сигнализации запускается посредством какого-либо механического устройства, например, замыканием контактов на блоке ECU системы. Точный метод описан детально для каждой системы.
Последовательность запуска кодов мигающей световой сигнализации и их отображение на дисплее описано в тексте, а также поясняется с помощью диаграмм. Диаграммы рабочего состояния (см. пример ниже) отображают последовательность миганий лампы или нажатия кнопок по оси времени, но следует отметить, что эти диаграммы составлены без привязки к точному масштабу. Заштрихованные «звездочки» означают включенное состояние лампы, а пустыми кружочками обозначено выключенное состояние.
1 – Кнопка нажата
2 – Кнопка не нажата
3 – Время
4 – Лампа горит
5 – Лампа не горит
В Справочнике часто употребляется термин «Питание включено», означающий, что на электронный блок управления (ECU) подается напряжение питания. Это может быть выполнено несколькими способами:
например, поворотом ключа зажигания или соединением электрического кабеля между тягачом и прицепом.
Гамма-система «СР»
(Конфигурация 4S/4M)
Коды конфигурации и неисправностей
· С помощью переключателя (например, с помощью кнопки диагностики), включенного в цепь между
штыревым контактом, обозначенным «DIA L» блока ECU и общим проводом, можно инициировать
отображение мигающего кода (т.е. последовательность миганий).
· Код мигающей световой сигнализации отображается на панели световой сигнализации ABS (INA)
или на панели световой сигнализации противобуксовочной системы (ASR). Ознакомьтесь с
Руководством Производителя транспортного средства и определите, где находится и режим работы
соответствующей световой сигнализации на панели.
· Если нет Руководства Производителя транспортного средства, можно подключить автомобильную
лампу мощностью до 10 Вт между общим проводом и соответствующим выходным контактом INA
или ASR блока ECU (см. соответствующую монтажную схему).
· После подачи питания на блок ECU (включении зажигания) подождите, по крайней мере, 1 секунду,
затем нажмите и удерживайте в течении 2-5 секунд кнопку диагностики, после чего отпустите ее.
· Код мигающей световой сигнализации состоит из четырех последовательностей (см. схему ниже).
Необходимо считывать количество миганий в каждой последовательности. Каждая
последовательность миганий отделяется от следующей достаточно большой временной паузой:
- Первые две последовательности вспышек описывают конфигурацию.
- Третья последовательность указывает на неисправности в передних левых или задних правых датчиках или модуляторах.
- Четвертая последовательность указывает на неисправности в передних правых и задних левых датчиках или модуляторах.
1 – Кнопка нажата; 2 – Кнопка отпущена; 3 – Лампа горит; 4 – Лампа не горит; 5 – 2-5 с; 6 –
Последовательность 1 / Конфигурация / Пример - Код сигнализации 2; 7 - Последовательность 2 /
Конфигурация / Пример - Код сигнализации 2; 8 - Последовательность 3 / Неисправность в передних левых или задних правых элементах / Пример - Код сигнализации 1; 9 - Последовательность 4 / Неисправность в передних правых и задних левых элементах / Пример - Код сигнализации 3

· Примечание: электронный блок управления ECU имеет возможность хранить в памяти только одну
последнюю выявленную неисправность.
· Для очистки памяти неисправностей блока ECU необходимо выключить зажигание, нажать кнопку
диагностики и удерживать ее нажатой. Включить зажигание и продолжать удерживать кнопку нажатой еще три секунды. Отпустить кнопку. После этой операции память будет очищена.
· После очистки памяти блок ECU производит самоконфигурирование.
· Блок ECU производит самоконфигурирование до состояния системы во время подачи питания;
поэтому, если какой-либо компонент будет подключен после того, как было произведено
самоконфигурирование, электронный блок управления ECU не сможет распознать этот компонент.
· Для изменения конфигурации:
- Выключите зажигание
- Подключите все необходимые компоненты (датчики, модуляторы и компоненты противобуксовочной системы (ASR)) к блоку ECU
- Очистите память неисправностей (см. выше)
- Снова включите зажигани

Коды световой сигнализации
Конфигурация (последовательность 1)
2 Антиблокировочная система ABS
5 Антиблокировочная система ABS с задействованной системой управления двигателем
Конфигурация (последовательность 2)
2 Модифицированное индивидуальное регулирование (IRM) передней оси
Неисправности (последовательности 3 и 4)
1 Неисправностей нет
2 Внутренний сбой блока ECU
3 Слишком большой воздушный зазор датчика скорости переднего колеса
4 Слишком большой воздушный зазор датчика скорости заднего колеса
6 Обрыв в цепи датчика скорости переднего колеса
7 Обрыв в цепи датчика скорости заднего колеса
9 Низкое напряжение или неисправность реле клапана
10 Неисправность модулятора среднего моста
11 Неисправность модулятора заднего моста
13 Неисправность реле
14 Неисправность цепи: система ASR – активация клапана тормоза
15 Неисправность цепи: пропорциональный клапан, сигнал скорости
18 Разница в диаметре колес
19 Ошибка сигнала реле DBR
20 Неисправность шины CAN-Bus
21 После последнего включения питания не было успешной проверки сигналов торможения
Гамма-система «2Е»
(Максимально возможная конфигурация 4S/4M)
Коды конфигурации и неисправностей
· С помощью переключателя (например, с помощью кнопки диагностики), включенного в цепь между
штыревым контактом, обозначенным «DIA L» блока ECU и общим проводом, можно инициировать
отображение мигающего кода (т.е. последовательность миганий).
· Код мигающей световой сигнализации отображается на панели световой сигнализации ABS (INA)
или на панели световой сигнализации противобуксовочной системы (ASR). Ознакомьтесь с
Руководством Производителя транспортного средства и определите, где находится и режим работы
соответствующей световой сигнализации на панели.
· Если нет Руководства Производителя транспортного средства, можно подключить автомобильную
лампу мощностью до 10 Вт между общим проводом и соответствующим выходным контактом INA
или ASR блока ECU (см. соответствующую монтажную схему).
· После подачи питания на блок ECU (включении зажигания) подождите, по крайней мере, 1 секунду,
затем нажмите и удерживайте в течении 2-5 секунд кнопку диагностики, после чего отпустите ее.
· Код мигающей световой сигнализации состоит из четырех последовательностей (см. схему ниже).
Необходимо считывать количество миганий в каждой последовательности. Каждая последовательность миганий отделяется от следующей достаточно большой временной паузой:
- Первая последовательность вспышек описывают конфигурацию.
- Вторая последовательность вспышек указывает на неисправности в передних правых или задних правых датчиках или модуляторах.
- Третья последовательность вспышек указывает на неисправности в передних правых и задних левых датчиках или модуляторах.
1 – Кнопка нажата; 2 – Кнопка отпущена; 3 – Лампа горит; 4 – Лампа не горит; 5 – 2-5 с; 6 –
Последовательность 1 / Конфигурация / Пример - Код сигнализации 2; 7 - Последовательность 2 /
Неисправность в передних левых или задних правых элементах / Пример - Код световой сигнализации 1; 8 - Последовательность 3 / Неисправность в передних правых или задних левых элементах / Пример - Код световой сигнализации 3
· Электронный блок управления ECU имеет возможность хранить в памяти только самую последнюю
выявленную неисправность.
· Для очистки памяти неисправностей блока ECU необходимо выключить зажигание, нажать кнопку
диагностики и удерживать ее нажатой. Включить зажигание и продолжать удерживать кнопку
нажатой еще три секунды. Отпустить кнопку. После этой операции память будет очищена.
· После очистки памяти блок ECU производит самоконфигурирование.
· Блок ECU производит самоконфигурирование после очистки памяти.
· Блок ECU производит самоконфигурирование до состояния системы во время подачи питания;
поэтому, если какой-либо компонент будет подключен после того, как было произведено
самоконфигурирование, электронный блок управления ECU не сможет распознать этот компонент.
· Для изменения конфигурации:
- Выключите зажигание
- Подключите все необходимые компоненты (датчики, модуляторы и компоненты противобуксовочной системы (ASR)) к блоку ECU
- Очистите память неисправностей (см. выше)
- Снова включите зажигание

Код световой сигнализации
Конфигурация (последовательность 1)
2 Антиблокировочная система ABS
3 Антиблокировочная / противобуксовочная система с управлением двигателем
4 Антиблокировочная / противобуксовочная система, управляющая тормозами
5 Антиблокировочная система с воздействием на тормоза и на систему управления двигателем
6 Антиблокировочная система – 12 вольт
7 Антиблокировочная / противобуксовочная система, с управлением двигателем – 12 вольт
8 Антиблокировочная / противобуксовочная система, управляющая тормозами – 12 вольт
9 Антиблокировочная система с воздействием и на тормоза, и на систему управления двигателем – 12 вольт
10 Антиблокировочная система с низкопороговым регулированием переднего моста
11 Антиблокировочная система с низкопороговым регулированием переднего моста и управлением двигателем
12 Антиблокировочная система с низкопороговым регулированием переднего моста и активацией тормозов
13 Антиблокировочная система с низкопороговым регулированием переднего моста с управлением двигателем и активацией тормозов
14 Антиблокировочная система с низкопороговым регулированием переднего моста – 12 вольт
15 Антиблокировочная система с низкопороговым регулированием переднего моста и управлением двигателем – 12 вольт
16 Антиблокировочная система с низкопороговым регулированием переднего моста и активацией тормозов – 12 вольт
17 Антиблокировочная система с низкопороговым регулированием переднего моста с управлением двигателем и активацией тормозов – 12 вольт
Неисправности (последовательности 2 и 3)
1 Неисправностей нет
2 Внутренний сбой блока ECU
3 Слишком большой воздушный зазор датчика скорости переднего колеса
4 Слишком большой воздушный зазор датчика скорости заднего колеса
6 Обрыв в цепи датчика скорости переднего колеса
7 Обрыв в цепи датчика скорости заднего колеса
9 Низкое напряжение или неисправность реле клапана
10 Неисправность модулятора переднего моста
11 Неисправность модулятора заднего моста
13 Неисправность реле
14 Неисправность цепи: система ASR – активация клапана тормоза
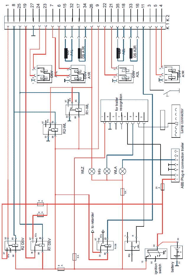
Принципиальная схема
Принципиальная схема гамма-системы «2Е» - 4S/4M
1 – К замедлителю; 2 – Выключатель зажигания; 3 – Аккумуляторная батарея; 4 – Информационная лампа; 5 – Разъем соединительной головки системы ABS прицепа; 6 – Для идентификации прицепа; 7 – Разъем кабеля питания ламп прицепа

Принципиальная схема гамма-системы «2Е»
1 - Колёсная характеристика; 2 – Без системы управления двигателем; 3 – Подключения системы управления двигателем к противобуксовочной системе ASR; 4 - Кнопка диагностики; 5 - Интерфейс для подключения системы управления двигателем к противобуксовочной системе ASR; 6 – Двухканальный тормозной клапан; 7 – 2 одноканальных тормозных клапана; 8 –Диагностический разъем согласно ISO 9141; 9 - Кнопка диагностики

Продолжение в полном объеме - доступно только пользователям