Обучение персонала по тормозным системам EBS/ABS КАМАЗ
Антиблокировочная система / противобуксовочная система ABS-D, -Е
пр-ва Wabco / Knorr-Bremse ABS 6
Блок управления
Назначение:
Блок управления используется в качестве центрального управляющего устройства для АБС/ПБС в автотранспортных средствах с прицепом и без прицепа с пневматической тормозной системой.
Центральный электронный блок служит для управления и контроля электронно-пневматической тормозной системой. Он определяет
требуемое номинальное замедление транспортного средства по сигналу от тормозного крана. Сигнал о необходимом замедление и сигналы скорости вращения колес являются входными сигналами для управления тормозной системой.
Центральный блок определяет необходимые тормозные давления в передней, задней осей и для крана управления тормозами прицепа.
Блок управления обеспечивает следующие функции:
- АБС - функция,
- ПБС - функция,
-функция ограничения скорости,
- управление АБС/ПБС,
- диагностика АБС/ПБС.

Электронная тормозная система ЕВS3 пр-ва Wabco
Блок управления
Назначение:
Центральный электронный блок служит для управления и контроля электронно-пневматической тормозной системой. Он определяет
требуемое номинальное замедление транспортного средства по сигналу от тормозного крана. Сигнал о необходимом замедление и сигналы скорости вращения колес являются входными сигналами для управления тормозной системой.
Центральный блок определяет необходимые тормозные давления в передней, задней осей и для крана управления тормозами прицепа.
Блок управления обеспечивает следующие функции:
- АБС - функция,
- ПБС - функция,
- функция ограничения скорости,
- управление АБС/ПБС,
- диагностика АБС/ПБС.

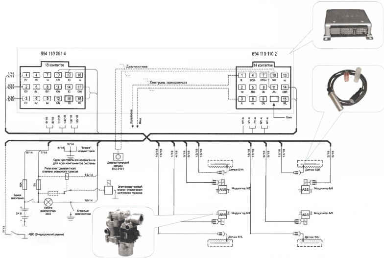
Датчик скорости АБС
Назначение: Датчик скорости колеса является датчиком электромагнитного типа. Он представляет собой катушку, намотанную вокруг магнита.
Устанавливается датчик вблизи импульсного кольца, которое закреплено на ступице колеса автомобиля.
Принцип работы:
При вращении импульсного кольца смещение зубцов оказывает воздействие на датчик, то есть возникает ЭДС, оно задает переменное
напряжение в катушке, частота которого пропорциональна скорости вращения колеса.

Модулятор АБС
Назначение: Модулятор предназначен для быстрого (миллисекунды) управления давлением сжатого воздуха в тормозных камерах автотранспортного средства в зависимости от команды, выработанной БУ АБС/ПБС.
Принцип работы:
Электромагнитные клапаны ABS устанавливаются на переднюю ось.
Клапаны открыты в нормальных условиях движения ТС, управляя созданным пропорциональным электромагнитным клапаном давлением в тормозном цилиндре. При срабатывании системы ABS впускные клапаны закрываются, предотвращая дальнейшую подачу воздуха в тормозной цилиндр. Если шины по-прежнему блокируются, воздух выпускается через дополнительное отверстие в клапане.


1. Мембрана впускная; 2. Впускное отверстие; 3. Седло клапана
удержания давления верхнее; 4. Седло клапана удержания давления нижнее; 5. Седло
клапана сброса давления нижнее; 6. Мембрана выпускная; 7. Седло клапана сброса
давления верхнее; 8. Выпускное отверстие; 9 - Пружина входной мембраны; 10 -
Пружина выходной мембраны; 11 - Мембрана клапана сброса
AxMolCh - Модулятор передней оси с электронным блоком управления
Назначение:
Модулирование давления пропорционально сигналу педали тормоза:
- скорость обмена данными с центральным модулем 500 Кбит/с
- с синхронизирующим магнитным клапаном (аналогично модулятору EBS прицепа)
Формирователь давления состоит из 2х клапанов:
Формирует давление над поршнем (как ускорительный клапан) и датчика давления + клапан отсечки давления с механического клапана (если эл.система исправна)
AxMolCh - Модулятор передней оси с электронным блоком управления
Назначение:
Представляет из себя сдвоенный клапан передней оси.
Модулирование давления пропорционально сигналу педали тормоза
- скорость обмена данными с центральным модулем 500 Кбит/с
- с синхронизирующим магнитным клапаном (аналогично модулятору EBS прицепа).
Формирователь давления состоит из 2х клапанов:
Формирует давление над поршнем (как ускорительный клапан) и датчика давления + клапан отсечки давления с механического клапана (если эл.система исправна)

Клапан управления тормозами прицепа
Назначение:
Клапан управления тормозами прицепа (ТСУ) регулирует давление на соединительных головках. Таким образом он управляет торможением прицепа через электропневматический контур и пневматический контур.
К клапану поступают данные номинального давления от электронного блока правления.
Конструкция и принцип работы:
Кран ТСУ состоит из клапана, управляющего устройства, состоящего из 2-ходового/2-позиционного впускного клапана и 2-ходового/2-позиционного выпускного клапана, З-ходового/2-позиционного резервного клапана, аварийного клапана обрыва и датчика давления.
Регулирование и контроль в электрической части осуществляется с помощью центрального электронного блока управления.
Два управляющих электромагнитных клапана преобразуют управляющий ток, заданный электронным блоком управления, в управляющее давление для ускорительного клапана.
Выходное давление крана ТСУ (порт 22) пропорционально такому управляющему давлению. На порядок регулирования ускоряющим клапаном в пневматической линии влияет резервное давление датчика тормозного усилия и выходное давление крана ручного тормоза.
Порт 42 предназначен для управления от резервного контура. При управлении с помощью электрического и пневматического контура (нормальное состояние) резервное давление поддерживается З-ходовым/2-позиционным резервным электромагнитным клапаном.
Без управления со стороны электронной системы резервное давление не поддерживается.
Порт 43 соединен с краном ручного тормоза. При снижении давления, подаваемого на порт 43, давление в тормозной магистрали прицепа (порт 22) повышается, независимо от давления, регулируемого электропневматической частью и резервного давления.

Модуль ESC
Назначение:
Модуль ESC интегрируется при установке системы EBS, так как при переоснащении потребуется калибровка и повторная параметризация, аналогичная той, что выполняется в процессе сборки ТС.
Для работы системы ESC модуль системы ESC и датчик угла поворота рулевого колеса (LWS) необходимо подключить к шине CAN системы EBS.
Вся технология использования датчиков в системе ESC подразумевает использование следующего:
- датчики ABS, которые необходимы и для системы EBS, измеряющие скорость вращения колес;
- датчик угла поворота рулевого колеса, измеряющий соответственно угол поворота руля;
- блок ECU системы EBS, анализирующий сигналы датчиков угла поворота рулевого колеса и управляющий различными функциями
Системы ESC для обнаружения неисправностей и в целях диагностики;
- модуль ESC, в который встраиваются датчики поперечного ускорения и скорости рысканья (анализируются сигналы датчиков, которые сравниваются с заданными значениями).
Конструкция:
Модуль системы ESC включает в себя датчик скорости рысканья для измерения движения ТС вокруг его вертикальной оси, а также датчик ускорения, измеряющий поперечное ускорение. Он передает такие данные через шину данных CAN.
Модуль системы ESC всегда устанавливается ближе к центру тяжести ТС для обеспечения точности измерения датчиками скорости рысканья и поперечного ускорения.

Датчик угла поворота рулевого колеса LWS
Назначение:
Датчик угла поворота рулевого колеса устанавливается на рулевой колонке ТС и передает измеряемую величину абсолютного угла
(положение) рулевого колеса, при этом предусматривается определение нулевого положения руля (центрального) после калибровки датчика.
Альтернативно система EBS может работать с отдельными датчиками LWS других производителей.

Антиблокировочная система / противобуксовочная система ABS-D, -Е пр-ва Wabco

Антиблокировочная система / противобуксовочная система АВS 2х, EU12 Knorr-Bremse

Электронная тормозная система ЕВS3 пр-ва Wabco


