См. также:
Электросхема гидравлического экскаватора Hitachi Zaxis190W-5N
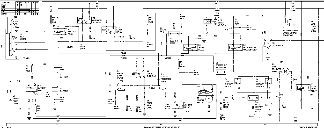
- F4 - Solenoid 20 A Fuse (marked SOLENOID)
- F7 - Start Position Signal 5 A Fuse (marked START)
- F11 - Fuel Transfer Pump 5 A Fuse (marked FUEL PUMP)
- F16 - Glow Plug 5 A Fuse (marked GLOW RELAY)
- F18 - Idle Stop 5 A Fuse (marked IDLE STOP)
- F60 - Alternator 65 A Fuse
- F61 - Battery 45 A Fuse
- G1 - Battery
- G2 - Battery
- G3 - Alternator
- K1 - Load Dump Relay
- K2 - Pilot Shutoff Solenoid Relay
- K4 - Starter Cut Relay
- K5 - Security Relay
- K11 - Idle Stop Relay
- K12 - Accessory Cut Relay
- K13 - Key Cut Relay
- K28 - Battery Relay
- K34 - Starter Relay
- M1 - Starter Motor
- M2 - Fuel Transfer Pump
- S1 - Key Switch
- S3 - Pilot Shutoff Switch 1
- S4 - Pilot Shutoff Switch 2
- S6 - Engine Stop Switch
- V1 - Battery Relay Diode
- V3 - Load Dump Relay Diode
- V4 - Security Diode
- V5 - Starter Cut Relay Diode
- V7 - Start Relay Diode
- V9 - Pilot Shutoff Diode
- V10 - Starter Protection Diode
- V20 - Pilot Shutoff Switch Diode
- X3 - Cab Harness-to-Machine Harness 100-Pin Connector
- X40 - Pump Harness-to-Machine Harness Connector
- X65 - Cab Harness-to-Pilot Shutoff Switch Harness Connector
- X67 - Machine Harness Auxiliary Power Connector
- X191 - Cab Harness-to-Floor Harness Connector 1
- Y10 - Pilot Shutoff Solenoid
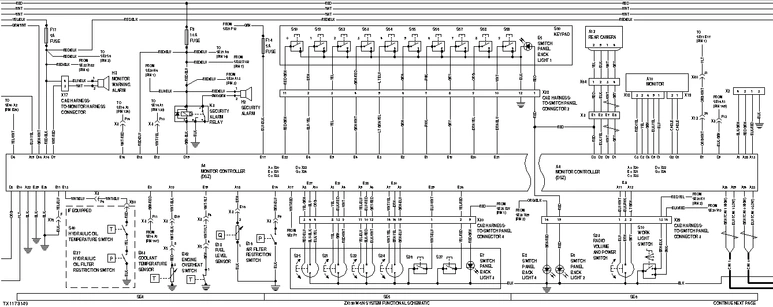
- A4 - Monitor Controller (DSZ)
- A10 - Monitor
- A12 - Rear Camera
- B16 - Air Filter Restriction Switch
- B18 - Fuel Level Sensor
- B27 - Hydraulic Oil Filter Restriction Switch (if equipped)
- B42 - Engine Overheat Switch
- B43 - Coolant Temperature Sensor
- E5 - Switch Panel Back Light 1
- E6 - Switch Panel Back Light 2
- E7 - Switch Panel Back Light 3
- E8 - Switch Panel Back Light 4
- F9 - Power Transistor, Monitor, and Radio Backup 10 A Fuse (marked BACK UP)
- F14 - Monitor 5 A Fuse (marked MONITOR)
- F17 - Power On and Service ADVISOR ™ 5 A Fuse (marked POWER ON)
- H2 - Security Alarm
- H3 - Monitor Warning Alarm
- K3 - Security Alarm Relay
- S10 - Work Light Switch
- S21 - Blower Motor Speed Switch
- S22 - Temperature Control/Mode Switch
- S23 - Radio Volume and Power Switch
- S24 - Radio Tuning Switch
- S25 - Monitor Dial
- S26 - Back Button
- S27 - Home Button
- S40 - Hydraulic Oil Temperature Switch (if equipped)
- S50 - 0 Key
- S51 - 1 Key
- S52 - 2 Key
- S53 - 3 Key
- S54 - 4 Key
- S55 - 5 Key
- S56 - 6 Key
- S57 - 7 Key
- S58 - 8 Key
- S59 - 9 Key
- S60 - Keypad
- X2 - MPDr 6-Pin Connector
- X3 - Cab Harness-to-Machine Harness 100-Pin Connector
- X5 - Machine Harness-to-Engine Harness 32-Pin Connector
- X12 - Cab Harness-to-Machine Harness 52-Pin Connector
- X17 - Cab Harness-to-Monitor Harness Connector
- X18 - Monitor 12-Pin Connector C
- X19 - Monitor 2-Pin Connector G
- X20 - Monitor Controller 28-Pin Connector A
- X21 - Monitor Controller 36-Pin Connector B
- X22 - Monitor Controller 16-Pin Connector D
- X23 - Monitor Controller 12-Pin Connector C
- X24 - Monitor Controller 2-Pin Connector G
- X28 - Cab Harness-to-Switch Panel Connector 2
- X29 - Cab Harness-to-Switch Panel Connector 3
- X30 - Cab Harness-to-Switch Panel Connector 4
- X40 - Pump Harness-to-Machine Harness Connector
- X64 - Machine Harness-to-Rear Camera Harness Connector
- X76 - Cab Harness Connector 1 (marked HMST, not used)
- X90 - Machine Harness-to-Hydraulic Oil Temperature Switch Connector
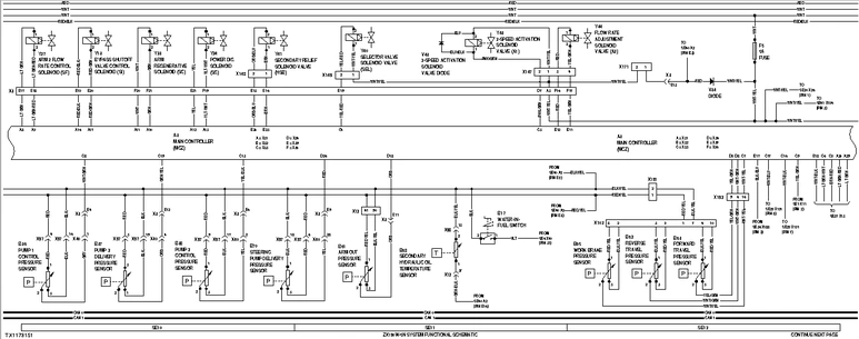
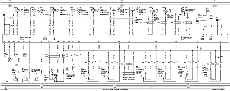
- A3 - Main Controller (MCZ)
- B30 - Boom Up Pressure Sensor (marked S1)
- B31 - Arm In Pressure Sensor
- B32 - Front Attachment Pressure Sensor
- B33 - Swing Pressure Sensor (marked S3)
- B35 - Pump 1 Delivery Pressure Sensor (marked PP1)
- B40 - Hydraulic Oil Temperature Sensor
- B64 - Park Brake Remain Pressure Sensor
- F10 - Main Controller and Machine Controller 5 A Fuse (marked CONTROLLER)
- R15 - Engine Speed Dial
- S8 - Auto-Idle Switch
- S11 - Travel Speed Switch
- S12 - Power Mode Button
- S65 - Engine Control Mode Switch
- X3 - Cab Harness-to-Machine Harness 100-Pin Connector
- X12 - Cab Harness-to-Machine Harness 52-Pin Connector
- X27 - Cab Harness-to-Switch Panel Connector 1
- X29 - Cab Harness-to-Switch Panel Connector 3
- X31 - Cab Harness-to-Main Controller 31-Pin Connector A
- X32 - Cab Harness-to-Main Controller 24-Pin Connector B
- X33 - Cab Harness-to-Main Controller 17-Pin Connector C
- X34 - Cab Harness-to-Main Controller 30-Pin Connector D
- X35 - Cab Harness-to-Main Controller 24-Pin Connector E
- X36 - Cab Harness-to-Main Controller 26-Pin Connector F
- X40 - Pump Harness-to-Machine Harness Connector
- X91A - Engine Speed Dial Ground Switch Panel Side Connector (marked 2)
- X91B - Engine Speed Dial Ground Main Controller Side Connector (marked S2)
- X94A - Engine Speed Dial Switch Panel Side Connector (marked 1)
- X94B - Engine Speed Dial Main Controller Side Connector (marked ST)
- X97 - Pump Harness Splice Connector
- X98 - Machine Harness Splice Connector
- X146 - Attachment Relief Connector
- X178 - Optional Pressure Sensor Connector
- X191 - Cab Harness-to-Floor Harness Connector 1
- X193 - Cab Harness-to-Floor Harness Connector 3
- Y20 - Pump 2 Flow Rate Limit Solenoid (marked SB)
- Y21 - Torque Control Solenoid (marked ST)
- Y26 - Pump 1 Flow Rate Limit Solenoid (marked SA)
- Y50 - Pump 1 Secondary Flow Control Solenoid (marked PSA)
- Y51 - Pump 2 Secondary Flow Control Solenoid (marked PSB)
- Y69 - Work Brake Solenoid (marked SJ)
- Y70 - Axle Lock Solenoid (marked SZ)
- Y74 - Attachment Relief Solenoid 1 (marked REL 1)
- Y75 - Attachment Relief Solenoid 2 (marked REL 2)

- A3 - Main Controller (MCZ)
- B17 - Water-in-Fuel Sensor
- B36 - Pump 1 Control Pressure Sensor (marked PC1)
- B37 - Pump 2 Delivery Pressure Sensor (marked PP2)
- B38 - Pump 2 Control Pressure Sensor (marked PC2)
- B61 - Arm Out Pressure Sensor (marked AM)
- B62 - Reverse Travel Pressure Sensor
- B63 - Forward Travel Pressure Sensor (marked G1)
- B65 - Work Brake Pressure Sensor (marked BP)
- B68 - Secondary Hydraulic Oil Temperature Sensor
- B70 - Steering Pump Delivery Pressure Sensor (marked P4)
- F5 - Travel Alarm and Optional/Attachment Connector 5 A Fuse (marked OPT. 1 ALT)
- V34 - Not Used
- V43 - 2-Speed Activation Solenoid Valve Diode
- X3 - Cab Harness-to-Machine Harness 100-Pin Connector
- X12 - Cab Harness-to-Machine Harness 52-Pin Connector
- X31 - Cab Harness-to-Main Controller 31-Pin Connector A
- X32 - Cab Harness-to-Main Controller 24-Pin Connector B
- X33 - Cab Harness-to-Main Controller 17-Pin Connector C
- X34 - Cab Harness-to-Main Controller 30-Pin Connector D
- X35 - Cab Harness-to-Main Controller 24-Pin Connector E
- X36 - Cab Harness-to-Main Controller 26-Pin Connector F
- X40 - Pump Harness-to-Machine Harness Connector
- X97 - Pump Harness Splice Connector
- X98 - Machine Harness Splice Connector
- X102 - Floor Harness Splice Connector
- X147 - 2-Speed Connector (marked 2ND)
- X148 - Secondary Relief Solenoid Valve Connector (marked HSB)
- X149 - Selector Valve Solenoid Valve Connector (marked SEL)
- X171 - Not Used
- X191 - Cab Harness-to-Floor Harness Connector 1
- X192 - Cab Harness-to-Floor Harness Connector 2
- Y13 - Bypass Shutoff Valve Control Solenoid (marked SI)
- Y23 - Arm Regenerative Solenoid (marked SC)
- Y24 - Power Dig Solenoid (marked SG)
- Y27 - Arm 2 Flow Rate Control Solenoid (marked SF)
- Y40 - Selector Valve Solenoid Valve (marked SEL)
- Y41 - Secondary Relief Solenoid Valve (marked HSB)
- Y43 - 2-Speed Activation Solenoid Valve (marked A1)
- Y44 - Flow Rate Adjustment Solenoid Valve (marked A2)

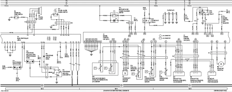
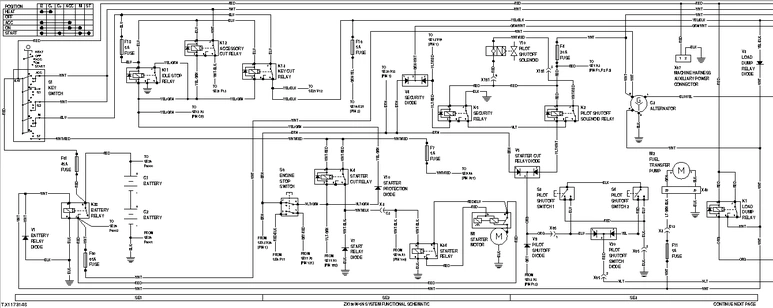
- A1 - Engine Control Unit (ECU)
- A3 - Main Controller (MCZ)
- B1 - Crankshaft Position Sensor
- B5 - Fuel Temperature Sensor
- B6 - Engine Oil Level Switch
- B12 - Fuel Rail Pressure Sensor
- B14 - Intake Air Throttle Valve Position Sensor
- B15 - Turbocharger Boost Pressure Sensor
- B44 - Mass Air Flow (MAF)/Intake Air Temperature (IAT) Sensor
- B47 - Exhaust Gas Recirculation (EGR) Valve Sensor
- F8 - Engine Control Unit (ECU) 30 A Fuse (marked ECU)
- H4 - Travel Alarm
- K14 - Engine Control Unit (ECU) Relay
- K27 - Glow Plug Relay
- M3 - Exhaust Gas Recirculation (EGR) Valve Actuator
- M8 - Intake Air Trottle
- R1 - Glow Plug 1
- R2 - Glow Plug 2
- R3 - Glow Plug 3
- R4 - Glow Plug 4
- R13 - Engine Control Unit (ECU) Resistor
- S13 - Travel Alarm Cancel Switch
- S16 - Muffler Filter Parked Cleaning Switch
- S41 - Park Brake and Axle Lock Switch
- V15 - Pilot Disable Switch Diode
- V21 - Park Brake Switch Diode
- V24 - Park Brake and Axle Lock Switch Disable Diode
- X3 - Cab Harness-to-Machine Harness 100-Pin Connector
- X5 - Machine Harness-to-Engine Harness 32-Pin Connector
- X6 - Machine Harness-to-Engine Harness 16-Pin Connector
- X7 - Machine Harness-to-Engine Harness 14-Pin Connector
- X14 - Engine Control Unit (ECU) 60-Pin Connector
- X15 - Engine Control Unit (ECU) 96-Pin Connector
- X31 - Cab Harness-to-Main Controller 31-Pin Connector A
- X32 - Cab Harness-to-Main Controller 24-Pin Connector B
- X33 - Cab Harness-to-Main Controller 17-Pin Connector C
- X34 - Cab Harness-to-Main Controller 30-Pin Connector D
- X35 - Cab Harness-to-Main Controller 24-Pin Connector E
- X36 - Cab Harness-to-Main Controller 26-Pin Connector F
- X45 - Option 2 12-Pin Connector (not used)
- X192 - Cab Harness-to-Floor Harness Connector 2

- A1 - Engine Control Unit (ECU)
- A9 - Variable Geometry Turbo Controller (VGS)
- B2 - Camshaft Position Sensor
- B3 - Manifold Air Temperature Sensor
- B4 - Engine Coolant Temperature Sensor
- B7 - Turbocharger Boost Temperature Sensor
- B11 - Engine Oil Pressure Sensor
- B13 - Fuel Filter Restriction Sensor
- B45 - Barometric Pressure Sensor
- B48 - Exhaust Differential Pressure Sensor
- B49 - Exhaust Temperature Sensor 1 (CSF)
- B50 - Exhaust Temperature Sensor 2 (DOC)
- B51 - Turbocharger Position Sensor
- R20 - Engine CAN Termination Resistor (marked ISO CAN)
- X1 - Service ADVISOR ™ Diagnostic Connector
- X3 - Cab Harness-to-Machine Harness 100-Pin Connector
- X5 - Machine Harness-to-Engine Harness 32-Pin Connector
- X7 - Machine Harness-to-Engine Harness 14-Pin Connector
- X9 - Machine Harness-to-Engine Harness 20-Pin Connector
- X14 - Engine Control Unit (ECU) 60-Pin Connector
- X15 - Engine Control Unit (ECU) 96-Pin Connector
- X40 - Pump Harness-to-Machine Harness Connector
- X69 - CAN 0 Connector
- X70 - Data Converter Interface Connector (marked JD CAB)
- X71 - Machine Harness-to- Service ADVISOR ™ Harness 8-Pin Connector
- X92A - Engine Control Unit (ECU) Power and Signal Connector (marked E1)
- X92B - Engine Control Unit (ECU) Return Connector (marked E2)
- X101 - Fuel Injector Harness Connector 1
- Y1 - Electronic Injector 1
- Y2 - Electronic Injector 2
- Y3 - Electronic Injector 3
- Y4 - Electronic Injector 4
- Y14 - Suction Control Valve
- Y16 - Turbocharger Actuator

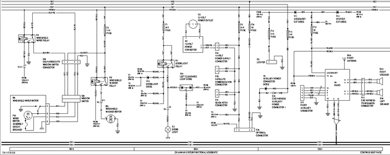
- A6 - Radio
- A8 - 12-Volt Power Converter
- B25 - Right Speaker
- B26 - Left Speaker
- E2 - Boom Light
- F1 - Boom Light 20 A Fuse (marked LAMP)
- F2 - Windshield Wiper and Washer 10 A Fuse (marked WIPER)
- F6 - Swing Alarm and 12-Volt Power Unit 20 A Fuse (marked OPT. 2 ALT)
- F12 - Radio and Machine Controller Power On 5 A Fuse (marked RADIO)
- F13 - Lighter 10 A Fuse (marked LIGHTER)
- F15 - Cab Auxiliary Power Connector 10 A Fuse (marked AUX.)
- F20 - Optional Connector 5 A Fuse (marked OPT. 3 BATT)
- F62 - Wiper Motor Assembly Circuit Breaker
- G5 - 12-Volt Power Outlet
- K6 - Windshield Wiper Relay
- K7 - Boom Light Relay
- K9 - Windshield Washer Relay
- M5 - Windshield Wiper Motor
- M6 - Windshield Washer Motor
- R9 - Lighter
- S28 - Window Switch
- V6 - Auxiliary Power Connector Diode
- V11 - Accessory Cut Diode
- V12 - Starter Cut Diode
- V19 - Boom Light Diode
- V25 - Left Clearance Light Diode
- W60 - Radio Antenna
- X3 - Cab Harness-to-Machine Harness 100-Pin Connector
- X25 - Cab Harness Auxiliary Power Connector 1 (marked AUX+/-)
- X26 - Optional Connector (marked OPT)
- X39 - Cab Harness-to-Window Switch Connector
- X59 - Satellite Communication Connector (marked IMOBI)
- X60 - 12-Volt Power Supply Connector (marked 12V)
- X61 - Quick Hitch Connector (marked QH)
- X73 - Cab Harness-to-Speakers Connector
- X77 - Radio Auxiliary Connector
- X107 - Wiper In-Line Connector

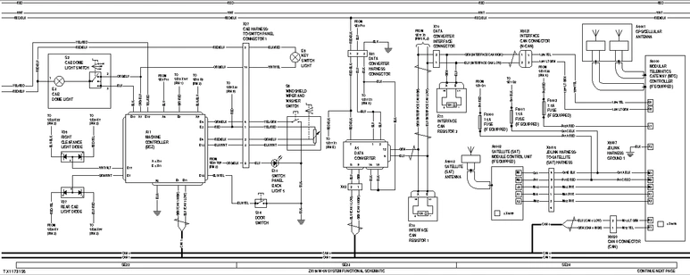
- A5 - Data Converter
- A11 - Machine Controller (BCZ)
- A6000 - Modular Telematics Gateway (MTG) Controller
- A6001 - GPS/Cellular Antenna
- A6002 - Satellite (SAT) Module Control Unit (if equipped)
- A6003 - Satellite (SAT) Antenna
- E3 - Cab Dome Light
- E9 - Key Switch Light
- E10 - Switch Panel Back Light 5
- F6000 - JDLink™ Unswitched Power 7.5 A Fuse (if equipped)
- F6001 - JDLink™ Ground 7.5 A Fuse (if equipped)
- F6002 - JDLink™ Switched Power 7.5 A Fuse (if equipped)
- R10 - Interface CAN Resistor 1
- R11 - Interface CAN Resistor 2
- S2 - Cab Dome Light Switch
- S9 - Windshield Wiper and Washer Switch
- S14 - Door Switch
- V26 - Right Clearance Light Diode
- V27 - Rear Cab Light Diode
- X10 - Machine Controller 8-Pin Connector A
- X11 - Machine Controller 20-Pin Connector B
- X27 - Cab Harness-to-Switch Panel Connector 1
- X41 - Data Converter Harness Connector
- X42 - CAN 1 Connector
- X70 - Data Converter Interface Connector (marked JD CAB)
- X6007 - JDLink™ Harness Ground 1
- X6014 - Modular Telematics Gateway (MTG) Control Unit 48-Pin Connector
- X6015 - Satellite (SAT) Module Control Unit Connector
- X6016 - JDLink™ Harness-to-Satellite (SAT) Harness
- X6020 - CAN 0 Connector (marked CAN)
- X6021 - Interface CAN Connector (marked N-CAN)

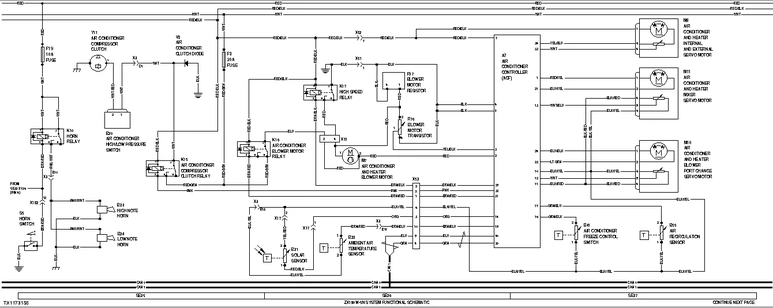
- A7 - Air Conditioner Controller (ACF)
- B20 - Air Conditioner High/Low Pressure Switch
- B21 - Solar Sensor
- B22 - Ambient Air Temperature Sensor
- B23 - High Note Horn
- B24 - Low Note Horn
- B41 - Air Conditioner Freeze Control Switch
- B55 - Air Recirculation Sensor
- F3 - Air Conditioner and Heater 20 A Fuse (marked HEATER)
- F19 - Horn 10 A Fuse (marked HORN)
- K10 - Horn Relay
- K15 - Air Conditioner Compressor Clutch Relay
- K16 - Air Conditioner and Heater Blower Motor Relay
- K17 - Air Conditioner and Heater Blower Motor (high speed) Relay
- M7 - Air Conditioner and Heater Blower Motor
- M9 - Air Conditioner and Heater Internal and External Servo Motor
- M10 - Air Conditioner and Heater Blower Port Change Servo Motor
- M11 - Air Conditioner and Heater Mixer Servo Motor
- R16 - Blower Motor Transistor
- R17 - Blower Motor Resistor
- S5 - Steering Column Horn Switch
- V8 - Air Conditioner Clutch Diode
- X3 - Cab Harness-to-Machine Harness 100-Pin Connector
- X17 - Cab Harness-to-Monitor Harness Connector
- X51 - Air Conditioner 4-Pin Connector
- X52 - Air Conditioner 10-Pin Connector
- X192 - Cab Harness-to-Floor Harness Connector 2
- Y11 - Air Conditioner Compressor Clutch

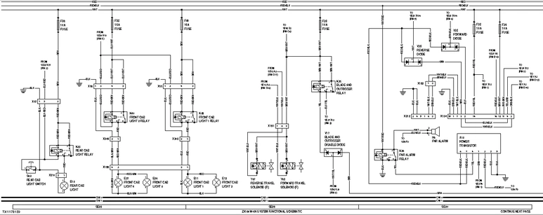
- A13 - Power Transistor
- E11 - Front Cab Light 1
- E12 - Front Cab Light 2
- E13 - Rear Cab Light
- E26 - Front Cab Light 3
- E27 - Front Cab Light 4
- F26 - Reverse Light 10 A Fuse (marked BACK LAMP, not used)
- F28 - Travel Speed 10 A Fuse (marked P/SW OTHER)
- F29 - Blade or Outrigger and Travel Direction 10 A Fuse (marked O/R CTL)
- F36 - Rear Cab Light 10 A Fuse (marked CAB LAMP REAR)
- F38 - Front Cab Light 2 15 A Fuse (marked CAB LAMP +2)
- F40 - Front Cab Light 1 15 A Fuse (marked CAB LAMP FRONT)
- H6 - Forward, Neutral, and Reverse (FNR) Alarm
- K25 - Blade and Outrigger Relay
- K26 - Forward, Neutral, and Reverse (FNR) Alarm Relay
- K38 - Rear Cab Light Relay
- K39 - Front Cab Light 1 Relay
- K40 - Front Cab Light 2 Relay
- S63 - Rear Cab Light Switch
- V17 - Blade and Outrigger Disable Diode
- V28 - Forward Diode
- V29 - Reverse Diode
- X55 - Front Cab Light 1 Connector (marked CAB LAMP FRONT)
- X56 - Front Cab Light 2 Connector (marked CAB LAMP FRONT +2)
- X57 - Rear Cab Light Connector (marked CAB LAMP REAR)
- X184 - Transmission Connector
- X191 - Cab Harness-to-Floor Harness Connector 1
- X192 - Cab Harness-to-Floor Harness Connector 2
- X199 - Front Cab Light Harness Connector
- X208 - Front Cab Light 1 Relay Harness-to-Front Cab Light 1 Harness Connector
- X209 - Front Cab Light 2 Relay Harness-to-Front Cab Light 2 Harness Connector
- X210 - Rear Cab Light Relay Harness-to-Rear Cab Light Harness
- X212 - Floor Harness Mission Switch Connector (not used)
- Y67 - Reverse Travel Solenoid (marked R)
- Y68 - Forward Travel Solenoid (marked F)

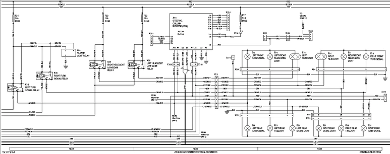
- F21 - Right Clearance Light 10 A Fuse (marked CLEARANCE R)
- F23 - High Beam 10 A Fuse (marked UPPER BEAM)
- F25 - Brake Light 15 A Fuse (marked STOP LAMP)
- F31 - Left Clearance Light 10 A Fuse (marked CLEARANCE L)
- F33 - Heated Air Seat 10 A Fuse (marked SEAT HEATER)
- F34 - Seat Compressor 10 A Fuse (marked SEAT COMPR)
- F35 - Warning Lamp 15 A Fuse (marked WARNING LAMP)
- K8 - Brake and Taillight Relay
- K20 - Headlight High Beam Relay
- K21 - Left Clearance Light Relay
- K22 - Right Clearance Light Relay
- S42 - Brake Pedal Switch
- S66 - Headlight Switch
- S67 - Turn Signal Switch
- S68 - Clearance Light Switch
- V16 - Work Brake Release Diode
- V23 - Turn Signal Diode
- X3 - Cab Harness-to-Machine Harness 100-Pin Connector
- X54 - Heated Air Seat Connector (marked SEAT HEATER)
- X58 - Warning Light Connector (marked WARNING LAMP)
- X172 - Mirror Connector
- X173 - Rear Beacon Lamp Connector
- X182 - Not Used (marked CAMERA)
- X183 - Not Used (marked CAM)
- X187 - Mirror Switch Connector (marked MIRROR)
- X189 - Cab Beacon Light Connector
- X192 - Cab Harness-to-Floor Harness Connector 2
- X193 - Cab Harness-to-Floor Harness Connector 3
- X194 - Cab Harness-to-Left Console Harness Connector
- X203 - Light Switch Connector A
- X204 - Light Switch Connector B

- A14 - Steering Column Monitor (SCM)
- E14 - Left Headlight
- E15 - Right Headlight
- E16 - Left Front Clearance Light
- E17 - Right Front Clearance Light
- E18 - Left Front Turn Signal
- E19 - Right Front Turn Signal
- E20 - Left Rear Brake Light
- E21 - Right Rear Brake Light
- E22 - Left Rear Taillight
- E23 - Right Rear Taillight
- E24 - Left Rear Turn Signal
- E25 - Right Rear Turn Signal
- F22 - Right Headlight 10 A Fuse (marked HEAD LAMP R)
- F24 - Turn Signal 10 A Fuse (marked TURN L-R)
- F27 - Steering Column Monitor (SCM) 10 A Fuse (marked COLUMN BOX)
- F32 - Left Headlight 10 A Fuse (marked HEAD LAMP L)
- K18 - Left Turn Signal Relay
- K19 - Right Turn Signal Relay
- K23 - Left Headlight Low Beam Relay
- K24 - Right Headlight Low Beam Relay
- K36 - Hazard Light Relay
- X12 - Cab Harness-to-Machine Harness 52-Pin Connector
- X40 - Pump Harness-to-Machine Harness Connector
- X96 - Machine Harness-to-Front Right Light Assembly Connector
- X104 - Machine Harness-to-Front Left Light Assembly Connector
- X111 - Floor Harness Auto Cruise Detent Solenoid Connector (not used)
- X174 - Position Lamp Connector
- X175 - Machine Harness-to-Rear Left Light Assembly Connector
- X176 - Rear Right Light Assembly Connector
- X177 - License Lamp Connector
- X188 - Auto Cruise Connector (marked A.CR)
- X192 - Cab Harness-to-Floor Harness Connector 2
- X193 - Cab Harness-to-Floor Harness Connector 3
- X201 - Floor Harness-to-Steering Column Monitor 12-Pin Connector
- X202 - Floor Harness-to-Steering Column Monitor 16-Pin Connector
- X213 - Floor Harness TACO Connector (not used)
- X214 - Column Attachment Connector (not used)

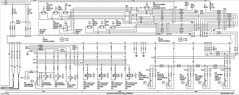
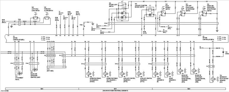
- A2 - Option Controller (MC2)
- B52 - Blade or Outrigger Pilot Pressure Sensor (marked 13)
- B54 - Boom Positioning Pilot Pressure Sensor
- B60 - Attachment Pressure Sensor
- B66 - Transmission Speed Sensor
- B67 - Assist Pressure Sensor (marked ASSI-PI)
- B69 - Attachment Speed Pressure Sensor (marked AM)
- F30 - Assist 10 A Fuse (marked ASSIST)
- F37 - Auxiliary, Blade, and Outrigger Solenoid 10 A Fuse (marked SOLENOID)
- F39 - Option Controller (MC2) 5 A Fuse (marked SMCZ)
- S7 - Power Dig Switch
- S29 - Horn Switch
- S30 - Auxiliary Pedal Selection Switch
- S31 - Not Used
- S32 - Assist 1 Control Switch
- S33 - Assist 2 Control Switch
- S43 - Forward, Neutral, and Reverse (FNR) Switch
- S49 - Assist Attachment Flow Rate Adjustment Switch (marked ASSIST)
- X12 - Cab Harness-to-Machine Harness 52-Pin Connector
- X13 - Cab Harness-to-Machine Harness 12-Pin Connector
- X141 - Cab Harness-to-Option Controller 31-Pin Connector A
- X142 - Cab Harness-to-Option Controller 24-Pin Connector B
- X143 - Cab Harness-to-Option Controller 17-Pin Connector C
- X144 - Cab Harness-to-Option Controller 24-Pin Connector D
- X145 - Cab Harness-to-Option Controller 26-Pin Connector E
- X147 - 2-Speed Connector (marked 2ND)
- X153 - Boom Positioning Pilot Pressure Sensor Connector (marked POSI)
- X165 - Assist Pressure Sensor Connector (marked ASPi)
- X166 - Attachment Pressure Sensor Connector (marked 14)
- X167 - Slip Ring Connector
- X185 - Pilot Control Lever Jumper Connector
- X196 - Cab Harness-to-Left Pilot Control Lever Harness Connector
- X197 - Cab Harness-to-Right Pilot Control Lever Harness Connector
- X205 - Chassis Harness Slip Ring 8-Pin Connector
- X206 - Chassis Harness Slip Ring 4-Pin Connector
- X207 - Not Used
- X218 - Forward, Neutral, and Reverse (FNR) Switch Connector
- X219 - Left Grip Harness Connector
- X220 - Right Grip Harness Connector
- Y25 - Travel Speed Solenoid
- Y52 - Left Rear Blade and Outrigger Solenoid (marked RL)
- Y53 - Right Rear Blade and Outrigger Solenoid (marked RR)
- Y54 - Left Front Blade and Outrigger Solenoid (marked FL)
- Y55 - Right Front Blade and Outrigger Solenoid (marked FR)
- Y71 - Transmission Speed Solenoid (marked Hi)
- Y73 - Transmission Speed Solenoid (marked Lo)

- A2 - Option Controller (MC2)
- R21 - Attachment Pedal
- R22 - Blade and Outrigger Control Lever
- S36 - Front and Rear Blade or Outrigger Switch (marked FR)
- S37 - Left and Right Blade or Outrigger Switch (marked LR)
- S39 - Pilot Disable Switch (marked PI)
- S44 - Auto Axle-Lock Switch (marked AAL)
- S45 - Auxiliary Function Enable Switch (marked AFL)
- S46 - Hazard Light Switch (marked HZ)
- S47 - Overload Alarm Switch (marked OL, not used)
- V22 - Pilot Shutoff Solenoid Diode
- X3 - Cab Harness-to-Machine Harness 100-Pin Connector
- X12 - Cab Harness-to-Machine Harness 52-Pin Connector
- X141 - Cab Harness-to-Option Controller 31-Pin Connector A
- X142 - Cab Harness-to-Option Controller 24-Pin Connector B
- X143 - Cab Harness-to-Option Controller 17-Pin Connector C
- X144 - Cab Harness-to-Option Controller 24-Pin Connector D
- X145 - Cab Harness-to-Option Controller 26-Pin Connector E
- X150 - Boom Positioning Solenoid Connector (marked POS1)
- X151 - Auxiliary Solenoid Connector (marked ATT)
- X152 - Assist Solenoid Connector (marked ASSI)
- X170 - Not Used (marked ML)
- X190 - Cab Harness-to-Blade and Outrigger Control Lever Harness Connector
- X191 - Cab Harness-to-Floor Harness Connector 1
- X194 - Cab Harness-to-Left Console Harness Connector
- X195 - Cab Harness-to-Right Console Harness Connector
- X198 - Not Used (marked ML)
- Y57 - Boom Positioning Out Solenoid A (marked POSI A)
- Y58 - Boom Positioning In Solenoid B (marked POSI B)
- Y59 - Auxiliary Control Solenoid A (marked ATT-A)
- Y60 - Auxiliary Control Solenoid B (marked ATT-B)
- Y61 - Assist Solenoid A (marked A)
- Y62 - Assist Solenoid B (marked B)
- Y63 - Blade or Outrigger Raise Control Solenoid (marked ORA)
- Y64 - Blade or Outrigger Lower Control Solenoid (marked ORB)
- Y66 - Secondary Pilot Shutoff Solenoid (marked PiC)

- A2 - Option Controller (MC2)
- A3 - Main Controller (MCZ)
- A4 - Monitor Controller (DSZ)
- A6 - Radio
- A8 - 12-Volt Power Converter
- A13 - Power Transistor
- E3 - Cab Dome Light
- F50 - Fuse Box
- F51 - Fuse Box 2
- G5 - 12-Volt Power Outlet
- H2 - Security Alarm
- H6 - Forward, Neutral, and Reverse (FNR) Alarm
- K1 - Load Dump Relay
- K2 - Pilot Shutoff Solenoid Relay
- K3 - Security Alarm Relay
- K4 - Starter Cut Relay
- K5 - Security Relay
- K6 - Windshield Wiper Relay
- K7 - Boom Light Relay
- K8 - Brake and Taillight Relay
- K9 - Windshield Washer Relay
- K10 - Horn Relay
- K11 - Idle Stop Relay
- K12 - Accessory Cut Relay
- K13 - Key Cut Relay
- K14 - Engine Control Unit (ECU) Relay
- K15 - Air Conditioner Compressor Clutch Relay
- K16 - Air Conditioner and Heater Blower Motor Relay
- K17 - Air Conditioner and Heater Blower Motor (high speed) Relay
- K18 - Left Turn Signal Relay
- K19 - Right Turn Signal Relay
- K20 - Headlight High Beam Relay
- K21 - Left Clearance Light Relay
- K22 - Right Clearance Light Relay
- K23 - Left Headlight Low Beam Relay
- K24 - Right Headlight Low Beam Relay
- K25 - Blade and Outrigger Relay
- K26 - Forward, Neutral, and Reverse (FNR) Alarm Relay
- K36 - Hazard Light Relay
- R9 - Lighter
- R15 - Engine Speed Dial
- R22 - Blade and Outrigger Control Lever
- S1 - Key Switch
- S6 - Engine Stop Switch
- S7 - Power Dig Switch
- S8 - Auto-Idle Switch
- S9 - Windshield Wiper and Washer Switch
- S10 - Work Light Switch
- S11 - Travel Speed Switch
- S12 - Power Mode Button
- S13 - Travel Alarm Cancel Switch
- S14 - Door Switch
- S16 - Muffler Filter Parked Cleaning Switch
- S21 - Blower Motor Speed Switch
- S22 - Temperature Control/Mode Switch
- S23 - Radio Volume and Power Switch
- S24 - Radio Tuning Switch+B247
- S25 - Monitor Dial
- S26 - Back Button
- S27 - Home Button
- S29 - Horn Switch
- S30 - Auxiliary Pedal Selection Switch
- S31 - Not Used
- S32 - Assist 1 Control Switch
- S33 - Assist 2 Control Switch
- S36 - Front and Rear Blade or Outrigger Switch (marked FR)
- S37 - Left and Right Blade or Outrigger Switch (marked LR)
- S39 - Pilot Disable Switch (marked Pi)
- S43 - Forward, Neutral, and Reverse (FNR) Switch
- S44 - Auto Axle Lock Switch (marked AAL)
- S45 - Auxiliary Function Enable Switch (marked AFL)
- S46 - Hazard Light Switch (marked HZ)
- S49 - Assist Attachment Flow Rate Adjustment Switch (marked ASSIST)
- S60 - Keypad
- S65 - Engine Control Mode Switch
- V1 - Battery Relay Diode
- V3 - Load Dump Relay Diode
- V4 - Security Diode
- V5 - Starter Cut Relay Diode
- V6 - Auxiliary Power Connector Diode
- V7 - Start Relay Diode
- V8 - Air Conditioner Clutch Diode
- V9 - Pilot Shutoff Diode
- V10 - Starter Protection Diode
- V11 - Accessory Cut Diode
- V12 - Starter Cut Diode
- V15 - Pilot Disable Switch Diode
- V16 - Work Brake Release Diode
- V17 - Blade and Outrigger Disable Diode
- V19 - Boom Light Diode
- V21 - Park Brake Switch Diode
- V22 - Pilot Shutoff Solenoid Diode
- V24 - Park Brake and Axle Lock Switch Disable Diode
- V25 - Left Clearance Light Diode
- V26 - Right Clearance Light Diode
- V27 - Rear Cab Light Diode
- V28 - Forward Diode
- V29 - Reverse Diode
- V34 - Not Used
- W1 - Cab Harness
- W3 - Monitor Harness
- W9 - Muffler Filter Parked Cleaning Switch Harness
- W29 - Starter Switch Harness
- W35 - Cab Harness Ground 1
- W36 - Cab Harness Ground 2
- W37 - Cab Harness Ground 3
- W45 - Right Console Harness
- W46 - Left Console Harness
- W48 - Cab Harness Ground 4
- W50 - Right Pilot Control Lever Harness
- W52 - Left Pilot Control Lever Harness
- W55 - 12-Volt Power Harness
- W59 - Blade and Outrigger Control Lever Harness
- X1 - Service ADVISOR ™ Diagnostic Connector
- X2 - MPDr 6-Pin Connector
- X3 - Cab Harness-to-Machine Harness 100-Pin Connector
- X10 - Machine Controller 8-Pin Connector A
- X11 - Machine Controller 20-Pin Connector B
- X12 - Cab Harness-to-Machine Harness 52-Pin Connector
- X13 - Cab Harness-to-Machine Harness 12-Pin Connector
- X17 - Cab Harness-to-Monitor Harness Connector
- X20 - Monitor Controller 28-Pin Connector A
- X21 - Monitor Controller 36-Pin Connector B
- X22 - Monitor Controller 16-Pin Connector D
- X23 - Monitor Controller 12-Pin Connector C
- X24 - Monitor Controller 2-Pin Connector G
- X25 - Cab Harness Auxiliary Power Connector 1 (marked AUX+/-)
- X26 - Optional Connector (marked OPT)
- X27 - Cab Harness-to-Switch Panel Connector 1
- X28 - Cab Harness-to-Switch Panel Connector 2
- X29 - Cab Harness-to-Switch Panel Connector 3
- X30 - Cab Harness-to-Switch Panel Connector 4
- X31 - Cab Harness-to-Main Controller 31-Pin Connector A
- X32 - Cab Harness-to-Main Controller 24-Pin Connector B
- X33 - Cab Harness-to-Main Controller 17-Pin Connector C
- X34 - Cab Harness-to-Main Controller 30-Pin Connector D
- X35 - Cab Harness-to-Main Controller 24-Pin Connector E
- X36 - Cab Harness-to-Main Controller 26-Pin Connector F
- X37 - Cab Harness-to-Muffler Filter Switch Harness Connector
- X39 - Cab Harness-to-Window Switch Connector
- X41A - Data Converter Harness Connector (marked CAB/H)
- X41B - Data Converter Harness Connector (marked GSM/H)
- X47 - Cab Harness-to-Key Switch Harness Connector
- X51 - Air Conditioner 4-Pin Connector
- X52 - Air Conditioner 10-Pin Connector
- X54 - Heated Air Seat Connector (marked SEAT HEATER)
- X55 - Front Cab Light 1 Connector (marked CAB LAMP FRONT)
- X56 - Front Cab Light 2 Connector (marked CAB LAMP FRONT +2)
- X57 - Rear Cab Light Connector (marked CAB LAMP REAR)
- X58 - Warning Light Connector (marked WARNING LAMP)
- X59 - Satellite Communication Connector (marked IMOBI)
- X60 - 12-Volt Power Supply Connector (marked 12V)
- X61 - Quick Hitch Connector (marked QH)
- X65 - Cab Harness-to-Pilot Shutoff Switch Harness Connector
- X73 - Cab Harness-to-Speakers Connector
- X77 - Radio Auxiliary Connector
- X91A - Engine Speed Dial Ground Switch Panel Side Connector (marked 2)
- X91B - Engine Speed Dial Ground Main Controller Side Connector (marked S2)
- X92A - Engine Control Unit (ECU) Power and Signal Connector (marked E1)
- X92B - Engine Control Unit (ECU) Return Connector (marked E2)
- X94A - Engine Speed Dial Switch Panel Side Connector (marked 1)
- X94B - Engine Speed Dial Main Controller Side Connector (marked ST)
- X99 - Cab Ground Splice
- X107 - Wiper In-Line Connector
- X108 - Security Relay Connector
- X141 - Cab Harness-to-Option Controller 31-Pin Connector A
- X142 - Cab Harness-to-Option Controller 24-Pin Connector B
- X143 - Cab Harness-to-Option Controller 17-Pin Connector C
- X144 - Cab Harness-to-Option Controller 24-Pin Connector D
- X145 - Cab Harness-to-Option Controller 26-Pin Connector E
- X181 - Rear Camera In-Line Connector
- X182 - Not Used (marked CAMERA)
- X183 - Not Used (marked CAM)
- X184 - Transmission Connector
- X185 - Pilot Control Lever Jumper Connector
- X187 - Mirror Switch Connector (marked MIRROR)
- X188 - Auto Cruise Connector (marked A.CR)
- X189 - Cab Beacon Light Connector
- X190 - Cab Harness-to-Blade and Outrigger Control Lever Harness Connector
- X191 - Cab Harness-to-Floor Harness Connector 1
- X192 - Cab Harness-to-Floor Harness Connector 2
- X193 - Cab Harness-to-Floor Harness Connector 3
- X194 - Cab Harness-to-Left Console Harness Connector
- X195 - Cab Harness-to-Right Console Harness Connector
- X196 - Cab Harness-to-Left Pilot Control Lever Harness Connector
- X197 - Cab Harness-to-Right Pilot Control Lever Harness Connector
- X198 - Not Used (marked ML)
- X200 - Not Used
- X218 - Forward, Neutral, and Reverse (FNR) Switch Connector
- X219 - Left Grip Harness Connector
- X220 - Right Grip Harness Connector

- A1 - Engine Control Unit (ECU)
- A9 - Variable Geometry Turbo Controller (VGS)
- B6 - Engine Oil Level Switch
- B16 - Air Filter Restriction Switch
- B18 - Fuel Level Sensor
- B20 - Air Conditioner High/Low Pressure Switch
- B22 - Ambient Air Temperature Sensor
- B23 - High Note Horn
- B24 - Low Note Horn
- B27 - Hydraulic Oil Filter Restriction Switch (if equipped)
- B30 - Boom Up Pressure Sensor (marked S1)
- B31 - Arm In Pressure Sensor
- B32 - Front Attachment Pressure Sensor
- B33 - Swing Pressure Sensor (marked S3)
- B40 - Hydraulic Oil Temperature Sensor
- B44 - Mass Air Flow (MAF)/Intake Air Temperature (IAT) Sensor
- B45 - Barometric Pressure Sensor
- B48 - Exhaust Differential Pressure Sensor
- B49 - Exhaust Temperature Sensor 1 (CSF)
- B50 - Exhaust Temperature Sensor 2 (DOC)
- B52 - Blade or Outrigger Pilot Pressure Sensor (marked 13)
- B60 - Attachment Pressure Sensor
- B61 - Arm Out Pressure Sensor (marked S4)
- B64 - Park Brake Remain Pressure Sensor
- B68 - Secondary Hydraulic Oil Temperature Sensor
- E2 - Boom Light
- E14 - Left Headlight
- E15 - Right Headlight
- E16 - Left Front Clearance Light
- E17 - Right Front Clearance Light
- E18 - Left Front Turn Signal
- E19 - Right Front Turn Signal
- E20 - Left Rear Brake Light
- E22 - Left Rear Taillight
- E24 - Left Rear Turn Signal
- F60 - Alternator 65 A Fuse
- F61 - Battery 45 A Fuse
- G3 - Alternator
- H4 - Travel Alarm
- K27 - Glow Plug Relay
- K28 - Battery Relay
- K34 - Starter Relay
- M1 - Starter Motor
- M6 - Windshield Washer Motor
- R13 - Engine Control Unit (ECU) Resistor
- R20 - Engine CAN Termination Resistor (marked ISO CAN)
- W1 - Cab Harness
- W2 - Machine Harness
- X3 - Cab Harness-to-Machine Harness 100-Pin Connector
- X5 - Machine Harness-to-Engine Harness 32-Pin Connector
- X6 - Machine Harness-to-Engine Harness 16-Pin Connector
- X7 - Machine Harness-to-Engine Harness 14-Pin Connector
- X8 - Machine Harness-to-Engine Harness 1-Pin Connector
- X9 - Machine Harness-to-Engine Harness 20-Pin Connector
- X12 - Cab Harness-to-Machine Harness 52-Pin Connector
- X13 - Cab Harness-to-Machine Harness 12-Pin Connector
- X14 - Engine Control Unit (ECU) 60-Pin Connector
- X15 - Engine Control Unit (ECU) 96-Pin Connector
- X40 - Pump Harness-to-Machine Harness Connector
- X64 - Machine Harness-to-Rear Camera Harness Connector
- X67 - Machine Harness Auxiliary Power Connector
- X71 - Machine Harness-to-Service ADVISOR™ Harness 8-Pin Connector
- X86 - Travel Alarm Connector
- X96 - Machine Harness-to-Front Right Light Assembly Connector
- X98 - Machine Harness Splice Connector
- X104 - Machine Harness-to-Front Left Light Assembly Connector
- X146 - Attachment Relief Connector
- X147 - 2-Speed Connector (marked 2ND)
- X148 - Secondary Relief Solenoid Valve Connector (marked HSB)
- X149 - Selector Valve Solenoid Valve Connector (marked SEL)
- X150 - Boom Positioning Solenoid Connector (marked POS1)
- X151 - Auxiliary Solenoid Connector (marked ATT)
- X152 - Assist Solenoid Connector (marked ASSI)
- X153 - Boom Positioning Pilot Pressure Sensor Connector (marked POSI)
- X156 - Swing Alarm Connector
- X165 - Assist Pressure Sensor Connector (marked ASPi)
- X166 - Attachment Pressure Sensor Connector (marked 14)
- X167 - Slip Ring Connector
- X170 - Not Used (marked ML)
- X171 - Not Used
- X172 - Mirror Connector
- X173 - Rear Beacon Lamp Connector
- X174 - Position Lamp Connector
- X175 - Machine Harness-to-Rear Left Light Assembly Connector
- X177 - License Lamp Connector
- X178 - Optional Pressure Sensor Connector
- X6020 - CAN 0 Connector (marked CAN)
- Y11 - Air Conditioner Compressor Clutch
- Y13 - Bypass Shutoff Valve Control Solenoid (marked SI)
- Y23 - Arm Regenerative Solenoid (marked SC)
- Y24 - Power Dig Solenoid (marked SG)
- Y27 - Arm 2 Flow Rate Control Solenoid (marked SF)
- Y63 - Blade or Outrigger Raise Control Solenoid (marked ORA)
- Y64 - Blade or Outrigger Lower Control Solenoid (marked ORB)
- Y66 - Secondary Pilot Shutoff Solenoid (marked PiC)


