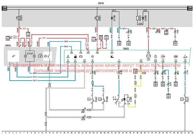
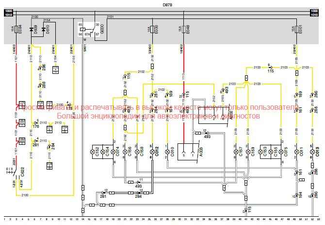
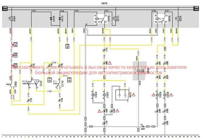
Электросхемы DAF XF95
ПЕРЕЧЕНЬ КОМПОНЕНТОВ
Код Значение
А000 Штепсель прицепного транспортного средства (7 выводов)
А001 Гнездо задних противотуманных фонарей и фонарей заднего хода (7 выводов)
А004 Гнездо АВЭ/ЕВВ прицепного транспортного средства (7 выводов)
А007 Гнездо 24 В (2 вывода)
А021 Диагностический разъем (16 выводов)
А027 Розетка 24 В для подключения дополнительного оборудования (4 вывода)
А038 40 А гнездо для подключения дополнительного оборудования (2 вывода)
А043 Гнездо консоли сиденья водителя (2 вывода)
А058 Гнездо прицепного транспортного средства (15 выводов)
А068 Прикладной разъем управления скоростью двигателя
А070 Прикладной разъем надстройки
А074 Штепсель автоматической коробки передач, надстройка
А076 Гнездо телефона
А097 Разъем FMS (21 выводов)
А098 Разъем FMS (18 выводов)
А500 Аккумуляторные батареи (2 штуки)
А510 Аккумулятор системы охранной сигнализации
А513 Генератор
В000 Мотор стеклоочистителей ветрового стекла
В001 Мотор насоса омывателей ветрового стекла
В002 Мотор омывателей фар головного освещения
B003 Электромотор автоматических стеклоподъемников, сторона водителя
В004 Электромотор автоматических стеклоподъемников, сторона пассажира
В005 Мотор регулировки левого наружного зеркала заднего вида
В006 Мотор регулировки правого наружного зеркала заднего вида
В009 Мотор люка крыши
В010 Стартер
В015 4-скоростной вентилятор отопителя
В017 Подогрев наружного зеркала заднего вида со стороны водителя
В018 Подогрев наружного зеркала заднего вида со стороны пассажира
В024 Левый аудио динамик
В025 Правый аудио динамик
В026 Приемопередатчик Citizens Band
В028 Звуковой сигнал
В030 Прикуриватель со стороны водителя
В032 Подогрев сиденья водителя
В0ЗЗ Подогрев сиденья пассажира
В042 Подогрев элемента осушителя воздуха
В043 Компрессор кондиционера
В071 Клапан поднятия подъемного механизма
В072 Клапан опускания подъемного механизма
В073 Насос мотора подъемного механизма
В079 Одинарный предохранительный клапан
B084 Прокачной клапан пневмоподвески
B088 Пропорциональный клапан интардера
B089 Клапан подачи воздуха на интардер
B122 Дозирующий топливный насос автономного отопителя Eberspacher
B129 Электромотор регулятора левой фары головного освещения
В130 Электромотор регулятора правой фары головного освещения
В131 Электромагнитный клапан модуля насоса- форсунки первого цилиндра
В132 Электромагнитный клапан модуля насоса- форсунки второго цилиндра
В133 Электромагнитный клапан модулй насоса- форсунки третьего цилиндра
В134 Электромагнитный клапан модуля насоса-форсунки четвертого цилиндра
В135 Электромагнитный клапан модуля насоса- форсунки пятого цилиндра
В136 Электромагнитный клапан модуля насоса- форсунки шестого цилиндра
В166 Клапан ECAS переднего моста
В175 Мотор люка крыши кабины Super Space Cab
В176 Зуммер заднего хода
В178 Левый аудио динамик
В179 Левый аудио динамик
В180 Правый аудио динамик
В181 Правый аудио динамик
В192 Клапан двигателя тормоза
В199 Центральное запирание двери, сторона водителя
В200 Мотор центрального запирания двери,сторона пассажира (кабины ХН/ХС)
В237 ABS/ASC/ASR, клапан блокировки дифференциала заднего моста
В238 Клапан ЕСAS подачи воздуха на ведущий мост слева/справа (FT)
В243 Клапан блокировки межколесного дифференциала
В244 Клапан блокировки межосевого дифференциала
В245 Управляющий клапан коробки отбора мощности
В246 Управляющий клапан коробки отбора мощности
В247 Клапан тормоза двигателя
В248 Клапан тормоза двигателя
В250 Клапан ECAS подачи воздуха слева/справа ведущего моста (FA)
В252 Рециркуляционный клапан
В253 Клапан ECAS подачи воздуха слева/справа ведущего моста
В254 Клапан ECAS поднятия/опускания заднего ведомого/управляемого моста
В256 Левый клапан переднего моста ABS-D, ABS/ASC-E
В257 Правый клапан переднего моста ABS-D, ABS/ASC-E
В258 Левый клапан ведущего моста ABS-D, ABS/ASC-E
В259 Правый клапан ведущего моста ABS-D, ABS/ASC-E
В293 Клапан предохранительной заслонки коробки передач
В294 Клапан отключения регулировки высоты пневмоподвески кабины,перед
В306 Перепускной клапан EBS
В307 Модулятор EBS переднего моста
В308 Управляющий клапан EBS прицепного транспортного устройства
В309 Отсечной клапан ASC
В335 Вискомуфта вентилятора с электронным управлением
В338 Сирена охранной сигнализации
В341 Свеча накаливания
В344 Насос автоматической системы смазки со встроенным электронным блоком
В356 Холодильник
В358 Холодильник
В365 Радио
В372 Блок клапанов управления потоком жидкости
В378 Нагревательный элемент топливного фильтра/влагоотделителя
В383 Клапан ECAS заднего моста, FAK/FTM
В385 Модуль сцепления AS Tronic
В386 Блок управляющих клапанов рулевого цилиндра
В403 Резистор ECAS, низкая грузовая платформа
В404 Резистор ECAS, низкая грузовая платформа
В467 Магнитола Audio 2000
В525 Модульный тахограф, МТСО
С000 Ближний свет левой фары
С001 Ближний свет правой фары
С002 Дальний свет левой фары
С003 Дальний свет правой фары
С006 Дальний свет левой фары
С007 Дальний свет правой фары
С008 Передняя левая противотуманная фара
С009 Передняя правая противотуманная фара
С010 Левый боковой габаритный огонь фары головного освещения
С011 Правый боковой габаритный огонь фары головного освещения
С012 Боковые огни, передние левые
С013 Боковые огни, передние правые
С014 Передний левый указатель поворота
С015 Передний правый указатель поворота
С016 Боковой левый указатель поворота
С017 Боковой правый указатель поворота
С018 Задний левый указатель поворота
С019 Задний правый указатель поворота
С020 Левый стоп-сигнал
С021 Правый стоп-сигнал
С022 Задние левые фонари
С023 Задние правые фонари
С024 Задний левый противотуманный фонарь
С025 Задний правый противотуманный фонарь
С026 Левый фонарь заднего хода
С027 Правый фонарь заднего хода
С046 Штурманская лампа со стороны водителя
С047 Штурманская лампа со стороны пассажира
С052 Подсветка вентилятора отопителя, слева
С053 Подсветка вентилятора отопителя, справа
С062 Подсветка ступеньки со стороны водителя
С063 Подсветка ступеньки со стороны пассажира
С064 Подсветка центрального верхнего вещевого отсека
С065 Подсветка центрального нижнего вещевого отсека
С066 Подсветка правого вещевого отсека
С067 Подсветка левого вещевого отсека
С068 Подсветка левого отсека для инструментов
С071 Рабочий фонарь
С072 Подсветка пепельницы, слева
С073 Подсветка пепельницы, справа
С074 Боковые огни, задние левые
С075 Боковые огни, задние правые
С110 Лампа койки с выключателем
С111 Лампа койки с выключателем
С115 Лампа койки с выключателем
С129 Светильник внутреннего освещения с выключателем
С130 Красный ночник со стороны водителя
С139 Красный ночник со стороны пассажира
С144 Левый проблесковый маячок
С145 Правый проблесковый маячок
С148 Освещение кабины со стороны пассажира 2-21 Вт
С149 Освещение кабины со стороны водителя 2-21 Вт
С150 Подсветка левого вещевого отсека
С151 Центральный плафон кабины с выключателем
С154 Подсветка заднего номерного знака, слева (тягач)
С155 Подсветка заднего номерного знака, справа (тягач)
С156 Первые боковые огни слева (тягач)
С157 Первые боковые огни справа (тягач)
С158 Вторые боковые огни слева (тягач)
С159 Вторые боковые огни справа (тягач)
С162 Прожекторы крыши
С163 Крыша с габаритными огнями в прожекторах
С164 Прожектор крыши
С165 Крыша с габаритными огнями в прожекторах
С166 Прожектор крыши
С167 Крыша с габаритными огнями в прожекторах
С168 Прожектор крыши
С169 Крыша с габаритными огнями в прожекторах
С191 Центральный ночник
С209 Ближний свет левой ксеноновой фары
С210 Ближний свет правой ксеноновой фары
С219 Подсветка левой ступеньки
С220 Подсветка правой ступеньки
С 240 Внутреннее освещение со стороны пассажира
С241 Внутреннее освещение со стороны водителя
С539 Переключатель зажигания
С622 Переключатель освещения
С694 Механический главный выключатель
С695 Переключатель регулировки зеркала заднего вида со стороны водителя
С696 Переключатель регулировки зеркала заднего вида со стороны пассажира
С697 Выключатель подогрева сиденья водителя
С698 Выключатель подогрева сиденья пассажира
С716 Выключатель проблесковых маячков
С725 Выключатель рабочего фонаря
С727 Выключатель передних/задних противотуманных фонарей
С731 Выключатель потолочной консоли (лампы койки), сторона пассажира F249 ХС
С733 Выключатель потолочной консоли (лампы койки), сторона водителя F249 ХС
С735 Выключатель ночника
С736 Переключатель люка крыши XL/ХН/ХС
С737 Датчик тяги ABS/ASC-D
С739 Переключатель механического подъемного механизма
С740 Выключатель ECAS, нормальный уровень
С741 Выключатель поднятия моста ECAS
С742 Выключатель догружателя моста
С743 Выключатель автоматического электростеклоподъемника со стороны пассажира (дверь со стороны пассажира)
С744 Выключатель автоматического электростеклоподъемника со стороны пассажира (дверь со стороны пассажира)
С745 Выключатель автоматического электростеклоподъемника со стороны водителя (дверь со стороны водителя)
С746 Выключатель подогрева зеркал
С748 Выключатель блокировки межколесного дифференциала
С749 Выключатель блокировки межосевого дифференциала
С750 Выключатель коробки отбора мощности
С751 Выключатель коробки отбора мощности
С760 Выключатель кондиционера воздуха
С763 Потенциометр подсветки приборной панели
С764 Потенциометр регулятора фар головного освещения
С765 Выключатель световой аварийной сигнализации (со светодиодной подсветкой)
С773 Выключатель задних противотуманных фонарей
С 774 Выключатель центрального запирания дверей (центрального замка)
С778 Выключатель автономного отопителя
С802 Выключатель рециркуляции кондиционера
С813 Выключатель прожекторов крыши
С831 Подрулевой переключатель круиз-контроля/управления частотой вращения двигателя/ретардера
С832 Подрулевой переключатель указателей поворотов/стеклоочистителей ветрового стекла
С835 Выключатель системы внутреннего обнаружения присутствия
С836 Выключатель надстройки/прицепного транспортного средства
С844 Выключатель автономного отопителя
С853 Главный выключатель кабины
С854 Главный выключатель шасси
С859 Выключатель внутреннего освещения потолочной консоли со стороны водителя
С881 Выключатель поднятия ECAS
С882 Выключатель вентилятора отопителя
С883 Выключатель догружателя заднего моста FAG
С890 Выключатель встроенного третьего тормоза
С895 Выключатель ECAS для повышения уровня маневренности
С897 Внутреннее освещение, кабина SH,сторона пассажира
С900 Выключатель ASR
D094 Предупредительная лампа (оранжевая) второй коробки отбора мощности
D300 Электронный блок навигационной системы
D301 Антенна GPS
D320 Электронный блок встроенного главного выключателя
D503 Электронный блок механического подъемного механизма
D529 Электронный блок дистанционного управления ECAS
D609 Диод переключателя освещения
D610 Диод дальнего/ближнего света фар
D611 Диод демпфирования опускающего клапана механического подъемного механизма
D612 Диод демпфирования поднимающего клапана механического подъемного механизма
D613 Диод демпфирования реле насоса механического подъемного механизма
D622 Диод блокировки поднимания механического подъемного механизма
D623 Диод блокировки опускания механического подъемного механизма
D703 Диод выключения автономного отопителя/контактного выключателя водительской двери
D705 Диод выключения автономного отопителя при работающем двигателе
D709 Диод внутреннего освещения кабины, предотвращающий обратную подачу на выключатель со стороны пассажира
D710 Диод внутреннего освещения кабины, предотвращающий обратную подачу на выключатель со стороны водителя
D715 Светодиод системы охранной сигнализации
D758 Диод, предотвращающий обратную подачу на VIC
D759 Диод, предотвращающий обратную подачу на стоп-сигналы
D782 Диод, предотвращающий обратную подачу при запирании двери со стороны водителя
D783 Диод внутреннего освещения со стороны водителя
D791 Диод дверного выключателя
D792 Диод дверного выключателя
D802 Электронный блок ECAS-2 (6x2)
D814 Электронный блок UPEC
D826 Электронный блок ограничителя тока VLG
D850 Электронный блок ABS/ASC версии D
D851 Электронный блок ЕС AS-2 (4x2)
D871 Электронный блок автономного отопителя
D879 Модулятор заднего моста
D880 Электронный блок EBS
D895 Электронный блок преобразователя (10 А) с подачей питания на память радио
D899 Приборная панель DIP-4
D900 Электронный блок VIC
D901 Электронный блок автономного отопителя Eberspacher Hydronic 10
D902 Электронный блок интардера ZF c CAN
0904 Переключатель управления меню, MCS
Е009 Предохранитель передних противотуманных фар
Е010 Предохранитель задних противотуманных фар
Е013 Предохранитель стоп-сигналов
Е016 Предохранитель фонарей заднего хода
Е023 Предохранитель выключателя холодного запуска/тахографа/программирования часов автономного отопителя
Е025 Предохранитель мотора очистителей фар головного освещения
Е026 Предохранитель прикуривателя
Е028 Предохранитель внутреннего освещения/светильников койки/центрального запирания дверей
Е031 Предохранитель вентилятора отопителя
Е0ЗЗ Предохранитель мотора электро- стеклоподъемника, сторона пассижира
Е034 Предохранитель мотора электростеклоподъемника, сторона водителя
Е035 Предохранитель приборов/ламп индикаторов/выключателя стояночного тормоза
Е036 Предохранитель гнезда 24 В
Е037 Предохранитель замка зажигания
Е041 Предохранитель ABS
E042 Предохранитель ABS
Е043 Предохранитель ABS прицепа
Е044 Предохранитель подогрева зеркал/электрорегулировки зеркал/электростеклоподъемников
Е048 Предохранитель подачи питания прицепного транспортного средства
Е051 Предохранитель ECAS/EMAS
Е052 Предохранитель дистанционного управления ECAS/рабочего фонаря
Е053 Предохранитель диагностического разъема ECAS (16 выводов)/блока светодиодов/системы охранной сигнализации
Е062 Предохранитель механического подъемного механизма/ECAS/ EMAS
Е084 Предохранитель освещения
Е091 Предохранитель осушителя воздуха/подрулевого переключателя/коробки отбора мощности/дат- чика сцепления/прикладного разъема управления скоростью двигателя
Е108 Предохранитель VIC
Е112 Предохранитель индикатора предпускового подогрева
Е114 Предохранитель автономного отопителя (Eberspacher)/предупреждающих индикаторов
Е117 Предохранитель прожектора
Е118 Предохранитель подачи питания UPEC
Е142 Предохранитель дополнительного оборудования до зажигания
Е153 Предохранитель главного выключателя таймера/остановки двигателя/главного выключателя подачи питания
Е157 Предохранитель автоматической системы смазки
Е163 Предохранитель дополнительного оборудования после контакта (разъем А027)/проблесковых маячков/люка крыши
Е168 Предохранитель дополнительного оборудования/микроволновой печи
Е170 Предохранитель электронного блока топливного фильтра/влагоотделителя
Е171 Предохранитель нагревательного элемента топливного фильтра/влагоотделителя
Е172 Предохранитель ABS/EBS прицепного транспортного средства
Е184 Предохранитель UPEC
Е189 Предохранитель EBS заднего моста
Е190 Предохранитель ABS-D/ABS/ASC- Е
Е199 Предохранитель интардера ZF
Е277 Предохранитель VIC
Е279 Предохранитель регулятора напряжения генератора
Е280 Предохранитель VIC
Е286 Главный предохранитель
Е301 Предохранитель AS Tronic
ЕЗЗ0 Предохранитель главного выключателя провода датчиков
Е350 Предохранитель различных электросистем
Е351 Предохранитель различных электросистем
Е507 Бесконтактный датчик защиты от нагрузки на подъемный механизм моста (10 тонн)
Е508 Термовыключатель компрессора кондиционера
Е509 Датчик высокого/низкого давления кондиционера воздуха
Е511 Выключатель стоп-сигналов
Е514 Выключатель подсветки ступеньки, дверной выключатель со стороны водителя
Е515 Выключатель подсветки ступеньки, дверной выключатель со стороны пассажира
Е524 Управляющий выключатель датчика ограничителя давления механического подъемного механизма
Е525 Выключатель подсветки верхнего центрального вещевого отсека
Е526 Выключатель подсветки нижнего центрального вещевого отсека
Е527 Выключатель подсветки правого вещевого отсека
Е528 Выключатель подсветки левого вещевого отсека
Е529 Выключатель подсветки правого отсека для инструментов
Е560 Выключатель подсветки левого вещевого отсека
Е564 Рабочий выключатель тормоза двигателя
Е566 Рабочий выключатель термостата автономного отопителя Ебегsраchег Аiгtгопiс
Е570 Бесконтактный выключатель сцепления коробки отбора мощности
Е571 Рабочий выключатель автономного отопителя Thermo 90/ Hydronic 10
Е575 Бесконтактный датчик сцепления
E579 Рабочий выключатель термостата вентилятора автономного отопителя Eberspacher (водяного)
Е580 Бесконтактный датчик вентилятора автономного отопителя Eberspacher (с таймером)
Е581 Рабочий выключа- тель/таймер автономного отопителя Eberspacher Airtronic
Е584 Бесконтактный датчик защиты от нагрузки на подъемный механизм моста (7.5 тонн)
Е589 Датчик давления ECAS ведущего моста
Е590 Выключатель селектора AS Tronic
Е592 Рабочий выключатель фонарей заднего хода
Е593 Датчик нейтрального положения
Е595 Рабочий выключатель защитной заслонки коробки передач
Е599 Датчик нейтрального положения
F000 Управляющий выключатель стояночного тормоза
F00б Управляющий выключатель блокировки первого дифференциала
F007 Управляющий выключатель блокировки третьего дифференциала
F011 Датчик давления масла в двигателе
F038 Управляющий выключатель блокировки второго дифференциала
F047 Управляющий выключатель системы рулевого управления (первый контур)
F048 Управляющий выключатель системы рулевого управления (второй контур)
F050 Управляющий выключатель давления блокировки дифференциала (первый и второй
дифференциалы)
F087 Управляющий выключатель коробки отбора мощности коробки передач
F088 Управляющий выключатель коробки отбора мощности коробки передач
F097 Бесконтактный датчик механического подъемного механизма заднего моста
F107 Датчик износа тормозных колодок, передний левый
F108 Датчик износа тормозных колодок, передний правый
F109 Датчик износа тормозных колодок, передний левый, второй передней оси
F110 Датчик износа тормозных колодок, передний правый, второй передней оси
F111 Датчик износа тормозных колодок, задний левый
F112 Датчик износа тормозных колодок, задний правый
F113 Датчик износа тормозных колодок, задний левый, второй задней оси
F114 Датчик износа тормозных колодок, задний правый.второй задней оси
F118 Управляющий переключатель сигнализации делителя
F120 Датчик кулисы 3-4 коробки передач
F509 Датчик автономного отопителя температуры в кабине
F512 Датчик частоты вращения колеса, передний левый
F513 Датчик частоты вращения колеса, передний правый
F514 Датчик частоты вращения колеса, задний левый
F515 Датчик частоты вращения колеса, задний правый
F533 Датчик скорости автомобиля (4 вывода, первый)
F544 Датчик температуры охлаждающей жидкости вторичного ретардера
F552 Датчик положения коленчатого вала
F558 Датчик положения распределительного вала
F565 Датчик температуры топлива
F566 Датчик температуры охлаждающей жидкости двигателя
F603 Ультразвуковой передатчик
F604 Ультразвуковой приемник
F608 Датчик уровня топлива
F612 Датчик высоты EGAS с левой стороны заднего моста
F6I3 Датчик высоты ECAS с правой стороны заднего моста
F614 Датчик высоты ECAS переднего моста
F615 Датчик давления ECAS слева и справа ведущего моста
F616 Датчик блокировки кабины
F619 Датчик блокировки кабины, система охранной сигнализации
F628 Тормозной кран педали тормоза, EBS
F649 Датчик температуры воздуха на впуске и давления наддува
F651 Датчик температуры окружающей среды
F652 Датчик давления воздуха
F656 Датчик уровня охлаждающей жидкости
F672 Датчик педали акселератора UPEC
F673 Датчик температуры и уровня моторного масла
F686 Радарный датчик охранной системы
F687 Датчик угла поворота передней оси EMAS
F688 Датчик угла поворота задней оси EMAS
F701 Датчик угла поворота рулевого колеса
F702 Модуль VSC
F705 Датчик скорости
F754 Датчик температуры кондиционера
G000 Реле задних и боковых сигнальных огней/прожекторов
G001 Реле ближнего света фар
G002 Реле дальнего света фар
G003 Реле прожекторов
G004 Реле передних противотуманных фар
G00б Реле задних противотуманных фар
G014 Реле предпускового подогрева
G015 Контактное реле
G028 Реле автоматического электро- стеклоподъемника со стороны пассажира
G029 Реле автоматического электро- стеклоподъемника со стороны пассажира
G030 Реле автоматического электро- стеклоподъемника со стороны водителя
G031 Реле автоматического электро- стеклоподъемника со стороны водителя
G0Зб Первое реле стоп-сигналов
G052 Реле мотора подъемного механизма
G066 Переходное реле подъемного механизма
G095 Реле 60 секундной прокачки догружателя моста
G126 Реле подачи питания UРЕС
G170 Реле вентилятора автономного отопителя
G185 Реле прерывателя пусковой цепи
G236 Реле стеклоочистителей ветрового стекла (скорости 1 или 2)
G237 Реле стеклоочистителей ветрового стекла (автоматическое исходное положение}
G238 Реле омывателя фар головного освещения
G247 Реле вентилятора автономного отопителя Eberspacher Нусігопіс
G257 Реле рециркуляционного клапана
G258 Реле рециркуляционного клапана
G259 Управляющее реле коробки отбора мощности
G267 Микрореле кондиционера
G279 Микрореле перемещения вентилятора отопителя
G297 Реле пневмоподвески кабины
G299 Реле прожекторов крыши
G301 Реле, освещение D+
G302 Реле освещения для Швеции
G303 Удерживающее реле стартера
G328 Реле остановки двигателя
G350 Реле фонарей заднего хода
G367 Реле главного выключателя подачи питания
G377 Реле подачи питания на радиоприемник
G380 Реле поднятия механического подъемного механизма
G381 Реле механического подъемного механизма (7.5 тонн)
G421 Реле ECAS опускания заднего моста
G424 Реле времени ECAS опускания заднего моста
G426 Контактное реле
G462 Реле рабочего фонаря
G469 Реле тормозного сигнала
G497 Если автомобиль оборудован кабиной на пневмоподвеске
G516 Центральная точка массы кабины,сторона пассажира
G535 Распределительный блок CAN
G723 Проходное соединение центрального запирания дверей
G725 Проходное соединение автономного отопителя Eberspacher
G732 Проходное соединение автономного отопителя Eberspacher
G734 Проходное соединение индикации износа тормозных колодок
G736 Соединение V-CAN
G745 Проходное соединение механического подъемного механизма
G747 Проходное соединение V-CAN Аs Тгопіс
G755 Проходное соединение освещения для Швеции
G756 Проходное соединение нейтрального положения АS Тгопіс
G757 Проходное соединение главного выключателя
I020 Диод защитной заслонки коробки передач
I043 Диод реле стоп-сигналов
Начиная с номера шасси Изменения
0Е608863 Изменены несколько точек подключения массы.
Разъем 391 заменен на 876.
Добавлен механический главный выключатель.
Провод 5208 заменен на 4690.
Разъем 578 заменен на 699.
Провод 3435 больше не используется.
Добавлено реле G469.
Добавлен провод 4602. Разъем 626 заменен на 545.
Разъем 568 заменен на 878.
Поменяны местами выводы 3-5 выключателя С764
























Все схемы смотри в энциклопедии