Подписчикам
"Большой энциклопедии
для автоэлектриков
и диагностов"
доступно 52 гиг. информации
по спецтехнике
KOMATSU
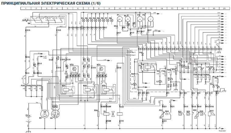
Электросхема Komatsu WB97S-2
КОМПОНЕНТЫ
- G1 Аккумуляторная батарея
- G2 Генератор
- H1 Контрольная лампа предпускового подогрева
- H2 Контрольная лампа генератора
- H3 Лампа предупреждения о высокой температуре охлаждающей жидкости в двигателе
- H4 Контрольная лампа воздушного фильтра
- H5 Контрольная лампа масляного фильтра гидросистемы
- H6 Дополнительная контрольная лампа
- H7 Дополнительная контрольная лампа
- H8 Дополнительная контрольная лампа
- HA1 Звуковой сигнал
- K01 Реле стартера
- K02 Реле предпускового подогрева
- K03 Реле отсечки подачи топлива
- K4 Предохранительное пусковое реле
- KT1 Таймер отсечки подачи топлива
- KT2 Таймер предпускового подогрева
- M1 Электромотор стартера
- P1 Указатель оборотов двигателя
- P2 Счетчик моточасов
- P3 Указатель уровня топлива
- P4 Указатель температуры охлаждающей жидкости
- R30 Начало нагрева
- R31 Датчик уровня топлива
- R32 Датчик температуры охлаждающей жидкости
- S6 Пусковой включатель
- S21 Реле высокой температуры охлаждающей жидкости двигателя
- S22 Блокировочный переключатель воздушного фильтра
- S23 Реле низкого давления масла в двигателе
- S24 Указатель уровня топлива
- Y0 Электромагнитный отсечной клапан подачи топлива
РАЗЪЕМЫ
- X1 11контактный разъем переднего контура (двигателя)
- X4 11контактный разъем блока системы контроля
- X8 17контактный разъем боковой панели приборов
- X10 13контактный разъем переднего контура (контура двигателя)
- X11 3контактный разъем источника питания
- X12 3контактный разъем переднего контура (поперечного контура)
- X13 2контактный разъем переднего контура (контура двигателя)
- X14 4контактный разъем переднего контура (поперечного контура)
- X15 4контактный разъем пускового включателя
- X16 2контактный разъем муфты кондиционера
- X17 21контактный разъем боковой панели приборов
- X18 5контактный разъем источника питания
- X19 9контактный разъем передней панели приборов
- X2 3контактный разъем указателя уровня топлива
- XA 2контактный разъем генератора
- XAD 2контактный разъем диода
- XAM 3контактный разъем отсечного топливного клапана
- XS 16контактный разъем многофункционального измерительного прибора
- XT1 4контактный разъем таймера отсечки подачи топлива
- XT2 4контактный разъем таймера предпус кового подогрева
ПЛАВКИЕ ПРЕДОХРАНИТЕЛИ
- F3A Пусковой предохранитель на 7,5 А
- F3B Предохранитель (выключатель, лампа предупреждения и возврат в режим резания грунта) на 7,5 А
- F7A Предохранитель блока системы контроля на 7,5 А
- F7C Предохранитель цепи отсечки подачи топлива на 7,5 А
- FUG1 Общий предохранитель на 60 А
- FUG2 Предохранитель цепи предпускового подогрева на 80 А
- FUG3 Силовой предохранитель цепи отсечки подачи топлива на 30 А
- FUG4 Предохранитель генератора на 70 А
КОМПОНЕНТЫ
- EV1 Электромагнитный клапан открытия ковша
- EV2 Электромагнитный клапан закрытия ковша
- EV3 Электромагнитный клапан механизма блокировки дифференциала
- EV4 Электромагнитный клапан разблокировки поворота стрелы на 1° назад
- H9 Контрольная лампа системы рулевого управления четырьмя колесами
- H10 Контрольная лампа высокой температуры охлаждающей жидкости в двигателе
- H11 Контрольная лампа высокой температуры масла в двигателе
- H12 Контрольная лампа низкого уровня топлива
- K04 Реле источника питания электромотора нагнетателя
- K7 Реле выключателя освещения
- M2 Насос стеклоомывателя
- M3 Электромотор стеклоочистителя ветрового стекла
- M4 Электромотор нагнетателя
- S1 Выключатель экономичного режима работы
- S2 Выключатель поворота стрелы на 1° назад
- S4 Выключатель электромотора нагнетателя
- S10 Выключатель гидромолота
- S15 Выключатель стояночного тормоза
- S16 Реле низкого давления масла в тормозной системе
- S17 Выключатель
- S18 Выключатель
- S19 Выключатель стопсигнала
- S20 Выключатель стопсигнала
- S1A Выключатель системы рулевого управления четырьмя колесами на передней панели приборов
- S2A Выключатель стеклоомывателя/стеклоочистителя ветрового стекла на передней панели приборов
- Y1 Электромагнитный клапан экономичного режима работы
РАЗЪЕМЫ
- X2 9контактный разъем выключателя освещения и цепи переключения передач
- X3 11контактный разъем цепи переднего трубопровода
- X5 11контактный разъем управляющей цепи кабины
- X6 9контактный разъем цепи электромагнитных клапанов
- X8 17контактный разъем боковой панели приборов
- X9 17контактный разъем передней панели приборов
- X14 4контактный разъем переднего контура (поперечного контура)
- X18 5контактный разъем источника питания
- X19 9контактный разъем передней панели приборов
- X20 4контактный разъем электромотора нагнетателя
- X22 2контактный разъем насоса стеклоомывателя
- X23 Дополнительный 2контактный разъем
- X24 4контактный разъем стеклоочистителя ветрового стекла
- X25 2контактный разъем источника питания электромотора нагнетателя
- X27 6контактный разъем цепи клапанов
- X28 12контактный разъем джойстика
- X29 2контактный разъем выключателя гидротрансформатора
- X43 2контактный разъем интерфейса OPT
ПЛАВКИЕ ПРЕДОХРАНИТЕЛИ
- F3C Предохранитель электромагнитных клапанов переднего и заднего хода на 7,5 А
- F4A Предохранитель цепи клапана привода четырьмя колесами и цепи стеклоомывателя/стеклоочистителя ветрового стекла на 7,5 А
- F5A Выключатель электромотора нагнетателя на 15 А
КОМПОНЕНТЫ
- H13 Подсветка панели приборов
- H14 Подсветка панели приборов
- H15 Лампа прикуривателя
- H16 Освещение кабины
- H17 Передняя рабочая фара
- H18 Передняя рабочая фара
- H19 Проблесковый маячок
- H20 Задняя рабочая фара
- H21 Задняя рабочая фара
- HA2 Зуммер
- HA3 Звуковой сигнал заднего хода
- HA4 Зуммер
- K05 Реле цепи возврата в режим резания грунта
- K2 Реверсивное реле частоты вращения двигателя
- M5 Топливный насос
- M8 Электромотор стеклоочистителя ветрового стекла
- S3 Панельный выключатель
- S27 Датчик Npn
- S3A Выключатель передней рабочей фары на передней панели приборов
- S1L Выключатель задней рабочей фары на боковой панели приборов
- S2L Выключатель стеклоомывателя/стеклоочистителя ветрового стекла на боковой панели приборов
- S3L Переключатель проблескового маячка на боковой панели приборов
- S4L Включатель звукового сигнала на боковой панели приборов
- S5L Дополнительный выключатель на боковой панели приборов
- S3 Панельный выключатель
- S27 Датчик Npn
- X1 Прикуриватель
- Y6 Электромагнитный клапан цепи возврата в режим резания грунта
- Y7 Электромагнитный клапан разблокировки пластины
РАЗЪЕМЫ
- X2 9контактный разъем выключателя освещения и цепи переключения передач
- X3 11контактный разъем цепи переднего трубопровода
- X5 11контактный разъем управляющей цепи кабины
- X6 9контактный разъем цепи электромагнитных клапанов
- X8 17контактный разъем боковой панели приборов
- X9 17контактный разъем передней панели приборов
- X17 21контактный разъем боковой панели приборов
- X19 9контактный разъем передней панели приборов
- X30 2контактный разъем топливного насоса
- X31 5контактный разъем цепи кабины
- X32 2контактный разъем источника питания радиоприемника
- X33 7контактный разъем цепи стеклоочистителя ветрового стекла и проблескового маячка
- X39 3контактный разъем концевого выключателя
ПЛАВКИЕ ПРЕДОХРАНИТЕЛИ
- F1B Предохранитель правого указателя поворота на 3 А
- F1C Предохранитель левого указателя поворота на 3 А
- F2A Предохранитель проблескового маячка на 10 А
- F2B Предохранитель освещения кабины и радиоприемника на 7,5 А
- F4B Предохранитель цепи переднего заднего хода на 10 А
- F5B Предохранитель выключателя задней рабочей фары на 15 А
- F5C Предохранитель выключателя передней рабочей фары на 15 А
- F6A Предохранитель выключателя стеклоомывателя/стеклоочистителя ветрового стекла на 15 А

КОМПОНЕНТЫ
- H22 Контрольные лампы указателей
- H23 Контрольная лампа дальнего света
- H24 Лампа предупреждения о низком уровне масла в тормозной системе
- H25 Контрольная лампа механизма блокировки дифференциала
- H26 Правая передняя фара
- H27 Левая передняя фара
- H30 Левая задняя фара
- H31 Лампа подсветки номерного знака
- H32 Правая задняя фара
- K5 Реле цепи ближнего света
- K6 K6 Реле дальнего света
- K8 Реле звукового сигнала
- K9 Проблесковый маячок
- S4A Выключатель аварийной сигнализации на передней панели приборов
РАЗЪЕМЫ
- X2 9контактный разъем выключателя освещения и цепи переключения передач
- X3 11контактный разъем переднего контура
- X7 Отсоединенный 9контактный разъем
- X9 17контактный разъем передней панели приборов
- X18 5контактный разъем источника питания
- X19 9контактный разъем передней панели приборов
- X26 8контактный разъем цепи заднего хода
- X34 6контактный разъем правой передней фары
- X35 6контактный разъем левой передней фары
- X40 13контактный разъем цепи проблескового маячка
- X45 Разъем экономичного режима работы
- XD1 9контактный разъем выключателя освещения
ПЛАВКИЕ ПРЕДОХРАНИТЕЛИ
- F1A Предохранитель цепи ближнего света на 15 А
- F2C Аварийный предохранитель на 10 А
- F4C Предохранитель цепи дальнего света на 15 А
- F6B Силовой предохранитель выключателя освещения на 7,5 А
- F6C Аварийный силовой предохранитель на 10 А
- F7B Предохранитель цепи звукового сигнала на 10 А

КОМПОНЕНТЫ
- H33 Контрольная лампа системы рулевого управления двумя колесами
- H34 Контрольная лампа системы рулевого управления с одной ведущей и одной противодействующей осью
- H35 Контрольная лампа рулевого управления четырьмя колесами
- S7 Выключатель системы рулевого управления двумя колесами
- S8 Выключатель системы рулевого управления с одной ведущей и одной противодействующей осью
- S9 Выключатель системы рулевого управления четырьмя колесами
- S28 Датчик положения переднего моста
- S29 Датчик положения заднего моста
- Y1 Электромагнитный клапан системы рулевого управления четырьмя колесами
- Y2 Электромагнитный клапан системы рулевого управления двумя колесами
- Y3 Электромагнитный клапан системы рулевого управления с одной ведущей и одной противодействующей осью
- Y4 Электромагнитный клапан системы рулевого управления четырьмя колесами
РАЗЪЕМЫ
- X51 12контактный разъем кабеля заземления
- X52 13контактный разъем выключателя системы рулевого управления
- X53 1контактный разъем удлинителя
- X54 3контактный разъем цепи переднего моста
- X55 3контактный разъем цепи заднего моста
- X56 3контактный разъем цепи заднего потенциометра
- X61 2контактный разъем электромагнитного клапана системы рулевого управления четырьмя колесами
- X62 2контактный разъем электромагнитного клапана системы рулевого управления двумя колесами
- X63 2контактный разъем электромагнитного клапана системы рулевого управления с одной ведущей и одной противодействующей осью
- X64 2контактный разъем электромагнитного клапана системы рулевого управления четырьмя колесами
- XE 2контактный разъем системы EDM
- XM1 20контактный разъем блока системы контроля
- XM2 18контактный разъем блока системы контроля

КОДЫ НЕИСПРАВНОСТЕЙ


Продолжение информации и в полном объеме - только в


