TATA Daewoo NOVUS HCV, DLDV, Euro3, LHD
(дилерская документация по ремонту)
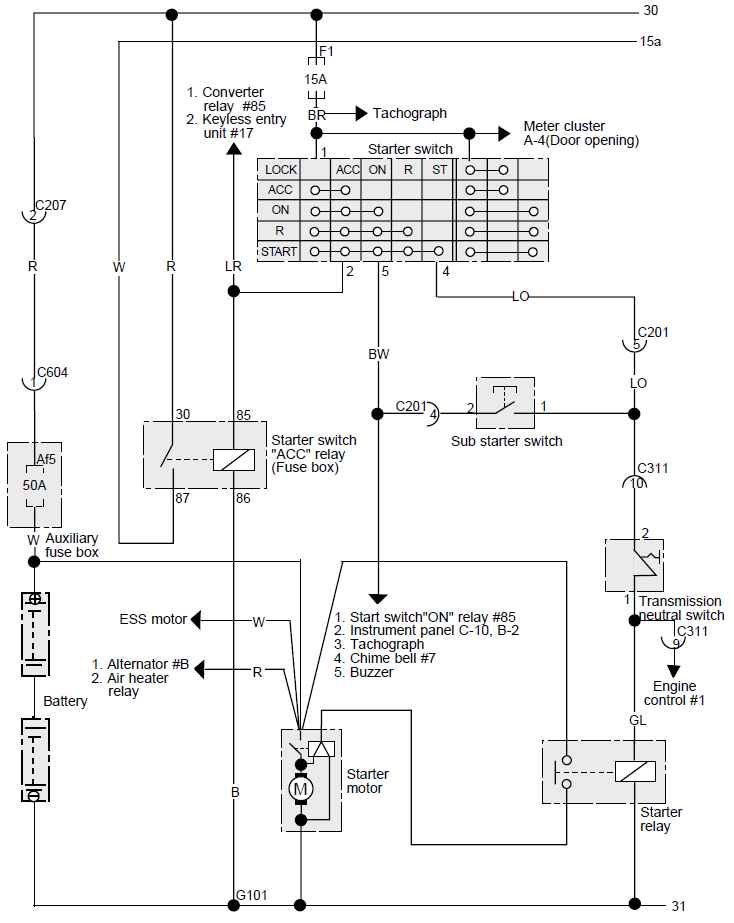
1. STARTER MOTOR AND STARTER SWITCH "ACC" CIRCUIT DIAGRAM
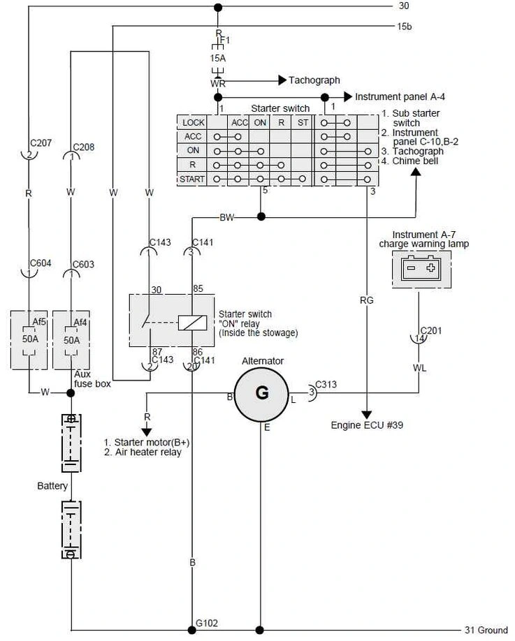
2. CHARGING AND STARTER SWITCH "ON" /ENGINE STOP MOTOR CIRCUIT DIAGRAM
3. LIGHT CIRCUIT DIAGRAM
4. BACK UP LAMP, AIR DRYER CIRCUIT DIAGRAM
5. P.T.O, FOG LAMP CIRCUIT DIAGRAM
6. STOP LAMP CIRCUIT DIAGRAM
7. PARKING LAMP CIRCUIT DIAGRAM
8. CLEARANCE, LICENSE LAMP CIRCUIT DIAGRAM
9. SEAT BELT TENSION REDUCER, STEP LAMP, LARGE ROOM LAMP, READING MOOD LAMP CIRCUIT DIAGRAM
10. KEY HOLE ILLUMINATION LAMP, ROOM & SPOT LAMP CIRCUIT DIAGRAM
11. TURN SIGNAL LAMP, HAZARD WARNING LAMP CIRCUIT DIAGRAM
12. CORNERING LAMP, AUTO GREASE CIRCUIT DIAGRAM
13. 12V CONVERTER, CIGAR LIGHTER, BED / SEAT HEATER CIRCUIT DIAGRAM
14. CASSETTE, DIGITAL CLOCK CIRCUIT DIAGRAM
15. DOOR LOCKING DEVICE, HORN CIRCUIT DIAGRAM
16. KEYLESS ENTRY SYSTEM CIRCUIT DIAGRAM
17. POWER WINDOW CIRCUIT DIAGRAM
18. WIPER CIRCUIT DIAGRAM
19. AUTO MIRROR, MIRROR HEATER, FUEL HEATER CIRCUIT DIAGRAM
20. FOLDING MIRROR CIRCUIT DIAGRAM
21. HEATER, AIR CONDITIONER CIRCUIT DIAGRAM
22. FULL AUTO AIR CONDITIONER CIRCUIT DIAGRAM
23. CAB TILT(MECHANIC), CHIME BELL, DUMPING SWITCH CIRCUIT DIAGRAM
24. CAB TILT(HYDRAULIC), CHIME BELL, DUMPING SWITCH CIRCUIT DIAGRAM
25. SPLIT SYSTEM(ZF T/M, T-14 T/M) CIRCUIT DIAGRAM
26. TACHOGRAPH CIRCUIT DIAGRAM
27. RANGE INHIBITOR CIRCUIT DIAGRAM
28. DIFFERENTIAL LOCK(EXCEPT HUB REDUCTION) CIRCUIT DIAGRAM
29. DIFFERENTIAL LOCK(HUB REDUCTION) CIRCUIT DIAGRAM
30. WORKING LAMP, CUSTOMER SERVICE CIRCUIT DIAGRAM
31. TRAILER CONNECTOR, PINTLE HOOK SWITCH CIRCUIT DIAGRAM
32. LIFT AXLE & DUMPING, OFFROAD CIRCUIT DIAGRAM
33. ELECTRONIC LEVELING MODULE
34. EMERGENCY STEERING SYSTEM
35. BUZZER UNIT CIRCUIT DIAGRAM
36. MIXER-WATER PUMP CIRCUIT DIAGRAM
37. ABS/ASR ELECTRIC CIRCUIT DIAGRAM
37-1. ABS/ASR PRESSURE CONTROL VALVE, WHEEL SPEED SENSOR CIRCUIT DIAGRAM
37-2. ABS ELECTRIC CIRCUIT DIAGRAM
37-3. ABS PRESSURE CONTROL VALVE, WHEEL SPEED SENSOR CIRCUIT DIAGRAM
38. TRAILER ABS CIRCUIT DIAGRAM
39. ABS BLINKCODE DESCRIPTION
40. INSTRUMENT SYSTEM CIRCUIT DIAGRAM(1)
40-1. INSTRUMENT SYSTEM CIRCUIT DIAGRAM(2)
41. DL/DV ENGINE(HAND THROTTLE, DIAGNOSIS)
42. DL/DV ENGINE(ENGINE BRAKE)
43. DL/DV ENGINE(CRUISE MODE, AIR HEATER)
44. ZF AUTO T/M(T.C.U, E-MODULE)
45. ALLISON AUTO T/M (1)
46. ALLISON AUTO T/M (2)
47. ALLISON AUTO T/M (3)
STARTER MOTOR AND STARTER SWITCH "ACC" CIRCUIT DIAGRAM

CHARGING AND STARTER SWITCH "ON"/ ENGINE STOP MOTOR CIRCUIT DIAGRAM

Все схемы и описания в