Тренинг персонала сервиса по пневматике MAN

- Грузовики с двигателем над кабиной тяжелого ряда - F8
- Автомобили с кабиной за двигателем
- Грузовик с двигателем над кабиной тяжелого ряда - F90
- Грузовик с двигателем над кабиной среднего ряда - M90
- Грузовик с двигателем над кабиной легкого ряда - G90 и FOC - G90
- Грузовик с двигателем над кабиной легкого ряда - L2000
- Грузовик с двигателем над кабиной тяжелого ряда - F2000
- TG-A, TG-L, TGM, TG-S, TGX
- Автобусы SL / SÜ / SD / SG-H / SR
- Туристические автобусы R / FR / FRH / RÜ
- Автобусы SL / SÜ / SD / SG-H / SG
- Автобусы ÜL 242 / 272 / 292
- Автобусы NL 202
- Автобусы NL 202 7 NG 272 / EL 202
- Туристические автобусы тип A03
- Шасси автобусов HOC 16 – 22 т
- Шасси автобусов HOCL 10,5 - 11,5 т
Обозначения подключений к приборам (DIN 74 254)
Обозначения состоят из однозначного или двухзначного числа первая цифра имеет следующее значение:
0 - Подключение впуска
1 - Подача энергии
2 - Отвод энергии
3 - Выход в атмосферу
4 - Подключение управления
5 - свободно
6 - свободно
7 - подключение подачи средства от замерзания
8 - Подключение для смазочного средства (Компрессор)
9 - Подключение для охлаждающей жидкости (Компрессор)
Вторая цифра предусмотрена на тот случай, если имеется несколько одинаковых подключений, напр., при наличии или возможности наличия нескольких контуров.
Пример:
Управляющий клапан прицепа со встроенным дифференциальным клапаном переключения
11 - Подача сжатого воздуха от четырехконтурного защитного клапана (контур III)
12 - Отвод к соединительной головке питания (красная)
22 - Отвод к соединительной головке управления (желтая)
3 - Подключение атмосферы (выпуск воздуха)
41 - Управляющее подключение клапана рабочей тормозной системы (Контур I)
42 - Управляющее подключение клапана рабочей тормозной системы (Контур II)
43 - Управляющее подключение клапана стояночного тормоза (Контур III)

Обзор приборов по номерам G…
G 1. Компрессор
G 2. Регулятор давления
G 3. Приборы, предохраняющие от замерзания
G 4. Многоконтурные защитные клапаны
G 5. Предохранительные клапаны ограничения давления
G 6. Перепускные клапаны
G 7. Краны управления рабочей тормозной системой
G 8. Краны стояночного тормоза
G 9. Клапан предварительного напряжения
G 10. Мембранный поршневой цилиндр
G 11. Двойной тормозной цилиндр
G 12. Тормозной цилиндр с пружинным энергоаккумулятором
G 13. Запорные клапаны
G 14. Ускорительные клапаны
G 15. Пневмоклапаны соотношения давления
G 16. Регулятор силы торможения
G 17. Управляющий клапан прицепа, 2-проводн.
G 18. Управляющий клапан прицепа, 1-проводн.
G 19. Соединительные головки, 2-проводн.
G 20. Соединительные головки, 1-проводн.
G 21. Двухходовые распределители
G 22. Клапаны аварийного растормаживания
G 23. Обратные клапаны
G 24. Продувочные клапаны
G 25. Водоспускные приборы, влагоотделитель
G 26. Дифференциальные клапаны переключения
G 27. Линейные фильтры, устройства подавления шума
G 28. Запорные краны
G 29. Спиральные шланги
G 30. Тормозной трос
G 31. Упругие элементы
G 32.
G 33.
G 34.
G 35.
G 36.
G 37.
G 38.
G 39.
G 40. Клапан давления в шинах, автоматический
G 41. Клапан давления в шинах, ручной
G 42. Переключающие клапаны
G 43. Клапаны обода
G 44. Воздушный клапан колеса
G 45.
G 46.
G 47.
G 48.
G 49.
G 50. Ресивер сжатого воздуха
G 51. Сливные /водоотводные клапаны
G 52. Клапаны для проверки ALB
G 53. Подключения для заполнения
G 54. Подключения для контроля, пневматические
G 55. Кнопочный выключатель, пневматический
G 56. Пневматический цилиндр
G 57. Манометр давления
G 58. Сигнализаторы
G 59. Кнопочный выключатель, гидравлический
G 60. Механический выключатель
G 61. Электропневмоклапан
G 62. Электропневмоклапан
G 63. Магнитные клапаны, SA
G 64.
G 65. Клапаны нулевой нагрузки
G 66. Клапаны датчика давления, электрические
G 67. Ограничительный клапан (ABS)
G 68.
G 69. Исполнительный элемент для клапанов системы пневматического подрессоривания
G 70. Клапаны системы пневмоподвески
G 71. Клапаны переключения WLS
G 72.
G 73. Электрические пневматические клапаны для электронной пневмоподвески
G 74. Элементы управления электронной пневмоподвески
G 75.
G 76.
G 77.
G 78.
G 79.
G 80. Гидравлический главный цилиндр
G 81. Уравнивающий резервуар
G 82. Подключения для контрольного оборудования, гидравлические
G 83. Тормозной цилиндр колеса, гидравлический
G 84. Регулятор силы торможения, гидравлический
G 85. Гидравлический клапан соотношения давления
G 86.
G 87.
G 88.
G 89.
G 89.
G 90.
G 91.
G 92.
G 93.
G 94.
G 95.
G 96.
G 97. Шланги
G 98. Таблички, символы
G 99. Прочее
Таблица символов (Выдержка из DIN 74253)



Функциональные схемы
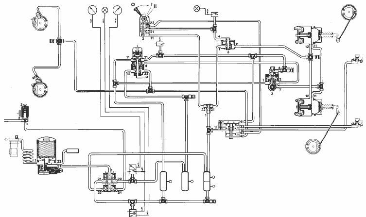
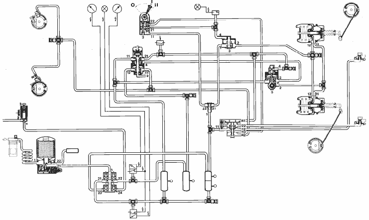
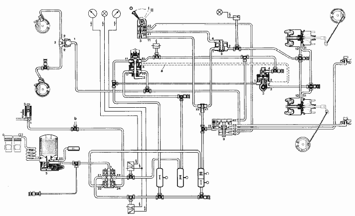
2-х осный автомобиль с кабиной над двигателем

4-х контурный 2-х проводный тормозной привод
Режим движения

Приведен в действие рабочий тормоз

Приведен в действие стояночный тормоз

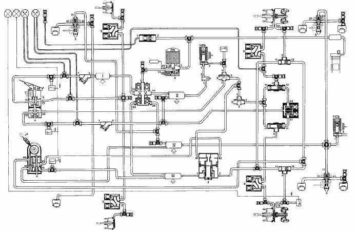
Тормозной привод F90 с клапаном излома давления

Тормозной привод F2000
Режим движения

Приведен в действие рабочий тормоз

Приведен в действие стояночный тормоз

Монтажная схема привода тормозов

Пневматические приводы тормозов и подвески SL 202 с ABS/ASR
Режим движения

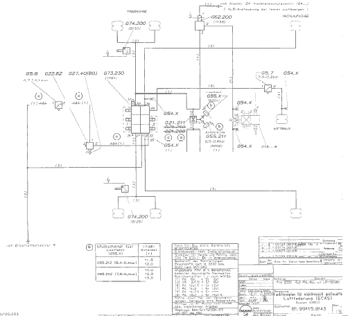
F 2000 с ECAS и ALB электропневмоклапаном

Продолжение в полном объеме - только для пользователей