Схемы крана LT 1025/2 (Q5303J) Liebherr
Принципиальная схема тормозной системы спецшасси крана LT 1025/2
Эта система отменяет работу клапана регулировки давления и клапана подачи антифриза, и обеспечивает работу влагоотделителя, имеющего те же функции, что и клапан регулировки давления и клапан подачи антифриза. Рабочее давление тормозной системы составляет 0,8 МПа.
Отрегулируйте давление в системе с помощью регулировочного устройства влагоотделителя.
Наименование компонентов системы на принципиальной схеме: 1 - воздухоприемник; 2 - воздуховыпускной канал; 3 - выпускной канал; 4 - канал управления, 21 -«2» означает воздуховыпускной канал, а «1» означает, что это первый канал.

1. Водоотводной клапан
2. Передний воздушный ресивер 1
3. Передний воздушный ресивер 2
4. Электромагнитный клапан
5. Цилиндр редуктора отбора мощности
6. Пневмоцилиндр горного тормоза
7. Управляющий цилиндр редуктора отбора мощности
8. Цилиндр сцепления редуктора отбора мощности
9. Двухпозиционный, трехходовой электромагнитный клапан
10. Цилиндр блокировки межколесного дифференциала средней оси
11. Цилиндр блокировки межколесного дифференциала задней оси
12. Переключающий клапан
13. Задний воздушный ресивер
14. Четырехконтурный защитный клапан
15. Влагоотделитель
16. Воздушный компрессор
17. Педальный клапан тормоза
18. Выключатель сигнальной лампочки
19. Клапан ручного тормоза
20. Дифференциальный переключающий клапан
21. Выключатель лампочки тормоза
22. Средняя ось
23. Задняя ось
24. Воздушный ресивер
25. Передняя ось
26. Манометр
Электрическая схема крана LT 1025/2

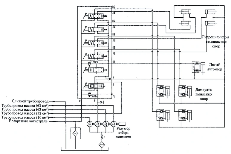
Гидравлическая схема крана LT 1025/2
