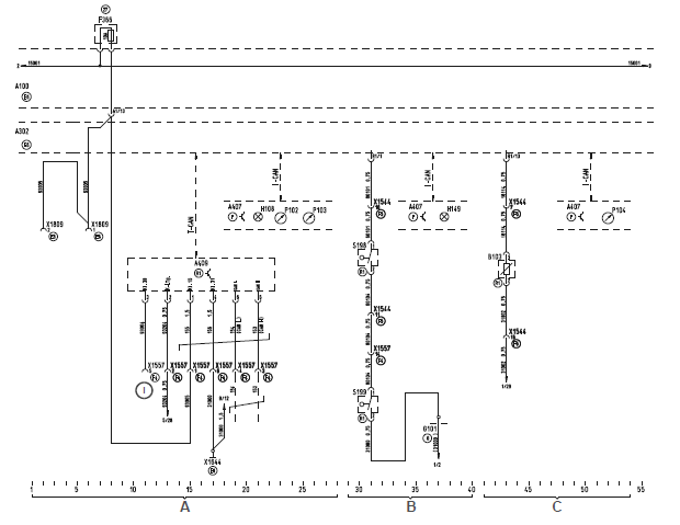
Электросхема ECAM MAN
А - ЕСАМ
В - Контрольная лампа блокировки кабины водителя
С - Топливный индикатор
А100 (255) Центральное распределительное устройство
А302 (352) Центральный процессор 2
А407 (342) Приборная панель
А409 (353) Блок управления ЕСАМ
В103 (263) Датчик топлива
F366 (101) Предохранитель ECAM/ECAS (клемма 15)
G101 (113) Аккумуляторная батарея 2
Н108 Контрольная лампа давления в ресиверах
Н149 Контрольная лампа блокировки кабины водителя
PI02 Индикатор давления в ресиверах тормозного контура 1
Р103 Индикатор давления в ресиверах тормозного контура 2
Р104 Индикатор запаса топлива
$198 (538) Выключатель блокировки кабины справа
S199 (538) Выключатель блокировки кабины слева
XI544 Штекерное соединение рамы III
Х1557 Штекерное соединение рамы слева
Х1644 Точка массы кабины рядом с центральным распределительным устройством
Х1809 Штекерное соединение ECAS (клемма 15)
