Перейти к контенту

Пропустить меню
Подписывайтесь на наш канал в Telegram и будьте всегда в курсе самых последних сообщений и публикаций с сайта.
 См. также:
  EBS
  ECAS
  КП
Электросхемы MAN TGL / TGM

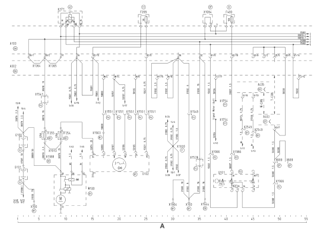
A = электропитание, система пуска

  • A100 Электрическая бортовая сеть
  • A302 Центральный процессор 2
  • A403 Управляющий процессор автомобиля
  • A435 Блок управления EDC
  • F354 Главный предохранитель (клемма 30-1)
  • F355 Главный предохранитель (клемма 30-2)
  • F399 Предохранитель генератора (клемма 15)
  • F400 Предохранитель замка рулевого колеса
  • G100 Аккумуляторная батарея 1
  • G101 Аккумуляторная батарея 2
  • G102 Генератор 1
  • K171 Реле потребителя (клемма 15)
  • M100 Стартер
  • Q101 Замок рулевого колеса
  • X100 Подключение к массе двигателя
  • X669 Штекерное соединение - блокировка  стартера
  • X1064 Перемычка на электрическую бортовую сеть 2 Поз. 37 (контакт  1-2)
  • X1364 Перемычка электрической бортовой сети для центрального бортового  компьютера 90/1-90/2
  • X1365 Перемычка электрической бортовой сети для центрального бортового  компьютера 90/2-91
  • X1539 Штекерное соединение - ввод потенциала -
  • X1541 Штекерное соединение - ввод потенциала +
  • X1549 Штекерное соединение - двигатель/EDC/коробка передач  I
  • X1551 Штекерное соединение - двигатель/EDC/коробка передач  II
  • X1644 Точка заземления кабины рядом с электрической бортовой  панелью
  • X1754 Паяное соединение кабеля 59104
  • X1830 Обжимное соединение кабеля 31002
  • X1903 Болт M6 (блок MP)
  • X1904 Болт M6 (блок MP)
  • X1913 Перемычка кабеля 30076 (блок MP)
  • X1966 Штекерное соединение - замок зажигания
  • X1988 Болт M5 (блок MP)
  • X2549 Штекерное соединение - IMR (стартер)
A = распределитель массы / B = электропитание управляющего процессора автомобиля

  • A100 Электрическая бортовая сеть
  • A302 Центральный процессор 2
  • A403 Управляющий процессор автомобиля
  • F152 Предохранитель тормоза-замедлителя
  • F160 Предохранитель EBS/ABS электропитание прицепа
  • F161 Предохранитель EBS/ABS электропитание клапана регулирования  давления
  • F162 Предохранитель управления EBS/ABS
  • F164 Предохранитель ECAS (клемма 30)
  • F371 Электропитание управляющего процессора автомобиля кл.  30
  • F372 Электропитание управляющего процессора автомобиля кл.  15
  • F374 Предохранитель тормоза-замедлителя (клемма 30)
  • X1569 Штекерное соединение - освещение багажника
  • X1570 Штекерное соединение - освещение  багажника
  • X1642 Точка заземления кабины позади приборного щитка
  • X1644 Точка заземления кабины рядом с электрической бортовой  сетью
  • X1825 Обжимное соединение кабеля 31000
  • X1827 Обжимное соединение кабеля 31000
  • X1829 Обжимное соединение кабеля 31000
  • X2541 Распределитель потенциала 21-пол. кабель 31000
  • X3456 Точка заземления опоры системы позади электрической бортовой  панели

-----------------------------------------------------------
 1 Прикуриватель
 2 Дверной модуль со стороны водителя
 3 Дверной модуль со стороны пассажира
 4 Дверной модуль
A = сигнал / B = температура наружного воздуха / C = индикатор / D = индикация  бака / E = кондиционирование воздуха / F = профилактика ECAS

  • A100 Электрическая бортовая сеть
  • A302 Центральный процессор 2
  • A403 Управляющий процессор автомобиля
  • A407 Приборная панель
  • B101 Датчик давления запаса контура тормозного привода  1
  • B102 Датчик давления запаса контура тормозного привода  2
  • B103 Датчик уровня топлива
  • B269 Температурный щуп наружного воздуха
  • B502 Датчик давления запаса контура тормозного привода  3
  • F366 Предохранитель ECAM/ECAS/TPM (клемма 15)
  • F375 Предохранитель кабины снаружи (клемма 15)
  • H102 Звуковой сигнал
  • H108 Индикатор остаточного давления
  • P102 Индикатор остаточного давления контура тормозного привода  1
  • P103 Индикатор остаточного давления контура тормозного привода  2
  • P104 Индикатор запаса топлива
  • P113 Индикатор температуры наружного воздуха
  • R107 Воздушная сушилка
  • S108 Переключатель на рулевой колонке (указатель поворота,  стеклоочиститель и фары)
  • X1544 Штекерное соединение - рама III
  • X1547 Штекерное соединение - левая дверь
  • X1549 Штекерное соединение - двигатель/EDC/коробка передач  I
  • X1550 Штекерное соединение - передняя часть правая
  • X1644 Точка заземления кабины рядом с электрической бортовой  сетью
  • X1809 Штекерное соединение - ECAS (клемма 15)
  • X1967 Штекерное соединение - 1 универсальный выключатель на рулевой  колонке
  • X3437 Штекерное соединение - левая рама II
A = устройство предпускового подогрева / B = система обмыва и очистки стекла / C  = вентилятор отопителя

  • A100 Электрическая бортовая сеть
  • A106 Отопитель передней части
  • A302 Центральный процессор 2
  • A407 Приборная панель
  • A474 Прибор управления обогревом кабины без/с  кондиционером
  • F106 Предохранитель устройства предпускового  подогрева
  • F112 Предохранитель системы обмыва и очистки стекла
  • F397 Предохранитель отопления передней  части/кондиционера
  • H382 Индикатор уровня воды омывателя
  • K102 Реле устройства предпускового нагрева
  • K106 Реле импульса стеклоочистителя
  • M102 Электродвигатель  стеклоочистителя
  • M103 Насос стеклоомывателя
  • S108 Переключатель на рулевой колонке (указатель поворота,  стеклоочиститель и фары)
  • S123 Переключатель заслонки свежего и циркулирующего  воздуха
  • S547 Поворотный переключатель нагнетателя воздуха
  • X1543 Штекерное соединение - двигатель  стеклоочистителя
  • X1550 Штекерное соединение - передняя часть, правая
  • X1823 Штекерное соединение - кондиционер клемма 15
  • X2003 Штекерное соединение - 2 универсальных выключателя на рулевой  колонке
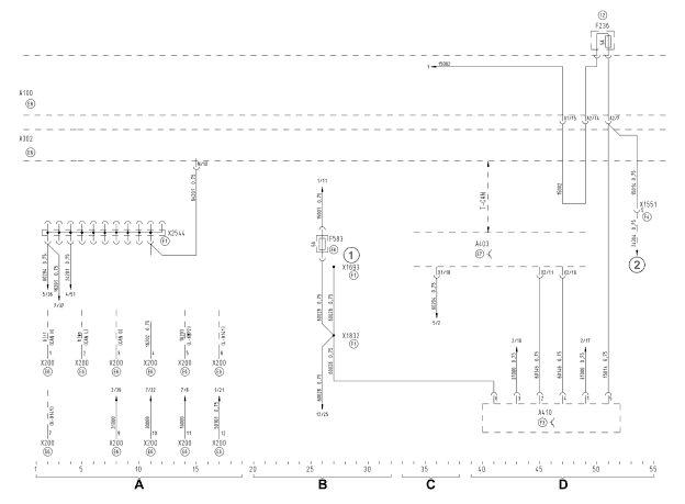
A = диагностика / B = распределитель кабеля 60028 / C = диагностика управляющего  процессора автомобиля / D = модуль педали акселератора

  • A100 Электрическая бортовая сеть
  • A302 Центральный процессор 2
  • A403 Управляющий процессор автомобиля
  • A410 Модуль педали акселератора
  • F236 Предохранитель регулировки двигателя (клемма 15)
  • F583 Предохранитель управляющего процессора автомобиля (клемма 15)  переключатель/датчики
  • X200 Штекер диагностики
  • X1551 Штекерное соединение - двигатель/EDC/коробка передач  II
  • X1693 Паяное соединение кабеля 60028
  • X1832 Обжимное соединение кабеля 60028
  • X2544 Распределитель потенциала 21-пол. К-кабеля

-----------------------------------------------------------
 1 Предохранитель управляющего процессора автомобиля (клемма 15)  переключатель/датчики
 2 Блок управления  EDC
A = сигнализатор блокиратора кабины / B = интерфейс регулирования промежуточной  частоты вращения (управляющий процессор автомобиля) (MDB, HGB)

  • A100 Электрическая бортовая сеть
  • A302 Центральный процессор 2
  • A403 Управляющий процессор автомобиля
  • A407 Приборная панель
  • F582 Предохранитель управляющего процессора автомобиля (клемма 15)  интерфейса регулирования промежуточной частоты вращения
  • G101 Аккумуляторная батарея 2
  • H149 Индикатор блокиратора кабины
  • R134 Группа резисторов EDC
  • S198 Переключатель кабина-блокирование справа
  • X1544 Штекерное соединение - рама III
  • X1644 Точка заземления кабины рядом с электрической бортовой  сетью
  • X1996 Штекерное соединение - интерфейс регулирования промежуточной  частоты вращения  (FFR)
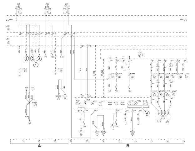
A = электропитание +15 / B = приборная панель/тахограф

  • A100 Электрическая бортовая сеть
  • A302 Центральный процессор 2
  • A407 Приборная панель
  • A408 Тахограф
  • B110 Импульсный датчик тахографа
  • F376 Предохранитель кабины внутри (клемма 15)
  • F398 Предохранитель прибора тахографа (клемма 15)
  • F412 Предохранитель тахографа, приборной панели (клемма  30)
  • H111 Центральная сигнальная лампа STOP
  • H162 Предупредительный зуммер
  • P101 Тахометр
  • P106 Индикатор температуры охлаждающей воды
  • P107 Часы
  • P116 Индикация давления нагнетания
  • P118 Индикация скорости
  • P119 Индикация пробега в  километрах
  • P120 Индикация суточного пробега
  • X1535 Штекерное соединение - тахограф
  • X1536 Штекерное соединение - кабина-тахограф
  • X1537 Штекерное соединение - тахометрический датчик
  • X1639 Обжимное соединение кабеля 16000
  • X1642 Точка заземления кабины позади приборного щитка
  • X1644 Точка заземления кабины рядом с электрической бортовой  сетью
  • X1757 Паяное соединение кабеля 16006
  • X1833 Обжимное соединение кабеля 16000
  • X3118 Штекерное соединение - распределитель кабеля  30000
  • X3119 Штекерное соединение - распределитель кабеля  30009

-----------------------------------------------------------
 1 Дополнительный отопитель
 2 Блокировка дифференциала
 3 Дверной модуль
A = проверка освещения / B = переключение света / C = прожектор

  • A100 Электрическая бортовая сеть
  • A302 Центральный процессор 2
  • A407 Приборная панель
  • F125 Предохранитель прожектора
  • F534 Предохранитель переключателя света
  • R106 Потенциометр подсветки приборного щитка
  • S111 Переключатель света
  • S329 Клавишный выключатель проверки освещения
  • X1643 Паяное соединение кабеля 58300
  • X1835 Обжимное соединение кабеля 58000
  • X1836 Обжимное соединение кабеля 58000
  • X1838 Обжимное соединение кабеля 58300
  • X2542 Распределитель потенциала 21-пол. кабель  58000
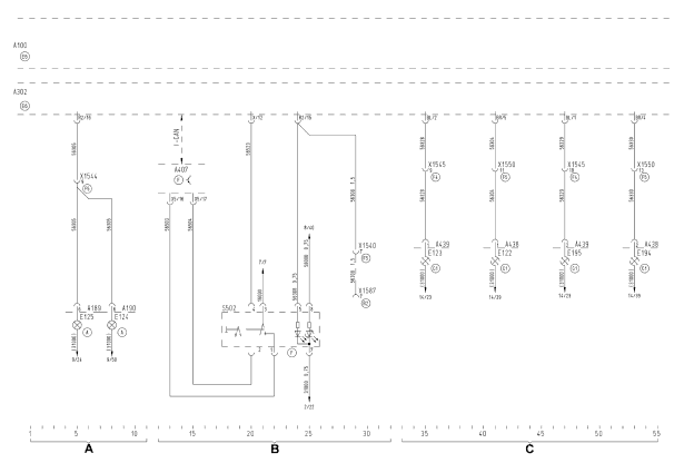
A = стояночное освещение слева/ B = стояночное освещение справа

  • A100 Электрическая бортовая сеть
  • A187 Фара слева
  • A188 Фара справа
  • A189 Задний габаритный фонарь слева
  • A190 Задний габаритный фонарь справа
  • A302 Центральный процессор 2
  • E108 Подфарник справа
  • E109 Подфарник слева
  • E116 Габаритный фонарь сзади справа
  • E117 Габаритный фонарь сзади слева
  • E118 Задний габаритный фонарь справа
  • E119 Задний габаритный фонарь слева
  • F117 Предохранитель стояночного заднего габаритного фонаря  слева
  • F118 Предохранитель стояночного заднего габаритного фонаря  справа
  • G101 Аккумуляторная батарея 2
  • K116 Реле стояночного заднего габаритного фонаря
  • X395 Штекерное соединение - габаритные и внутренние фонари слева и  справа
  • X1540 Штекерное соединение - рама I
  • X1544 Штекерное соединение - рама III
  • X1545 Штекерное соединение - передняя часть слева
  • X1550 Штекерное соединение - передняя часть, правая
  • X1557 Штекерное соединение - рама левая
  • X1586 Штекерное соединение - соединение штепсельной розетки прицепа  1
A = световой сигнал / B = ближний свет, дальний свет / C = установка угла  наклона фар

  • A100 Электрическая бортовая сеть
  • A187 Фара слева
  • A188 Фара справа
  • A302 Центральный процессор 2
  • A407 Приборная панель
  • E110 Ближний свет справа
  • E111 Ближний свет слева
  • E112 Дальний свет справа
  • E113 Дальний свет слева
  • H129 Сигнализатор дальнего света
  • R109 Регулировочный потенциометр установки угла наклона  фар
  • S108 Переключатель на рулевой колонке (указатель поворота,  стеклоочиститель и фары)
  • X1545 Штекерное соединение - передняя часть, слева
  • X1550 Штекерное соединение - передняя часть, правая
  • X1642 Точка заземления кабины позади приборного щитка
  • X1644 Точка заземления кабины рядом с электрической бортовой  сетью
  • X1967 Штекерное соединение - 1 универсальный выключатель на рулевой  колонке
A = задние противотуманные фары / B = переключение противотуманной фары/задних  противотуманных фар / C = противотуманная фара/дополнительный дальний свет

  • A100 Электрическая бортовая сеть
  • A189 Задний габаритный фонарь слева
  • A190 Задний габаритный фонарь справа
  • A302 Центральный процессор
  • A407 Приборная панель
  • A438 Световая полоса справа
  • A439 Световая полоса слева
  • E122 Противотуманная фара справа
  • E123 Противотуманная фара слева
  • E124 Противотуманная задняя фара  справа
  • E125 Противотуманная задняя фара слева
  • E194 Фара дальнего света справа
  • E195 Фара дальнего света слева
  • S502 Клавишный выключатель противотуманной задней  фары
  • X1540 Штекерное соединение - рама I
  • X1544 Штекерное соединение - рама II
  • X1545 Штекерное соединение - передняя часть, левая
  • X1550 Штекерное соединение - передняя часть, правая
  • X1587 Штекерное соединение - соединение штепсельной розетки прицепа  2
A = сигнал торможения / B = cтояночный тормоз / C = фара заднего хода

  • A100 Электрическая бортовая сеть
  • A189 Задний габаритный фонарь слева
  • A190 Задний габаритный фонарь справа
  • A302 Центральный процессор 2
  • A402 Блок управления EBS
  • A403 Управляющий процессор автомобиля
  • A407 Приборная панель
  • B337 Тормозной датчик
  • B369 Кнопочный выключатель сигнализатора стояночного  тормоза
  • E102 Фара заднего хода справа
  • E103 Фара заднего хода слева
  • F314 Предохранитель фары заднего хода
  • G101 Аккумуляторная батарея 2
  • H112 Сигнал торможения справа
  • H113 Сигнал торможения слева
  • H117 Индикатор стояночного тормоза
  • X1540 Штекерное соединение - рама I
  • X1544 Штекерное соединение - рама III
  • X1587 Штекерное соединение - соединение штепсельной розетки прицепа  2
  • X1627 Штекерное соединение - фара заднего хода
  • X1834 Обжимное соединение кабеля 71300
  • X2497 Штекерное соединение - распределитель кабеля  16109
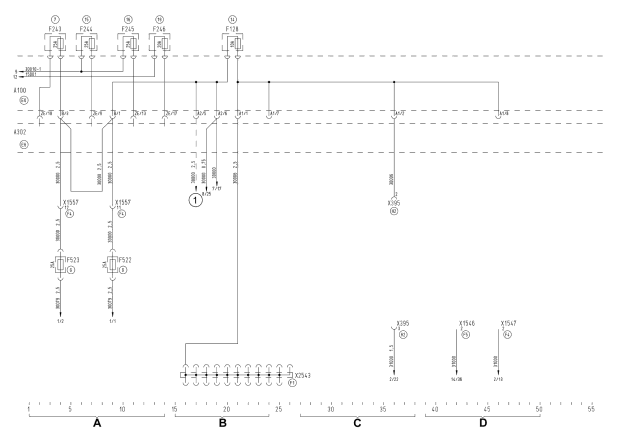
A = электропитание бортового компьютера / B = электропитание постоянно  включённых потребителей / C = обеспечение внутреннего освещения / D =  обеспечение освещения на входе

  • A100 Электрическая бортовая сеть
  • A302 Центральный процессор 2
  • F128 Предохранитель постоянно включённых потребителей
  • F243 Предохранитель центрального бортового компьютера постоянный  плюс
  • F244 Предохранитель центрального бортового компьютера (клемма  30-1)
  • F245 Предохранитель центрального бортового компьютера (клемма  30-2)
  • F246 Предохранитель центрального бортового компьютера (клемма  15)
  • F522 Предохранитель кабеля 30000
  • F523 Предохранитель кабеля 30000
  • X395 Штекерное соединение - габаритные и внутренние фонари слева и  справа
  • X1546 Штекерное соединение - правая дверь
  • X1547 Штекерное соединение - левая дверь
  • X1557 Штекерное соединение - левая рама
  • X2543 Распределитель потенциала 21-пол. кабель 30006

-----------------------------------------------------------
 1 Дверной  модуль
A = мигающий указатель поворота

  • A100 Электрическая бортовая сеть
  • A189 Задний габаритный фонарь слева
  • A190 Задний габаритный фонарь справа
  • A302 Центральный процессор 2
  • A407 Приборная панель
  • A438 Световая полоса справа
  • A439 Световая полоса слева
  • F535 Предохранитель переключателя аварийного светового  сигнала
  • H120 Указатель поворота спереди справа
  • H121 Указатель поворота спереди слева
  • H122 Указатель поворота сзади справа
  • H123 Указатель поворота сзади  слева
  • H124 Указатель поворота сбоку справа
  • H125 Указатель поворота сбоку слева
  • H380 Сигнализатор указателя поворота автомобиля-тягача  справа
  • H381 Сигнализатор указателя поворота автомобиля-тягача  слева
  • S108 Переключатель на рулевой колонке (указатель поворота,  стеклоочиститель и фары)
  • S109 Переключатель системы аварийной световой  сигнализации
  • X1544 Штекерное соединение - рама III
  • X1545 Штекерное соединение - передняя часть, левая
  • X1550 Штекерное соединение - передняя часть, правая
  • X1644 Точка заземления кабины рядом с электрической бортовой  сетью
  • X1967 Штекерное соединение - 1 универсальный выключатель на рулевой  колонке

gerikogan@gmail.com

Сайт (2149 страниц) - создан из материалов"Большой энциклопедии для автоэлектриков и диагностов"и на нем лишь мизерное количество информациис огромной электронной энциклопедии !!!

подписчики
1981
Назад к содержимому