Подогреватель жидкостный ПРАМОТРОНИК 15.8106
и его модификации

Наиболее часто встречающиеся или возможные неисправности в работе подогревателя допустимые для самостоятельного устранения приведены в таблице ниже.

Индикация неисправностей жидкостного подогревателя осуществляется при световых вспышках красного цвета светодиода 2 на лицевой панели пульта управления и звуковым сигналом в соответствии с таблицей ниже.


пульт управления
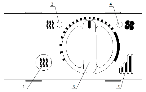
1 - клавиша «ПУСК/ВЫКЛ» с подсветкой,
2 – светодиод работы подогревателя двухцветный (зеленый – нормальная работа подогревателя, красный – наличие неисправности),
3 – позиционный регулятор температуры в салоне автотранспортного средства,
4 – светодиод работы отопителя салона автотранспортного средства зеленый,
5 – датчик контроля температуры в салоне автотранспортного средства

Подогреватели 15.8106-03 и 151.8106-03:
1 - блок управления,
2 - электродвигатель горелки,
3 - воздушный патрубок,
4 - полумуфта,
5 - крыльчатка вентилятора,
6 - подшипник,
7 - зубчатая передача,
8 - топливный насос,
9 - электромагнит,
10 - держатель форсунки,
11 - форсунка,
12 - электрод запальный,
13 - муфта,
14 - электронагреватель топлива,
15 - индикатор пламени,
16 - камера сгорания,
17,18 - топливопровода,
19 - теплообменник,
20 - завихритель,
21 - патрубок газоотводящий,
22 - патрубок жидкостный впускной,
23 - патрубок жидкостный выпускной,
24, 25 - опоры подогревателя,
26 - высоковольтный источник напряжения,
27 - термопредохранитель,
28 - датчик температуры ВК1,
29 - датчик температуры ВК2.

Подогреватели 15.8106-05 и 151.8106-05:
1 - блок управления,
2 - электродвигатель горелки,
3 - воздушный патрубок,
4 - полумуфта,
5 - крыльчатка вентилятора,
6 - подшипник,
7 - зубчатая передача,
8 - топливный насос,
9 - электромагнит,
10 - держатель форсунки,
11 - форсунка,
12 - электрод запальный,
13 - муфта,
14 - электронагреватель топлива,
15 - индикатор пламени,
16 - камера сгорания,
17,18 - топливопровода,
19 - теплообменник,
20 - завихритель,
21 - патрубок газоотводящий,
22 - патрубок жидкостный впускной,
23 - патрубок жидкостный выпускной,
24, 25 - опоры подогревателя,
26 - высоковольтный источник напряжения,
27 - термопредохранитель,
28 - датчик температуры ВК1,
29 - датчик температуры ВК2

Таймер-часы с терморегулятором:
1 – кнопка «Часы»,
2 и 3 – кнопки установки (меньше, больше),
4 – кнопка «Таймер»,
5 – кнопка «Пуск»,
6 – регулятор температуры в салоне автомобиля,
7 – датчик температуры в салоне автомобиля,
8 – индикатор работы отопителя салона,
9 – 4-х разрядный индикатор,
10 – индикатор работы нагревателя форсунки

Подогреватель 15.8106-15:
1 - блок управления,
2 - электродвигатель горелки,
3 - воздушный патрубок,
4 - полумуфта,
5 - крыльчатка вентилятора,
6 - подшипник,
7 - зубчатая передача,
8 - топливный насос,
9 - электромагнит,
10 - держатель форсунки,
11 - форсунка,
12 - электрод запальный,
13 - муфта,
14 - электронагреватель топлива,
15 - индикатор пламени,
16 - камера сгорания,
17,18 - топливопровода,
19 - теплообменник,
20 - завихритель,
21 - патрубок газоотводящий,
22 - патрубок жидкостный впускной,
23 - патрубок жидкостный выпускной,
24, 25 - опоры подогревателя,
26 - высоковольтный источник напряжения,
27 - термопредохранитель,
28 - датчик температуры

Таймер-терморегулятор подогревателя:
1 - кнопка «Прогрев»,
2 - кнопка «Режим» - отложенный запуск,
3 – датчик температуры,
4 и 5 – кнопки корректировки,
6 – кнопка «Установка» - выбор устанавливаемых параметров,
7 – кнопка «Выбор режимов индикации»,
8 – кнопка «Вкл/Выкл» отопителя салона,
9 – индикатор режима «салон»,
10 – 6-ти разрядный индикатор,
11 – индикатор режима «прогрев».


Схема электрическая принципиальная на подогревателях 15.8106-15




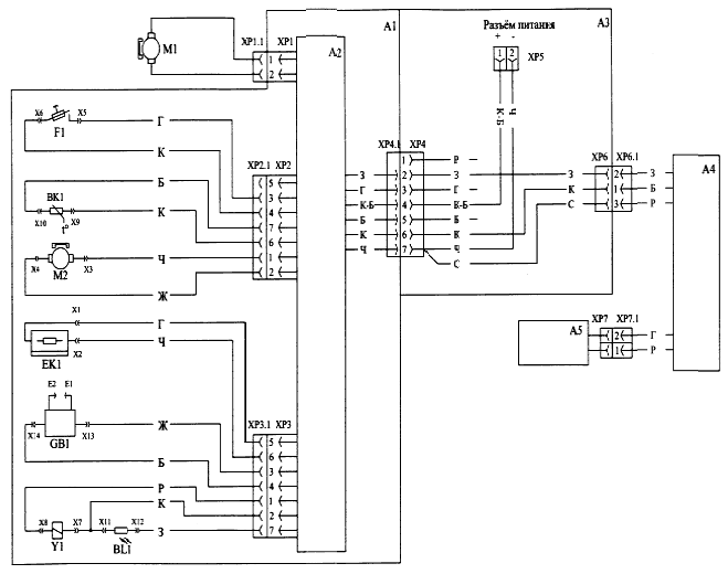
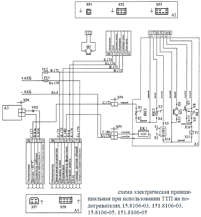
Схема электрическая принципиальная при использовании индикаторной лампы и выключателя на подогревателях 15.8106-03, 151.8106-03, 15.8106-05, 151.8106-05
