Центральное распределительное устройство MAN
Сокращения
- а Ускорение
- ABS Антиблоки ров очная система
- ABV Автоматическое противоблокировочное устройство
- АСС Автоматический круиз-контроль (режим постоянной скорости 1емпомат с автоматическим поддержанием безопасной дистанции)
- ADR Международное соглашение по автомобильной транспортировке опасных грузов
- AGB Автоматический ограничитель скорости
- AGND Analog Ground (аналоговая масса)
- AGR Рециркуляция ОГ
- AHV Тормозной клапан прицепа
- ALB Автоматическая система регулирования тормозного усилия в зависимости от нагрузки
- АМА Антенная мачта
- ANH Прицеп/седельный прицеп
- AS Автоматическая ступенчатая коробка передач
- ASM Модуль управления прицепа
- ASR Регулирование устойчивости при движении
- ASV Клапан управления прицепа
- АТС Automatic Temperature Control (автоматическое регулирование температуры)
- ATF Automatic Transmission Fluid (трансмиссионное масло автоматической коробки передач)
- AV Выпускной клапан
- ВА Руководство по эксплуатации
- ВАМ Broadcast Announce Message (извещение о последующем сообщении/информации)
- ВВА Рабочая тормозная система
- BBV Рабочий тормозной клапан
- BKR Регулятор тормозных сил
- BV Резервный клапан (запасной клапан)
- BVA Индикатор износа тормозных накладок
- BVS Датчик износа тормозных накладок
- BW Питание датчика износа тормозных накладок
- BW Бундесвер
- BWG Тормозной датчик
- BZ Тормозной цилиндр
- CAN Controller Area Network (шина данных с бит-серийной передачей)
- CAN-H Линия передачи данных CAN-high
- CAN-L Линия передачи данных CAN-low
- CATS Computer-Assisted Testing and diagnosting System (компьютерная система контроля и диагностики)
- СВН CAN тормоза High
- CBL CAN тормоза Low
- CKD Complete Knocked Down (полностью разобранный автомобиль)
- CNG Compressed Natural Gas (природный газ)
- CPU" Central Processing Unit (центральный процессор)
- CRT Continuously Regenerating Trap (глушитель, катализатор окисления, фильтр дизельных частиц)
- DA Destination Address (цель/адрес)
- DBR Реле тормоза-замедлителя
- DF Датчик частоты вращения
- DFU Дистанционная передача данных
- DIA Диагностический и информационный индикатор
- DIAK Диагностика, К-провод (линия передачи данных)
- DIAL Диагностика, L-провод (линия возбуждения)
- DIAR Диагностика, последующее возбуждение
- DIN Немецкий промышленный стандарт
- DKE Открытие дроссельной заслонки (регулирование ASR)
- DKR Закрытие дроссельной заслонки (регулирование ASR)
- DKV Уставка дроссельной заслонки (регулирование ASR)
- DLB Пневматическая тормозная система
- DLC Data Length Code (управляющий байт для длины кадра данных)
- DM1 Diagnostic Message 1 (сообщение диагностики 1)
- DPF Фильтр дизельных частиц
- DRM Модуль регулирования давленип
- DS Датчик давления
- DSV Ограничительный клапан тормозного привода
- DTC Diagnostic Trouble Code (код регистратора неисправностей)
- DV Дроссельный клапан
- DZM Тахометр
- EBS Электронная тормозная система
- ЕСАМ Electronically Controlled Air Management (электронная пневматическая система)
- ECAS Electronically Controlled Air Suspension {электронная пневматическая подвеска)
- ECU Electronic Control Unit (блок управления)
- EDC Elec tronic Diesel Control {электронная система управления впрыском дизельного топлива)
- EEPROM ЭСППЗУ - стираемая и перезаписываемая энергонезависимая память
- EFR Электронная система регулирования ходовой части
- ЕНАВ Электро-гидравлический блокиратор
- ELAB Электрический блокиратор
- ELF Электронная пневматическая подвеска
- EMS Электронная система управления мощностью двигателя
- EMV Электромагнитная совместимость
- EOL End Of Line (программирование End Of Line)
- ЕР ТНВД (топливный насос высокого давления)
- ER Тормоз-замедлитель двигателя (моторный тормоз)
- EV Впускной клапан
- FBA Стояночная тормозная система
- FFL Freeze Frame Length (блокировка данных на неопределенное время)
- FFR Управляющий процессор автомобиля
- FGB Ограничение скорости
- FGR Регулирование скорости
- FM Система управления автомобилем
- FMI Failure Mode Identification (тип сбоя)
- FMR Регулирование двигателя автомобиля
- FS Тахоспидограф
- GDK Управляемый дизельный катализатор
- GET Коробка передач
- GGVS Норматив перевозки опасных грузов автомобильным транспортом
- GND Ground (масса)
- GP Планетарная группа (задний делитель)
- GS Управление коробкой передач
- GV Передний делитель (делитель)
- НА Задний мост
- НВА Вспомогательная тормозная система
- HGB Ограничение максимальной скорости
- HAST Основная коммутационная плата
- HTS Высокотактовая защита
- Hz Герц (смена/период в секунду)
- IBIS Интегрированная бортовая информационная система
- 1C Integrated Circuit (интегрированная коммутируемая схема)
- IMR Интегрированный механический релейный модуль (включение стартера)
- INA Информационный дисплей
- IR Индивидуальное регулирование
- IRM Модифицированное индивидуальное регулирование
- ISO International Standard Organisation (Международная ассоциация стандартизации)
- KBZ Комбинированный тормозной цилиндр
- КР Кинг контакт (седельная цапфа)
- KSM Спецмодуль заказчика
- KSW Особое пожелание заказчика
- KWP Key Word Protocol (протокол диагностики с MAN-cats)
- LBH Ресивер
- LCD Liquid Crystal Display (жидкокристаллический дисплей)
- LDA Зависимый от давления наддува ограничитель хода рейки ТНВД
- LDF Датчик давления наддува
- LDS Система амортизации пневматических рессор
- LED Light Emitting Diode (светодиод)
- LF Пневматическая подвеска
- LNG Liquified Natural Gas (сжиженный природный газ)
- LPG Liquified Petroleum Gas (сжиженный газ)
- LWR Регулирование угла наклона оптической оси фар
- М-ТСО Модульный спидограф ЕС
- MAN-cats MAN-computer assisted testing and diagnosting system (компьютерная система контроля и
- диагностики MAN)
- ML Midline (средняя линия)
- MMI Интерфейс человек-машина
- МР Блок Motor-Power (кабельный туннель на моторном блоке)
- MR Регулятор двигателя - ASR
- MV Магнитный клапан
- MZ Тормозная пневматическая камера
- n Частота вращения
- NA Механизм отбора мощности
- NBF Игольчатый датчик движения
- NFG Новое поколение автомобилей
- NFZ Транспортное средство для перевозки грузов и пассажиров
- NLA Задний поддерживающий мост
- NMG Новое поколение двигателей
- ОС Occurrence Count (счетчик повторяемости сбоя)
- р Давление
- РВМ Сигнал широтно-импульсной модуляции (ШИМ)
- PCU Блок управления пневматикой
- PDU Protokoll Data Unit (модуль протокольных данных)
- Pm Давление на соединительной головке магистрали тормозного привода
- Рте Давление на электрическом соединении автопоезд-прицеп
- РТО Power Take Otf (механизм отбора мощности)
- PWM Pulse Width Modulation (широтно-импульсная модуляция ШИМ, см. РВМ) г
- RA Руководство по ремонту
- RAM Random Access Memory (ОЗУ - энергозависимая записываемая/счиваемая память)
- RDS Информационная система радиоприемника
- RET Тормоз-замедлитель
- RKL Проблестковый маячок
- RLV Релейный клапан
- ROM Read Only Memory {ПЗУ - постоянная память)
- SA Source Address (адрес источника)
- SAE Society of Automoiv Engineers (Союз инженеров автотранспорта)
- SAMT Semi Automatic Mechanic Transmission (полуавтоматическая механическая коробка передач)
- SD Глушитель
- Sec Секунда
- SG Блок управления
- SH Регулирование Select-High
- SKD Semi Knocked Down (полуразобранный автомобиль)
- SL Регулирование Select-Low
- SPN Suspect Parameter Number (номер места сбоя)
- SSM Регулирование Select-Smart
- STCO Системный спидограф
- t Время
- TC Traction Control (регулирование устойчивости при движении)
- ТСМ Trailer Control Modul (модуль управления прицепа)
- TKU Техническая документация заказчика
- ТМС Traffic Message Channel (информационный канал о ситуации на дорогах)
- TRS Транспортные технические нормативы
- Ubat Напряжение аккумулятора
- v Скорость
- VA Передний мост
- VG Раздаточная коробка
- VLA Передний поддерживающий мост
- WA Руководство по техническому обслуживанию
- WLE Сменный бортовой модуль
- WR Сигнальное реле
- WS Датчик перемещения
- WSK Гидротрансформаторное сцепление
- z Коэффициент торможения
- ZBR Центральный бортовой компьютер
- ZBRO Центральный бортовой компьютер автобуса
- ZDR Регулирование промежуточной частоты вращения
- ZE Центральное распределительное устройство
- X Пробуксовка
- р Коэффициент трения
- рС Микроконтроллер
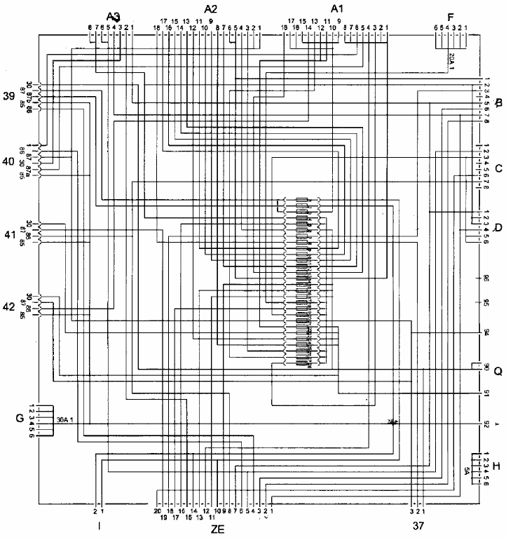
Центральное распределительное устройство (№ А100)
Монтажная позиция

Центральное распределительное устройство (ЦРУ) находится в кабине автомобиля справа (на автомобиле с левосторонним рулевым управлением) в средней консоли под крышкой.
Расположение предохранителей и реле приводится на наклейке, находящейся на внутренней стороне
крышки.
Центральное распределительное устройство - вид спереди

- 1 F118 Предохранитель стояночного света/заднего габаритного огня справа
- 2 F117 Предохранитель стояночного света/заднего габаритного огня слева
- 3 F125 Предохранитель освещения приборов, выключателей и подсветки
- 4 F375 Внешний предохранитель кабины (клемма 15)
- 5 F372 Подача напряжения управляющего процессора автомобиля (клемма 15)
- 6 F164 Предохранитель ECAS (клемма 15)
- 7 F243 Предохранитель центрального бортового компьютера - постоянный плюс
- 8 Свободно
- 9 F412 Предохранитель тахоспидографа, приборов (клемма 30)
- 10 F152 Предохранитель тормоза-замедлителя (клемма 15)
- 11 F399 Предохранитель генератора (клемма 15)
- 12 F236 Предохранитель EDC (клемма 15)
- 13 F398 Предохранитель тахоспидографа, приборов (клемма 15)
- 14 F128 Предохранитель постоянных потребителей
- 15 F244 Предохранитель центрального бортового компьютера (клемма 30-1)
- 16 F245 Предохранитель центрального бортового компьютера (клемма 30-2)
- 17 F371 Подача напряжения управляющего процессора автомобиля (клемма 30)
- 18 F376 Внутренний предохранитель кабины (клемма 15)
- 19 F246 Предохранитель центрального бортового компьютера (клемма 15)
- 20 F314 Предохранитель фары заднего хода
- 21 F112 Предохранитель стеклоочистителя/стеклоомывателя лобового стекла
- 22 F374 Предохранитель встроенного тормоза-замедлителя/тормоза замедлителя (клемма 30)
- 23 F106 Предохранитель электрофакельного устройства
- 24 F161 Предохранитель электропитания EBS/ABS - ограничительный клапан тормозного привода
- 25 F160 Предохранитель электропитания EBS/ABS прицепа
- 26 F162 Предохранитель - управление EBS/ABS
- 27 F366 Предохранитель ECAM/ECAS (клемма 15)
- 28 F397 Предохранитель обогрева спереди/кондиционера
- 29 Резервный предохранитель
- 30 Резервный предохранитель
- 31 Резервный предохранитель
- 32 Резервный предохранитель
- 33 Резервный предохранитель
- 34 Резервный предохранитель
- 35 Резервный предохранитель
- 36 Резервный предохранитель
- 37 Перемычка
- 38 Инструмент
- 39 К116 Реле стояночного света/заднего габаритного огня
- 40 К106 Реле импульса стеклоочистителя
- 41 К102 Реле электрофакельного устройства
- 42 К171 Реле потребителей (клемма 15)
ZE = Штекер центрального распределительного устройства (см. внутренняя коммутация центрального распределительного устройства)
Центральное распределительное устройство - вид сзади

Штекерное распределение
Штекер А1
Контакт Кабель № Обозначение
1 30006 Клемма 30
2 30006 Клемма 30 плафона кабины/аварийной световой сигнализации/
выключателя света
3 25009 Орган управления отоплением автомобиля/кондиционером (клемма 15)
4 60027 Клемма 30 управляющего процессора автомобиля
5 20501 Мотор стеклоочистителя М 102 (клемма 31Ь)
6 Свободно
7 30006 Клемма 30 дверного замка (со стороны водителя) А465
8 30006 Клемма 30 дверного замка (со стороны пассажира) А466
9 15002 Клемма 15
10 58000 Клемма 58
11 43002 Клемма 30 встроенного тормоза-замедлителя/тормоза-замедлителя
12 Свободно
13 93005 Клемма 15 ECAM/ECAS
14 15002 Клемма 15 центрального бортового компьютера
15 15002 Перемычка на А2/14
16 58000 Клемма 58
17 58000 Клемма 58
18 16006 Клемма 15 приборов/тахоспидографа
Штекер А2
Контакт Кабель № Обозначение
1 20000 Клемма 15 мотора стеклоочистителя М102 (53а)
2 20000 Клемма 15 выключателя на рулевой колонке S108 (53с)
3 73001 Клемма 30 EBS
4 70002 Клемма 30 ECAS
5 30000 Клемма 30 дверных модулей (F382/F383)
6 30000 Клемма 30
7 15014 Клемма 15 модуля педали газа А410
8 73002 Клемма 30 EBS А402
9 15021 Клемма 15 генератора G102
10 43004 Клемма 15 встроенного тормоза-замедлителя/тормоза-замедлителя
11 30009 Клемма 30 приборов/тахоспидографа
12 73000 Клемма 30 EBS А402
13 15001 Клемма 15
14 15002 Клемма 15
15 15001 Клемма 15
16 15001 Клемма 15
17 30000 Клемма 30
18 Свободно
Штекер АЗ
Контакт Кабель № Обозначение
1 58303 Габаритный фонарь спереди слева Е115
2 60028 Клемма 15 управляющего процессора автомобиля А403
3 20502 Выключатель на рулевой колонке S108 (указатель поворота, стеклоочиститель и фара)
4 58302 Габаритный фонарь спереди справа Е114
5 50300 Клемма 50
6 Свободно
7 Свободно
8 Свободно
Штекер В
Контакт Кабель № Обозначение
1 30000 Клемма 30
2 15006 Клемма 15
3 30000 Клемма 30
4 Свободно
5 58303 Задний габаритный фонарь слева А189
6 58316 Соединение розетки прицепа 1
7 58302 Задний габаритный фонарь справа А190
8 58317 Соединение розетки прицепа 1
Штекер С
Контакт Кабель № Обозначение
1 Свободно
2 Свободно
3 43001 Клемма 15 фары заднего хода
4 Свободно
5 Свободно
6 17301 Факельная свеча накаливания
7 Свободно
8 Свободно
Штекер D
Контакт Кабель № Обозначение
1 58303 Стояночный свет слева спереди
2 Свободно
3 15006 Клемма 15 выключателя на рулевой колонке - звуковой сигнал
4 58302 Стояночный свет справа спереди
5 71505 Реле фары заднего хода К250
6 Свободно
Штекер F
Контакт Кабель № Обозначение
1 16000 Клемма 15
2 Свободно
3 16000 Клемма 15 кнопки выключателя света, обучающего освещения, заднего противотуманного фонаря, диагностики Х200
4 16000 Клемма 15 блокировки дифференциала
5 16000 Клемма 15 дополнительного отопления
6 16000 Клемма 15 дверного модуля
Штекер G
Контакт Кабель № Обозначение
1 31000 Масса стеклоочистителя лобового стекла
2 31000 Масса вентилятора отопления
3 31000 Масса регулирования угла наклона оптической оси фар
4 31000 Масса указателя поворота слева
5 31000 Масса прикуривателя
6 31000 Масса к штекеру Н
Штекер Н
Контакт Кабель № Обозначение
1 31000 Масса к штекеру G
2 31000 Масса дверного модуля со стороны водителя
3 31000 Масса дверного модуля со стороны пассажира
4 31000 Масса дверного модуля
5 31000 Масса освещения подножки
6 31000 Масса насоса стекло омы вате л я
Штекер I
Контакт Кабель № Обозначение
1 — Свободно (стояночный свет справа для изготовителя кузова)
2 — Свободно (стояночный свет слева для изготовителя кузова)
Штырь 90/1
соединен с 90/2 через перемычку Х1364
Клемма 30 замка рулевого колеса
Клемма 30 рабочего прожектора
Клемма 30 освещения кузова-фургона
Клемма 30 холодильника
Клемма 30 сдвижного люка
Клемма 30 электрического устройства опрокидывания кабины
Клемма 30 дополнительного отопления
Штырь 90/2
Соединен с 90/1 через перемычку Х1364 и с 91 через перемычку Х1365
Клемма 30 от двигателя
Клемма 30 для розетки 12 В
Клемма 30 для розетки 24 В
Клемма 30 для электрической солнечной шторки
Штырь 91
Соединен с 90/2 через перемычку Х1365
Клемма 30 прикуривателя
Клемма 30 обогрева ветрового стекла
Клемма 30 AS-Tronic
Штырь 92
Масса от двигателя
Масса к точке массы кабины
Штырь 94
Клемма 15 перемычки к предохранителю F152 (место 10) и F399 (место 11)
Клемма 15 AS-Tronic
Клемма 15 обогрева/регулировки сиденья
Клемма 15 подготовки управления полуприцепом
Клемма 15 грузовой платформы
Штырь 95
Центральный бортовой компьютер - масса от двигателя
Центральный бортовой компьютер - масса различных потребителей (Х1830)
Масса центрального бортового компьютера к центральному бортовому компьютеру
Масса центрального бортового компьютера к центральному бортовому компьютеру
Штырь 96
Пока не используется
Внутренняя коммутация центрального распределительного устройства

ZE = Штекер центрального распределительного устройства/центрального бортового компьютера
- 1 Стояночный свет тягача справа
- 11 Соединение с ЦРУ 12
- 2 Стояночный свет прицепа слева
- 12 Соединение с ЦРУ 11
- 3 Стояночный свет прицепа справа
- 13 Клемма 30 через основной выключатель
- 4 Реле стояночного света аккумулятора
- 5 Стартер - клемма 50
- 14 Подача напряжения стояночного света слева
- 6 Реле импульса стеклоочистителя
- 15 Соединение с ЦРУ 16
- 7 Стояночный свет тягача слева
- 16 Соединение с ЦРУ 1 5
- 8 Реле электрофакельного устройства
- 17 Клемма 15
- 9 Клемма 30 через основной выключатель
- 18 Клемма 30 без коммутации
- аккумулятора
- 19 Вход электрофакельного устройства
- 10 Подача напряжения стояночного света справа
- 20 Выход электрофакельного устройства
Системная структура К-лроводов
Все блоки управления, которые могут контролироваться через диагностическую систему MAN-cats,
соединены через К-провод с диагностической розеткой Х200 контакт ... . Через К-провод диагностическая система возбуждает определенный блок управления. Данный блок управления отвечает и переносит сохраненные в регистраторе неисправностей сбои через К-провод в цифровом формате.

- АСС Система 1емпомат с автоматическим поддержанием безопасной дистанции
- HZG Управление отоплением
- KLIMA Кондиционер
- AIRBAG Блок управления подушки безопасности
- KSM Спецмодуль заказчика
- DPF/GDK Регулирование ОГ
- RET Управление тормозом-
- EBS Электронная тормозная система замедлителем/встроенным
- ЕСАМ Электронная пневматическая система тормозом-замедлителем
- ECAS/EFR Электронная пневматическая подвеска
- ТМ Дверной модуль со стороны
- EDC Электронная система управления впрыском водителя дизельного топлива
- ТМ1 Дверной модуль со стороны
- FFR Управляющий процессор автомобиля пассажира
- FSS Сиденье водителя - блок управления
- ZBR II Центральный бортовой компьютер
- GET Управление коробкой передач Х200 Диагностическая розетка