Система пневматической подвески DAF XF105

Клапаны ограничения давления
Остаточное давление, подъемные пневмобаллоны 1,8 бар
Остаточное давление, пневмобаллоны ведущей задней оси 0,5 бар
Реле, таймер опускания ведущей оси ECAS (G424)
Минимальная продолжительность импульса переключения 20 сек.
Реле, регулирование тягового усилия, 60-секундное стравливание. (G095)
Время задержки включения после импульса переключения 60 сек.
Система
Максимально допустимое давление в системе 200 бар
Разгрузочный клапан
Заданное максимальное давление 180 бар
Переключатель, подъемное устройство, концевой выключатель (E524)
Давление отключения 160 бар
Цилиндр подъема
Давление проверки 220 бар
ЭБУ, подъемное устройство (D503)
Время задержки включения после импульса переключения на соединении S1 2,5 мин.
Пневматическая подвеска ведущей задней оси
Общая информация
Во всех случаях, когда ведущая задняя ось устанавливается в сочетании со сдвоенной осью с листовыми рессорами, для управления пневматической подвеской ведущей задней оси используется отдельная система.
Автомобиль не оснащается системой ECAS для осуществления этого управления.
Управление данного типа включает функции регулирования тягового усилия и защиты нагрузки на ось,
точно так же как, например, на автомобилях FTG.
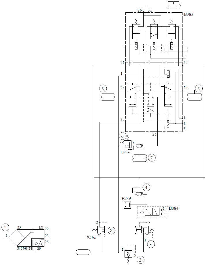
Схема соединений

1. Блок подачи воздуха
2. Клапан ограничения давления
3. Клапан измерения нагрузки
4. Клапан быстрого оттормаживания
5. Баллоны
6. Редукционный клапан
7. Подъемные пневмобаллоны
8. Редукционный клапан
Принцип действия пневматической подвески ведущей задней оси
Воздух поступает с блока подачи воздуха (1) (отверстие 26) на клапан ограничения давления (2). Клапан ограничения давления (2) ограничивает давление на клапане измерения нагрузки (3) до 5,5 бар.
Клапан измерения нагрузки (3), соединяющийся со сдвоенной осью при помощи стержня, реагирует на
каждое изменение расстояния между сдвоенной осью и шасси.
Когда нагрузка на сдвоенные оси повышается, давление в пневмобаллонах ведущей задней оси
увеличивается через клапан измерения нагрузки (3).
При понижении нагрузки на сдвоенные оси воздух из пневмобаллонов (5) стравливается через клапан быстрого оттормаживания (4), который понижает давление в пневмобаллонах, потому что давление воздуха в служебном трубопроводе клапана быстрого оттормаживания (4) выше, чем давление клапана измерения нагрузки (3).
При увеличении нагрузки на заднюю ведущую ось, например, в результате переезда "лежачего полицейского", давление в пневмобаллонах и, соответственно, давление в служебном трубопроводе клапана быстрого оттормаживания (4) становится выше, чем давление клапана измерения нагрузки (3). В результате этого клапан быстрого оттормаживания (4) сбрасывает воздух, тем самым снижая нагрузку
на ось.
Подъемное устройство
Принцип работы подъемного устройства

Поднимание ведущей задней оси
Когда переключатель (C881) переведен в положение поднимания ведущей задней оси, электрический
сигнал подается на соединение 3 клапана ECAS, ведущая задняя ось FAK/FTM (B383), и клапаны в этом
блоке изменяют положение.
В результате давление подачи направляется на подъемные пневмобаллоны (7) через этот блок клапанов, и редукционный клапан (8) одновременно стравливает воздух из пневмобаллонов (5) до
остаточного давления 0,5 бар. ведущая задняя ось поднимается.

Опускание ведущей задней оси
Когда переключатель (C881) переведен в положение опускания ведущей задней оси, электрический
сигнал подается на точку подключения 1 клапана ECAS, ведущая задняя ось FAK/FTM (B383), и
клапаны в этом блоке изменяют положение.
Давление в пневмобаллонах (5) нагнетается до уровня, зависящего от нагрузки на ось. Давление в
подъемных пневмобаллонах (7) может выйти через двухходовой клапан и клапан ECAS, ведущая
задняя ось FAK/FTM (B383), через редукционный клапан (8). При давлении 1,8 бар в подъемных
пневмобаллонах (7) закрывается возврат через двухходовой клапан и редукционный клапан (6),
настроенный на давление 1,8 бар. Таким образом, в подъемных пневмобаллонах (7) всегда
поддерживается остаточное давление 1,8 бар.

Защита нагрузки на ось
Принцип действия защиты нагрузки на ось

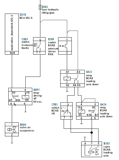
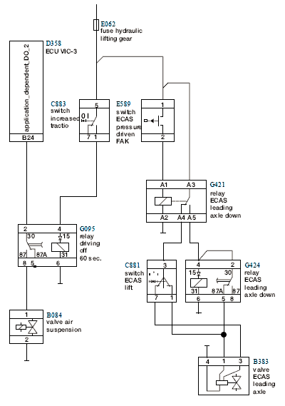
Для защиты сдвоенной оси от перегрузки при поднятой задней ведущей оси предусмотрен
предохранительный механизм. Реле давления ECAS ведомой оси (E589), управляемое давлением с клапана измерения нагрузки, контролирует нагрузку на ось.
При давлении 5,0 бар на выходе клапана измерения давления реле давления (E589) замыкается. Реле
ECAS опускания ведущей оси (G421) было включено, и реле с таймером ECAS опускания ведущей оси (G424) приведено в действие; реле G424 остается в замкнутом состоянии в течение 20 секунд, таким образом, на точку подключения 1 клапана ECAS (B383) подается сигнал. Из-за этого изменяется положение внутренних клапанов. Стравливание воздуха из пневмобаллонов прекращается,
начинается нагнетание воздуха.
Воздух из подъемных пневмобаллонов стравливается через редукционный клапан. В результате ведущая задняя ось опускается.
Ведущая задняя ось принимает на себя часть нагрузки, тем самым уменьшая нагрузку на сдвоенные оси.
Регулирование тягового усилия
Принцип действия механизма регулирования тягового усилия

Функция регулирования тягового усилия может пригодиться для выезда со скользкого грунта или из грязи.
Давление в пневмобаллонах ведущей задней оси будет понижено, вследствие чего повышается нагрузка
на сдвоенные оси. Регулирование тягового усилия включается переключателем повышения тягового
усилия (C883). При нажатии данного переключателя на стоящем автомобиле или при скорости ниже 30
км/ч включается выпускной клапан пневматической подвески (B084). Из пневмобаллонов ведущей задней оси стравливается воздух. Эта функция выключается через 60 секунд с помощью реле выпуска воздуха регулятора тягового усилия (G095) или ЭБУ VIC-3 (D358).
При скорости автомобиля выше 30 км/ч ЭБУ VIC-3 (D358) отключает точку подключения B24 и, тем самым, соединение 2 реле регулирования тягового усилия. В результате автомобиль возвращается в прежнее состояние.
Функцию можно включить повторно, нажав на переключатель повышения тягового усилия (C833) еще раз.
Реле, регулятор тягового усилия, выпуск воздуха (G095)
Принцип действия

Реле выпуска воздуха регулятора тягового усилия использует реле с таймером.
Когда на соединение 4 реле реле выпуска воздуха регулятора тягового усилия (G095) подается напряжение через переключатель увеличения тягового усилия (C883), это реле включается на 60 секунд.
В результате питание подаваемое на ЭБУ VIC-3 (D358), соединение B24, переключается на клапан выпуска воздуха пневматической подвески (B084).
Соединение B24 ЭБУ VIC-3 (D358) отключается при скорости выше 30 км/ч. Таким образом, при скорости выше 30 км/ч включить функцию регулирования тягового усилия невозможно.
Это реле установлено в центральном блоке в кабине.
Реле, таймер опускания ведущей оси ECAS (G424)
Принцип действия

Как только на соединение 4 реле с таймером опускания ведущей оси ECAS (G424) подается напряжение с переключателя ведомой оси ECAS (E589) через реле опускания ведущей оси ECAS (G421), включается таймер реле.
Если на соединение 4 не менее 20 секунд подается напряжение, соединение 2 переключается на клапан ECAS, ведущая задняя ось FAK/FTM (B383), через соединение 5.
Напряжение, идущее через предохранитель (E062) теперь переключается на клапан ECAS, ведущая задняя ось FAK/FTM, (B383), заставляя этот клапан переключиться на нагнетание воздуха в
пневмобаллоны ведущей задней оси и стравливание воздуха из подъемных баллонов. ведущая задняя ось опускается, и, пока включен переключатель ведомой оси ECAS (E589), реле опускания ведущей
оси ECAS (G421) остается под напряжением, а в результате переключатель подъемной оси ECAS (C881) отключается.
Пока нагрузка на ведомые оси и, соответственно, выходная мощность клапана измерения нагрузки остается слишком высокой, поднятие ведущей задней оси невозможно Это реле установлено в центральном блоке в кабине.
Клапан пневматической подвески, выпускной (B084)
Принцип действия

Выпускной клапан пневматической подвески (B084) является клапаном 3/2 с электрическим управлением, нормально открытый, поддерживается в исходном положении под действием пружины.
Когда этот клапан включается, прерывается подача воздуха в пневмобаллоны ведущей задней оси и воздух из соединений 21 и 22 клапана ECAS ведущей задней оси FAK/FTM (B383) стравливается.
Этот клапан установлен на внутренней стороне против правого лонжерона рядом с ведущей задней оси.
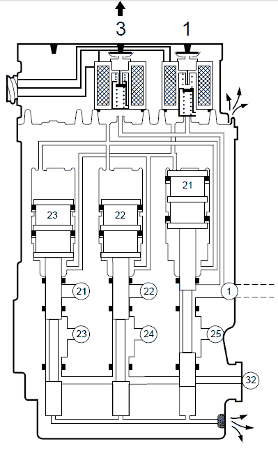
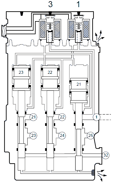
Клапан ECAS, ведущая задняя ось FAK/FTM (B383)
Принцип действия

Клапан ECAS ведущей задней оси FAK/FTM (B383) является узлом электропневматических клапанов,
которые открывают и закрывают соединения, ведущие к пневмобаллонам и подъемным пневмобаллонам. В зависимости от ситуации, электропневматические клапаны включаются переключателем пневматического подъема оси (C881) или реле с таймером опускания ведущей оси ECAS (G424).
Этот клапан установлен на внутренней стороне напротив правого лонжерона рядом с ведущей задней
осью.
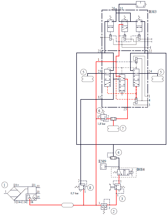
Подъем
Подача питания на электромагнит 3 в течение приблизительно 5 секунд перемещает 3/3-ходовые клапаны (22 и 23) в нижнее положение. В результате соединения 23 и 24 подключаются к соединению 32, что влечет стравливание воздуха из пневмобаллонов ведущей задней оси до заданного остаточного давления 0,5 бар.
Одновременно 3/3-ходовой клапан (21) перемещается в верхнее положение. В результате этого
соединение 25 подключается к соединению 1 резервуара, а в подъемные пневмобаллоны нагнетается воздух.

Опускание
Подача питания на электромагнит 1 в течение приблизительно 5 секунд перемещает 3/3-ходовые клапаны (22 и 23) в верхнее положение. В результате этого соединение 21 подключается к соединению 23, а соединение 22 подключается к соединению 24. Соединения 23 и 24 подключаются к линии подачи через двухходовой клапан, выпускной клапан пневматической подвески (B084) и клапан измерения нагрузки.
Одновременно 3/3-ходовой клапан (21) перемещается в нижнее положение. В результате этого
соединение 25 подключается к соединению 32, а воздух из подъемных пневмобаллонов стравливается до заданного остаточного давления 1,8 бар.

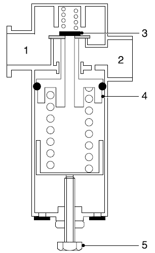
Клапаны ограничения давления
Принцип действия
Во избежание сгибания пневмобаллонов при стравливании воздуха в них поддерживается остаточное давление при помощи клапана ограничения давления.
Поскольку диаметр подъемных пневмобаллонов меньше диаметра пневмобаллонов ведущей задней оси,
остаточное давление подъемных пневмобаллонов (1,8 бар) выше, чем остаточное давление пневмобаллонов ведущей задней оси (0,5 бар).
Клапаны крепятся к опоре поперечной балки рядом с ведущей задней осью.
Остаточное давление 0,5 бар Если давление в соединении 2 все еще не составляет 0,5 бар, поршень 4
занимает нижнее положение, соединяя 1 с 2. Если давление повышается до 0,5 бар, то поршень 4
движется вверх, преодолевая давление пружины, и уплотнительное кольцо 3 перекрывает проход. Если
давление в соединении 2 превышает 0,5 бар, то поршень 4 поднимается еще выше, подключая соединение 2 к выпускному отверстию.

Остаточное давление 1,8 бар
Если давление в соединении 2 все еще не составляет 1,8 бар, пружина толкает поршень 4 вверх и соединяет 1 с 2. Соединение между соединениями 1 и 2 закрывается, как только в соединении 2 достигается давление 1,8 бар. Если давление в соединении 2 превышает 1,8 бар, то поршень 4 опускается еще ниже, преодолевая сопротивление пружины и подключая соединение 2 к выпускному отверстию.

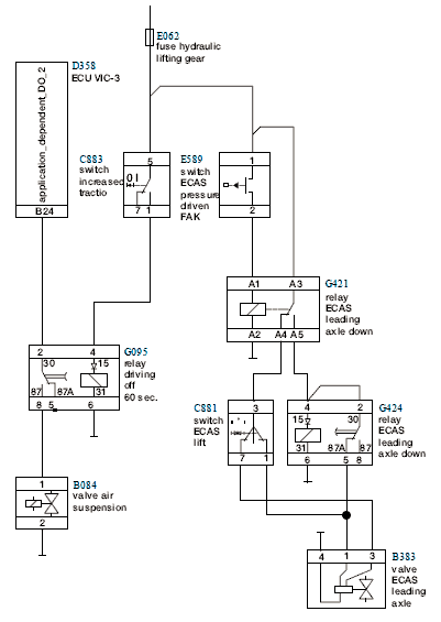
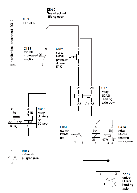
Блок-схема
Блок-схема C900709 относится к:
XF105

- E062 Предохранитель, гидравлическое подъемное устройство
- D358 ЭБУ, VIC-3
- E589 Переключатель, ECAS, ведущая ось
- C883 Переключатель, повышенное тяговое усилие
- G421 Реле, ECAS, ведущий мост опущен
- G095 Реле, регулятор тягового усилия, выпуск воздуха
- C881 Переключатель, ECAS, подъемная ось
- G424 Реле, таймер, ECAS, ведущий мост опущен
- B084 Клапан, пневматическая подвеска, выпуск воздуха
- B383 Клапан, ECAS, ведущий мост