См. также:
Климатический контроль XF 105 DAF

Обогреватель установлен в центральной консоли как единый блок.
В этом блоке установлены все регулирующие клапаны, рукоятки управления и переключатели, необходимые для вентиляции и обогрева.
Органы управления обогревателем представляют собой поворотные регуляторы и переключатели. Поворотные регуляторы и переключатели установлены на панели аудиосистемы.
Версия управления климатом в кабине является:
- версией обогревателя с рециркуляцией и контролем температуры с ручным управлением
- версией обогревателя с рециркуляцией и контролем температуры с ручным управлением, а также системой кондиционирования воздуха
- версией обогревателя с рециркуляцией и автоматическим контролем температуры, который осуществляет система ATC с системой кондиционирования воздуха
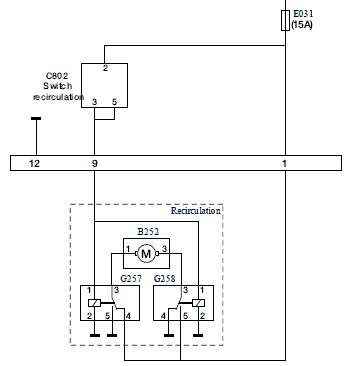
Клапан рециркуляции (B252)
Клапан рециркуляции Клапан рециркуляции приводится в действие с помощью электродвигателя и переключателя рециркуляции на приборной панели.
При каждом включении клапана подача наружного воздуха в значительной мере прекращается, и
обогреватель распространяет воздух в кабине через боковые отверстия в камере (A). Данные боковые
отверстия открываются или закрываются с помощью клапанов и используются одновременно с
клапаном рециркуляции.


Если C802 включен, на точку подключения 1 реле G257 и G258 подается напряжение. Питание на
данные реле подается для того, чтобы установить соединение между контактами 3 и 5. В результате
напряжение подается в точку подключения 3 B252 и на контакты 5 и 3 реле G258. Другая точка
подключения 1 соединяется с "массой" через контакты 3 и 5 реле G257. Теперь клапан рециркуляции,
включенный с помощью B252, закрывается.
Если C802 снова включить, подача напряжения на точку подключения 1 реле G257 и G258 прекращается. В результате питание больше не подается на данные реле, и между контактами 3 и 4 реле G258 устанавливается соединение. В результате точка подключения 3 B252 соединяется с "массой". Напряжение подается на другую точку подключения 1 через контакты 3 и 4 реле G257. Теперь клапан
рециркуляции, включенный с помощью B252, снова открывается.

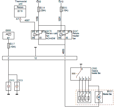
Вентилятор обогревателя (B015)

Если зажигание включено, питание подается на точку подключения 1 вентилятора обогревателя (B015)
через предохранитель вентилятора обогревателя (E031) и реле (G247). В зависимости от положения
переключателя вентилятора обогревателя (C882) вентилятор начинает работать. Пять возможных
положений поворотного регулятора:

Положение 0
Вентилятор обогревателя (B015) отключен.
Положение 1
Соединение между контактами 2 и 6 переключатель вентилятора обогревателя (C882). Напряжение распределяется по 3 резисторам и термовыключателю через точку подключения 2 вентилятора
обогревателя. Соединение с "массой" в переключателе вентилятора обогревателя (C882) устанавливается через точку подключения 6.
Вентилятор обогревателя (B015) работает с самой низкой скоростью.
Положение 2
Соединение между контактами 4 и 6 переключатель вентилятора обогревателя (C882). Напряжение
распределяется по 2 резисторам и термовыключателю через точку подключения 2 вентилятора
обогревателя (В015). Соединение с "массой" в переключателе вентилятора обогревателя (C882)
устанавливается через точку подключения 6. Вентилятор обогревателя (B015) работает немного быстрее.
Положение 3
Соединение между контактами 3 и 6 переключатель вентилятора обогревателя (C882). Напряжение
распределяется по 1 резистору и термовыключателю через точку подключения 2 вентилятора
обогревателя. Соединение с "массой" в переключателе вентилятора обогревателя (C882) устанавливается через точку подключения 6.
Вентилятор работает с самой высокой предпоследней скоростью.
Положение 4
Соединение между контактами 1 и 6 переключатель вентилятора обогревателя (C882). Напряжение
подается непосредственно на переключатель вентилятора обогревателя через точку подключения 2 вентилятора обогревателя (B015). Соединение с "массой" в переключателе вентилятора обогревателя (C882) устанавливается через точку подключения 6. Вентилятор обогревателя (B015) работает с самой
высокой скоростью.
Термовыключатель
Термовыключатель (соединение 4 блока резисторов в вентиляторе обогревателя) защищает резисторы
от перегрузки. Если температура поднимается выше определенного значения, термовыключатель
прекращает подачу тока через резисторы. В данном случае вентилятор обогревателя работает
только в положении 4. Для решения данной проблемы необходимо заменить термовыключатель.
Освещение
Управление обогревателем осуществляется с помощью ламп (C052) и (C053). Когда подсветка
переключателей включается с помощью реле (G000), напряжение одновременно подается на
освещение управлением обогревателем через предохранитель (E117).
Блок-схема
XF105, ≤ 200740
Схема K102052 относится к:
XF105, неделя спецификации не позднее 40 недели 2007 г.

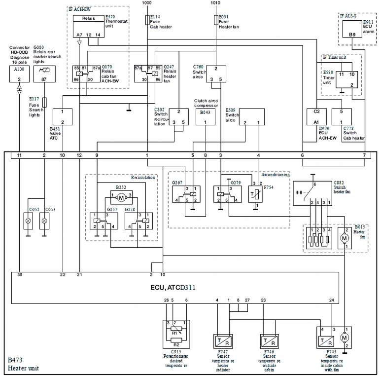
- A100 Разъем, диагностика HD-OBD (16-контактный)
- B015 Вентилятор обогревателя
- B043 Компрессор кондиционера
- B451 Клапан, ATC
- B473 Обогреватель
- B252 Клапан рециркуляции
- C052 Лампа панели управления обогревателя, левая
- C053 Лампа панели управления обогревателя, правая
- C760 Переключатель, кондиционирование воздуха
- C802 Переключатель, рециркуляция
- C882 Переключатель вентилятора обогревателя
- C915 Потенциометр требуемой температуры
- D311 ECU ATC
- E117 Предохранитель, прожектор
- E509 Датчик давления системы кондиционирования воздуха
- F745 Датчик температуры в кабине с датчиком вентилятора
- F746 Датчик наружной температуры кабины
- F747 Датчик радиатора, температура обогревателя
- F754 Датчик температуры системы кондиционирования воздуха
- G000 Реле, габаритные огни
- G257 Реле рециркуляции
- G258 Реле рециркуляции
- G267 Реле системы кондиционирования воздуха
- G279 Реле системы кондиционирования воздуха
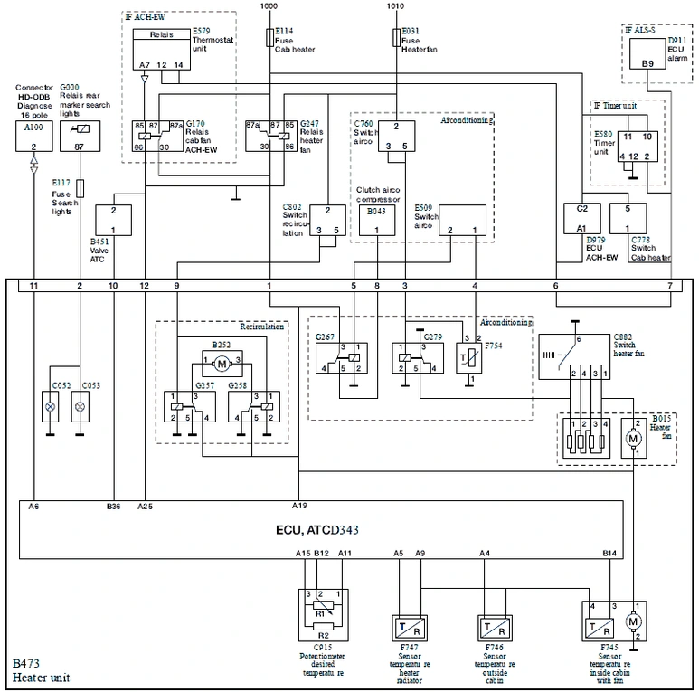
XF105, ≥ 200741
Схема относится к K102570 XF105, неделя спецификации не ранее 41 недели 2007 г.

- A100 Разъем, диагностика HD-OBD (16-контактный)
- B015 Вентилятор обогревателя
- B043 Компрессор кондиционера
- B451 Клапан, ATC
- B473 Обогреватель
- B252 Клапан рециркуляции
- C052 Лампа панели управления обогревателя, левая
- C053 Лампа панели управления обогревателя, правая
- C760 Переключатель, кондиционирование воздуха
- C802 Переключатель, рециркуляция
- C882 Переключатель вентилятора обогревателя
- C915 Потенциометр требуемой температуры
- D343 ECU ATC
- E117 Предохранитель, прожектор
- E509 Датчик давления системы кондиционирования воздуха
- F745 Датчик температуры в кабине с датчиком вентилятора
- F746 Датчик наружной температуры кабины
- F747 Датчик радиатора, температура обогревателя
- F754 Датчик температуры системы кондиционирования воздуха
- G000 Реле, габаритные огни
- G257 Реле рециркуляции
- G258 Реле рециркуляции
- G267 Реле системы кондиционирования воздуха
- G279 Реле системы кондиционирования воздуха
Информация о расположении, обогреватель, система кондиционирования воздуха и ATC (Автоматический контроль температуры)
XF105, XF105_BRA

Описание системы кондиционирования воздуха с хладагентом R134A приводится в данном описании системы.
Различные компоненты системы кондиционирования воздуха, такие как компрессор, осушитель, расширительный клапан и шланги, специально разработаны для хладагента R134A.
Работа системы кондиционирования воздуха, контур хладагента

- A: Высокое давление, жидкость
- B: Высокое давление, газ
- C: Низкое давление, жидкость
- D: Низкое давление, газ
Система кондиционирования воздуха является закрытой системой, которая заправляется хладагентом R134A. Система состоит из части высокого давления и части низкого давления.
Часть высокого давления начинается от компрессора (1), проходит через конденсатор (2) и осушитель (3) в расширительный клапан (4). Часть низкого давления начинается от расширительного клапана (4), проходит через испаритель (5) в компрессор (1). Компрессор (1) забирает парообразный хладагент с низким давлением. Компрессор (1) сжимает хладагент. В результате давление и температура хладагента растут. Однако хладагент остается в газообразном состоянии.
Затем газообразный хладагент с высоким давлением и высокой температурой поступает в конденсатор (2). В конденсаторе (2) хладагент с высокой температурой выделяет тепло в относительно прохладный окружающий воздух (конденсатор в режиме потока воздуха).
Поскольку тепло теряется, хладагент превращается в жидкость. Хладагент в жидком состоянии поступает из конденсатора (2) в осушитель (3), где из него удаляются вода и загрязнения.
Жидкий хладагент поступает в расширительный клапан (4) через осушитель (3).
Расширительный клапан (4) - это регулирующий клапан. Хладагент расширяется в клапане, а затем поступает в испаритель (5) в виде хладагента с низким давлением и низкой температурой. Забирая тепло из воздуха, проходящего через испаритель, хладагент испаряется, а затем снова поступает в компрессор. Весь цикл повторяется.
Температуру в испарителе измеряет чувствительный элемент (7). Реле температуры выключается, когда температура в испарителе падает до определенного значения.
Электрическая цепь прерывается, и в результате компрессор выключается. Реле температуры снова включается, когда температура в испарителе поднимается до определенного значения.
Рабочий клапан со стороны низкого давления (9) расположен между компрессором и расширительным клапаном.
Рабочий клапан со стороны высокого давления (10) расположен после осушителя (3).
Работа системы кондиционирования воздуха, электрическая часть
XF105
Если переключатель системы кондиционирования воздуха (C760) включен, и зажигание автомобиля включено, на реле системы кондиционирования воздуха (G279) подается напряжение, за счет чего
включается положение 1 вентилятора обогревателя.
Переключатель системы кондиционирования воздуха (C760) также подает напряжение на датчик (F754), который, если температура не слишком низкая, подает напряжение на переключатель
(E509). В результате реле системы кондиционирования воздуха (G267) включает компрессор
кондиционера (B043).
Датчик (F754) является датчиком температуры, который прерывает электрическую цепь при слишком
большом снижении температуры в испарителе.
Переключатель (E509) является реле давления, которое размыкается, если давление в системе становится слишком высоким или слишком низким.
Вытеснение воздуха в наибольшем объеме происходит на высокой скорости вентилятора обогревателя.
На низкой скорости вентилятора воздух дольше контактирует с поверхностью испарителя, и
производится больше тепла.
Поэтому самый холодный воздух получается при самой низкой скорости вентилятора обогревателя.

Компрессор (B043)
Компрессор представляет собой насос, который увеличивает давление хладагента. Когда давление
увеличивается, как следствие, увеличивается температура.
Газообразный хладагент с высокой температурой конденсируется в конденсаторе в результате выделения тепла в окружающий воздух. В результате газообразный хладагент превращается в жидкость.
Компрессор включается и выключается с помощью электромагнитной муфты. Данная муфта состоит из обмотки (1) и фрикционного диска (2). При подаче питания на обмотку, вокруг нее образуется магнитное поле. В результате фрикционный диск (2) притягивается к шкиву (3), за счет чего приводится в действие компрессор.
В компрессоре два соединения.
Соединение для впускного трубопровода, идущего от испарителя, имеет больший диаметр.
На трубопроводе имеется надпись "ВСАСЫВАНИЕ" или буква "S".
Соединение для нагнетательного трубопровода, ведущего к конденсатору, имеет меньший диаметр. На трубопроводе имеется надпись "НАГНЕТАНИЕ" или буква "D".

Конденсатор
Конденсатор состоит из нескольких трубопроводов, окруженных ребрами для облегчения выделения тепла.
На конденсаторе имеется два соединения, также как и на компрессоре. Это соединение трубопровода для компрессора и соединение трубопровода для осушителя.
В конденсаторе газообразный хладагент превращается в жидкий.
Конденсатор находится в передней части радиатора и использует поток воздуха.

Осушитель
Осушитель поглощает всю влагу, проникающую в систему, а также фильтрует и хранит хладагент перед его поступлением на расширительный клапан.
Влагопоглощающий материал (2), через который процеживается хладагент перед выходным
отверстием, находится в нижней части осушителя.
Хладагент, поступающий в осушитель, в основном находится в жидком состоянии.
Во избежание прохождения газообразного хладагента через осушитель и поступления его на
расширительный клапан он сбрасывается через трубопровод (1) в нижней части резервуара. Пока в
системе достаточно хладагента, газ не может попасть в расширительный клапан.
Стрелка на осушителе указывает направление движения хладагента.
Осушитель может оснащаться предохранительным клапаном.
Предохранительный клапан открывается при давлении 36 бар, обеспечивая выход хладагента в
наружный воздух.


Расширительный клапан
Расширительный клапан управляет количеством хладагента, поступающего в испаритель.
Он управляет количеством хладагента, открывая и закрывая регулирующий клапан (1) в зависимости от температуры и давления хладагента в испарителе.
В верхней части расширительного клапана имеется диафрагма (2).
Пространство над диафрагмой, соединенное с капиллярной трубкой (3), полностью закрыто и заполнено специальным газом.
Нажимной штифт (4) соединяет нижнюю часть диафрагмы с регулирующим клапаном (1). Пружина
(5) в нижней части регулирующего клапана выталкивает регулирующий клапан вверх в направлении
дросселя (6).
Хладагент может расшириться через дроссель. Поступая из испарителя, парообразный хладагент проходит через входное отверстие (A) и выходное отверстие (B) расширительного клапана в
компрессор, поэтому давление испарителя ниже диафрагмы (2).
Жидкий хладагент, поступающий из осушителя, проходит во впускное отверстие (C) расширительного
клапана. Выходное отверстие (D) расширительного клапана соединено с впускным отверстием испарителя.
Если система кондиционирования воздуха включена, жидкий хладагент, поступающий из осушителя, проходит в расширительный клапан. Жидкий хладагент под высоким давлением проходит через дроссель (6), затем расширяется и превращается в жидкий хладагент низкого давления.
Хладагент, который все еще находится в жидком состоянии, но под низким давлением, проходит в
испаритель, поглощает тепло и в результате испаряется. В то же время жидкий хладагент продолжает непрерывно поступать. Газообразный хладагент, температура которого все еще такая же низкая как у жидкого хладагента низкого давления (температура газообразного хладагента поднимается, только когда испаряется весь жидкий хладагент), забирается компрессором.
Низкая температура газообразного хладагента приводит к падению температуры в сливном трубопроводе испарителя, который ведет назад к расширительному клапану. В результате давление газа в капиллярной трубке (3) падает, и, следовательно, падает давление над диафрагмой расширительного клапана (2). Пружина (5) под регулирующим клапаном (1) может вытолкнуть регулирующий клапан вверх к дросселю (6), перекрыв поток хладагента.
Жидкий хладагент в испарителе теперь может полностью испариться.
Когда испарится весь хладагент, температура газообразного хладагента поднимается. В результате
давление в капиллярной трубке (3) растет, и, следовательно, растет давление над диафрагмой (2).
Диафрагма опускается вниз, и регулирующий клапан (1) снова открывает дроссель (6) с помощью
нажимного штифта (4), чтобы жидкий хладагент снова мог поступать в испаритель.
За счет открытия и закрытия регулирующего клапана (1) контролируется количество хладагента, поступающего в испаритель.
На практике расширительный клапан ищет идеальное положение, которое меняется только при (значительном) изменении тепловой нагрузки или изменении частоты оборотов двигателя.
Для продолжительного срока службы компрессора важно, чтобы клапан работал правильно. Если
расширительный клапан впрыскивает больше хладагента, чем может испарить испаритель, существует риск повреждения компрессора.

Испаритель
Хладагент поступает в испаритель в жидком состоянии и превращается в газ. Тепло, необходимое для
процесса испарения, поглощается из потока воздуха. Конденсат образуется, когда поток воздуха
охлаждается. Данный конденсат оседает в испарителе, после чего выходит по шлангу (для правильной
работы шланг должен опускаться).
Получение конденсата из потока воздуха означает, что воздух не только охлаждается, но и осушается.
Осушенный воздух также можно использовать, если в кабине влажно (ветровое стекло запотело).
Охлажденный и осушенный воздух можно снова нагреть с помощью радиатора обогревателя.

Датчик температуры (F754)
Датчик температуры установлен для предотвращения замерзания конденсата в испарителе (образование льда).
Датчик температуры оснащен чувствительным элементом. Данный элемент вставляется в элемент
испарителя (между ребер).
Датчик температуры прерывает электрическую цепь, когда температура в испарителе падает до
определенного значения. Компрессор выключен.
Датчик температуры снова включает компрессор, когда температура в испарителе поднимается выше
определенного значения.

Реле давления (E509)
Реле давления установлено в части высокого давления системы. Реле защищает систему от слишком
низкого или слишком высокого давления в части высокого давления.
У реле давления две функции. Если давление в части высокого давления падает ниже определенного
значения, выключатель прерывает электрическую цепь. Если давление в части высокого давления слишком низкое, как правило, это является следствием утечки хладагента из системы.
Поскольку хладагент также обеспечивает циркуляцию масла, электрическую цепь необходимо
прервать, чтобы избежать проблем со смазкой компрессора.
Если давление в части высокого давления слишком высокое, например, из-за внешнего загрязнения конденсатора, электрическая цепь также прерывается для предотвращения повреждения системы.

Блок-схема
XF105, ≤ 200740
Схема K102052 относится к:
XF105, неделя спецификации не позднее 40 недели 2007 г.

- A100 Разъем, диагностика HD-OBD (16-контактный)
- B015 Вентилятор обогревателя
- B043 Компрессор кондиционера
- B451 Клапан, ATC
- B473 Обогреватель
- B252 Клапан рециркуляции
- C052 Лампа панели управления обогревателя, левая
- C053 Лампа панели управления обогревателя, правая
- C760 Переключатель, кондиционирование воздуха
- C802 Переключатель, рециркуляция
- C882 Переключатель вентилятора обогревателя
- C915 Потенциометр требуемой температуры
- D311 ECU ATC
- E117 Предохранитель, прожектор
- E509 Датчик давления системы кондиционирования воздуха
- F745 Датчик температуры в кабине с датчиком вентилятора
- F746 Датчик наружной температуры кабины
- F747 Датчик радиатора, температура обогревателя
- F754 Датчик температуры системы кондиционирования воздуха
- G000 Реле, габаритные огни
- G257 Реле рециркуляции
- G258 Реле рециркуляции
- G267 Реле системы кондиционирования воздуха
- G279 Реле системы кондиционирования воздуха
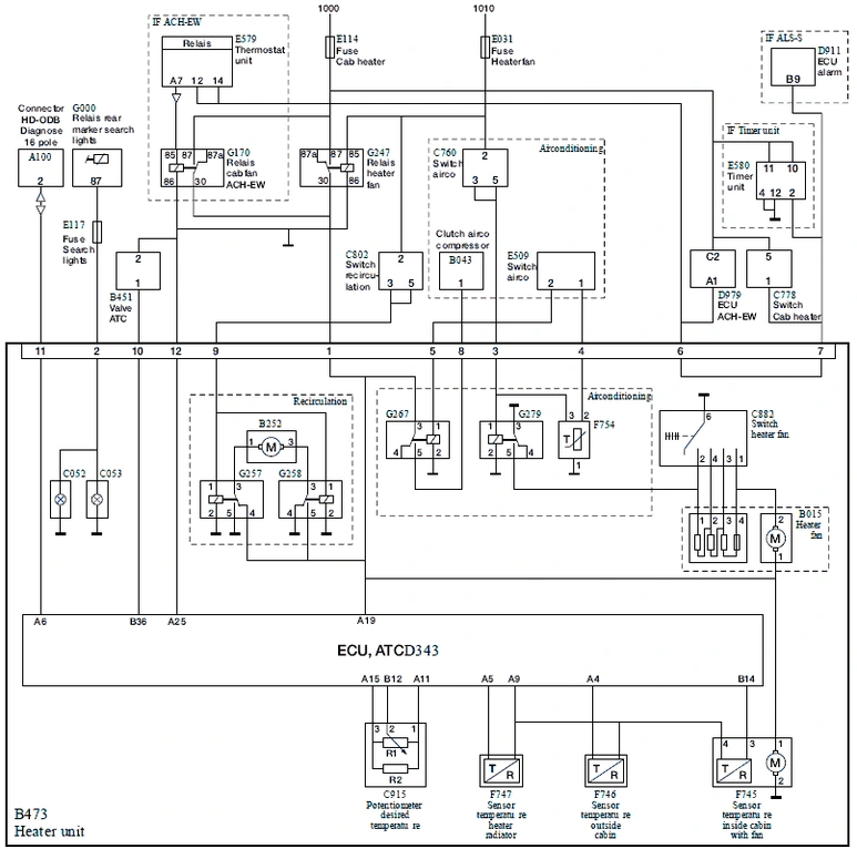
XF105, ≥ 200741
Схема относится к K102570 XF105, неделя спецификации не ранее 41 недели 2007 г.

- A100 Разъем, диагностика HD-OBD (16-контактный)
- B015 Вентилятор обогревателя
- B043 Компрессор кондиционера
- B451 Клапан, ATC
- B473 Обогреватель
- B252 Клапан рециркуляции
- C052 Лампа панели управления обогревателя, левая
- C053 Лампа панели управления обогревателя, правая
- C760 Переключатель, кондиционирование воздуха
- C802 Переключатель, рециркуляция
- C882 Переключатель вентилятора обогревателя
- C915 Потенциометр требуемой температуры
- D343 ECU ATC
- E117 Предохранитель, прожектор
- E509 Датчик давления системы кондиционирования воздуха
- F745 Датчик температуры в кабине с датчиком вентилятора
- F746 Датчик наружной температуры кабины
- F747 Датчик радиатора, температура обогревателя
- F754 Датчик температуры системы кондиционирования воздуха
- G000 Реле, габаритные огни
- G257 Реле рециркуляции
- G258 Реле рециркуляции
- G267 Реле системы кондиционирования воздуха
- G279 Реле системы кондиционирования воздуха
Информация о расположении, обогреватель, система кондиционирования воздуха и ATC (Автоматический контроль температуры)
XF105, XF105_BRA

Управление ATC, общие сведения

Температура в кабине регулируется системой ATC. Контролируя поток охлаждающей жидкости через радиатор обогревателя, можно регулировать степень нагрева воздуха, проходящего через радиатор обогревателя. Контроль осуществляется с помощью трех датчиков температуры.
Первый датчик (F746) расположен перед обогревателем и измеряет температуру воздуха снаружи. Эта температура соответствует температуре воздуха, поступающего в обогреватель.
Второй датчик (F745) устанавливается после радиатора обогревателя и измеряет температуру воздуха после прохождения через обогреватель.
Третий датчик температуры (F747) измеряет фактическую температуру в кабине.
Поворотный регулятор температуры (C915) передает ЭБУ значение температуры, заданное водителем. ЭБУ (D311/D343) рассчитывает значение температуры воздуха на входе в кабину, необходимое для достижения температуры в кабине, заданной с помощью поворотного регулятора. ЭБУ может контролировать температуру воздуха, нагреваемого обогревателем, с помощью клапана ATC (B451), который является клапаном обогревателя с электронным управлением.
Управление ATC, электронное, неделя спецификации не позднее 40 недели 2007 г.
CF75IV, CF85IV, XF105

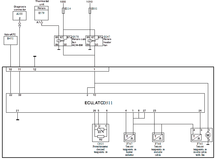
Если зажигание включено, срабатывает реле вентилятора обогревателя (G247). Т.е. на контакты 2 и 10 ЭБУ (D311) через контакт 1 разъема обогревателя подается питание. ЭБУ соединяется с "массой" на контакте 21 через контакт 12 разъема обогревателя.
Линия диагностики подключается к контакту 39 ЭБУ через контакт 11 разъема обогревателя.
Необходимая водителю температура в кабине задается с помощью регулятора потенциометра (C915). Данная температура контролируется тремя датчиками температуры (F745, F746 и F747). Степень нагрева воздуха радиатором обогревателя определяет температуру в кабине. Поток охлаждающей жидкости через радиатор обогревателя и следовательно температура радиатора обогревателя регулируется клапаном ATC (B451).
Сигнал от ЭБУ (D311) к клапану ATC идет по линии соединения с "массой", клапан подключен к контакту 22 ЭБУ (D311) через контакт 10 разъема обогревателя.
Скорость потока воздуха регулируется вручную с помощью регулятора частоты вращения вентилятора.
M.AIRCO
Система кондиционирования воздуха функционирует независимо от системы ATC и включается и выключается вручную. Если система кондиционирования включена и температура опускается ниже уровня, установленного поворотным регулятором температуры, система ATC открывает клапан ATC, чтобы установился необходимый уровень температуры.
CF85IV, XF105, ACH-EW
Если включается дополнительный обогреватель, питание подается на обогреватель через реле (G170). Это позволяет регулировать температуру в кабине и работу вентилятора обогревателя поворотными регуляторами при выключенном двигателе.
Управление ATC, электронное, неделя спецификации не ранее 41 недели 2007 г.
CF75IV, CF85IV, XF105

Если зажигание включено, срабатывает реле вентилятора обогревателя (G247).
Следовательно на ЭБУ (D343) подается питание через контакт 1 разъема A19 обогревателя.
Линия диагностики подключается к контакту A6 ЭБУ через контакт 11 разъема обогревателя.
Необходимая водителю температура в кабине задается с помощью регулятора потенциометра (C915). Данная температура контролируется тремя датчиками температуры (F745, F746 и F747). Степень нагрева воздуха радиатором обогревателя определяет температуру в кабине. Поток охлаждающей жидкости через радиатор обогревателя и следовательно температура радиатора обогревателя регулируется клапаном ATC (B451).
Сигнал от ЭБУ (D343) к клапану ATC идет по линии питания, клапан подключен к контакту 22 ЭБУ (D343) через контакт 10 разъема обогревателя.
Скорость потока воздуха регулируется вручную с помощью регулятора частоты вращения вентилятора.
M.AIRCO
Система кондиционирования воздуха функционирует независимо от системы ATC и включается и выключается вручную. Если система кондиционирования включена и температура опускается ниже уровня, установленного поворотным регулятором температуры, система ATC открывает клапан ATC, чтобы установился необходимый уровень температуры.
CF85IV, XF105, ACH-EW
Если включается дополнительный обогреватель, питание подается на обогреватель через реле (G170). Это позволяет регулировать температуру в кабине и работу вентилятора обогревателя поворотными регуляторами при выключенном двигателе.
Потенциометр выбора температуры (C915)
XF105, XF105_BRA

Требуемую температуру в кабине можно настроить с помощью поворотного регулятора температуры воздуха. Поворотный регулятор состоит из регулируемого резистора, который изменяет свое значение сопротивления в каждом положении регулятора. За счет этого электронный блок может определить температуру в кабине, необходимую водителю.
Датчик температуры наружного воздуха (F746)

Датчик температуры наружного воздуха используется для измерения температуры воздуха, поступающего в радиатор обогревателя. Датчик температуры наружного воздуха представляет собой датчик NTC (с отрицательным температурным коэффициентом) (при повышении температуры, сопротивление понижается).
Воздействие датчика температуры наружного воздуха на систему
Измеренная температура наружного воздуха влияет на работу клапана электрообогревателя. Электронный блок может подготовить радиатор обогревателя для быстрого подъема или опускания температуры наружного воздуха, поддерживая требуемую температуру в кабине на том же уровне. Без датчика температуры наружного воздуха система выполняла бы регулировку радиатора обогревателя слишком поздно в случае сильного изменения температуры, и температура в кабине не поддерживалась бы на постоянном уровне.
Датчик температуры радиатора обогревателя (F747)
XF105, XF105_BRA

Датчик температуры радиатора обогревателя используется для измерения температуры обогревателя. Датчик температуры представляет собой датчик NTC (с отрицательным температурным коэффициентом) (при повышении температуры, сопротивление понижается).
Воздействие датчика температуры радиатора обогревателя на систему
На основании измеренной температуры обогревателя электронный блок получает информацию о нагреве воздуха, поступающего в кабину. По прошествии определенного времени данная температура останется неизменной как требуемая температура в кабине, настроенная с помощью поворотного регулятора.
Если температура в кабине ниже требуемой, воздух нагревается до требуемого значения температуры в
кабине.
Датчик температуры в кабине с вентилятором (F745)
XF105, XF105_BRA

Для измерения температуры в кабине используется датчик температуры внутри кабины.
Датчик температуры представляет собой датчик NTC (с отрицательным температурным коэффициентом) (при повышении температуры, сопротивление понижается). Чтобы получить правильные показания температуры в кабине, датчик температуры внутри кабины устанавливается с вентилятором. Данный вентилятор обеспечивает постоянное движение воздуха из кабины рядом с датчиком и предотвращает застой воздуха вокруг датчика. За счет этого обеспечивается точное измерение температуры воздуха.
Воздействие датчика температуры в кабине на систему
Измеренная температура в кабине влияет на работу регулирующего клапана. Данный датчик температуры измеряет температуру внутри кабины.
Электронный блок вычисляет разницу между воздухом в кабине и воздухом в обогревателе. В результате электронный блок получает значение, которое используется для управления температурой на выходе обогревателя для достижения требуемой температуры в кабине.
Клапан автоматического контроля температуры (ATC) (B451)
Клапан ATC - это клапан обогревателя с электронным управлением, клапан расположен на обратной линии водяного контура охлаждения радиатора обогревателя.
ЭБУ регулирует работу клапана ATC, что позволяет контролировать температуру в кабине. Количество
охлаждающей жидкости, поступающей в радиатор обогревателя, зависит от положения клапана ATC. ЭБУ получает информацию от датчика температуры в кабине и в зависимости от заданной температуры
задействует или не задействует клапан ATC.

Зажигание выключено, обогрев не требуется
Если зажигание выключено, ЭБУ не задействует клапан АTC. В этом случае блок двигателя (4) соединен с контуром радиатора (1) обогревателя, перепускной клапан (2) закрыт. Такая схема имеет два преимущества:
Возможность слива жидкости из всей системы охлаждения, включая радиатор обогревателя, в случае
необходимости.
Возможность обогрева внутреннее пространство кабины при выключенном зажигании, если установлен дополнительный водяной обогреватель кабины.

Зажигание включено, обогрев не требуется
Если зажигание включено и водителю не требуется обогрев, ЭБУ включает клапан ATC. В этом случае блок двигателя (4) соединен с перепускным клапаном (2), контур радиатора (1) обогревателя закрыт.
При включении клапана ATC поток жидкости перестает поступать к радиатору обогревателя, и
следовательно через каналы в кабину поступает более холодный воздух.

Зажигание включено, требуется обогрев
Если зажигание включено и водителю требуется обогрев, ЭБУ не задействует клапан ATC. В этом
случае блок двигателя (4) соединен с контуром радиатора (2) обогревателя.
При выключенном клапане ATC охлаждающая жидкость проходит через радиатор обогревателя. В
результате температура радиатора обогревателя повышается, и через каналы в кабину поступает более
горячий воздух.

Блок-схема
XF105, ≤ 200740
Схема K102052 относится к:
XF105, неделя спецификации не позднее 40 недели 2007 г.

- A100 Разъем, диагностика HD-OBD (16-контактный)
- B015 Вентилятор обогревателя
- B043 Компрессор кондиционера
- B451 Клапан, ATC
- B473 Обогреватель
- B252 Клапан рециркуляции
- C052 Лампа панели управления обогревателя, левая
- C053 Лампа панели управления обогревателя, правая
- C760 Переключатель, кондиционирование воздуха
- C802 Переключатель, рециркуляция
- C882 Переключатель вентилятора обогревателя
- C915 Потенциометр требуемой температуры
- D311 ECU ATC
- E117 Предохранитель, прожектор
- E509 Датчик давления системы кондиционирования воздуха
- F745 Датчик температуры в кабине с датчиком вентилятора
- F746 Датчик наружной температуры кабины
- F747 Датчик радиатора, температура обогревателя
- F754 Датчик температуры системы кондиционирования воздуха
- G000 Реле, габаритные огни
- G257 Реле рециркуляции
- G258 Реле рециркуляции
- G267 Реле системы кондиционирования воздуха
- G279 Реле системы кондиционирования воздуха
XF105, ≥ 200741
Схема относится к K102570 XF105, неделя спецификации не ранее 41 недели 2007 г.

- A100 Разъем, диагностика HD-OBD (16-контактный)
- B015 Вентилятор обогревателя
- B043 Компрессор кондиционера
- B451 Клапан, ATC
- B473 Обогреватель
- B252 Клапан рециркуляции
- C052 Лампа панели управления обогревателя, левая
- C053 Лампа панели управления обогревателя, правая
- C760 Переключатель, кондиционирование воздуха
- C802 Переключатель, рециркуляция
- C882 Переключатель вентилятора обогревателя
- C915 Потенциометр требуемой температуры
- D343 ECU ATC
- E117 Предохранитель, прожектор
- E509 Датчик давления системы кондиционирования воздуха
- F745 Датчик температуры в кабине с датчиком вентилятора
- F746 Датчик наружной температуры кабины
- F747 Датчик радиатора, температура обогревателя
- F754 Датчик температуры системы кондиционирования воздуха
- G000 Реле, габаритные огни
- G257 Реле рециркуляции
- G258 Реле рециркуляции
- G267 Реле системы кондиционирования воздуха
- G279 Реле системы кондиционирования воздуха
Информация о расположении, обогреватель, система кондиционирования воздуха и ATC (Автоматический контроль температуры)
XF105, XF105_BRA

Резистор вентилятора обогревателя
R1 4,2 Ом ± 10%
R2 1,4 Ом ± 10%
R3 2,2 Ом ± 10%
Настройка вентилятора обогревателя
Положение 1 R1+R2+R3
Положение 2 R2+R3
Положение 3 R3
Положение 4 отсутствие сопротивления
Датчик температуры (F754)
Отключение компрессора ≤ 5,5 °C
Включение компрессора ≥ 7 °C
Реле давления (E509)
Отключение компрессора приблизительно 1,2 бара и приблизительно 30 бар
Включение компрессора приблизительно 2,4 бара и приблизительно 23 бара
Компрессор (B043)
Зазор муфты компрессора мин. 0,4 мм
Зазор муфты макс. 0,8 мм
Электрические данные
Сопротивление обмотки 14 - 18,2 Ом при 20 °C
Минимальное рабочее напряжение 23 В

Источник электропитания и "масса" электронного блока
ATC (D311), неделя спецификации не позднее 40 недели 2007 г.

- 2 Электропитание после включения зажигания UбатВ пост. т.
Измерено относительно контакта 1
- 10 Электропитание после включения зажигания UбатВ пост. т.
Измерено относительно контакта 1
- 21 "Масса" <0,5 В пост. т.
Включено измерение потери напряжения при максимальном количестве потребителей.
Источник электропитания и "масса" электронного блока
ATC (D343), неделя спецификации не ранее 41 недели 2007 г.

- A19 Подача питания после включения зажигания Uбат В пост. т.
Измерено относительно контакта A25
- A25 "Масса" <0,5 В пост. т.
Включено измерение потери напряжения при максимальном количестве потребителей.
- A9 "Масса" <0,5 В пост. т.
Включено измерение потери напряжения при максимальном количестве потребителей.