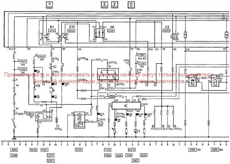
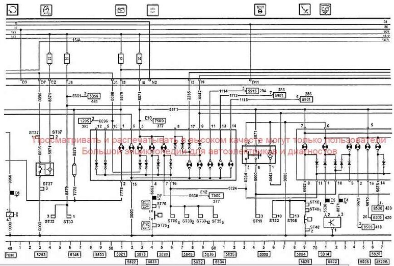
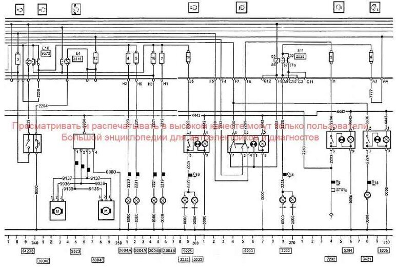
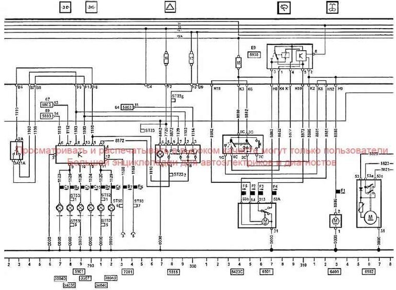
Электросхемы EuroStar Cursor
Обозначения на принципиальной электрической схеме:
0302 Генератор
08G0 Стартер
1204 Электромотор подъема стекла правый
1205 Холодильник
1216 Электромотор подъема стекла левый
1225 Электромотор коррекции угла наклона фар
!227 Электромотор откидывания кабины
1228 Электромотор открывания люка
2000 Аккумулятор
2200 Звуковой извещатель
2406 Датчик импульсов на педали акселератора для AVS
2501 Общее реле тока
2503 Группа электромагнитов для замедлителя Telma
2509 Реле управления гирофар
2510 Реле запуска (EI)
2517 Реле подогревателя VVebaslo
2521 Реле возбуждения общего токовего реле
2526 Реле устройства кондиционирования
2532A Реле включения очистителя прожектора
2550 Реле включения противотуманных огней
2553 Реле выключения фонарей ближнего света с фарами
2587 Реле запуска с коробкой скоростей в мертвой точке
2592 Реле запуска с земли (кабина разблокирована) и с места водителя (кабина заблокирована)
3002 Прожектор
3004A Код прожектора
3004В Фара прожектера
3004С Положение прожектора
3004D Передний фонарь поворота
3004Е Активатор корректора положения фар
3033 Дополнительный прожектор
3033 Противотуманный огонь
3222 Вращающийся фонарь
3301 Боковой указатель поворота
3403А Задний позиционный фонарь правый
3403В Задний противотуманный фонарь правый
3403С Задний указатель поворота правый
34C3D Задний правый стоп-сигнал
34C3E Задний фонарь заднего хода правый
3403F Задний фонарь таблички номерного знака
3421 Фонарь освещения скамейки
3500 Фонарь освещения номерного знака
36С0 Потолочный фонарь освещения кабины
3602 Потолочный фонарь освещения койки
3603 Потолочный фснарь освещения ступенек
3600 Лампа для чтения
3617 Внутренний направляемый фонарь
3701 Передний габаритный огонь
3702 Задний габаритный огснь
3907 Лампа освещения пепельницы
4002 Электронный тахометр
4013 Электронный тахограф
4С31 Излучатель импульсов для тахографа
4С40 Усилитель сигнала
4С42 Адаптер тахометра
4043 Понижающий трансформатор тока тахографа (ADR)
4202 Манометр давления масла
4205 Манометр давления воздуха
4232 Датчик для манометра давления масла двигателя
4401 Датчик уровня топлива
4501 Датчик датчика уровня топлива
4510 Индикатор управления уровня масла
4522 Индикатор управления уровня жидкости стеклоомывателя
4523 Индикатор управления уровня воды
4524 Индикатор управления уровня масла в системе управления
4703 Термометр измерения температуры воды
4704 Термометр измерения температуры масла в коробке скоростей
4710 Термометр измерения наружной температуры
4730 Выключатель термометра температуры воды
4730 Прерыватель высокой температуры воды
4733 Датчик термометра измерения температуры масла
4736 Датчик термометра измерения наружной температуры
4806 Электронная гирофара
4831 Датчик определения верхней мертвой точки
4833 Датчик числа оборотов на входе для AVS
4834 Датчик на маховом колесе двигателя
4835 Датчик на коленчатом валу
4В36 Датчик числа оборотов на выходе для AVS
4904 Вольтметр
5202 Контактный выключатель подогреваемых зеркал заднего вида
5202 Выключатель подогреваемых зеркал заднего вида
5203 Контактный выключатель противотуманных огней
5204 Выключатель противотуманного огня заднего
5205 Выключатель освещения скамейки
5210 Контактный выключатель подъема передней части автомобиля
5211 Контактный выключатель подъема задней части автомобиля
5212 Выключатель термостекла передний
5213 Выключатель гирофар
5218 Выключатель лампы для чтения
5226 Переключатель наружного освещения
5229 Переключатель внутреннего освещения
5232 Прерыватель низкого давления масла
5233 Выключатель затянутого ручного тормоза
5235 Выключатель тормоза двигателя на прицепе
5237 Аварийный выключатель в контурах пневматической подвески
5240 Выключатель фильтра набегающего воздуха
5249 Прерыватель низкого давления воздуха коробки скоростей
5250 Выключатель фонарей заднего хода
5253 Выключатель разблокированной кабины
5256 Выключатель стоп-сигналсв
5257 Выключатель внутреннего освещения
5258 Контактный выключатель противоугона с включенными скоростями
5259 Коммутатор сигнализации блокировки поперечного дифференциала, мост Rockwell
5260 Прерыватель блокировки продольного дифференциала
5261 Контактный выключатель на управлении сцеплением для коробки скоростей
5264 Выключатель включенных пониженных скоростей
527С Выключатель включенного отбора мощности
5277 Контактный выключатель противоугона с отпущенным ручным тормозом
5278 Контактный выключатель мертвой точки коробки скоростей
5280 Общий выключатель тока
5300 Кнопка проверки сигнальных ламп
5305 Кнопка омывателя фар
5316 Кнопка выравнивания хода автомобиля
5317 Кнопка опускания и подъема 3-й оси
5318 Кнопка управления вспомогательными средствами на стадии старта
5322 Двойная кнопка открывания крыши
5331 Кнопка пуска из секции двигателя
5335 Кнопка закрывания R.G.C.
5337 Кнопка управления передней дверцей
5343 Кнопка подъема правого стекла
5356 Кнопка подъема левого стекла
5367 Кнопка управления откидыванием кабины
5368 Кнопка диагностики системы ЕОС
5420 Коммутатор 8 функций
5423А Коммутатор 6 функций
54230 Коммутатор 6 функций
5423С Коммутатор 6 функций
5500 Переключатель извещатепей
5515 Переключатель управления аварийными сигналами
5523 Переключатель управления корректором фар
5603 Переключатель-ключ вспомогательного оборудования для запуска
5634 Переключатель рычага включения электрического замедлителе
5803 Панель на 10 индикаторов для цепей фонарей
5804 Панель на 10 индикаторов с ограничителем скорости без автоблокировки
5804 Панель на 10 индикаторов для системы пневматического торможения
5805 Панель на 10 индикатсрсв для дополнительных цепей
5820 Индикатор нерабочего состояния автоблокировки
5820А Индикатср автоблокиропки, прицеп не подсоединен
5821 Индикатор отсутствия зарядки/питания аккумуляторов
5822 Индикатср включения поста предварительного подогрева
5828 Аварийный индикатор системы торможения
5629 Индикатор включения ручного тормоза
5831 Индикатор фильтра набегающего воздуха
5832 Индикатор включения общего освещения
5834 Индикатор огней поворота автомобиля при включенном двигателе
5635 Индикатор огней поворота прицепа
5836 Индикатор включенной аварийной сигнализации
5844 Индикатор включения замедлителя Telma
5846 Индикатор включения фонарей дальнего света
5860 Индикатор низкого давления воздуха в коробке скоростей
5878 Индикагср разблокировки кабины
5887 Индикатор (светодиод) низкого давления воды
5891 Индикатор поднятой 3-й оси
5895 Индикатор включения пониженных скоростей
5899 Индикатор блокировки поперечного дифференциала
5901 Панель управления, аварии, двойной нагрузки
5930 Периодичность стеклоочистителя
6103 Корпус 3 диода на 5 каналов
6104 Корпус 3 диода IА (с общ. + )
6105 Корпус 3 диода IA (с общ. - )
6109 Корпус 3 диода IA (2 с обид. +)
6110 Корпус 4 диода поддержки возбуждения R.G.C.
6113 Корпус 1 диод
6135 Электрическая регулировка подогреваемого зеркала заднего вида
6113 Подогреваемое зеркало заднего вида и электрическая регулировка
6144 Подогреваемое зеркало заднего вида и регулировка
6146 Сопротивление автсвозбуждения генератора
6117 Сопротивление подогреоа топлива
6148 Пневматическое подогреваемое сиденье правое
6149 Пневматическое подогреваемое сиденье левое
6163 Корпус 3 диода
6180 Конденсатор 100 мкф
6190 Сопротивление подогрева топлива
6191 Ограничительное сопротивление тока ветрового стекла
6192 Сопротивление подогрева ветрового стекла
6400 Электрический насос омыватепя ветрового стекла
6401 Насос омывателя фар
6501 Группа стеклоочистителя
6502 Группа омыватепя фар
6800 Радиоприемник
6801 Динамик
6806 Питание 21 В - 12 В
6830 Городская полоса (S.B.)
7004 Корпус плавкой вставки 6
7005 Корпус плавкой вставки 6
7006 Корпус плавксй вставки 6
7007 Корпус плавкой вставки 6
7008 Корпус плавкой вставки 6
7201 Стандартный разъем для подсоединения прицепа
7202 Дополнительный разъем для подсоединения прицепа
7205 Деухполярный токовый разъем для запуска с земли
7209 Разъем подсоединения автоблокировки прицепа
7215 Разъем подсоединения прицепа
7500 Главная панегь соединений (U.C.I.)
7807 Электроклапан термозапуска
7812 Электроклапан подъема передней части автомобиля
7613 Электроклапан подъема задней части автомобиля
7814 Электроклапан пневматических изеещателей
7835 Акустический датчик в контуре тормозов прицепа
7836 Термозапуск
7846 Прикуриватель
7879 Электроклапан разгрузки центральной оси
7880 Электроклапан автоблокировки
7886 Электроклапан остановки двигателя
8002 Воздушный подогреватель Webasto
8004 Управление антиобледенителем ветрового стекла
8005 Панель управления замедлителем Telma
8009 Автоматическая трансмиссия
8010 Резистор ссушки воздуха
8011 Электронный активатор инжекционного насоса
8215 Электронная панель управления
8219 Панель управления автономным нагревателем
8224 Циферблат предварительного переключения
8225 Дополнительный топлинный насос
8235 Задержанное включение циркуляции воды нагревателя
8236 Задержанное включение циркуляции обходной воды
8251 Термостат окружающей среды (панель)
8255 Термостат и контактный выключатель устройства кондиционирования
8260 Электромагнитный шкив
8261 Прерыватель минимального давления осушки
8262 Прерыватель максимального давления осушки
8275 Датчик температуры наружного воздуха для кондиционера
8276 Датчик солнечной радиации для кондиционера
8502 Электронная панель коробки передач ZF
8503 Индуктивный датчик скорости автомобиля
8505 Электронная панель устройства автоблокировки
8506 Датчик устройства автоблокировки
8507 Панель управления ограничителем скорости
8514 Электронная панель для автоматической коробки передач
8515 Электронная панель поста предварительного подогрева
8522 Счетчик пробега в часах
8524 Панель сигнализации о низком уровне воды
8530 Информационная панель для автоблокировки
8532 Панель сигнализации о присутствии воды в фильтре GO
8535 Группа электромагнитов замедлителя
8538 Датчик температуры воды для панели управления замедлителем
8539 Управление зеркалами заднего вида
8540 Панель сигнализации блокировки дифференциала
8541 Датчик износа накладок переднего тормоза
8542 Датчик износа накладок заднего тормоза
8543 Дисплей Iveco Control
8543 Экран дисплея Iveco Control
8544 Электронная панель дисплея Iveco Control
8550 Панель регулировки уровня шасси
8561 Сигнализация о повышенной температуре, охлаждение заднего тормоза
8562 Панель контроля централизованной системы смазки
8563 Панель резерва автоматической подачи масла
8564 Датчик давления на переднюю ось левый - для E-GAS
8565 Датчик давления на переднюю ось правый - для E-GAS
8566 Датчик давления на подъемную ось левый - длл E-GAS
8567 Датчик давлении на подъемную ось правый - для E-GAS
8568 Дистанционное управление устройством Е GAS
8569 Двигатель для электронного акселератора c AVS
8570 Бортовой компьютер
8571 Датчик нагрузки акселератора
8572 Датчик температуры воды
8573 Датчик температуры воздуха
8574 Датчик абсолютного давления
9000 Активированный датчик замедления
9010 Датчик автоблокировки прицепа в нерабочем состоянии
9012 Фотодиод-индикатор низкого уровня масла
90I4 Панель сигнализации о присутствии воды в фильтре GO
9020 Фотодиод-индикатор износа накладок заднего тормоза
9021 Фотодиод-индикатор износа накладок переднего тормоза
9022 Фотодиод-индикатор низкого уровня масла в системе рулевого управления
9038 Индикатор системы противоскольжения или ограничителя скорости
9040 Индикатор отклонения от нормального уровня с ELF
9044 Фотодиод-индикатор низкого уровня жидкости в системе стеклоомывателя
9054 Панель на 2 световых индикатора
9055 Индикатор 3-й оси управления
9056 Аварийный индикатор на ограничителе скорости
9056 Аварийный индикатор на ограничителе скорости
9057 Индикатор автоматических снеговых цепей
9058 Аварийный индикатор дополнительного нагревателя
9216 Выключатель освещения показаний ряда приборов
9224 Термовыключатель подогрева GO
9225 Выключатель дополнительных прожекторов
S240 Выключатель 3-й поднятой оси
9294 Контактор включения подогрева GO
9296 Контактор включения предварительного нагрева
9297 Резервный контактный выключатель для VS
9300 Прерыватель для размыкания RGC.
9322 Контактный выключатель хода дгя AVS
9323 Контактный выключатель на сцеплении для AVS
9324 Контактный выключатель сцепления
9328 Выключатель автономного обогрева кабины
9329 Выключатель автономного обогрева двигателя
9339 Грерыватель для включения поднятия или опускания 3-й оси при переходе уровня в 11 тонн
9340 Манометрический контактор определения прекращения активной фазы подъема оси
9342 Манометрический контактор определения давления на подушках подъемной оси
8343 Манометрический контактор положения нормального ведения 3-й оси управления
9344 Манометрический контактор включения гидравл. насоса 3-й оси
9345 Манометрический контактор отключения работы гидравл. нассса 3-й оси
9346 Манометрический контактор для гидравлического контура до-активации 3-й оси
9347 Манометрический контактор согласования подъема 3-й оси с гидравлическим давлением и включенный контакт
9348 Аварийный прерыватель тормозной системы прицепа
9349 Контактный выключатель тормоза N.F.
9350 Торможение двигателя
9351 Манометрический контактор длл тормоза прицепа на малой скорости
9352 Выключатель активированных автоматических снеговых цепей
9353 Контактный выключатель длл торможения двигателя с AVS
9354 Манометрический контактор в системе подъема 3-й оси «опускание»
9368 Контактный выключатель на сцеплении для AVS
9369 Контактный выключатель мертвой точки коробки скоростей
9371 Прерыватель сигнализации «скоростная группа» для AVS
Э372 Контактный выключатель для включенной скорости AVS
9373 Контактный выключатель для автоматической трансмиссии CV (16 скоростей)
9380 Контактный выключатель для положения нормального ведения в правом рлду
9381 Тахомстрический контактный выключатель с 4 выходами
9382 Контактный выключатель длн kick down
9386 Контактный выключатель открывания крыши над верхом
9391 Контактный выключатель подогрева топлива
9392 Контактный выключатель де-активации противоскольжении
9393 Контактный выключатель де-активации автоблокировки
9400 Контактный выключатель контроля маршрута
9401 Контактный выключатель контроля маршрута
9500 Реле с контактом N0 с задержкой размыкания
9504 Временное релэ облегчения старта
9505 Реле-таймер включения подогрева ветрового стекла
9506 Реле задержанного включения импульса опускания 3-ей оси при переходе через уровень нагрузки в 11 тонн
9507 Электронное реле для дополнительного подогрева свечи
9508GD Реле задержанной де-активации включения электроклапана остановки двигатоля
9513 Реле стоп-огней
9516 Реле вызова фар
9532 Реле питания пользователей под ключом зажигания
9546 Реле управления извещателями
9572 Реле включении прожекторов дальнего света
9573 Реле отключения прожекторов дальнего или ближнего света с включенными противотуманными
фонарями
9575 Реле включения дневного освещения
9595 Реле сохранения возбужденил подъема 3-й оси
9596 Реле сохранения активации системы 3-й оси
9597 Реле включения электрического подогревателя на 1-й скорости
9598 Реле включения электрического подогревателя на 2 й скорости
9599 Реле включения электрического лодогрепателя с вставленной колодкой 15/А
9599GE Реле электрического вентилятора подогревателя
9600 Предохранитель резервного аккумулятора
9617 Реле управления схемой подогрева GO
9618 Реле противоугона от двигателя с включенной скоростью
9626 Реле аварийного сигнала фонарей поворота
9627 Реле установки на уровень передней стороны «ход»
9628 Реле регулировки установки на уровень задней стороны «ход»
9629 Реле ограничитегея скорости, размыкание при включении скорости
9630 Реле стоп-огней прицепа с активированным тормозом малой скорости
9631 Реле поддержания в положении нормального ведения правого ряда передней и задней сторон
9632 Реле поддержания активированного состояния гидравлического насоса подъема 3-й оси между фазами захвата и отпуска
9633 Реле включения гидравлического насоса подъема 3-й оси
9636 Реле активации подогреваемых зеркал заднего вида
9637 Реле устранения пользователя на стадии запуска (ЕЗ)
9638 Реле активации автономного подогревателя с предохранителем аккумулятора
9639 Реле управления двигателем подъема кабины
9641Е Реле де-активации устройства задержки с включенной антиблокировкой
9643 Реле индикатора сбоя автоблокировки (Е14А)
9652 Реле отключения фонарей ближнего света при включении передних габаритных огней (подфарников)
9653 Реле отключения дневного освещения при включении АВ
9654 Реле де-активации фазы подъема 3-й оси
9655 Реле электроклапана циркуляции большой/малый
9656 Реле деактивации подъемной оси посредством включенного старта
9657 Реле открытой циркуляции воды при включенном двигателе
9658 Реле торможения малой скорости прицепа
9660 Рэле датчика автоблокировки о случае отказа противоположного дамика
9661 Реле датчика автоблокировки в случае отказа противоположного датчика
9666К Реле включения информационного модуля автоблокировки и стоп-огней прицепа
9670 Реле регулятора включенной скорости
9671 Реле поддержания регулировки выравнивания передней стороны «ход»» с отключением позиции «стоп»
9672 Реле поддержания регулировки выравнивания задней стороны «ход»» с отключением позиции «стоп*»
9673 Реле поддержания регулировки выравнивания при исполнении функции «ход»» с отключением передней части в позиции «поднять» или «опустить»
9674 Реле поддержания регулировки выравнивания при исполнении функции «ход»» с отключением задней части в позиции «поднять» или «опустить»
9675 Реле опускания 3-й оси
9676 Реле положения ведения а правом ряду передней и задней частей
9677 Роле переключения опускания или поднимания 3-Й оси
9678 Реле активации выпускного клапана подушек 3-й оси
9679 Реле поддержания деактвированного состояния системы 3 й оси
9682 Реле согласования облегчения старта с нагрузкой на ось ниже 13 тонн
9683 Реле сигнализации регулировки уровня снижения задней оси
9684 АА Роле де активации остановки двигателя при включенном зажигании
9685 Реле прерывания команды реле автоподдержки опускания подъемной оси, начиная с облегчения старта до состояния поднятой оси
9690 Роле поддержания состояния облегчения старта
9691 Роле снижения 3-й оси двойного облегчения старта
9696 Реле кратковременного включения системы кондиционирования
9697 Реле управления электрическим подогревателем на 1-й и 2-й скоростях
9701 Реле деактивации гидравлики 3-й оси при переходе через 45 км/час
9702 Реле включения осушителя воздуха
9703 Реле сигнала заднего хода
9704 Реле запуска с включенным сцеплением
9705 Реле деактивации торможения двигателя
9708 Реле включения обогревателя кабины
9709 Реле включения системы подъема 3*й оси на ««подъем»
9710 Роле включении гидравлическою насоса под давление
9713 Реле активации EDC
9714 Реле частичной сигнализации на панели циркуляции воды
9715 Реле автоподдержки регулировки выравнивания движущегося автомобиля
9716 Реле управления быстрой подачей воздуха или же быстрым выпускным клапаном подъемной оси в фазе снижения
9717 Реле управления выпускными клапанами подъемной оси в фазе снижения
9815 Электроклапан блокировки электроклапанов для AVS
9816 Электроклапан держания сцепления с AVS
9818 Электроклапан редуктора оборотов двигателя с автоблокировкой
9819 Электроклапан устройства задержки аккумулятора масла
9820 Группа электроклапанов длл оси с ELF
9822 Пропорциональный электроклапан для устройства задержки
9827 Электроклапан открывания пневматического контура на подушках 3-й оси
9828 Группа электроклапанов длп 3-й оси гидравлического управления
9829 Эгектрсклапан открывания гидравлического контура, опускание 3-й оси
9830 Электроклапан опускания 3-й оси
9831 Электроклапан для устройства противоскольжения
9832 Электроклапан переключения циркуляции воды большой/малый
9833 Электроклапан фазы деактивации подъема 3-й оси (разгрузка при старте) и перехода через нагрузку 13 тонн на мост
9834 Электроклапан закрытой циркуляции воды двигателя
9836 Электроклапан и быстрый выпуск для расцепления скоростей с включенным ограничигелем скорости
9837 Модулятор давления блокировки электроклапана для ограничителя скорости
9838 Группа электроклапанов задней части длп регулировки уроння шасси
9839 Электроклапан сигнала реакции сцепления с автоматической трансмиссией
9840 Электроклапэн тормоза для AVS
9841 Группа электроклапанов для группы Splitter на автоматической трансмиссии
9842 Электроклапан управления торможением двигателя
9901 Указатель включенной скорости для AVS
TEST Трехполюсной разъем для соединения с Iveco Tester (ряд ISO K/L)












