Тренинг персонала по топливной системе EDC17 MAN

СОДЕРЖАНИЕ
- ПРЕДИСЛОВИЕ
- ВЫХОДНЫЕ ДАННЫЕ
- СОКРАЩЕНИЯ
- ВВЕДЕНИЕ
- Правила техники безопасности
- Обзор типов
- Обзор двигателей
- ОПИСАНИЕ СИСТЕМЫ
- Общие положения
- Конструкция и принцип действия
- Структурная схема электронной системы управления дизельным двигателем (EDC)
- Структурная схема NoNOx
- Обзор датчиков/исполнительных элементов двигателя D20/D26 с CRT, SCR и HCI
- Обзор датчиков/исполнительных элементов двигателя D20/D26 с CRT и SCR
- Обзор датчиков/исполнительных элементов двигателя D0836 LFL 66/67 с CRT, SCR и HC
- Обзор датчиков/исполнительных элементов двигателя D0836 LFL 68 с CRT, SCR и HCI .
- Обзор датчиков/исполнительных элементов двигателя D0834 LFL 66/67 с CRT, SCR и HCI
- Обзор соединений по шине CAN и электропитания
- Двигатель D20/D26
- Двигатель D08
- ФУНКЦИОНАЛЬНОЕ ОПИСАНИЕ
- A435 Блок управления EDC17
- Описание
- Разводка контактов штекера A
- Разводка контактов штекера B
- Разводка контактов штекера C
- Разводка контактов штекера D
- Насос высокого давления CP3
- Описание
- Y332 Клапан пропорционального регулирования давления топлива
- Описание
- Разводка контактов
- Энергоаккумулятор топливной системы (Rail)
- Описание
- Редукционный клапан (DBV — клапан ограничения давления)
- Описание
- B487 Датчик давления в энергоаккумуляторе
- Описание
- Измеренные значения
- Разводка контактов
- Y341 Инжектор цилиндра 1
- Описание
- B488 Инкрементный датчик частоты вращения
- Описание
- Измеренные значения
- Разводка контактов
- B489 Сегментный датчик частоты вращения
- Описание
- Измеренные значения
- Разводка контактов
- B104 Датчик давления масла
- Описание
- Измеренные значения
- Разводка контактов
- B270 Датчик уровня масла
- Описание
- Измеренные значения
- Разводка контактов
- B377 Датчик давления топлива
- Описание
- Измеренные значения
- Разводка контактов
- B323 Датчик массового расхода воздуха
- Описание
- Измеренные значения
- Разводка контактов
- B623 Датчик давления наддува/температуры
- Описание
- Измеренные значения
- Разводка контактов
- B694 Датчик давления наддува/температуры, низкотемпературный
- Описание
- Измеренные значения
- Разводка контактов
- B123 Датчик температуры наддувочного воздуха
- Описание
- Измеренные значения
- Разводка контактов
- B124 Датчик температуры охлаждающей жидкости
- Описание
- Измеренные значения
- Разводка контактов
- B1049 Датчик температуры охлаждающей жидкости, низкотемпературный
- Описание
- Измеренные значения
- Разводка контактов
- B696 Датчик температуры AGR
- Описание
- Измеренные значения
- Разводка контактов
- B561 Датчик температуры ОГ перед фильтром .
- Описание
- Измеренные значения .
- Разводка контактов
- B562 Датчик температуры ОГ после фильтра
- Описание
- Измеренные значения
- Разводка контактов
- B634 Датчик температуры ОГ после нейтрализатора SCR
- Описание
- Измеренные значения
- Разводка контактов .
- A1191 Термоэлементы ОГ
- Описание
- Разводка контактов
- B673 Датчик положения E-AGR, цилиндр
- Описание
- Разводка контактов
- Y458 Клапан пропорционального регулирования E-AGR
- Описание
- Разводка контактов
- M289 Сервопривод AGR
- Описание
- Разводка контактов
- M119 Регулятор дроссельной заслонки
- Описание
- Разводка контактов
- B695 Датчик перепада давления ОГ/относительного давления
- Описание
- Измеренные значения
- Разводка контактов
- B322 Лямбда-зонд
- Описание
- Разводка контактов
- Y340 Импульсный клапан газотурбинного нагнетателя 1
- Описание
- Измеренные значения
- Разводка контактов
- Y493 Импульсный клапан газотурбинного нагнетателя 2
- Описание
- Измеренные значения
- Разводка контактов
- A1273 Fluidtronic
- Описание
- Разводка контактов
- Y460 Отключающий клапан E-AGR/моторного тормоза с электронным управлением (EVBec)
- Описание
- Измеренные значения
- Разводка контактов
- Y496 Запорный/редукционный клапан, низкотемпературный
- Описание
- Измеренные значения
- Разводка контактов
- Y398 Электромагнитный клапан CRT дроссельной заслонки перепуска ОГ
- Описание
- Измеренные значения
- Разводка контактов
- Y355 Модуль EVB
- Описание
- Измеренные значения
- Разводка контактов
- A808 Модуль подачи AdBlue
- Описание
- Разводка контактов штекера X1
- Разводка контактов штекера X2
- Y437 Электромагнитный клапан охлаждающей жидкости
- Описание
- Измеренные значения
- Разводка контактов
- A1192 AdBlue, комбинированный датчик
- Описание
- Разводка контактов
- B1055 Датчик NOx I, выбросы двигателя
- Описание
- Разводка контактов
- B994 Датчик NOx II OBD
- Описание
- Разводка контактов
- A1154 Электронное реле факельного устройства облегчения пуска
- Описание
- Разводка контактов штекера A
- Разводка контактов штекера B
- A968 Муфта вентилятора с датчиком частоты вращения
- Описание
- Разводка контактов
- A1081 Пропорциональный клапан HCI
- Описание
- Y513 Дозирующий клапан HCI
- Описание
- Разводка контактов
- Y514 Отключающий клапан HCI
- Описание
- Разводка контактов
- B702 Датчик давления топлива/температуры HCI
- Описание
- Разводка контактов
- B703 Датчик давления топлива HCI
- Описание
- Разводка контактов
- ОПИСАНИЕ КОМПОНЕНТОВ
- A435 Блок управления EDC17
- Компонент
- Место установки
- Насос высокого давления CP3
- Компонент
- Место установки
- Клапан пропорционального регулирования давления топлива
- Компонент
- Место установки
- Энергоаккумулятор топливной системы (Rail)
- Компонент
- Место установки
- Редукционный клапан (DBV — клапан ограничения давления)
- Компонент
- Место установки
- B487 Датчик давления в энергоаккумуляторе
- Компонент
- Место установки
- Y341 Инжектор цилиндра 1
- Компонент
- Место установки
- B488 Инкрементный датчик частоты вращения
- Компонент
- Место установки
- B489 Сегментный датчик частоты вращения
- Компонент
- Место установки
- B104 Датчик давления масла
- Компонент
- Место установки
- B270 Датчик уровня масла
- Компонент
- Место установки
- B377 Датчик давления топлива
- Компонент
- Место установки
- B323 Датчик массового расхода воздуха .
- Компонент
- Место установки
- B623 Датчик давления наддува/температуры
- Компонент
- Место установки
- B694 Датчик давления наддува/температуры, низкотемпературный
- Компонент
- Место установки
- B123 Датчик температуры наддувочного воздуха
- Компонент
- Место установки
- B124 Датчик температуры охлаждающей жидкости .
- Компонент
- Место установки
- B1049 Датчик температуры охлаждающей жидкости, низкотемпературный
- Компонент
- Место установки
- B696 Датчик температуры AGR
- Компонент
- Место установки
- B561 Датчик температуры ОГ перед фильтром .
- Компонент
- Место установки
- B562 Датчик температуры ОГ после фильтра
- Компонент
- Место установки
- B634 Датчик температуры ОГ после нейтрализатора SCR
- Компонент
- Место установки
- A1191 Термоэлементы ОГ
- Компонент
- Место установки
- B673 Датчик положения E-AGR, цилиндр
- Компонент
- Место установки .
- Y458 Клапан пропорционального регулирования E-AGR
- Компонент
- Место установки
- M289 Сервопривод AGR
- Компонент .
- Место установки
- M119 Регулятор дроссельной заслонки
- Компонент
- Место установки
- B695 Датчик перепада давления ОГ/относительного давления
- Компонент
- Место установки
- B322 Лямбда-зонд
- Компонент
- Место установки
- Y340 Импульсный клапан газотурбинного нагнетателя 1
- Компонент
- Место установки
- Y493 Импульсный клапан газотурбинного нагнетателя 2
- Компонент
- Место установки
- A1273 Fluidtronic
- Компонент
- Место установки
- Y460 Отключающий клапан E-AGR/моторного тормоза с электронным управлением (EVBec)
- Компонент
- Место установки .
- Y496 Запорный/редукционный клапан, низкотемпературный
- Компонент
- Место установки
- Y355 Модуль EVB
- Компонент
- Место установки
- A808 Модуль подачи AdBlue
- Компонент
- Место установки
- Y437 Электромагнитный клапан охлаждающей жидкости
- Компонент
- Место установки
- A1192 AdBlue, комбинированный датчик
- Компонент
- Место установки
- B1055 Датчик NOx I, выбросы двигателя
- Компонент
- Место установки
- B994 Датчик NOx II OBD
- Компонент
- Место установки
- A1154 Электронное реле факельного устройства облегчения пуска
- Компонент
- Место установки
- A968 Муфта вентилятора с датчиком частоты вращения
- Компонент
- Место установки
- A1081 Пропорциональный клапан HCI
- Компонент
- Место установки
- ДИАГНОСТИКА с помощью MAN-cats® II:
- Общие положения
- Диагностическая розетка HD-OBD (X200)
- Разводка контактов
- Сохранение ошибок
- Диагностические коды
- Список этапов проверки EDC17, грузовой автомобиль
- Список этапов проверки EDC17, автобус
- Память записей неисправностей MAN-cats® II
- Индикация состояния FMI (Failure Mode Identification)
- Поиск неисправностей в соединениях по шине CAN для двигателей D08
- Поиск неисправностей в соединениях по шине CAN для двигателей D20/D26
- Поиск неисправностей с помощью MAN-cats® II
- Мониторинг
- Значения температуры
- Значения давления
- Регулирование в энергоаккумуляторе
- Частота вращения двигателя
- Параметры двигателя
- Цилиндр
- Статусная информация
- Сообщения/заданные значения PTM
- Регулирование давления наддува
- Фильтр твердых частиц
- Температуры ОГ/значения давления
- Нейтрализатор SCR
- Рециркуляция отработанных газов
- Значения лямбда-зонда
- Свободно определяемый мониторинг
- Тест исполнительного элемента
- Компрессионное тестирование
- Тестирование разгона двигателя
- Тест отключения цилиндров
- Проверка высокого давления
- Проверка инжектора DLR
- Проверка открытия клапана ограничения давления
- Сажевый фильтр, процедура сброса
- Сажевый фильтр, регенерация в сервисном центре
- Тестирование системы HCI
- Сброс запрограммированных значений фильтра твердых частиц, датчик перепада давления
- Сброс запрограммированных значений редукционного клапана
- Сброс проверки достоверности наличия мочевины
- Injection Quantity Adjustment (IQA)
- Injection Quantity Adjustment (IQA), только чтение
- ДОПОЛНИТЕЛЬНЫЕ ЭЛЕКТРОСХЕМЫ
- Упрощенные схемы
- Упрощенная электросхема EDC17, двигатель D0836 LOH
- Упрощенная электросхема EDC17, двигатель D20/D26, лист 1
- Упрощенная электросхема EDC17, двигатель D20/D26, лист 2
- Упрощенная схема подачи топлива, двигатель D20/D26
- Упрощенная схема подачи топлива, двигатель D08 с HCI
СОКРАЩЕНИЯ
A
- A Ускорение
- ABE Общее разрешение на эксплуатацию
- ABS Антиблокировочная система
- ABV Система автоматического предотвращения блокировки
- AC Air Condition (система кондиционирования воздуха)
- ACC Adaptive Cruise Control (система поддержания скорости по расстоянию до автомобиля впереди)
- ACK Acknowledge (подтверждение)
- ADC Analog Digital Converter (преобразование аналоговых сигналов в цифровые)
- ADR Международные правила перевозки опасных грузов автомобильным транспортом (GGVS)
- AGB Автоматический ограничитель скорости
- AGND Analog Ground (аналоговая масса)
- AGR Система рециркуляции отработанных газов
- AHK Тягово-сцепное устройство
- AHV Тормозной клапан прицепа
- ALB Режим тормозной системы для автоматического управления тормозной силой в зависимости от осевой нагрузки
- ALM Axle load monitoring (индикация нагрузки на ось)
- AMA Антенная установка с радиомачтой
- AMR Anisotrop Magneto Resistive (анизотропное магнитосопротивление)
- ANH Прицеп/полуприцеп
- ANS Автоматическое переключение в нейтральное положение
- AS Автоматическая коробка передач
- ASD Место подключения питания прицепа
- ASM Модуль управления тормозной системой прицепа
- ASR Система регулирования привода ведущих колес
- ASV Кран управления тормозами прицепа
- ATC Automatic Temperature Control (автоматическая регулировка температуры)
- ATF Automatic Transmission Fluid (масло для автоматической коробки передач)
- AU Контроль токсичности ОГ
- AV Выпускной клапан
- AVS Автоматическая система предварительного выбора
B
- BA Руководство по эксплуатации
- BR Тормозное сопротивление
- BBA Рабочая тормозная система
- BBV Кран рабочего тормоза
- BG Блок управления
- BHTC Behr Hella Thermo Contol
- BITE Встроенный тест
- BKR Регулятор тормозных сил
- BNLW Зарядный преобразователь бортовой сети
- BUGH Передний отопитель
- BV Резервный клапан (запорный клапан)
- BVA Индикатор износа тормозных накладок
- BVS Датчик износа тормозных накладок
- BVV Питание датчика износа тормозных накладок
- BW Бундесвер
- BWG Датчик тормозного усилия
- BZ Цилиндр тормозного привода
C
- CAN Controller Area Network (шинная система передачи данных с битовой последовательной передачей)
- CAN-H Линия передачи данных по шине CAN-high
- CAN-L Линия передачи данных по шине CAN-low
- CATS Computer-Assisted Testing and diagnosting System (компьютеризированная контрольно-диагностическая система)
- CBU Central Brake Unit (центральный тормозной блок)
- CDC Continuous Damping Control (бесступенчатая система динамического управления амортизаторами)
- CCVS Cruise Control Vehicle Speed (функция регулирования скорости движения)
- CKD Complete Knocked Down (полностью разобранный автомобиль)
- CNG Compressed Natural Gas (сжатый природный газ)
- CPU Central Processing Unit (центральный компьютер)
- CRT Фильтр с непрерывной очисткой (глушитель шума ОГ, окислительный нейтрализатор,
- фильтр твердых частиц для дизельного двигателя)
- CRC Cyclic Redundancy Check (циклическая проверка резервного контура)
- CS Переключатель скоростей Comfort Shift
D
- DAHL Вентилятор на крыше
- DBR Реле тормоза-замедлителя
- DCU Dosing Control Unit (дозатор AdBlue)
- DF Датчик частоты вращения
- DFÜ Дистанционная передача данных
- DIA Диагностическая и информационная система индикации
- DIAG Диагностика всего автомобиля
- DIAG–MUX Диагностика всего автомобиля: мультиплексный центральный компьютер (только автобусы)
- DIAK Диагностика, информационный провод (линия передачи данных)
- DIAL Диагностика, провод L (провод возбуждения)
- DIAR Диагностика, дальнейшее возбуждение
- DICO Контроллер цифрового ввода
- DIN Германский промышленный стандарт
- DKE Увеличение открытия дроссельной заслонки (система регулирования привода ведущих колес)
- DKH Потолочно-канальное отопление
- DKL Заслонки для воздуха в крыше
- DKR Уменьшение открытия дроссельной заслонки (запрос уменьшения системой регулирования привода ведущих колес в электронной системе управления дизельным двигателем (EDC)/EMS)
- DKV Заданное значение положения дроссельной заслонки (сигнал датчика нагрузки от датчика хода педали, электронная система управления дизельным двигателем (EDC)/EMS)
- DLB Пневматическая установка
- DM Diagnostic message (диагностическое сообщение)
- DNR Передняя передача/нейтральная передача/передача заднего хода (переключатель передач в автоматической коробке передач)
- DPF Сажевый фильтр для дизельного двигателя
- DRM Регулятор давления
- DRS Датчик поворота вокруг оси
- DS Датчик давления
- DSV Клапан ограничения давления
- DTC Diagnostic trouble code (код диагностики бортовой системы самодиагностики (OBD))
- DTCO Цифровой тахограф
- DV Дроссельный клапан
- DWA Противоугонная сигнализация
- DZG Датчик частоты вращения
- DZM Тахометр
E
- E-AGR Объем возвращаемых ОГ в зависимости от положения клапана системы AGR
- EBS Электронная тормозная система
- ECAM Electronically Controlled Air Management (система подачи сжатого воздуха с электронным управлением)
- ECAS Electronically Controlled Air Suspension (воздушная подвеска с электронным управлением (ECAS))
- ECE Система аварийного переключения в соответствии с ECE 36
- ECU Electronic Control Unit (блок управления)
- EDC Electronic Diesel Control (электронная система управления дизельным двигателем)
- EDC S Electronic Diesel Control Slave (электронная система управления дизельным двигателем (Slave))
- EDM Электронная система измерения расхода дизельного топлива
- EDR Ограничитель максимальной частоты вращения
- EEC Электронный контроль двигателя (Electronic engine controller)
- EEPROM Программируемая постоянная память с электронным стиранием
- EFR Электронная система регулировки ходовой части
- EFS Сиденье водителя с электрической регулировкой
- EHAB Электрогидравлический отключающий механизм
- EHLA Электрогидравлический рулевой механизм
- ELAB Электрический отключающий механизм
- ELF Электронная пневматическая подвеска
- EMP Производитель насоса системы охлаждения
- EMU Energie Management Unit (блок управления электропитанием)
- EMS Электронная система управления мощностью двигателя
- EMV Электромагнитная совместимость
- EOBD European On Board Diagnosis (европейская бортовая система самодиагностики)
- EOL End Of Line (программирование конца строки)
- EP Топливный насос высокого давления
- ER Engine-Retarder (моторный тормоз)
- ESAC Electronic Shock Absorber Control (система ESAC для электронного управления амортизаторами)
- ESP Electronic Stability Program (электронная система устойчивости)
- ESR Электрическая солнцезащитная шторка
- EST Электронный блок управления
- EV Впускной клапан
- EVB Exhaust Valve Brake (дополнительный моторный тормоз)
F
- FAP Место водителя
- FAQ Frequently Asked Questions (часто задаваемые вопросы)
- FBA Стояночная тормозная система
- FBM Модуль ножного тормоза
- FDR Управление показателями динамики движения
- FDF Файл автомобиля
- FFR Блок управления движением автомобиля
- FGB Ограничение скорости движения
- FGR Регулирование скорости движения
- FHS Кабина
- FIN Код VIN автомобиля (17-значный)
- FM Управление системами автомобиля
- FMI Failure Mode Identification (вид неисправности)
- FMS Fleet Management Standard (система управления транспортом (FMS), не зависящий от производителя стандарт телематических систем)
- FMR Система регулировки двигателя автомобиля
- FOC Front Omnibus Chassis (шасси для автобуса с передним двигателем)
- FSCH Отопитель лобового стекла
- FSG Прибор для определения неровностей дорожного покрытия
- FSH Обогрев стекол и зеркал
- FTW Перегородка места водителя
- FUNK Радиостанция
- FZA Индикатор цели поездки
- FZNR Номер автомобиля (7-значный)
G
- GDK Регулируемый каталитический нейтрализатор ОГ для дизельного двигателя
- GEN Генератор
- GET Коробка передач
- GGVS Правила перевозки опасных грузов автомобильным транспортом (ADR)
- GZK Промежуточный контур постоянного напряжения
- GND Ground (масса)
- GP Коробка передач: планетарная группа (передачи заднего делителя)
- GS Управление переключением передач
- GV Коробка передач: передачи переднего делителя
H
- HA Задняя ось
- HBA Вспомогательная тормозная система
- HD-OBD Heavy Duty-Onboard Diagnose (бортовая система самодиагностики в тяжелых условиях работы)
- HCI Hydro Carbon Injection (система дозирования дизельного топлива для активной
- регенерации фильтров твердых частиц)
- HDS Установка для добавления раствора мочевины
- HGB Ограничение максимальной скорости
- HGS Гидропривод переключения передач
- HLUE Гидростатический вентилятор
- HOC Heck Omnibus Chassis (шасси для автобуса с задним двигателем)
- HSS Переключатель Highside
- HST Главный щит электрических соединений
- HU Главный осмотр
- HVSV Высоковольтный распределитель
- HYD Автономный отопитель Hydronic
- HYDRIVE Гидростатический привод передней оси
- HYDRO MAN Привод Hydro Drive
- HVA Гидростатический привод передней оси
- Гц Герц (смена/периодов в секунду)
- HZA Система стоп-сигналов
- HZG Дополнительный датчик частоты вращения
I
- IBEL Освещение салона
- IBIS Встроенная бортовая информационная система (система оповещения IBIS)
- IC Integrated Circuit (интегральная микросхема)
- ICOM Специальная шина данных VDO
- ID Идентификация
- IGBT Insolate Gate Bipolar Transistor (биполярный транзистор с изолированным затвором)
- IMR Встроенное механическое реле (система управления стартером)
- INA Индикатор информации (например, световой указатель)
- INST Панель приборов
- IR Индивидуальное регулирование (ABS)
- IRM Индивидуальное регулирование, модифицированное (ABS)
- ISO Международная организация по стандартизации
- IWZ Инкрементальная система измерения угла зажигания и времени
K
- KBZ Тормозной цилиндр двойного назначения
- KFH Обогрев топливного фильтра
- KITAS Интеллектуальный датчик тахографа Kienzle
- KLI Система кондиционирования воздуха
- KNEEL Система книлинга
- KSM Система KSM для связи кузова и шасси — пользовательский блок управления (блок управления для внешнего обмена данными)
- KSW Особые пожелания заказчика
- KWP Key Word Protocol (протокол для диагностики с помощью MAN-cats KWP 2000)
L
- LBH Ресивер
- LCD Liquid Crystal Display (ЖК-дисплей)
- LDA Ограничитель полной нагрузки в зависимости от давления наддува
- LDF Датчик давления наддува
- LDS Пневматическая подвеска системы амортизаторов
- LED Light Emitting Diode (светодиод)
- LF Пневматическая подвеска
- LGS Lane Guard System (система курсового контроля)
- LHP Насос рулевого механизма или резервный насос рулевого механизма
- LIN Информационная шина Local Interconnect Network (система шин передачи данных)
- LL Частота вращения на холостом ходу
- LLA Увеличение частоты вращения на холостом ходу
- LLR Регулирование частоты вращения на холостом ходу
- LNA Управляемая задняя поддерживающая ось задней тележки
- LNG Liquified Natural Gas (сжиженный природный газ)
- LOE Масло для рулевого механизма, контроль
- LPG Liquified Petroleum Gas (сжиженный углеводородный газ)
- LSVA Дорожный сбор для грузовых автомобилей в Швейцарии
- LWR Изменение угла наклона фар
- LWS Датчик угла поворота рулевого колеса
M
- M-TCO Модульный тахограф для ЕС
- MAB Отключение с помощью электромагнитного клапана (отключение двигателя с помощью электромагнитного клапана высокого давления в топливном насосе)
- MAN-cats MAN computer assisted testing and diagnosting system (компьютеризированная контрольно-
- диагностическая система MAN)
- MAR Реле отключения с помощью электромагнитного клапана (реле резервной подготовки двигателя к пуску)
- MCB Main Control Board (центральная панель управления)
- MDB Диапазон частот вращения вала двигателя
- MES Регулятор подачи топлива
- MFL Многофункциональное рулевое колесо
- MIL Malfunction Indicator Lamp (сигнальная лампа бортовой системы самодиагностики)
- ML Midline (средняя линия)
- MMI Человеко-машинный интерфейс
- MOTB Моторный тормоз
- MP Ящик соединений сверху двигателя (кабельный канал в блоке цилиндров)
- MR Регулятор двигателя: система регулирования привода ведущих колес
- MSG Блок управления двигателем (электронная система управления дизельным двигателем (EDC))
- MTGW Шлюз трансмиссии двигателя
- MUX Мультиплексный центральный компьютер (только автобусы)
- MV Электромагнитный клапан
- MZ Тормозная пневматическая камера
N
- N Частота вращения
- NA Коробка отбора мощности
- NBF Датчик положения иглы
- NES Новая электронная структура
- NFZ Автомобили хозяйственного назначения
- NLA Задняя поддерживающая ось задней тележки
- NOx Оксиды азота
- NSL Задняя противотуманная фара
- NSW Противотуманная фара
O
- OBD Бортовая система самодиагностики
- OBDU Модуль бортовой самодиагностики (подсистема ZBR)
- OC Occurrence Count (счетчик частоты ошибки)
- OEAB Маслоотделитель
- OENF Дозаправка масла
P
- p Давление
- P Powertrain (трансмиссия, силовой агрегат)
- PBM Pulse Breadth Modulation (широтно-импульсная модуляция сигнала — ШИМ, см. также PWM)
- P-Code Powertrain-Code (код диагностики силового агрегата/трансмиссии)
- PDF Сажевый фильтр для дизельного двигателя
- PLM Программируемый логический модуль
- PM-Kat Particulate Matter-Katalysator (катализатор частиц)
- PSC Pneumatic Supply Controller: замена для ECAM
- PSG Блок управления насосом (EDC)
- PTM Powertrain Manager (замена для блока управления движением автомобиля FFR)
- PTO Power Take Off (система отбора мощности)
- PWG Датчик хода педали
- PWM Pulse Width Modulation (сигнал с широтно-импульсной модуляцией — ШИМ, см. также PВM)
R
- RA Руководство по ремонту
- RAH Отопитель салона
- RAM Random Access Memory (энергонезависимая память для чтения/записи)
- RAS Rear Axle Steering (управляемая задняя ось)
- RAS-EC Rear Axle Steering Electronic Controlled (задняя ось с электронным управлением)
- RDRA Устройство регулирования давления в шинах
- RDS Radio Data System (система передачи информации по радио)
- RET Ретардер
- RET P Первичный ретардер
- RET S Вторичный ретардер
- RKL Проблесковый фонарь
- RKS Система контроля шин, заменена на TPM
- RLV Ускорительный клапан
- RME Raps Methyl Ester (биодизель)
- ROM Read Only Memory (память только для чтения)
S
- SA Специальное оборудование
- SAE Society of Automotive Engineers (объединение инженеров автомобильной промышленности)
- SAMT Semi Automatic Mechanic Transmission (полуавтоматическая механическая коробка передач)
- SB Сервисное предприятие
- SBW-RA Steer By Wire Rear Axle (задняя поддерживающая ось задней тележки с электронным управлением)
- SCR Selective Catalytic Reduction (установка селективной каталитической нейтрализации окислов азота)
- сек Секунда
- SER Серийная комплектация
- SG Блок управления
- SH Регулирование по принципу Select High (ABS)
- SKD Semi Knocked Down (частично разобранный автомобиль)
- SL Регулирование по принципу Select Low (ABS)
- SML Боковые габаритные фонари
- SPI Serial Peripheral Interface (последовательный периферийный интерфейс)
- SPN Suspect Parameter Number (номер места неисправности)
- SRE Stoneridge Electronics
- SSG Стандартный блок управления (отопитель, кондиционер воздуха)
- STA Пуск/останов двигателя
- SWR Фароочиститель
T
- T Время
- TBM Модуль телематики
- TC Traction Control (система регулирования привода ведущих колес)
- TCM Trailer Control Modul (модуль управления тормозной системой прицепа)
- TCO Тахограф (MTCO, DTCO, TSU и пр.)
- TCU Transmission Control Unit (автоматический блок управления коробкой передач)
- TEPS win Electronic Platform Systems (только автобусы)
- TGA Автомобили серии Trucknology Generation A
- TGL Автомобили серии Trucknology Generation Light
- TGM Автомобили серии Trucknology Generation Mid
- TGS Автомобили серии Trucknology Generation S
- TGX Автомобили серии Trucknology Generation X
- TKU Техническая документация заказчика
- TMC Traffic Message Channel (канал передачи информации о дорожном движении)
- TPM Tyre Pressure Module (система контроля давления в шинах)
- TRS Технические условия для автомобильных дорог
- TSC Torque Speed Control (тормозной момент)
- TSU Tachograph Simulating Unit (преобразователь сигнала тахографа (в автомобилях без MTCO/DTCO))
- TUER Управление дверями
U
- UBat Напряжение аккумулятора
- UCM Система управления UltraCap
- UCS Система UltraCap
- UDF Файл переоборудования (файл конвертирования)
- UDS Память для записи информации об аварии
V
- v Скорость
- VA Передняя ось
- VAC Переменное напряжение
- VDC Постоянное напряжение
- VDF Vehicle data file (файл автомобиля)
- VG Раздаточная коробка или по стандартам для раздаточных устройств
- VIN Vehicle Identification Number (код VIN автомобиля)
- VLA Передняя поддерживающая ось задней тележки
- VSM Раздаточная коробка, управление блокировкой
W
- WA Руководство по техническому обслуживанию
- WAB Водоотделитель
- WaPu Интардер насоса системы охлаждения
- WERI Инвертор
- WLE Инверторный блок зарядки
- WR Сигнальное реле
- WS Датчик положения
- WSK Гидротрансформатор-разделительное сцепление
Z
- z Торможение
- ZBR Центральный компьютер
- ZBRO Центральный компьютер автобуса
- ZDR Внешнее управление частотой вращения
- ZE Центральный щит электрических соединений
- ZFR Дополнительный компьютер автомобиля
- ZR Центральный компьютер
- ZS Централизованная смазочная система
- ZUSH Автономный отопитель
- ZWS Система предупреждения о времени проведения технического обслуживания
- λ Проскальзывание
- μ Значение трения
- μC Микроконтроллер (микропроцессор)
ОПИСАНИЕ СИСТЕМЫ
Общие положения
Требования законодательства и клиентов в отношении экологической безопасности, потребления
топлива, характеристик по токсичности ОГ и шумовым свойствам, постоянства частоты вращения таких
компонентов дизельных двигателей, как коробки отбора мощности и т. п., за прошедшее время
значительно выросли, а в будущем ожидается их дальнейший рост.
Система впрыска с общим нагнетательным трубопроводом Common Rail отвечает всем требованиям,
предъявляемым к современному двигателю внутреннего сгорания.
В сочетании с системой переключения передач с электронным управлением, антиблокировочной
системой, системой регулирования привода ведущих колес, системой регулирования ходовой части,
системой управления тормозами и т. п. система Common Rail повышает экономичность автомобиля и
комфортабельность езды, снижает нагрузку на водителя и на окружающую среду.
Конструкция и принцип действия
Предпосылкой для эффективного сгорания топлива является хорошее смесеобразование. При этом
центральную роль играет система впрыска. Впрыск топлива должен производиться в правильном
количестве, в нужный момент времени и под высоким давлением. Перспективной системой впрыска
высокого давления является аккумуляторная топливная система, или система впрыска Common Rail.
При этом фазы создания давления и впрыска разделены. Топливо для отдельных цилиндров поступает
из общего энергоаккумулятора, который постоянно находится под высоким давлением. Давление в
энергоаккумуляторе создается насосом высокого давления и может изменяться в зависимости от
рабочих условий. Каждый цилиндр оснащен инжектором, управляемым электромагнитным клапаном.
Объем впрыска определяется выходным сечением инжектора, длительностью открытия клапана и
давлением в энергоаккумуляторе. Давление в системе может достигать 2500 бар.
Функциональное разделение фаз создания давления и впрыска позволяет улучшать характеристики
впрыска — и тем самым процесса сгорания. Давление впрыскивания может быть свободно выбрано на
основе схемы характеристик. Возможен многократный впрыск, т. е. предварительный и дополнительный
впрыск. Управление объемом топлива и началом впрыска, а также предварительным и дополнительным
впрыском осуществляется с помощью чрезвычайно быстрых электромагнитных клапанов.
Преимуществом является то, что системы Common Rail также можно устанавливать на имеющиеся
двигатели без модификации блока головок цилиндров.
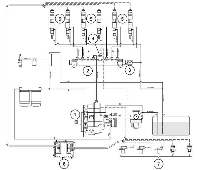
Структурная схема электронной системы управления дизельным двигателем (EDC)

1 Насос высокого давления с количественным регулированием
2 Нагнетательный трубопровод топливной системы (энергоаккумулятор топливной системы)
3 Редукционный клапан
4 Датчик давления в нагнетательном трубопроводе
5 Инжекторы
6 Блок управления EDC17
7 Другие датчики и исполнительные элементы
Структурная схема NoNOx

A Система подачи воздуха
1 Смесительная камера
2 Электрический обогрев
3 Датчик температуры
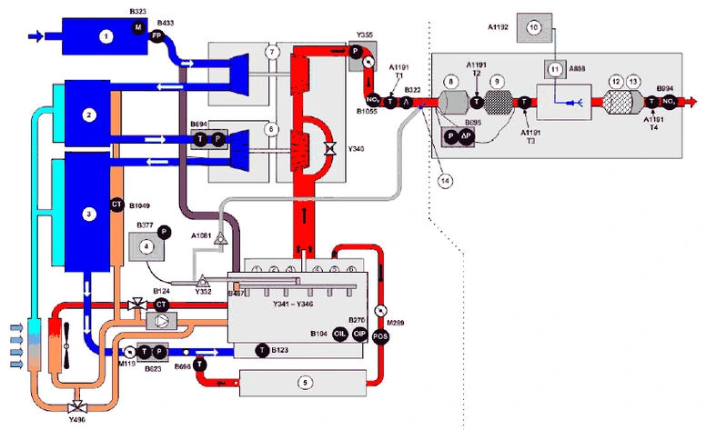
Обзор датчиков/исполнительных элементов двигателя D20/D26 с CRT, SCR и HCI

A1081 Пропорциональный клапан HCI
A1191 Термоэлемент с блоком обработки результатов (T1)
A1191 Термоэлемент с блоком обработки результатов (T2)
A1191 Термоэлемент с блоком обработки результатов (T3)
A1191 Термоэлемент с блоком обработки результатов (T4)
A1192 AdBlue, комбинированный датчик
A808 Модуль подачи AdBlue
B104 Датчик давления масла
B123 Датчик температуры наддувочного воздуха
B124 Датчик температуры охлаждающей жидкости
B270 Датчик уровня масла
B322 Лямбда-зонд
B323 Датчик массового расхода воздуха
B377 Датчик давления топлива
B433 Датчик давления воздушного фильтра
B487 Датчик давления в энергоаккумуляторе
B623 Датчик давления наддува/температуры
B694 Датчик давления наддува/температуры, низкотемп.
B695 Датчик перепада давления
ОГ/относительного давления
B696 Датчик температуры AGR
B994 Датчик NOx II OBD
B1049 Датчик температуры охлаждающей жидкости, низкотемп.
B1055 Датчик NOx I, выбросы двигателя
M119 Регулятор дроссельной заслонки
M289 Сервопривод AGR
Y332 Клапан пропорционального регулирования давления топлива
Y340 Импульсный клапан газотурбинного нагнетателя 1, высокое давление
Y341–Y346 Инжектор, цилиндры 1–6
Y355 Модуль EVB
Y493 Импульсный клапан газотурбинного нагнетателя 2, низкое давление
1 Воздушный фильтр
2 Охладитель наддувочного воздуха, низкоедавление
3 Охладитель наддувочного воздуха, низкое давление
4 Модуль KSC для фильтрации топлива
5 Факельное устройство
6 Система рециркуляции отработанных газов
7 Газотурбинный нагнетатель 1, высокое давление
8 Газотурбинный нагнетатель 2, низкое давление
9 Окислительный нейтрализатор
10 Сажевый фильтр CRT
11 Емкость для AdBlue
12 Модуль подачи AdBlue
13 Нейтрализатор SCR
14 Катализатор блокировки аммиака (NH3)
15 Насадки HCI
CRT Continously Regenerating Trap — фильтр с непрерывной очисткой (глушитель шума ОГ, окислительный нейтрализатор, фильтр твердых частиц для дизельного топлива)
SCR Selective Catalytic Reduction (установка селективной каталитической нейтрализации окислов азота)
HCI Hydro Carbon Injection (система дозирования дизельного топлива для активной регенерации фильтров твердых частиц)
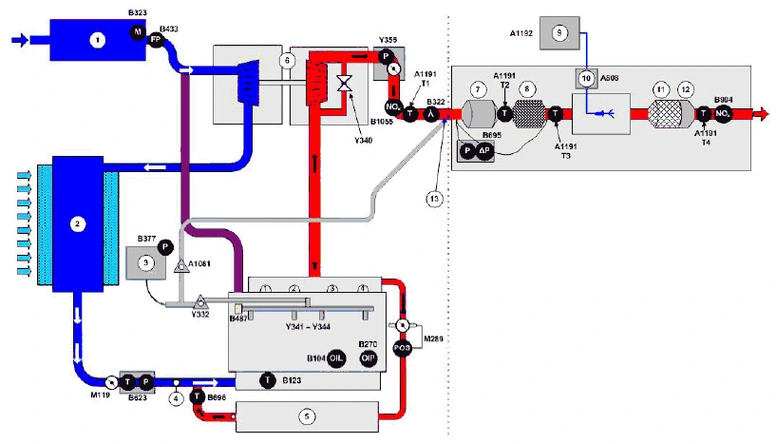
Обзор датчиков/исполнительных элементов двигателя D20/D26 с CRT и SCR

A1191 Термоэлемент с блоком обработки результатов (T1)
A1191 Термоэлемент с блоком обработки результатов (T2)
A1191 Термоэлемент с блоком обработки результатов (T3)
A1191 Термоэлемент с блоком обработки результатов (T4)
A1192 AdBlue, комбинированный датчик
A808 Модуль подачи AdBlue
B104 Датчик давления масла
B123 Датчик температуры наддувочного воздуха
B124 Датчик температуры охлаждающей жидкости
B270 Датчик уровня масла
B322 Лямбда-зонд
B323 Датчик массового расхода воздуха
B377 Датчик давления топлива
B433 Датчик давления воздушного фильтра
B487 Датчик давления в энергоаккумуляторе
B623 Датчик давления наддува/температуры
B694 Датчик давления наддува/температуры, низкотемп.
B695 Датчик перепада давления ОГ/относительного давления
B696 Датчик температуры AGR
B994 Датчик NOx II OBD
B1049 Датчик температуры охлаждающей жидкости, низкотемп.
B1055 Датчик NOx I, выбросы двигателя
M119 Регулятор дроссельной заслонки
M289 Сервопривод AGR
Y332 Клапан пропорционального регулирования давления топлива
Y340 Импульсный клапан газотурбинного нагнетателя 1, высокое давление
Y341–Y346 Инжектор, цилиндры 1–6
Y355 Модуль EVB
Y493 Импульсный клапан газотурбинного нагнетателя 2, низкое давление
Y496 Запорный/редукционный клапан, низкотемпературный
1 Воздушный фильтр
2 Охладитель наддувочного воздуха, низкое давление
3 Охладитель наддувочного воздуха, низкое давление
4 Модуль KSC для фильтрации топлива
5 Система рециркуляции отработанных газов
6 Газотурбинный нагнетатель 1, высокое давление
7 Газотурбинный нагнетатель 2, низкое давление
8 Окислительный нейтрализатор
9 Сажевый фильтр CRT
10 Емкость для AdBlue
11 Модуль подачи AdBlue
12 Нейтрализатор SCR
13 Катализатор блокировки аммиака (NH3)
CRT Continously Regenerating Trap — фильтр с непрерывной очисткой (глушитель шума ОГ, окислительный нейтрализатор, фильтр твердых частиц для дизельного топлива)
SCR Selective Catalytic Reduction (установка селективной каталитической нейтрализации окислов азота)
HCI Hydro Carbon Injection (система дозирования дизельного топлива для активной регенерации фильтров твердых частиц)
Обзор датчиков/исполнительных элементов двигателя D0836 LFL 66/67 с CRT, SCR и HCI

A1081 Пропорциональный клапан HCI
A1191 Термоэлемент с блоком обработки результатов (T1)
A1191 Термоэлемент с блоком обработки результатов (T2)
A1191 Термоэлемент с блоком обработки результатов (T3)
A1191 Термоэлемент с блоком обработки результатов (T4)
A1192 AdBlue, комбинированный датчик
A808 Модуль подачи AdBlue
B104 Датчик давления масла
B123 Датчик температуры наддувочного воздуха
B270 Датчик уровня масла
B322 Лямбда-зонд
B323 Датчик массового расхода воздуха
B377 Датчик давления топлива
B433 Датчик давления воздушного фильтра
B487 Датчик давления в энергоаккумуляторе
B623 Датчик давления наддува/температуры
B695 Датчик перепада давления ОГ/относительного давления
B696 Датчик температуры AGR
B994 Датчик NOx II OBD
B1055 Датчик NOx I, выбросы двигателя
M119 Регулятор дроссельной заслонки
M289 Сервопривод AGR
Y332 Клапан пропорционального регулирования давления топлива
Y340 Импульсный клапан газотурбинного нагнетателя 1, высокое давление
Y341–Y346 Инжектор, цилиндры 1–6
Y281 Электромагнитный клапан EVB
1 Воздушный фильтр
2 Охладитель наддувочного воздуха, низкое давление
3 Охладитель наддувочного воздуха, низкое давление
4 Модуль KSC для фильтрации топлива
5 Факельное устройство
6 Система рециркуляции отработанных газов
7 Газотурбинный нагнетатель 1, высокое давление
8 Газотурбинный нагнетатель 2, низкое давление
9 Окислительный нейтрализатор
10 Сажевый фильтр CRT
11 Емкость для AdBlue
12 Модуль подачи AdBlue
13 Нейтрализатор SCR
14 Катализатор блокировки аммиака (NH3)
15 Насадки HCI
CRT Continously Regenerating Trap — фильтр с непрерывной очисткой (глушитель шума ОГ, окислительный нейтрализатор, фильтр твердых частиц для дизельного топлива)
SCR Selective Catalytic Reduction (установка селективной каталитической нейтрализации окислов азота)
HCI Hydro Carbon Injection (система дозирования дизельного топлива для активной регенерации фильтров твердых частиц)
Обзор датчиков/исполнительных элементов двигателя D0836 LFL 68 с CRT, SCR и HCI

A1081 Пропорциональный клапан HCI
A1191 Термоэлемент с блоком обработки результатов (T1)
A1191 Термоэлемент с блоком обработки результатов (T2)
A1191 Термоэлемент с блоком обработки результатов (T3)
A1191 Термоэлемент с блоком обработки результатов (T4)
A1192 AdBlue, комбинированный датчик
A808 Модуль подачи AdBlue
B104 Датчик давления масла
B123 Датчик температуры наддувочного воздуха
B270 Датчик уровня масла
B322 Лямбда-зонд
B323 Датчик массового расхода воздуха
B377 Датчик давления топлива
B433 Датчик давления воздушного фильтра
B487 Датчик давления в энергоаккумуляторе
B623 Датчик давления наддува/температуры
B695 Датчик перепада давления ОГ/относительного давления
B696 Датчик температуры AGR
B994 Датчик NOx II OBD
B1055 Датчик NOx I, выбросы двигателя
M119 Регулятор дроссельной заслонки
M289 Сервопривод AGR
Y332 Клапан пропорционального регулирования давления топлива
Y340 Импульсный клапан газотурбинного нагнетателя 1, высокое давление
Y341–Y346 Инжектор, цилиндры 1–6
Y355 Модуль EVB
1 Воздушный фильтр
2 Охладитель наддувочного воздуха, низкое давление
3 Охладитель наддувочного воздуха, низкое давление
4 Модуль KSC для фильтрации топлива
5 Система рециркуляции отработанных газов
6 Газотурбинный нагнетатель 1, высокое давление
7 Газотурбинный нагнетатель 2, низкое давление
8 Окислительный нейтрализатор
9 Сажевый фильтр CRT
10 Емкость для AdBlue
11 Модуль подачи AdBlue
12 Нейтрализатор SCR
13 Катализатор блокировки аммиака (NH3)
14 Насадки HCI
CRT Continously Regenerating Trap — фильтр с непрерывной очисткой (глушитель шума ОГ, окислительный нейтрализатор, фильтр твердых частиц для дизельного топлива)
SCR Selective Catalytic Reduction (установка селективной каталитической нейтрализации окислов азота)
HCI Hydro Carbon Injection (система дозирования дизельного топлива для активной регенерации фильтров твердых частиц)
Обзор датчиков/исполнительных элементов двигателя D0834 LFL 66/67 с CRT, SCR и HCI

A1081 Пропорциональный клапан HCI
A1191 Термоэлемент с блоком обработки результатов (T1)
A1191 Термоэлемент с блоком обработки результатов (T2)
A1191 Термоэлемент с блоком обработки результатов (T3)
A1191 Термоэлемент с блоком обработки результатов (T4)
A1192 AdBlue, комбинированный датчик
A808 Модуль подачи AdBlue
B104 Датчик давления масла
B123 Датчик температуры наддувочного воздуха
B270 Датчик уровня масла
B322 Лямбда-зонд
B323 Датчик массового расхода воздуха
B377 Датчик давления топлива
B433 Датчик давления воздушного фильтра
B487 Датчик давления в энергоаккумуляторе
B623 Датчик давления наддува/температуры
B695 Датчик перепада давления ОГ/относительного давления
B696 Датчик температуры AGR
B994 Датчик NOx II OBD
B1055 Датчик NOx I, выбросы двигателя
M119 Регулятор дроссельной заслонки
M289 Сервопривод AGR
Y332 Клапан пропорционального регулирования давления топлива
Y340 Импульсный клапан газотурбинного нагнетателя 1, высокое давление
Y341–Y344 Инжектор, цилиндры 1–4
Y355 Модуль EVB
1 Воздушный фильтр
2 Охладитель наддувочного воздуха
3 Модуль KSC для фильтрации топлива
4 Факельное устройство
5 Система рециркуляции отработанных газов
6 Газотурбинный нагнетатель 1
7 Окислительный нейтрализатор
8 Сажевый фильтр CRT
9 Емкость для AdBlue
10 Модуль подачи AdBlue
11 Нейтрализатор SCR
12 Катализатор блокировки аммиака (NH3)
13 Насадки HCI
CRT Continously Regenerating Trap — фильтр с непрерывной очисткой (глушитель шума ОГ, окислительный нейтрализатор, фильтр твердых частиц для дизельного топлива)
SCR Selective Catalytic Reduction (установка селективной каталитической нейтрализации окислов азота)
HCI Hydro Carbon Injection (система дозирования дизельного топлива для активной регенерации фильтров твердых частиц)
Обзор соединений по шине CAN и электропитания
Двигатель D20/D26

Двигатель D08

Обозначения к обзору соединений по шине CAN и схеме электропитания
A100 Центральный щит электрических соединений
A435 Блок управления двигателем
A808 Модуль подачи AdBlue
A1124 Power Train Manager (PTM)
A1191 Термоэлементы с блоком обработки результатов
A1192 AdBlue, комбинированный датчик
B994 Датчик NOx II OBD
B1055 Датчик NOx I, выбросы двигателя
F737 Предохранитель модуля подачи AdBlue, кл. 15
F738 Предохранитель модуля подачи AdBlue, кл. 30
F894 Предохранитель комбинированного датчика AdBlue
F1071 Предохранитель дроссельной заслонки наддувочного воздуха
F1084 Предохранитель датчика NOx-I, выбросы двигателя
F1108 Предохранитель системы рециркуляции отработанных газов
F1109 Предохранитель датчика NOx II OBD
M119 Регулятор дроссельной заслонки
M289 Сервопривод AGR
X200 Диагностический штекер
X617 Распределитель, провод 31000
X1549 Разъемное соединение двигатель/EDC/коробка передач I
X1551 Разъемное соединение двигатель/EDC/коробка передач II
X1559 Разъемное соединение двигатель/EDC/коробка передач IV
X1983 Точка соединения с массовым проводом, стержень с резьбой M6 (коробка MP)
X3212 Разъемное соединение CRT/нейтрализатор SCR — место отсоединения двигателя
Указание: Следует учитывать различную последовательность компонентов в соединениях по шине CAN
для двигателей D20/D26 и D08. См. также главу «Поиск неисправностей в соединениях по шине CAN»
ФУНКЦИОНАЛЬНОЕ ОПИСАНИЕ
A435 Блок управления EDC17

(A) Штекер A, 58-контактный
(B) Гнездо не занято
(C) Штекер С, 96-контактный
(D) Штекер инжектора, 16-контактный
Основной задачей блока управления EDC17 является управление объемом впрыскиваемого топлива,
регулирование момента впрыска и включение стартера. Чтобы двигатель мог работать с оптимальными
показателями сгорания в любом режиме эксплуатации, выполняется расчет оптимального объема и
момента впрыска.
Блок управления обрабатывает сигналы датчиков и на их основе рассчитывает управляющие сигналы
для инжекторов.
Блок управления (программное/аппаратное обеспечение) предназначен не более чем для восьми
цилиндров.
Программное обеспечение блока управления содержит следующие функциональные группы:
– Создание заданного значения объема, дозирование топлива
– Регулирование давления топлива с помощью насоса высокого давления
– Отключение давления топлива (аварийный режим работы АКПП)
– Регулирование холостого хода
– Ограничение максимальной частоты вращения, дымления и максимального крутящего момента
– Адаптивное компенсационное регулирование цилиндров (регулирование плавного хода)
– Отключение цилиндров
– Рециркуляция ОГ
– Система впуска воздуха/нейтрализации отработавших газов
– Управление температурой и составом отработавших газов
– Регулирование давления наддува (Waste Gate Control)
– Регистрация сигналов и расчет рабочих величин
– Диагностика и функции контроля
– Функциональность OBD
Разводка контактов штекера A



Разводка контактов штекера B
При использовании блока управления EDC17 это гнездо свободно. Контакты не выводятся.
Разводка контактов штекера C




Разводка контактов штекера D


Насос высокого давления CP3

Насос высокого давления предназначен для выработки высокого давления, необходимого для
впрыскивания, а также для подачи достаточного количества топлива во всех рабочих режимах. Насос
высокого давления приводится в движение двигателем и устанавливается в рядных двигателях D08 в
том же месте, что и традиционный ТНВД. Двигатель D20/D26 представляет собой новую конструкцию с
расположенным вверху распределительным валом. В качестве привода для насоса высокого давления
выступают цилиндрические зубчатые колеса. Аналогичный привод через шкив ременной передачи с
передней стороны двигателя приводит в действие генератор, насос системы охлаждения и, при наличии,
компрессор системы кондиционирования воздуха.
Топливо нагнетается от топливоподающего насоса через топливопроводы к модулю KSC для
фильтрации топлива, а затем через блок ZME подается во всасывающую камеру насоса высокого
давления. Топливоподающий насос прифланцован к насосу высокого давления. На стороне всасывания
насоса высокого давления установлен пропорциональный клапан ZME (MProp). Пропорциональный
клапан играет роль исполнительного механизма для регулирования давления топлива в
энергоаккумуляторе топливной системы (Rail).
Насос высокого давления CP3 представляет собой радиально-поршневой насос с тремя цилиндрами.
В двигателях с системным давлением 1800 бар, отвечающих нормам Euro-6, используются насосы со
смазкой топливом CP3.4H+ (в двигателях типа D20/D26), а в двигателях D08 используются насосы со
смазкой топливом CP3.3NH.
Y332 Клапан пропорционального регулирования давления топлива

Клапан пропорционального регулирования давления топлива — это исполнительный механизм для
регулирования давления топлива в энергоаккумуляторе топливной системы (Rail). Клапан
пропорционального регулирования давления топлива находится на стороне низкого давления (стороне
впуска) насоса высокого давления и закреплен в корпусе насоса высокого давления CP3 резьбовым
соединением.
Клапан пропорционального регулирования давления топлива регулируется выходом сигнала ШИМ
(сигнал с широтно-импульсной модуляцией):
- Коэффициент заполнения 100 %: пропорциональный клапан закрыт (отсутствие подачи)
- Коэффициент заполнения 0 %: пропорциональный клапан открыт (максимальная подача)
Регулирующий контур состоит из датчика давления в нагнетательном трубопроводе, блока управления
EDC17 и клапана пропорционального регулирования давления топлива.
Указание к определениям терминов: клапан пропорционального регулирования давления топлива
может также обозначаться как «пропорциональный клапан» или «MProp».
Допускаются оба термина. Сокращение MProp используется для обозначения клапана пропорционального регулирования количества (топлива).
Разводка контактов


Энергоаккумулятор топливной системы (Rail)

Происхождение наименования «Common Rail» связано с конструкцией и функцией энергоаккумулятора
топливной системы. Топливо впрыскивается в отдельные цилиндры через общий (= Common)
энергоаккумулятор, одновременно выполняющий функции распределительной шины (= Rail). При этом
топливо постоянно находится под высоким давлением и должно потребляться только в определенный
момент.
Задачами энергоаккумулятора топливной системы являются:
- Накапливание топлива
- Предотвращение колебаний давления
Энергоаккумулятор топливной системы представляет собой трубу, изготовленную из кованой стали. Он
может иметь различный диаметр и длину (в зависимости от модели двигателя). Для предотвращения
колебаний давления следует добиваться по возможности большего объема, т. е. максимально
возможной длины и диаметра. Однако для быстрого запуска двигателя более благоприятным является
небольшой объем. Поэтому необходимо осуществлять как можно более точный расчет объема на
соответствующем двигателе.
Поэтому на приведенном выше рисунке представлен лишь примерный расчет.
На энергоаккумуляторе топливной системы также установлен редукционный клапан и датчик давления в
нагнетательном трубопроводе.
Редукционный клапан (DBV — клапан ограничения давления)

Редукционный клапан установлен на энергоаккумуляторе топливной системы (Rail) и выполняет функции
предохранительного клапана с ограничением давления. Редукционный клапан ограничивает давление в
энергоаккумуляторе топливной системы. При избыточном давлении открывается сливное отверстие.
При нормальном рабочем давлении пружина плотно вдавливает поршень в гнездо клапана, так что
энергоаккумулятор топливной системы остается закрытым. Только при превышении максимального
давления системы поршень перемещается под действием давления в энергоаккумуляторе топливной
системы, преодолевая сопротивление пружины.
Редукционный клапан состоит из двух поршней. При значительном росте давления в
энергоаккумуляторе топливной системы (ок. 2200 бар) первый поршень перемещается и открывает
выпускной канал с постоянным неполным сечением, через которое топливо вытекает из
энергоаккумулятора. Затем давление в энергоаккумуляторе постоянно удерживается на уровне около
700–800 бар. Двигатель продолжает работать, и автомобиль может ехать до ближайшей станции
технического обслуживания MAN с пониженным расходом топлива.
Редукционный клапан закрывается снова только в том случае, если двигатель выключается и давление
в энергоаккумуляторе топливной системы падает ниже 50 бар. Таким образом, если клапан был открыт,
то 2-я ступень остается открытой до тех пор, пока двигатель работает.
Если клапан не открывается достаточно быстро, то его открытие выполняется толчком, т. е.
принудительно. Для подобного открытия редукционного клапана происходит прерывание подачи
питания, в результате чего открывается клапан пропорционального регулирования давления топлива.
При этом также блокируется отбор топлива посредством впрыска. Давление в энергоаккумуляторе
значительно увеличивается до достижения давления открытия редукционного клапана. Если в ходе
толчка открытие не было выполнено, например вследствие механического заклинивания редукционного
клапана, двигатель останавливается.
Указание: Блок управления EDC17 контролирует продолжительность открытия редукционного клапана.
Через 360 минут отображается ошибка SPN 4386. Кроме того, осуществляется контроль числа операций
открытия редукционного клапана. После того, как клапан ограничения давления будет открыт 100 раз,
записывается ошибка SPN 4381. Эти ошибки нельзя удалить обычным способом, они удаляются только
с помощью функции MAN-cats® «Сброс программируемых значений редукционного клапана».
После замены редукционного клапана программируемые значения следует сбросить с помощью
MAN-cats®.
Строго соблюдайте момент затяжки 100 Нм!
B487 Датчик давления в энергоаккумуляторе

Датчик давления в энергоаккумуляторе контролирует давление топлива в энергоаккумуляторе
топливной системы (Rail). Целью этого является обеспечение заданного давления в энергоаккумуляторе
топливной системы (Rail). Датчик давления в энергоаккумуляторе устанавливается на энергоаккумуляторе топливной системы.
Разводка контактов


Y341 Инжектор цилиндра 1

Следующее описание дается на примере инжектора цилиндра 1 (Y341) и действительно для всех других
установленных инжекторов:
- Y342 Инжектор цилиндра 2
- Y343 Инжектор цилиндра 3
- Y344 Инжектор цилиндра 4
- Y345 Инжектор цилиндра 5
- Y346 Инжектор цилиндра 6
При помощи инжектора топливо впрыскивается в камеру сгорания. Блок управления EDC17 задает
длительность (длительность активации катушки инжектора для предварительного, основного и
возможного дополнительного впрыска) и момент впрыска и активирует быстродействующий магнитный
клапан в инжекторе. Через сердечник магнитного клапана открывается или закрывается выпускной
дроссель отсека управления. При открытом выпускном дросселе понижается давление в отсеке
управления и открывается игла форсунки. При закрытом выпускном дросселе повышается давление в
отсеке управления и игла распылителя форсунки закрывается. Характеристики открытия иглы форсунки
(скорость открытия и закрытия) также определяются впускным и выпускным дросселем в отсеке
управления инжектора.
Через сливной трубопровод (трубопровод утечки) объем утечки инжектора (утечка через выпускной
дроссель и иглу форсунки) подается обратно в бак. Точный объем впрыскиваемого топлива
определяется выходным поперечным сечением форсунки, длительностью открытия магнитного клапана
и давлением в энергоаккумуляторе.
При производстве инжекторы проверяют на наличие самых незначительных отклонений для
компенсации допусков изготовителя.
Данные значения отклонений записываются для каждого инжектора и наносятся на каждый инжектор в
виде буквенно-цифрового кода.
Указание: После замены инжекторов новые коды IQA должны быть запрограммированы в блоке
управления EDC17 с помощью MAN-cats®.
B488 Инкрементный датчик частоты вращения

С помощью этого датчика частоты вращения на маховике измеряется (рассчитывается) угол поворота
коленчатого вала. Эта информация важна для настройки правильного момента активации инжекторов
отдельных цилиндров.
Зубчатый диск импульсного датчика является инкрементным. Поэтому этот датчик частоты вращения в
дальнейшем обозначается как инкрементный датчик частоты вращения. Инкрементный диск является
составной частью маховика и имеет 60–2 = 58 отверстий (6 x 5 мм), которые расположены на расстоянии
6° друг от друга. Два отверстия отсутствуют для создания промежутка, который служит для определения
угловой позиции 360° коленчатого вала двигателя (один оборот кривошипа) и соответствует
определенному положению коленчатого вала цилиндра 1. Двигатель может также запускаться только с
инкрементным датчиком частоты вращения или только с сегментным датчиком частоты вращения.
При режиме работы только с инкрементным датчиком частоты вращения в процессе пуска выполняются
пробные впрыскивания в углу перекрытия клапанов и углу опережения зажигания, т. к. электронная
система управления дизельным двигателем (EDC) без сегментного датчика частоты вращения вначале
должна найти правильный угол опережения зажигания. Если блок управления распознает реакцию
частоты вращения (зажигание), то он определяет правильный угол опережения зажигания, и двигатель
запускается и работает, как с обоими датчиками.
Инкрементный датчик частоты вращения состоит из постоянного магнита и катушки с большим
количеством витков. Магнит «касается» своим магнитным полем вращающейся детали машины, в
данном случае инкрементного диска, который размещен на коленчатом валу. При прохождении
отверстия на датчике
магнитный поток усиливается, а при прохождении промежутка между отверстиями — уменьшается. Это
создает индукционное напряжение в катушке датчика, которое анализируется устройством управления.
Расстояние до инкрементного диска составляет примерно 1 мм.
Разводка контактов

B489 Сегментный датчик частоты вращения

Распределительный вал управляет впускными и выпускными клапанами двигателя. Он вращается вдвое
медленнее, чем коленчатый вал. Его положение определяет, находится ли поршень в такте сжатия или в такте выпуска в процессе перемещения к верхней мертвой точке. Эту информацию нельзя определить
по положению коленчатого вала во время процесса пуска. Напротив, в режиме движения для
определения положения вала двигателя достаточно информации, выдаваемой инкрементным датчиком
частоты вращения на коленчатом валу. Это означает, что при выходе из строя датчика частоты
вращения на распределительном валу во время движения блок управления все еще может определить
положение вала двигателя. Зубчатый диск импульсного датчика исполнен в виде сегментного диска и
приводится в движение распределительным валом. Поэтому этот датчик частоты вращения в
дальнейшем обозначается как сегментный датчик частоты вращения. Для обозначения сегментного
диска также используется термин «фазовый диск». Он имеет по одной фазовой метке на цилиндр
(например, шесть меток для 6-цилиндровых двигателей или четыре метки для 4-цилиндровых
двигателей) и одну метку синхронизации. Фазовая метка представляет собой зубец на фазовом диске.
Фазовые метки распределены по всему фазовому диску с регулярными интервалами. Метка
синхронизации представляет собой дополнительную метку на фазовом диске, которая расположена
сразу же за одной из фазовых меток. Она служит для определения углового положения двигателя в
пределах угла поворота коленчатого вала 720°.
При выходе из строя сегментного датчика частоты вращения блок управления при очередном пуске
вначале не может определить угол опережения зажигания. В таком случае всегда сначала выбирается
угол опережения зажигания цилиндра 1. Если это предположение правильное, то двигатель запускается
и работает нормально. В противном случае двигатель не запускается, и необходима новая попытка
пуска. Таким образом, по статистике, каждая вторая попытка пуска приводит к успеху.
Конструкция и принцип действия сегментного датчика частоты вращения аналогичны конструкции и
принципу действия инкрементного датчика частоты вращения, используемого для регистрации частоты
вращения коленчатого вала.
Разводка контактов


B104 Датчик давления масла

Датчик давления масла предназначен для защиты двигателя. Он контролирует давление масла.
Диапазон измерений составляет от 0 бар (0,5 В) до 6 бар (4,5 В).
Разводка контактов


B270 Датчик уровня масла

Датчик уровня масла предназначен для статического измерения уровня моторного масла и постоянного
измерения температуры моторного масла.
Измеренные значения

Разводка контактов


B377 Датчик давления топлива

Датчик давления топлива контролирует давление топлива на впуске насоса (сторона низкого давления).
Диапазон измерений составляет от 0 бар (0,5 В) до 15 бар (4,5 В).
Разводка контактов


B323 Датчик массового расхода воздуха

Датчик массового расхода воздуха расположен непосредственно за элементом воздушного фильтра,
однако после блока забора воздуха для воздушного компрессора в трубе для забора воздуха. Он
поставляет информацию о температуре воздуха на впуске и фактической массе всасываемого
двигателем воздуха (кг/ч).
Два чувствительных элемента с электрическим обогревом, установленные на одном чипе, выступают
в воздушный поток измерительной трубы. Температура второго чувствительного элемента всегда
поддерживается на постоянном уровне. Воздушный поток забирает тепло от первого чувствительного
элемента. При сравнении данных обоих чувствительных элементов получается разность температур
(ΔT). Отрегулированный поток для второго чувствительного элемента в сочетании с ΔT дает величину
протекающей мимо него воздушной массы. Чем больше этот воздушный поток, тем больше энергии
требуется для поддержания неизменной температуры чувствительного элемента.
Датчик массового расхода воздуха поставляет информацию о регулировке дозатора AdBlue и дозатора
HCI, которая также используется в качестве входной величины для модели нагрузки фильтра твердых
частиц и регенерации фильтра твердых частиц.
Указание: Встроенный датчик не должен контактировать с чистящими средствами и другими
химикатами (например, такими присадками для облегчения пуска двигателя, как Startpilot и т. п.).
В противном случае возможно полное разрушение или смещение датчика!
Разводка контактов


B623 Датчик давления наддува/температуры

Датчик давления наддува предназначен для замера абсолютного давления наддува. Чувствительный
элемент и электроника для усиления сигнала и компенсации температуры интегрированы в кремниевый
микрочип. Активная поверхность кремниевого микрочипа находится под воздействием эталонного
вакуума. Через напорный патрубок давление впускного трубопровода подводится к задней стороне
мембраны, которая резистентна по отношению к среде измерения.
Датчик давления наддува дополнительно оснащен датчиком температуры. Вместе с датчиком
температуры наддувочного воздуха (B123) он служит для контроля рециркуляции отработавших газов.
Датчик давления наддува установлен перед входом системы рециркуляции отработавших газов, а
датчик температуры наддувочного воздуха — после него. Объем возвращаемых ОГ можно проверить на
достоверность на основе разности температур обоих датчиков.
Измеренные значения

Разводка контактов


B694 Датчик давления наддува/температуры, низкотемпературный

В двигателях серии D20/D26 в низкотемпературном контуре установлен дополнительный датчик
давления наддува/температуры. Конструкция датчика аналогична конструкции датчика давления
наддува/температуры B623.
Измеренные значения
Температура (°C) 120 100 80

Разводка контактов


B123 Датчик температуры наддувочного воздуха

Датчик температуры наддувочного воздуха (B123) вместе с датчиком температуры наддувочного
воздуха (B623) контролирует рециркуляцию отработавших газов. Датчик температуры наддувочного
воздуха (B623) установлен перед входом системы рециркуляции отработавших газов, а датчик
температуры наддувочного воздуха (B123) — после него. Объем возвращаемых ОГ можно проверить на
достоверность на основе разности температур обоих датчиков.
Измеренные значения

Разводка контактов


B124 Датчик температуры охлаждающей жидкости

Датчик температуры охлаждающей жидкости передает в блок управления информацию о температуре
охлаждающей жидкости. В зависимости от температуры охлаждающей жидкости блок управления
обращается к различным характеристикам режима работы двигателя.
Измеренные значения

Разводка контактов


B1049 Датчик температуры охлаждающей жидкости, низкотемпературный

В двигателях серии D20/D26 в низкотемпературном контуре установлен дополнительный датчик
температуры. Датчик температуры охлаждающей жидкости передает в блок управления информацию о
температуре охлаждающей жидкости. В зависимости от температуры охлаждающей жидкости блок
управления обращается к различным характеристикам режима работы двигателя.
Измеренные значения

Разводка контактов


B696 Датчик температуры AGR

Датчик температуры представляет собой компонент, относящийся к OBD. Он регистрирует температуру
ОГ после охладителя системы AGR, чтобы контролировать охладитель системы AGR на потери КПД.
Измеренные значения

Разводка контактов


B561 Датчик температуры ОГ перед фильтром

Датчик температуры контролирует температуру отработавших газов перед окислительным
нейтрализатором/фильтровальной системой CRT.
Указание: Этот датчик используется только в двигателях автобусов D0836 LOH и D2066 LUH.
Измеренные значения

Разводка контактов


B562 Датчик температуры ОГ после фильтра

Датчик температуры контролирует температуру отработавших газов после окислительного
нейтрализатора/фильтровальной системы CRT или перед нейтрализатором SCR.
Указание: Этот датчик используется только в двигателях автобусов D0836 LOH и D2066 LUH.
Измеренные значения

Разводка контактов


B634 Датчик температуры ОГ после нейтрализатора SCR

Датчик температуры контролирует температуру отработавших газов после нейтрализатора SCR.
Указание: Этот датчик используется только в двигателях автобусов D0836 LOH и D2066 LUH.
Измеренные значения

Разводка контактов


A1191 Термоэлементы ОГ

В качестве технического усовершенствования или альтернативы предыдущим датчикам температуры во
всех двигателях грузовых автомобилей и автобусов D20/D26 LOH используются термоэлементы,
измеряющие температуру в потоке ОГ.
Термоэлемент преобразует тепло в электрическую энергию, используя термоэлектричество. Как
правило, это деталь, состоящая из двух различных видов металла, соединенных друг с другом с одного
конца. В ходе прохождения теплового потока разность температур создает электрическое напряжение.
Установленный в центре блок обработки результатов обменивается информацией с блоком управления
EDC17 по шине CAN ОГ.
Регистрируемые показатели температуры являются условием эффективного управления
нейтрализацией ОГ. Например, для преобразования оксидов азота в азот и воду требуется температура
деталей и ОГ не менее 200 °C. Кроме того, информация о температуре также используется для
управления условиями включения и выключения дозатора AdBlue.
Разводка контактов


B673 Датчик положения E-AGR, цилиндр

Во внешней системе рециркуляции отработанных газов, оснащенной системой охлаждения, от
основного потока отработавших газов отделяется небольшой объем, который пропускается через
специальный теплообменник. После этого охлажденные отработавшие газы смешиваются со свежим
воздухом во впускном тракте с помощью системы клапанов на передней стороне двигателя. Поэтому
температура сгорания понижается. Оксиды азота (NOx) образуются в меньшем объеме. Активация
регулятора рециркуляции отработавших газов (AGR) выполняется с помощью блока управления
двигателем.
В системе рециркуляции отработавших газов с регулировкой положения исполнительный
пневмоцилиндр AGR (E-AGR) плавно изменяет положение заслонки AGR. Таким образом, при
необходимости можно дозировать объем отводимого отработавшего газа в зависимости от
эксплуатационного состояния двигателя. Это приводит к минимальному выбросу вредных веществ в
течение всей эксплуатации двигателя. Расход топлива можно повторно уменьшить, в особенности в
режиме интенсивной эксплуатации двигателя. Положение заслонки AGR контролируется датчиком
положения (B673), установленным на исполнительном пневмоцилиндре.
Пневматическая система (цилиндр исполнительного механизма с датчиком положения B673 и
клапаном пропорционального регулирования Y458) используется только в двигателях автобусов D0836 LOH и D2066.
Указание по определению терминов: Обозначение E-AGR было впервые использовано для
разграничения/распознавания первого поколения пневмоцилиндров системы AGR, которые выполняли
только пневматическое «черно-белое» регулирование. Электрический сервопривод AGR (M289) теперь
также обозначается как «e-AGR».
Разводка контактов


Y458 Клапан пропорционального регулирования E-AGR

Клапан пропорционального регулирования (Y458) контролирует пневмоцилиндр системы AGR (E-AGR) с
регулировкой положения. Рабочей средой является воздух, минимальное рабочее давление составляет
около 7 бар. Блок управления двигателем задает величину коэффициента заполнения в качестве
управляющего сигнала.
Пневматическая система (цилиндр исполнительного механизма с датчиком положения B673 и клапаном
пропорционального регулирования Y458) используется только в двигателях автобусов D0836 LOH и
D2066.
Указание по определению терминов: Обозначение E-AGR было впервые использовано для
разграничения/распознавания первого поколения пневмоцилиндров системы AGR, которые выполняли
только пневматическое «черно-белое» регулирование. Электрический сервопривод AGR (M289) теперь
также обозначается как «e-AGR».
Разводка контактов


M289 Сервопривод AGR

В результате технического усовершенствования системы теперь используется электрическая активация
клапана системы рециркуляции отработанных газов теперь выполняется, а не пневматическая, как это
было раньше. В результате улучшается качество регулирования. Связь выполняется по
информационной шине CAN.
Сервопривод AGR M289 используется во всех двигателях грузовых автомобилей и двигателях автобусов
D20/D26 LOH.
Указание: Запрещается разъединять резьбовые соединения между сервоприводом и сервоклапаном,
т. к. в результате этого нарушается калибровка.
Разводка контактов


M119 Регулятор дроссельной заслонки

Основная функция дроссельной заслонки наддувочного воздуха — регулировка массового потока
наддувочного воздуха при различных состояниях двигателя. Дроссельная заслонка наддувочного
воздуха предназначена для увеличения объема возвращаемых ОГ, повышения температуры ОГ, а также
предотвращения остывания системы выпуска ОГ при работе с малой нагрузкой.
В обесточенном состоянии дроссельная заслонка открыта. Встроенный электрический привод
перемещает вторичный вал коробки передач, закрепленный на заслонке. Возвратная пружина открывает
заслонку в обесточенном состоянии.
Встроенное электронное оборудование получает сигналы через шину CAN ОГ и выполняет
позиционирование двигателя, который определяет положение заслонки с помощью коробки передач.
Электроника передает дополнительную информацию (например, диагностика, температура) по шине
CAN в блок управления.
Разводка контактов


B695 Датчик перепада давления ОГ/относительного давления

Комбинированный датчик перепада давления ОГ/относительного давления измеряет относительное
давление ОГ, т. е. текущее давление перед окислительным нейтрализатором по отношению к
атмосферному, для компенсации давления датчика NOx и лямбда-зонда. С другой стороны, он измеряет
перепад давления ОГ в обеих точках подключения к участку измерения окислительного нейтрализатора
и фильтра твердых частиц (фильтра CRT) для распознавания нагрузки на фильтр, демонтажа фильтра,
повреждения фильтра и срабатывания системы регенерации.
Присоединения шлангов:
- Большой диаметр: сторона высокого давления (перед окислительным нейтрализатором)
- Малый диаметр: сторона низкого давления (после фильтра твердых частиц)
Указание: После замены датчик перепада давления ОГ/относительного давления следует заново
запрограммировать с помощью MAN-cats®.
Разводка контактов


B322 Лямбда-зонд

Лямбда-зонд измеряет различие концентрации кислорода в окружающем воздухе и потоке отработавших
газов. Таким образом, выходной сигнал зонда представляет собой непосредственную величину
коэффициента избытка воздуха в отработавших газах. Благодаря обогреву зонда анализ коэффициента
избытка воздуха может выполняться уже при температуре отработавших газов около 150 °C. В данном
случае используется широкополосный лямбда-зонд LSU 4.9, обеспечивающий бесступенчатое
измерение соотношение масс воздуха, начиная от значения λ = 0,65. Это стало возможным, поскольку
протекающий практически линейно «ток накачки» используется в качестве измеряемой величины для
блока управления. Широкополосный зонд оснащен двумя ячейками: ячейкой накачки и сенсорной
ячейкой (концентрационный элемент Нернста). С помощью тока накачки в измерительную камеру
накачивается столько ионов кислорода, чтобы между электродами в основном воздушном канале и
измерительной камере создавалось напряжение 450 мВ. Ток накачки представляет собой измеряемую
величину для значения λ. Поэтому соответствующая схема обработки сигналов позволяет использовать
лямбда-зонд для контроля объема возвращаемых ОГ. Объем возвращаемых ОГ непосредственно
влияет на показатели NOx.
Указание по установке: При повторной установке лямбда-зонд можно устанавливать только с
монтажной пастой WEICON Anti-Seize High-Tech, идентификационный код MAN 09.16012-0133.
Использовании других монтажных средств может стать причиной ошибок измерения.
Разводка контактов


Y340 Импульсный клапан газотурбинного нагнетателя 1

Импульсный клапан газотурбинного нагнетателя служит для активации перепускного клапана ОГ
газотурбинного нагнетателя. В двигателях серии D08 с 2-ступенчатым наддувом устанавливается только
один импульсный клапан (Y340) для регулирования давления наддува на компрессоре высокого
давления (малый газотурбинный нагнетатель) через перепускной клапан ОГ.
Импульсный клапан газотурбинного нагнетателя 1 (Y340) активируется через ШИМ-выход (сигнал с широтно-импульсной модуляцией) блока управления двигателем.
Подача сжатого воздуха выполняется через клапан управления подачей сжатого воздуха (Y460) и
редукционный клапан, снижающий подаваемое давление до 2,5 бар. В соответствии с этими сигналами
импульсный клапан изменяет давление со стороны перепускного клапана ОГ газотурбинного
нагнетателя и тем самым, положение перепускного клапана ОГ или давление наддува.
Предельные значения широтно-импульсного сигнала находятся между 0 %, что соответствует
максимальному открытию перепускного клапана ОГ (минимальное давление наддува) и 100 %, что
соответствует закрытому клапану (максимальное давление наддува).
Измеренные значения
1200 Ом между плюсовым и минусовым контактом
Разводка контактов


Y493 Импульсный клапан газотурбинного нагнетателя 2

Импульсный клапан газотурбинного нагнетателя служит для активации перепускного клапана ОГ
газотурбинного нагнетателя. В двигателях серии D20/D26 применяется 2-ступенчатый наддув с
промежуточным охлаждением. В них устанавливается еще один импульсный клапан (Y493) для
регулирования давления наддува в компрессоре низкого давления (большой газотурбинный
нагнетатель) через перепускной клапан. Этот перепускной клапан используется для того, чтоб при
большом потоке отработавших газов использовать ступень низкого давления в оптимальном
диапазоне КПД.
В отличие от импульсного клапана газотурбинного нагнетателя 1 (Y340), импульсный клапан
газотурбинного нагнетателя 2 (Y493) активируется не с помощью ШИМ-выхода (сигнал с широтно-
импульсной модуляцией), а от блока управления EDC путем «черно-белого» регулирования.
Подача сжатого воздуха выполняется через клапан управления подачей сжатого воздуха (Y460) и
редукционный клапан, снижающий подаваемое давление до 2,5 бар.
При двухступенчатом наддуве отработавший газ проходит вначале через малый (ступень высокого
давления), а затем через большой (ступень низкого давления) газотурбинные нагнетатели. С помощью
ступени высокого давления уже в низком диапазоне частоты вращения можно установить высокое
давление наддува, что обеспечивает подачу большого объема воздуха для сгорания с малым
содержанием частиц. Промежуточное охлаждение используется для того, чтобы ограничить температуру
наддувочного воздуха при сжатии и тем самым предотвратить закоксовывание (образование масляного
нагара) ротора и кожуха компрессора. Кроме того, промежуточное охлаждение повышает КПД
компрессора высокого давления.
Измеренные значения
1200 Ом между плюсовым и минусовым контактом
Разводка контактов


A1273 Fluidtronic

Fluidtronic (A1273) — это электронный клапан пропорционального регулирования. Он используется в
двигателях автобусов серии D2066 LUH вместо импульсного клапана газотурбинного нагнетателя 1
(Y340) для активации/регулировки перепускного клапана ОГ в компрессоре высокого давления (малый
газотурбинный нагнетатель). Активация перепускного клапана ОГ в компрессоре низкого давления
(большой газотурбинный нагнетатель) не требуется. Установленный там перепускной клапан ОГ больше
не активируется.
Клапан пропорционального регулирования Fluidtronic позволяет выполнять еще более точное
управление перепускным клапаном ОГ, чем прежде. В результате необходимость в перепускном клапане
ОГ в компрессоре низкого давления отпадает.
Разводка контактов


Y460 Отключающий клапан E-AGR/моторного тормоза с электронным управлением (EVBec)

Во время работы двигателя клапан управления подачей сжатого воздуха (Y460) снабжает сжатым
воздухом системы E-AGR, EVBec и притардер. С помощью установленного перед этим клапаном
редукционного клапана, ограничивающего давление значением 2,5 бар, давление также подается на
импульсные клапаны газотурбинного нагнетателя. При неработающем двигателе клапан обесточен и
поэтому закрыт. Тем самым предотвращается утечка сжатого воздуха при неработающем двигателе.
Клапан стационарно устанавливается на двигателе и активируется с помощью блока управления EDC.
Разводка контактов


Y496 Запорный/редукционный клапан, низкотемпературный

Блокировка комбинированного запорного и редукционного клапана предотвращает остывание двигателя при эксплуатации при низких температурах. Клапан также ограничивает давление (макс. 2 бар) на низкотемпературном радиаторе охлаждающей жидкости (низкотемпературном охладителе).
В комбинации с вентилятором системы обратного охлаждения охлаждающей жидкости и
низкотемпературной воды низкотемпературный охладитель предназначен для непрямого
охлаждения наддувочного воздуха с учетом
условий, предъявляемых требованиями нормы токсичности ОГ Euro 6.
Разводка контактов


Y398 Электромагнитный клапан CRT дроссельной заслонки перепуска ОГ

CRT (Continously Regeneration Trap) — это специальный окислительный нейтрализатор, используемый
в сочетании с фильтром твердых частиц для дизельного двигателя. Для обеспечения его
функционирования диапазон рабочей температуры системы должен составлять примерно 260–450 °C.
Поэтому в автобусах был предусмотрен дополнительный контур регулирования. В результате
взаимодействия клапана AGR и дроссельной заслонки перепуска ОГ этот контур обеспечивает
температуру ОГ, необходимую для улучшения параметров регенерации фильтра CRTec®.
Электромагнитный клапан дроссельной заслонки перепуска ОГ активируется блоком управления EDC
в режиме холостого и частично принудительного холостого хода, при этом дроссельная заслонка
перепуска ОГ закрывается. Тем самым достигается необходимая температура ОГ.
Разводка контактов


Y355 Модуль EVB

Для ограничения рассеяния тормозной мощности и обеспечения возможности интеграции в устройство
управления тормозной системой была разработана регулируемая давлением система моторного
тормоза с электронным управлением EVBec (Exhaust Valve Brake electronic controlled) с 3-ступенчатым
регулируемым тормозным моментом. Целью при этом являлось опосредованное регулирование
тормозной мощности двигателя через регулирование противодавления ОГ. Благодаря возможности
регулировать давление в выпускном трубопроводе можно воздействовать на тормозную мощность.
Тем самым также предотвращаются колебания тормозной мощности, вызванные допустимыми
отклонениями.
Блок управления EDC17 регистрирует противодавление ОГ и рассчитывает допустимое в настоящий
момент или необходимое противодавление ОГ с учетом воздействия таких факторов, как время,
скорость и частота вращения вала двигателя.
Через клапан пропорционального регулирования на цилиндр исполнительного механизма подается
регулируемое давление, противостоящее силе сжатия закрывающей пружины в цилиндре
исполнительного механизма и силе, которую оказывает давление ОГ на дроссельную заслонку
выпускного газопровода на эксцентриковых опорах. Это давление регулирует положение дроссельной
Разводка контактов


A808 Модуль подачи AdBlue

Система MAN AdBlue® представляет собой систему нейтрализации OГ для автомобилей хозяйственного
назначения и используется в сочетании с нейтрализатором SCR (катализатором восстановления). С ее
помощью объем оксида азота уменьшается на величину до 85 %, а количество частиц — до 40 %. При
этом в поток отработавших газов перед нейтрализатором SCR подается 32,5 %-ная смесь из мочевины
и воды (AdBlue).
Система MAN AdBlue® с модулем подачи NoNOx Emitec работает с поддержкой системы сжатого
воздуха.
При использовании сжатого воздуха достигается оптимальное распыление в ходе дозирования AdBlue
в поток ОГ.
Разводка контактов штекера X1


Разводка контактов штекера X2


Y437 Электромагнитный клапан охлаждающей жидкости

AdBlue отличается высоким содержанием воды и поэтому подвержен замерзанию. Он замерзает при
температуре ниже –11 °C. Поэтому система требует обогрева. Прежде всего следует обеспечить
обогрев всех внутренних и внешних трубопроводов, модуля подачи изнутри (фильтра) и бака.
Внутренние нагреватели работают на электричестве; для обогрева бака и внешних трубопроводов
используется охлаждающая жидкость двигателя. В емкости для AdBlue установлен змеевик, по которому
циркулирует нагретая охлаждающая жидкость из контура охлаждения двигателя. При необходимости
клапан подключает или отключает этот нагревательный контур, тем самым регулируя протекание среды
через контур системы отопления емкости для AdBlue.
Указание: В схемах соединений для автобусов этот компонент также называется «Y511 Клапан
обогрева емкости для AdBlue».
Разводка контактов


A1192 AdBlue, комбинированный датчик

Датчик контролирует уровень заполнения, температуру и качество AdBlue в емкости для AdBlue.
Уровень заполнения определяется с помощью поплавка и герконов, которым присвоено определенное
значение сопротивления.
Для определения температуры устанавливается терморезистор с отрицательным ТКС.
Качество AdBlue определяется путем ультразвукового контроля времени распространения звука
(т. е. с помощью акустических волн).
Значения обрабатываются в блоках обработки данных и передаются по шине CAN.
Разводка контактов


B1055 Датчик NOx I, выбросы двигателя

Датчик NOx I выбросов двигателя регистрирует значения NOx непосредственно перед системой
нейтрализации ОГ, т. е. после второго газотурбинного нагнетателя (при 2-ступенчатом нагнетании) и
перед первым катализатором.
Принцип действия датчика NOx основан на распаде оксидов азота вследствие каталитической
активности электрода. Для измерения содержания образующегося при этом кислорода служит линейный
лямбда-зонд. Конструкция датчика с многослойным керамическим покрытием на основе оксида циркония
(ZrO2) включает в себя две камеры. В первой камере содержание кислорода в отработавших газах
уменьшается или увеличивается посредством подачи тока накачки, чтобы данный показатель
соответствовал постоянному парциальному давлению около 10 мг/кг. Необходимая сила тока
пропорциональна обратному значению коэффициента избытка воздуха. Во второй камере с помощью
измерительного электрода выполняется уменьшение объема NOx. Сила тока, необходимая для
гарантии отсутствия кислорода в зоне электрода, пропорциональна концентрации оксидов азота.
Эта сила представляет собой измеряемый сигнал.
Указание по установке: Датчик NOx можно устанавливать только с монтажной пастой WEICON
Anti-Seize High-Tech, идентификационный код MAN 09.16012-0133. Использовании других монтажных
средств может стать причиной ошибок измерения.
Разводка контактов


B994 Датчик NOx II OBD

Датчик NOx II OBD измеряет концентрацию оксидов азота и содержание кислорода в потоке ОГ
за нейтрализатором SCR, т. е. в конце участка выпуска ОГ, за всеми катализаторами.
Принцип действия датчика NOx основан на распаде оксидов азота вследствие каталитической
активности электрода. Для измерения содержания образующегося при этом кислорода служит линейный
лямбда-зонд. Конструкция датчика с многослойным керамическим покрытием на основе оксида циркония (ZrO2) включает в себя две камеры. В первой камере содержание кислорода в отработавших газах уменьшается или увеличивается посредством подачи тока накачки, чтобы данный показатель
соответствовал постоянному парциальному давлению около 10 мг/кг. Необходимая сила тока
пропорциональна обратному значению коэффициента избытка воздуха. Во второй камере с помощью
измерительного электрода выполняется уменьшение объема NOx. Сила тока, необходимая для
гарантии отсутствия кислорода в зоне электрода, пропорциональна концентрации оксидов азота.
Эта сила представляет собой измеряемый сигнал.
Указание по установке: Датчик NOx можно устанавливать только с монтажной пастой WEICON
Anti-Seize High-Tech, идентификационный код MAN 09.16012-0133. Использовании других монтажных
средств может стать причиной ошибок измерения.
Разводка контактов


A1154 Электронное реле факельного устройства облегчения пуска

С введением стандарта Euro-6 управление факельным устройством изменилось. Теперь его активация
выполняется блоком управления EDC с помощью электронного реле по шине передачи данных LIN.
Разводка контактов штекера A

Разводка контактов штекера B


A968 Муфта вентилятора с датчиком частоты вращения

Муфта вентилятора с регулировкой частоты вращения, используемая в сочетании с вентилятором с
вязкостной муфтой, имеет значительные преимущества в сравнении с вариантом без регулировки
частоты вращения:
- Отсутствие слышимого шума вентилятора после пуска холодного двигателя
- После пуска двигателя вентилятор работает без излишней мощности
- Ускоренный прогрев двигателя
- Уменьшенная задержка отключения
Активация производится с помощью блока управления EDC17.
Разводка контактов


A1081 Пропорциональный клапан HCI

Пропорциональный клапан HCI (Hydro Carbon Injection) производства Bosch является частью системы
дозирования дизельного топлива для активной регенерации фильтра твердых частиц. Система
позволяет регенерировать фильтр твердых частиц посредством целенаправленного впрыскивания
дизельного топлива в отработавшие газы. Дорогостоящее покрытие фильтра или запасной бак для
присадок не требуются.
Пропорциональный клапан HCI встроен в контур циркуляции топлива низкого давления. Он впрыскивает точное количество дизельного топлива в выпускной тракт над окислительным нейтрализатором без поддержки системы сжатого воздуха. В результате температура ОГ при прохождении через окислительный нейтрализатор повышается примерно до 600 градусов Цельсия. При этом выгорает сажа, накопившаяся в фильтре твердых частиц. Расход меняется в соответствии с текущими требованиями. Интегрированное в блок управления EDC17 программное обеспечение рассчитывает необходимый объем дозирования в зависимости от нескольких сигналов (например, нагрузка двигателя, температура ОГ) и преобразует его в управляющий сигнал дозирующего клапана.
A1081 Пропорциональный клапан HCI — это узел в сборе, в который входят следующие компоненты:
- Y513 Дозирующий клапан HCI
- Y514 Отключающий клапан HCI
- B702 Датчик давления топлива/температуры HCI
- B703 Датчик давления топлива HCI
Y513 Дозирующий клапан HCI

Дозирующий клапан является составной частью пропорционального клапана HCI (A1081).
Разводка контактов


Y514 Отключающий клапан HCI

Отключающий клапан является составной частью пропорционального клапана HCI (A1081).
Разводка контактов


B702 Датчик давления топлива/температуры HCI

Датчик давления топлива/температуры является составной частью пропорционального клапана HCI
(A1081). Он расположен в трубе линии подачи дозатора. Датчик давления топлива/температуры
предназначен для управления интенсивностью потока, а также для диагностики.
Разводка контактов


B703 Датчик давления топлива HCI

Датчик давления топлива является составной частью пропорционального клапана HCI (A1081). Он
расположен в трубе линии возврата. Датчик давления топлива предназначен для управления
интенсивностью потока, а также для диагностики.
Разводка контактов


ОПИСАНИЕ КОМПОНЕНТОВ
A435 Блок управления EDC17

Место установки

В вертикальных двигателях блок управления установлен сбоку на блоке цилиндров.

В двигателях серии D2066 LUH блок управления расположен сбоку справа, над поддоном для масла.
Насос высокого давления CP3

Место установки

В качестве привода для насоса высокого давления выступают цилиндрические зубчатые колеса.
Аналогичный привод через шкив ременной передачи с передней стороны двигателя приводит в действие генератор, насос системы охлаждения и, при наличии, компрессор системы кондиционирования воздуха.
Y332 Клапан пропорционального регулирования давления топлива

Место установки

Клапан пропорционального регулирования давления топлива находится на стороне низкого давления
насоса высокого давления и закреплен в корпусе насоса высокого давления резьбовым соединением.
Энергоаккумулятор топливной системы (Rail)

Место установки

Энергоаккумулятор топливной системы устанавливается на блоке цилиндров.
Редукционный клапан (DBV — клапан ограничения давления)

Место установки

Клапан ограничения давления установлен на энергоаккумуляторе топливной системы (Rail).
B487 Датчик давления в энергоаккумуляторе

Место установки

Датчик давления в энергоаккумуляторе установлен на энергоаккумуляторе топливной системы (Rail).
Y341 Инжектор цилиндра 1

Место установки

Для других инжекторов действительна аналогичная схема:
- Y342 Инжектор цилиндра 2
- Y343 Инжектор цилиндра 3
- Y344 Инжектор цилиндра 4
- Y345 Инжектор цилиндра 5
- Y346 Инжектор цилиндра 6
На данном рисунке представлен пример установки на двигателе D26.
B488 Инкрементный датчик частоты вращения

Место установки

Инкрементный датчик частоты вращения установлен на картере маховика.
B489 Сегментный датчик частоты вращения

Место установки

На данном рисунке представлен пример установки на двигателе D08.

На данном рисунке представлен пример установки на двигателе D26.
B104 Датчик давления масла

Место установки

На данном рисунке представлен пример установки на двигателе D08.

На данном рисунке представлен пример установки на двигателе D26.
B270 Датчик уровня масла

Место установки

На данном рисунке представлен пример установки на двигателе D26.
B377 Датчик давления топлива

Место установки

Датчик давления топлива установлен на модуле KSC для фильтрации топлива.
B323 Датчик массового расхода воздуха

Место установки

Датчик массового расхода воздуха установлен в откалиброванной измерительной трубе после
воздушного фильтра.
B623 Датчик давления наддува/температуры

Место установки

Датчик давления наддува/температуры установлен на впускном трубопроводе. На данном рисунке
представлен пример установки на двигателе D08.
B694 Датчик давления наддува/температуры, низкотемпературный

Место установки

На данном рисунке представлен пример установки на двигателе D26.
B123 Датчик температуры наддувочного воздуха

Место установки

На данном рисунке представлен пример установки на двигателе D08.

На данном рисунке представлен пример установки на двигателе D26.
B124 Датчик температуры охлаждающей жидкости

Место установки

На данном рисунке представлен пример установки на двигателе D08.

На данном рисунке представлен пример установки на двигателе D26.
B1049 Датчик температуры охлаждающей жидкости, низкотемпературный

Место установки

На данном рисунке представлен пример установки на двигателе D26.
B696 Датчик температуры AGR

Место установки

Датчик температуры AGR установлен после охладителя системы AGR перед участком смешивания со
всасываемым воздухом.
На данном рисунке представлен пример установки на двигателе D08.

На данном рисунке представлен пример установки на двигателе D26.
B561 Датчик температуры ОГ перед фильтром

Место установки

На данном рисунке представлен пример установки на автобусе Lion‘s City.
Указание: Этот датчик используется только в двигателях автобусов D0836 LOH и D2066 LUH.
B562 Датчик температуры ОГ после фильтра

Место установки

На данном рисунке представлен пример установки на автобусе Lion‘s City.
Указание: Этот датчик используется только в двигателях автобусов D0836 LOH и D2066 LUH.
B634 Датчик температуры ОГ после нейтрализатора SCR

Место установки

На данном рисунке представлен пример установки на автобусе Lion‘s City.
Указание: Этот датчик используется только в двигателях автобусов D0836 LOH и D2066 LUH.
A1191 Термоэлементы ОГ

Место установки

Блок обработки данных с термоэлементами установлен у глушителя шума ОГ.
Указание: Термоэлементы используется во всех двигателях грузовых автомобилей и двигателях
автобусов D20/D26 LOH.
B673 Датчик положения E-AGR, цилиндр

Место установки

На данном рисунке представлен пример установки на двигателе D08.
Указание: Пневматическая система (цилиндр исполнительного механизма с датчиком положения B673 и клапаном пропорционального регулирования Y458) используется только в двигателях автобусов D0836 LOH и D2066.
Y458 Клапан пропорционального регулирования E-AGR

Место установки

На данном рисунке представлен пример установки на двигателе D08.
Указание: Пневматическая система (цилиндр исполнительного механизма с датчиком положения B673 и клапаном пропорционального регулирования Y458) используется только в двигателях автобусов D0836 LOH и D2066.
M289 Сервопривод AGR

Место установки

На данном рисунке представлен пример установки на двигателе D26.

На данном рисунке представлен пример установки на двигателе D08.
Указание: Сервопривод AGR M289 используется во всех двигателях грузовых автомобилей и двигателях автобусов D20/D26 LOH.
M119 Регулятор дроссельной заслонки

Место установки

На данном рисунке представлен пример установки на двигателе D26.

На данном рисунке представлен пример установки на двигателе D08.
B695 Датчик перепада давления ОГ/относительного давления

Место установки

На данном рисунке представлен пример установки на автобусе Lion‘s City.

На данном рисунке представлен пример установки на грузовом автомобиле TGL.
B322 Лямбда-зонд

Место установки

На данном рисунке представлен пример установки на двигателе D26.

На данном рисунке представлен пример установки на двигателе D08.
Y340 Импульсный клапан газотурбинного нагнетателя 1

Место установки

На данном рисунке представлен пример установки на двигателе D08.

На данном рисунке представлен пример установки на двигателе D26.
Y493 Импульсный клапан газотурбинного нагнетателя 2

Место установки

На данном рисунке представлен пример установки на двигателе D26.
A1273 Fluidtronic

Место установки

На данном рисунке представлен пример установки на шасси автобуса HOCL.
Y460 Отключающий клапан E-AGR/моторного тормоза с электронным управлением (EVBec)

Место установки

На данном рисунке представлен пример установки на двигателе D26.
Y496 Запорный/редукционный клапан, низкотемпературный

Место установки

На данном рисунке представлен пример установки на двигателе D08.

На данном рисунке представлен пример установки на двигателе D26.
Y355 Модуль EVB

Место установки

На данном рисунке представлен пример установки на двигателе D26.
A808 Модуль подачи AdBlue

Место установки

На данном рисунке представлен пример установки на автобусе Lion‘s City.

На данном рисунке представлен пример установки на грузовом автомобиле TGL.
Y437 Электромагнитный клапан охлаждающей жидкости

Место установки

Клапан установлен на емкости для AdBlue.
Указание: В схемах соединений для автобусов этот компонент также называется «Y511 Клапан обогрева емкости для AdBlue».
A1192 AdBlue, комбинированный датчик

Место установки

Комбинированный датчик AdBlue является компонентом емкости для AdBlue. На данном рисунке
представлен пример установки.
B1055 Датчик NOx I, выбросы двигателя

Место установки

На данных рисунках представлен пример установки на двигателе D26.

На данных рисунках представлен пример установки на двигателе D08.
B994 Датчик NOx II OBD

Место установки

На данных рисунках представлен пример установки на автобусе Lion‘s City.

На данном рисунке представлен пример установки на грузовом автомобиле TGL
A1154 Электронное реле факельного устройства облегчения пуска

Место установки

На данном рисунке представлен пример установки на двигателе D08.
A968 Муфта вентилятора с датчиком частоты вращения

Место установки

Муфта вентилятора является компонентом вентилятора с вязкостной муфтой.
A1081 Пропорциональный клапан HCI

Место установки

На данном рисунке представлен пример установки на двигателе D08.
ДИАГНОСТИКА с помощью MAN-cats® II:
Общие положения
Большинство блоков управления, которые могут контролироваться диагностической системой MANcats
®, соединены через информационный провод (К-провод) с диагностической розеткой X200, контакт 3
или 4. Через информационный провод диагностическая система обращается к определенным блокам
управления. Эти блоки отвечают на запрос и через информационный провод в цифровом формате
передают информацию об ошибках, сохраненных в памяти записей неисправностей.
Для блоков управления KWP-on-CAN, таких как TBM, ECAS2, информационный провод не используется.
Блоки управления с диагностикой KWP-on-CAN активируются через информационный провод FFR/PTM.
Диагностическая розетка HD-OBD (X200)
С помощью системы MAN-cats® коды диагностики SPN могут быть считаны из памяти записей
неисправностей различных блоков управления (подключение к диагностической розетке X200). При этом индикация осуществляется на дисплее MAN-cats®.
В соответствии с ISO 15031-3 16-контактная диагностическая розетка HD-OBD заменяет прежнюю
12-контактную диагностическую розетку MAN.
В будущем подобная система норм для бортовых систем самодиагностики впервые позволит
использовать единую диагностическую систему для компонентов системы выпуска ОГ практически для
всех автомобилей во всем мире.

Разводка контактов

Сохранение ошибок
Система постоянно выполняет самопроверку. В этих целях проводится контроль сигнального диапазона
(проверка диапазона). В процессе этого контроля производится запрос на наличие и достоверность всех
сигналов на основании определенной тактовой сетки (определенной программным обеспечением). Сам
блок управления также постоянно проходит проверку в течение всего времени выполнения программы.
Первая проверка всегда производится при включении зажигания (проверка контрольной суммы). Если во
время эксплуатации возникают ошибки, они записываются в память записей неисправностей, и на
дисплее появляется сообщение.
При сохранении ошибки происходит:
- Идентификация диагностической записи (SPN)
- Идентификация вида ошибки (FMI)
- Классификация приоритета ошибок
- Анализ частотности ошибки
- Регистрация граничных условий (два условия окружающей среды) к моменту классификации ошибок
Спорадические ошибки фиксируются после их первого исчезновения счетчиком самостоятельного
восстановления функциональности. Таким образом, устанавливается определенный статистический
коэффициент, который сокращается на 1 при каждом запуске. Если ошибка больше не возникает и
счетчик достигает нулевого значения, соответствующий блок ошибок стирается и начинается отсчет по
другим блокам ошибок (при наличии).
В зависимости от оценки возникшей ошибки автоматически запускаются следующие процессы:
Переключение на соответствующую резервную функцию для дальнейшей, хотя и ограниченной,
эксплуатации транспортного средства, способной обеспечить следование до ближайшего сервисного
центра MAN.
Немедленная остановка двигателя, если это необходимо по соображениям безопасности.
Как только возникает ошибка, в памяти записей неисправностей создается новая запись об ошибке или
обновляется уже имеющаяся запись. Дополнительно этот блок ошибок отправляется через шину CAN
на OBDU (Onboard Diagnostic Unit — бортовой блок самодиагностики), который является частью ZBR
(центрального бортового компьютера), через блок управления движением автомобиля (FFR).
Это сообщение содержит следующие данные:
- Номер ошибки = SPN (Suspect Parameter Number)
- Условие окружающей среды 1 = SPN1 с соответствующим результатом замера
- Условие окружающей среды 2 = SPN2 с соответствующим результатом замера
- Вид ошибки (причина) = FMI (Failure Mode Identificatition)
- Приоритет ошибки = PRIO (Priority)
Диагностированные блоком управления и сохраненные в памяти отдельные ошибки связаны с
различным уровнем риска, поэтому каждой ошибке система присваивает определенный приоритет.
Список этапов проверки EDC17, грузовой автомобиль
С помощью MAN-cats® можно составить выдержку из памяти записей неисправностей блока управления
FFR/PTM и EDC, которую можно использовать в сочетании с заполненным перечнем этапов проверки.
- Проверки при остановленном двигателе (зажигание выключено, блок управления не подключен)
- Температура двигателя около 20 °C.
- Блок управления не подключен (!!!), адаптер жгута проводов подключен.
- Измерьте сопротивление между плюсовым и минусовым контактом с помощью мультиметра.
- ЗАПРЕЩАЕТСЯ ВЫПОЛНЯТЬ ИЗМЕРЕНИЯ НА КОНТАКТАХ ШТЕКЕРОВ БЕЗ СООТВЕТСТВУЮЩИХ ИСПЫТАТЕЛЬНЫХ ЩУПОВ! (Опасность расширения контактов)
Продолжение и полное описание - смотрите в