Тренинг персонала RENAULT TRUCKS (DXi 11)
топливная система
ЭЛЕКТРИКА
Информация по электрике, механике и диагностике в полном объеме
доступна нашим пользователям
с выходом 64 обновления

Краткое описание системы:
Система впрыска топлива двигателя DXi 11 рассчитана на соответствие требованиям нормы EURO 3 (фаза 1).
Как и в случае двигателя DXi 12, в данной системе впрыска в одном и том же комплектующем сочета ются насос высокого давления и форсунка, отсюда и общее название насос-форсунка.

Насос-форсунка устанавливается непосредственно в головке блока цилиндров и управляется верхнерасположенным распределительным валом. По сравнению с системами впрыска DCI и EUP система насос-форсунок позволяет значительно сократить габаритные размеры комплектующих топливной системы.
Характеристики и местонахождение комплектующих в варианте Euro 3:


Характеристики и местонахождение комплектующих в варианте Euro 4:


ЭБУ двигателя (EMS)
EMS : Engine Monitoring System (англ.) Система мониторинга и управления двигателем.
Электронный блок управления двигателем находится на левой стороне агрегата.
Во избежание перегрева электронных компонентов к ЭБУ прикреплен охладитель, использующий циркулирующее топливо.

Электрическое питание блока EMS 2 обеспечивает блок VECU (через реле мощности и параллельно с тахографом и блоком кузовного оборудования BBM). Отклчение электропитания выполняется с задержкой 10 секунд, чтобы обеспечить сохранение данных DATAMAX по двигателю.
ЭБУ EMS 2 является неотъемлемой частью электронной «архитектуры» автомобиля и сообщается со всеми остальными ЭБУ через магистральную шину CAN J1939/1 или же ШИНУ КОМФОРТА J1587 (в этом последнем случае с ограничениями).
ПРИМЕЧАНИЕ:
После замены блока EMS 2 в обязательном порядке следует выполнить программирование при помощи диагностического микрокомпьютера DIAG NG3.
В противном случае не распознается противоугонный код (разблокировки системы впрыска) и запустить двигатель автомобиля невозможно.
Важнейшие функции EMS 2
ЭБУ EMS 2 обеспечивает управление параметрами, значения которых он получает от различных датчиков, и соответственно настраивает работу системы впрыска (опережение впрыска, давление впрыска, расход (т.е. количество, впрыскиваемое в единицу времени), скорость вращения вентилятора,
защиту стартёра и т.д.).
Блок схема функционирования:

• Защита стартера:
Управление стартером обеспечивает ЭБУ EMS 2. Это позволяет реализовать функции защиты стартера от неправильного использования и дистанционного запуска двигателя при помощи блока BBM в защищенном режиме.
Функция «управляемый стартер» наделена логикой функционирования, которая позволяет избежать перегрева стартера и, соответственно, его выхода из строя.
> Стартер может запустить двигатель только в течение 10 секунд, затем в течение последующих 3 секунд запустить двигатель нельзя. В течение этих 3-х секунд на дисплее отображаются пиктограмма СТАРТ и текст.
> Такой цикл может быть повторен 4 раза подряд, с возвращением ключа зажигания в 1-ю позицию.
> После 4 таких циклов стартер переключается на тепловую защиту. На дисплее отображаются пиктограмма, текст и обратный счет.
> После того, как эта индикация исчезнет, можно сделать еще две попытки, а затем стартер снова переключится на тепловую защиту.
Условия, при которых стартер не управляется EMS2:
- Включена система противоугона
- Двигатель работает
- Считывание и проверка номера шасси VIN в блоках APM, VECU и EMS
- Включена передача КП
- Перегрев стартера (определяется расчетным путем в зависимости от времени включения)
- Датчик распредвала и маховика двигателя неисправен.
Аварийный режим:
Предусмотрен аварийный режим, при котором можно запустить стартер вручную (для этого включить и выключить зажигание 3 раза подряд с интервалом меньше 2,5 секунд). Стартер остается активным. пока ключ в замке зажигания находится в положении стартера, а двигатель еще не запущен.
Аварийный режим не действует, если включена противоугонная система или если при проверке номера VIN возникла ошибка.
ПРИМЕЧАНИЕ: При выполнении теста компрессии необходимо активировать именно аварийный режим.
• Warm Hold (букв. удержание тепла)
Эта функция позволяет бстрее разогреть двигатель путем включения «горного тормоза» и закрытия заслонки на выхлопе (на 30%) при работе двигателя на холостых оборотах.
Условие активации режима WarmUp:
- T° окружа ющего воздуха < 5°С
- Скорость автомобиля равна нулю
- Отпущена педаль акселератора
Условие дезактивации:
Температура охлаждающей жидкости: T°> 70°С
Условие реактивации:
Температура охлаждающей жидкости: T°< 50°С
• Дренаж топливного контура:
Эта функция предназначена для сброса воды, находящейстя в сепараторе топливного контура.
Дренаж выполняется под действием силы тяжести (без электронасоса) и электрическим приводом от дренажного электромагнитного клапана.
Условия активации:
- Автомобиль стоит, стояночный тормоз задействован,
- Двигатель остановлен,
- Зажжен сигнализатор наличия воды в топливном контуре (1),
- Нажата кнопка вкл ючения дренажа (2).

Время активации дренажного электроклапана: 15 секунд.
ПРИМЕЧАНИЕ: в промежутке между 2 активациями, выполненными вручную (через выключатель или при помощи компьютера и программы DIAG Dxi)
управление электроклапаном невозможно в течение 6 минут.
• Ограничитель скорости:
Теперь эту функцию выполняет EMS.
Информация о скорости автомобиля передается на ЭБУ VECU (через шину CAN J1939-2/3) и далее на блок EMS (через шину CAN J1939-1). Блок EMS сравнивает записанное в памяти значение предельной скорости с фактической скоростью автомобиля и в нужный момент отключает ускорение оборотов
двигателя.
ПРИМЕЧАНИЕ: Запросы на дополнительное понижение скорости или считывание из памяти записанного значения предельной скорости выполняются при помощи диагностического компьютера DIAG NG3.

• Круиз-контроль:
Функция «круиз-контроль» так же, как ограничение скорости, теперь осуществляется блоком EMS.
Выключатели управления CRUISE CONTROL соединены с блоком управления автомобилем VECU. Сигнал скорости автомобиля принимается блоком VECU через шину CAN J1939-2/3.
VECU передает далее задаваемое водителем значение скорости («уставку») на EMS (через шину CAN J1939/1). Далее, EMS управляет ускорением и замедлением оборотов двигателя так, чтобы выдерживалось заданное значение скорости.
Условия активации:
- Скорость автомобиля больше 30 км/ч,
- Выключатель "ON/OFF" (1) установлен на ON,
- Нажали на "S-" (2) для регистрации текущей скорости.
Условия частичной дезактивации:
- Нажата педаль тормоза,
- Используется ручка управления замедлителем.
Условия реактивации:
Нажать на переключатель "R+" (2).
Условие полного отключения:
Выключатель "ON/OFF" (1) установлен на OFF.

Насос-форсунки
Используются форсунки марки DELPHI типа E3; с вертикальным расположением в центре цилиндров — в пространстве между четырьмя клапанами.
Каждая такая форсунка состоит из 3х основных частей.
A. Насос,
B. Электроклапан,
C. Собственно форсунка.
Форсунка в головке блока держится при помощи скобы в форме вилки (1) а ее нижняя часть отделяется от контура охлаждения медным стаканом (2) и уплотнительным кольцом (3).
Полость (4) вокруг каждой форсунки заполняется дизтопливом, а герметичность обеспечена двумя
кольцевыми прокладками (5 et 6).

После изготовления и прохождения через контрольный испытательный стенд, каждая насос-форсунка получает определенный калибровочный шифр. Калибровочные шифры всех шести форсунок записаны в памяти EMS; что позволяет обеспечить точный расчет вспрыскиваемого топлива и одинаковую регулировку впрыска на каждом двигателе. Эта особенность обеспечивает, в частности, соблюдение допустимых уровней загрязнения атмосферы отработавшими газами.
Рядом с соединительным разъемом форсунки написаны три ряда цифр. Номер форсунки (1),
калибровочный шифр (2) и заводской номер (3).
ПРИМЕЧАНИЕ:
В случае замены одной или нескольких форсунок EMS должен быть перепрограммирован при помощи шифра форсунки, называемого «калибровочным шифром».
Этот шифр вводится в память блока при помощи компь ютера DIAG NG3.

Работа насос-форсунок
Насос-форсунка приводится в действие распредвалом двигателя через клапанный механизм (коромысло). Насос-форсунка E3 является сочетанием односекционного насоса и электрической форсунки.

Фаза закачки:
Гидравлическая схема:
Электроклапаны давления (SV) и управления впрыском (NCV) нормально открыты и обесточены.
Поршень насоса легко поднимается под действием возвратной пружины, дизтопливо циркулирует от насоса к форсунке.
Форсунка закрыта.

Принципиальная схема:

Фаза наращивания давления:
Гидравлическая схема:
Электроклапан давления (SV) получает электрический сигнал от EMS и закрывается; а электроклапан управления впрыском (NCV) обесточен и нормально открыт.
Поршень насоса, приведенный в движение кулачковым валом, опускается и сжимает дизтопливо.
Давление у сопла форсунки возрастает.
Форсунка остается закрытой.

Принципиальная схема:

Фаза впрыска:
Гидравлическая схема:
Электроклапаны давления (SV) и управления впрыском (NCV) получат электрический сигнал от блока EMS.
Электроклапан давления (SV) закрывается.
Электроклапан управления впрыском (NCV) в открытом положении.
Давление резко увеличивается в полости поршня форсункой, что приводит к подъему поршня и, как следствие этого - подъем форсунки.
ПРИМЕЧАНИЕ: длительность впрыска зависит от длительности управления электроклапаном впрыска (NCV).

Принципиальная схема:

Пример по фазе впрыска:

ПРИМЕЧАНИЕ: на холостых оборатах с целью снижения шума от двигателя DXi11 используется фаза предварительного впрыска.
Управление форсункой:
A. В режиме холостых оборотов:

B. В фазе регулирования:

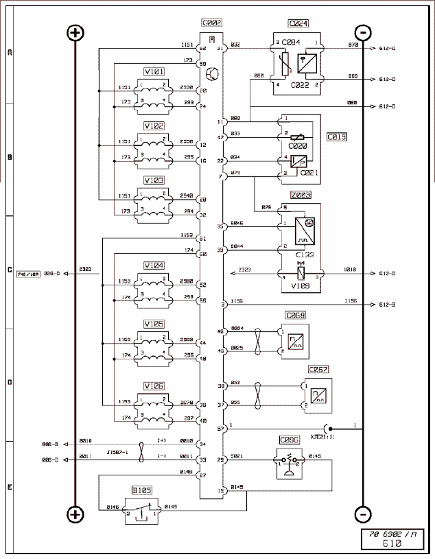
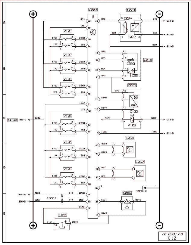
Электрические схемы по двигателю Euro 3:

B105 Выключатель остановки двигателя
C019 Комбинированный датчик давления и температуры наддуваемого воздуха
C020 Датчик температуры наддуваемого воздуха
C021 Датчик давления наддуваемого воздуха
C022 Датчик уровня моторного масла
C024 Комбинированный датчик давления и температуры моторного масла
C067 Датчик оборотов двигателя на маховике
C068 Датчик оборотов двигателя на распредвале
C084 Датчик температуры моторного масла
C096 Датчик давления на селекторе диапазона передач
C133 Датчик скорости вентилятора системы охлаждения двигателя
G002 Электронный блок управления двигателем
V101 Электроклапан форсунки цилиндра номер 1
V102 Электроклапан форсунки цилиндра номер 2
V103 Электроклапан форсунки цилиндра номер 3
V104 Электроклапан форсунки цилиндра номер 4
V105 Электроклапан форсунки цилиндра номер 5
V106 Электроклапан форсунки цилиндра номер 6
V109 Электроклапан регулирования скорости вентилятора охлаждения двигателя
Z003 Блок регулятора вентилятора двигателя

C023 Датчик давления моторного масла
C048 Датчик температуры контура охлаждения двигателя
C088 Датчик уровня жидкости в контурt охлаждения двигателя
C109 Датчик наличия воды в дизтопливе
C132 Датчик давления дизтоплива в контуре низкого давления
C150 Датчик давления дизтоплива внутри блока
G002 Электронный блок управления двигателем
N001 Термосопротивление подогрева топлива № 2
N004 Термосопротивление подогрева воздуха
S501 Реле предварительного нагрева воздуха
V021 Электроклапан моторного тормоза OPTIBRAKE
V023 Электроклапан горного тормоза
V052 Электроклапан удвоителя шкалы передач
V053 Электроклапан управления реле «коридора»
V054 Узел управления реле коридора и удвоителя шкалы передач
V108 Электроклапан дренажа осушителя воздуха
Z001 Блок подогрева топлива
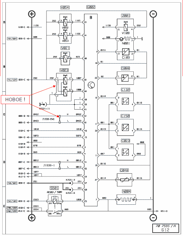
Электрические схемы к двигателю Euro 4:

B105 Выключатель остановки двигателя
C019 Комбинированный датчик давления и температуры наддуваемого воздуха
C020 Датчик температуры наддуваемого воздуха
C021 Датчик давления наддуваемого воздуха
C022 Датчик уровня моторного масла
C024 Комбинированный датчик давления и температуры моторного масла
C067 Датчик оборотов двигателя на маховике
C068 Датчик оборотов двигателя на распредвале
C084 Датчик температуры моторного масла
C096 Датчик давления на селекторе диапазона передач
C133 Датчик скорости вентилятора системы охлаждения двигателя
G002 Электронный блок управления двигателем
V101 Электроклапан форсунки цилиндра номер 1
V102 Электроклапан форсунки цилиндра номер 2
V103 Электроклапан форсунки цилиндра номер 3
V104 Электроклапан форсунки цилиндра номер 4
V105 Электроклапан форсунки цилиндра номер 5
V106 Электроклапан форсунки цилиндра номер 6
V109 Электроклапан регулирования скорости вентилятора охлаждения двигателя
Z003 Блок регулятора вентилятора двигателя

C023 Датчик давления моторного масла
C048 Датчик температуры контура охлаждения двигателя
C088 Датчик уровня жидкости в кoнтyрt охлаждения двигателя
C109 Датчик наличия воды в дизтопливе
C132 Датчик давления дизтоплива в контуре низкого давления
C150 Датчик давления дизтоплива внутри блока
G002 Электронный блок управления двигателем
N001 Термосопротивление подогрева топлива № 2
N004 Термосопротивление подогрева воздуха
S501 Реле предварительного нагрева воздуха
V021 Электроклапан моторного тормоза OPTIBRAKE
V023 Электроклапан горного тормоза + электроклапан разгрузочного клапана турбокомпрессора
V052 Электроклапан удвоителя шкалы передач
V053 Электроклапан управления реле «коридора»
V054 Узел управления реле коридора и удвоителя шкалы передач
V108 Электроклапан дренажа осушителя воздуха
Z001 Блок подогрева топлива
Датчики в системе впрыска
Некоторые датчики могут иметь общие цепи питания. Неисправность самого датчика или его цепи питания может привести к нескольким неисправностям одновременно.

Продолжение в