Подписчикам
"Большой энциклопедии
для автоэлектриков
и диагностов"
доступно 52 гиг. информации
по спецтехнике
KOMATSU
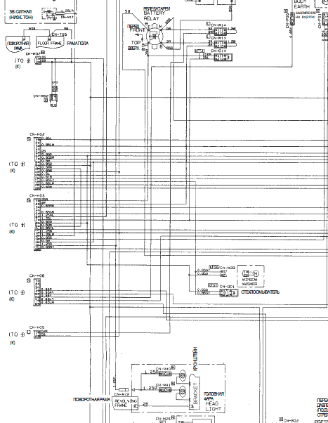
Электросхема Komatsu PC300(LC)-6 Custom
Схема электропроводки


1. Фара освещения рабочей зоны
2. Соленоид TVC переднего насоса
3. Соленоид TVC заднего насоса
4. Бачок стеклоомывателя
5. Звуковой сигнал (высокий тембр)
6. Звуковой сигнал (низкий тембр)
7. Реле аккумуляторной батареи
8. Аккумуляторная батарея
9. Правая фара
10. Датчик уровня топлива
11. Соленоидный клапан переключения скоростных диапазонов
12. Соленоидный суммирующий/делительный клапан насоса
13. Соленоидный клапан тормоза поворота платформы
14. Пропорциональный стопорный соленоидный клапан
15. Переключатель давления подъема стрелы
16. Датчик температуры воды в двигателе
17. Обогреватель всасываемого воздуха
18. Датчик давления масла двигателя
19. Стартёр
20. Компрессор воздушного кондиционера
21. Генератор
22. Правая дополнительная передняя лампа
23. Плафон освещения кабины
24. Левая дополнительная передняя лампа
25. Мотор стеклоочистителя
26. Предупреждающий зуммер
27. Сопротивление
28. Конечный включатель регулятора подачи топлива
29. Включатель звукового сигнала
30. Громкоговоритель
31. Контрольная панель
32. Включатель стартёра
33. Блок предохранителей
34. Радиоприемник
35. Включатель стеклоочистителя
36. Включатель стопора поворота платформы
37. Переключатель скоростного диапазона
38. Пропорциональный стопорный включатель
39. Обогреватель
40. Реле фары
Разъемы







Просматривать и распечатывать в высоком качесте могут только пользователи

