MAN LGS - Описание cистемы курсового контроля

Содержание
- Введение
- Правила техники безопасности
- Обзор типов
- Руководство по использованию электрических схем
- Описание оборудования
- Описание системы
- Общая информация
- Структура сигналов и шины
- Интерфейсы к другим системам
- Функциональное описание
- Структура системы курсового контроля
- Блок управления системы курсового контроля (A609)
- Выключатель системы курсового контроля (S778)
- Динамик 1 слева (B141)
- Динамик 1 справа (B142)
- Переключатель на рулевой колонке (указатель поворота, стеклоочиститель и фары) (S108)
- Описание компонентов
- Блок управления системы курсового контроля (A609)
- Выключатель системы курсового контроля (S778)
- Динамик 1 слева (B141)
- Динамик 1 справа (B142)
- Переключатель на рулевой колонке (указатель поворота, стеклоочиститель и фары) (S108)
- Диагностика
- Системная структура К-кабелей
- Перечень SPN (коды неисправностей) с описаниями
- Контрольный перечень системы курсового контроля
- Дополнительные электросхемы
- Принципиальная схема
- Принципиальная схема системы курсового контроля
- Электросхема № 81.99192.1462
- Система курсового контроля (автомобиль с левым рулем)
- Электросхема № 81.99192.1463
- Система курсового контроля (автомобиль с правым рулем)
- Электросхема № 81.99192.2980
- Шина данных CAN приборной панели (I-CAN) / тахоспидографа (FS-CAN) (система курсового контроля)
Сокращения
A
- ABE Общий допуск к эксплуатации
- ABS Антиблокировочная система
- ABV Автоматическое противоблокировочное устройство
- AC Air Condition (кондиционер/климат-контроль)
- ACC Adaptive Cruise Control (система регулирования скорости с автоматическим поддержанием безопасной дистанции)
- ACK Autocheck (диагностическая система)
- ADC Аналогово-цифровой конвертер (преобразование аналоговых сигналов в цифровые)
- ADR Международное соглашение по автомобильной транспортировке опасных грузов
- AGB Автоматический ограничитель скорости
- AGND Analog Ground (аналоговая масса)
- AGR Рециркуляция ОГ (отработавших газов)
- AHK Тягово-сцепное устройство
- AHV Тормозной клапан прицепа
- ALB Автоматическое регулирование тормозного усилия в зависимости от нагрузки
- AMA Антенная мачта
- ANH Прицеп/полуприцеп
- AS Автоматическая коробка передач
- ASD Розетка прицепа
- ASM Модуль управления прицепа
- ASR Антипробуксовочная система
- ASV Клапан управления прицепа
- ATC Automatic Temperature Control (автоматическое регулирование температуры)
- ATF Automatic Transmission Fluid (трансмиссионное масло автоматической коробки передач)
- AU Контроль токсичности ОГ
- AV Выпускной клапан
- AVS Автоматическая преселективная система
B
- BA Руководство по эксплуатации
- BBA Рабочая тормозная система
- BBV Рабочий тормозной клапан
- BKR Регулятор тормозного усилия
- BUGH Система отопления спереди
- BV Резервный клапан (запасной клапан)
- BVA Индикатор износа тормозных накладок
- BVS Сенсор износа тормозных накладок
- BVV Питание сенсора износа тормозных накладок
- BW Бундесвер
- BWG Тормозной датчик
- BZ Тормозной цилиндр
C
- AN Controller Area Network (шина данных с бит-серийной передачей)
- CAN-H Линия передачи данных CAN-high
- CAN-L Линия передачи данных CAN-low
- CATS Computer- Assisted Testing and diagnosting System (компьютерная система контроля и диагностики)
- CCVS Cruise Control Vehicle Speed (режим поддержания постоянной скорости Темпомат)
- CKD Complete Knocked Down (полностью разобранный автомобиль)
- CNG Compressed Natural Gas (сжатый природный газ)
- CPU Central Processing Unit (центральный процессор)
- CRT Continously Regenerating Trap (глушитель, катализатор окисления, фильтр дизельных частиц)
- CS Джойстик управления сцеплением Comfort-Shift
D
- DAHL Потолочный вентилятор
- DBR Реле тормоза-замедлителя
- DECKE Потолок (для дверей)
- DF Датчик частоты вращения
- DFÜ Дистанционная передача данных
- DIA Диагностический и информационный дисплей
- DIAK Диагностика, K-кабель (линия передачи данных)
- DIAL Диагностика, L-кабель (линия возбуждения)
- DIAR Диагностика, последующее возбуждение
- DIN Немецкий промышленный стандарт
- DKE Открытие дроссельной заслонки (регулирование ASR)
- DKH Обогрев потолочного канала
- DKL Крышки люков
- DKR Закрытие дроссельной заслонки (требования закрытия от ASR к EDC/EMS)
- DKV Уставка дроссельной заслонки (сигнал задатчика нагрузки от педального датчика EDC/EMS)
- DLB Пневматическая тормозная система
- DM Diagnostic message (сообщение диагностики)
- DNR Нейтраль заднего хода (рычажной коммутатор автоматической коробки)
- DPF Фильтр дизельных частиц
- DRM Модуль регулирования давления
- DS Сенсор давления
- DSV Клапан регулирования давления
- DV Дроссельный клапан
- DWA Противоугонная сигнализация
- DZG Датчик частоты вращения
- DZM Тахометр
E
- EBS Электронная тормозная система
- ECAM Electronically Controlled Air Management (электронная пневматическая система)
- ECAS Electronically Controlled Air Management (электронная пневматическая подвеска)
- ECE Аварийное отключение по ECE 36
- ECU Electronic Control Unit (блок управления)
- EDC Electronic Diesel Control (электронная система управления впрыском дизельного топлива)
- EDM Электронная система контроля расхода дизельного топлива
- EDR Регулирование максимальной частоты вращения
- EEC Электронный контроллер двигателя (Electronic engine controller)
- EEPROM ЭСППЗУ - стираемая и перезаписываемая (программируемая) энергонезависимая память
- EFR Электронная система регулирования ходовой части
- EFS Электрическое сиденье водителя
- EHAB Электрогидравлический блокиратор
- ELAB Электрический блокиратор
- ELF Электронная пневматическая подвеска
- EMS Электронная система управления мощностью двигателя
- EMV Электромагнитная совместимость
- EOL End Of Line (программирование на выходе с конвейера)
- EP ТНВД (топливный насос высокого давления)
- ER Тормоз-замедлитель двигателя (моторный тормоз)
- ESAC Electronic Shock Absorber Control (электронная система регулирования ходовой части)
- ESP Electronic Stability Program (электронная программа обеспечения устойчивости)
- ESR Электрическая солнечная шторка
- EST Электронный блок управления
- EV Впускной клапан
- EVB Exhaust Valve Brake (моторный тормоз)
F
- FAP Рабочее место водителя
- FAQ Frequently Asked Questions (ответы на часто задаваемые вопросы)
- FBA Стояночная тормозная система
- FDR Регулирование динамики движения
- FFR Управляющий процессор автомобиля
- FGB Система ограничения скорости
- FGR Система регулирования скорости
- FHS Кабина
- FIN Идентификационный номер автомобиля (номер шасси автомобиля)
- FM Система управления автомобилем
- FMI Failure Mode Identifikation (тип сбоя)
- FMR Регулирование двигателя автомобиля
- FOC Front Omnibus Chassis (автобусное шасси с двигателем в передней части)
- FSCH Обогрев лобового стекла
- FSG Понтоноукладчик
- FSH Обогрев стекол/зеркал
- FTW Перегородка места водителя
- FUNK Рация
- FZA Система маршрутной индикации
G
- GDK Дизельный катализатор
- GEN Генератор
- GET Коробка передач
- GGVS Норматив перевозки опасных грузов автомобильным транспортом
- GND Ground (масса)
- GP Планетарная группа коробки передач (задний делитель)
- GS Система управления коробкой передач
- GV Передний делитель коробки передач (группа передач делителя)
H
- HA Задний мост
- HBA Вспомогательная тормозная система
- HGB Ограничение максимальной скорости
- HGS Гидравлическая система переключения передач
- HLUE Гидростатический привод вентилятора
- HOC Heck Omnibus Chassis (автобусное шасси с двигателем в задней части)
- HSS Контактор Highside
- HST Основная коммутационная плата
- HU Основной техосмотр
- Hz Герц (смена/период в секунду)
- HZA Система сигнализации остановки по требованию
- HZG Вспомогательный датчик частоты вращения
I
- IBEL Освещение кабины
- IBIS Интегрированная бортовая информационная система
- IC Integrated Circuit (интегрированная коммутируемая схема)
- ID Идентификация
- IMR Встроенное механическое реле (стартерная система)
- INA Информационный дисплей (например, контрольная лампа)
- IR Индивидуальное регулирование (ABS)
- IRM Модифицированное индивидуальное регулирование (ABS)
- ISO International Standard Organisation (Международная ассоциация стандартизации)
- IWZ Инкрементная система измерения угла/времени
K
- KBZ Комбинированная тормозная камера
- KFH Обогрев топливного фильтра
- KITAS Интеллектуальный сенсор спидографа Kienzle
- KLI Кондиционер
- KNEEL Система наклона кузова
- KSM Специфический модуль управления заказчика
- KSW Особое пожелание заказчика
- KWP Key Word Protocol (протокол диагностики с MAN-cats)
L
- LBH Ресивер
- LCD Liquid Crystal Display (жидкокристаллический дисплей)
- LDA Зависимый от давления наддува ограничитель хода рейки ТНВД
- LDF Датчик давления наддува
- LDS Система амортизации пневматических рессор
- LED Light Emitting Diode (светодиод)
- LF Пневматическая подвеска
- LGS Lane Guard System (система курсового контроля)
- LL Частота вращения двигателя на холостом ходу
- LLA Увеличение частоты вращения двигателя на холостом ходу
- LLR Регулирование частоты вращения на холостом ходу
- LNA Подруливаемый поддерживающий мост
- LNG Liquified Natural Gas (сжиженный природный газ)
- LOE Контроль масла рулевого привода
- LPG Liquified Petroleum Gas (сжиженный газ)
- LWR Регулирование угла наклона оптической оси фар
- LSVA Зависимый от мощности отбор
M
- M-TCO Модульный спидограф ЕС
- MAB Останов магнитным клапаном (останов двигателя при помощи магнитного клапана
- высокого давления в ТНВД)
- MAN- catsMAN- computer- assisted testing and diagnosting system (компьютерная система контроля и диагностики MAN)
- MAR Реле останова магнитным клапаном (реле резервного останова двигателя)
- MDB Диапазон частоты вращения двигателя
- MES Регулятор подачи топлива
- ML Midline (средняя линия)
- MMI Интерфейс человек-машина
- MOTB Моторный тормоз
- MP Кабельный туннель двигателя (кабельный туннель на моторном блоке)
- MR Регулятор двигателя - ASR
- MSG Блок управления двигателем (EDC)
- MV Магнитный клапан
- MZ Тормозная пневматическая камера
N
- Частота вращения
- NA Механизм отбора мощности
- NBF Датчик движения иглы
- NES Новая структура электроники
- NFZ Транспортные средства для перевозки грузов и пассажиров
- NLA Поддерживающий мост
- NSL Задний противотуманный фонарь
- NSW Противотуманная фара
O
- OBDU On board diagnostic unit (бортовой диагностический блок)
- OC Occurrence Count (счетчик повторяемости ...сбоя)
- OEAB Маслоотделитель
- OENF Дозаправка масла
P
- Давление
- PBM Pulse Breadth Modulation (сигнал широтно-импульсной модуляции, см. также PWM)
- PLM Программируемый логический модуль
- PSG Блок управления насосом (EDC)
- PTO Power Take Off (механизм отбора мощности)
- PWM Pulse Width Modulation (сигнал широтно-импульсной модуляции, см. также PBM)
R
- RA Руководство по ремонту
- RAH Отопление салона
- RAM Random Access Memory (ОЗУ - энергозависимая записываемая/считываемая память)
- RAS Rear Axle Steering (подруливание заднего моста)
- RAS-EC Rear Axle Steering- Electronic Controlled (электронный подруливаемый задний мост)
- RDRA Система регулирования давления воздуха в шинах
- RDS Информационная радиосистема
- RET Тормоз-замедлитель
- RKL Проблестковый маячок
- RLV Релейный клапан
- RME Raps Methyl Ester (биодизель)
- ROM Read Only Memory (ПЗУ - постоянное запоминающее устройство)
S
- SA Специальное оборудование
- SAE Society of Automoiv Engineers (Союз инженеров автотранспорта)
- SAMT Semi Automatic Mechanic Transmission (полуавтоматическая механическая коробка передач)
- SB Сервисный центр
- sec Секунда
- SER Серия
- SG Блок управления
- SH Регулирование select-high (ABS)
- SKD Semi Knocked Down (полуразобранный автомобиль)
- SL Регулирование select-low (ABS)
- SML Боковые габаритные фонари
- SPN Suspect Parameter Number (номер места сбоя)
- STA Пуск / останов двигателя
- SWR Фароочиститель
T
- Время
- TC Traction Control (антипробуксовочная система)
- TCM Trailer Control Modul (модуль управления прицепа)
- TCO Спидограф
- TKU Техническая документация заказчика
- TMC Traffic Message Channel (информационный канал о ситуации на дорогах)
- TRS Транспортные технические нормативы
- TSC Torque Speed Control (тормозной момент)
- TUER Система дверного управления
U
- Bat Напряжение аккумулятора
- UDS Аварийные данные в памяти
V
- Скорость
- VA Передний мост
- VG Раздаточная коробка
- VLA Передний поддерживающий мост
W
- WA Руководство по техническому обслуживанию
- WAB Влагоотделитель
- WaPu Трансмиссионный тормоз от водяного насоса
- WLE Сменный бортовой модуль
- WR Сигнальное реле
- WS Сенсор перемещения
- WSK Гидротрансформаторное сцепление
Z
- Коэффициент торможения
- ZBR Центральный бортовой компьютер (ЦБК)
- ZBRO Центральный бортовой компьютер автобуса (ЦБКА)
- ZDR Регулирование промежуточной частоты вращения
- ZE Блок предохранителей и реле (БПР)
- ZR Центральный процессор
- ZS Централизованная смазочная система (ЦСС)
- ZUSH Дополнительное отопление
- ZWS Интервальная система технического обслуживания
- λ Пробуксовка
- μ Коэффициент трения
- μC Микроконтроллер (микропроцессор)
Настоящее руководство служит вспомогательным средством для надлежащего проведения ремонтных работ на транспортных средствах и агрегатах.
ОПИСАНИЕ СИСТЕМЫ
Общая информация
Система курсового контроля (LGS - Lane-Guard-System) представляет собой вспомогательную видеосистему, которая предупреждает водителя акустическим сигналом (похожим на шум, издаваемый шинами при наезде на рельефную дорожную разметку) с соответствующей стороны, когда автомобиль уходит с размеченной дорожной полосы без подачи светового сигнала.
Блок управления системы курсового контроля следит за полосой движения через видеокамеру, которая расположена за лобовым стеклом. При этом проводится анализ находящейся в поле зрения камеры разметки дорожного полотна.
Система разработана специально для поездок дальнего следования на автомагистралях. Система может работать и ночью, так как дорожное полотно перед автомобилем освещается фарами.
Преимущества:
– Поддержка при соблюдении своей полосы движения
– Поддержка на монотонных участках пути
– Надежное предупреждение при сходе с полосы движения из-за невнимательности или усталости
– Передача ощущения соблюдения своей полосы движения
– Передача ощущения для своевременного включения указателя поворота при маневре
– Функция поддерживается и при ночных поездках.
– Надлежащее соблюдение полосы движения способствует безопасности дорожного движения.
– Своевременное включение указателя поворота для предупреждения о совершении маневра также способствует безопасности дорожного движения.
Указание:
Так как система курсового контроля оптически отслеживает левую и правую разметку дорожного полотна, то работа системы подразумевает наличие и хорошую видимость разметки (например, система не работает при наличии на дороге снега, на мокром дорожном полотне, при наличии следов соли, колейных борозд или следов ремонта дороги).
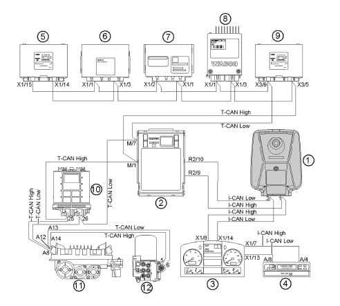
Структура сигналов и шины

A Входные сигналы
B Выходные сигналы
I-CAN Шина данных CAN приборной панели
T-CAN Шина данных CAN трансмиссии
1 Блок управления системы курсового контроля
2 Выключатель системы курсового контроля
3 Тахоспидограф
4 Приборная панель
5 Динамик справа
6 Динамик слева
7 Переключатель на рулевой колонке (указатель поворота, стеклоочиститель и фары)
8 Центральный процессор 2
9 Управляющий процессор автомобиля
Кабели входных и выходных сигналов подсоединены непосредственно к блоку управления системы курсового контроля. Подключение к шине данных CAN "Трансмиссия" (T-CAN) и к шине данных CAN "Приборная панель" (I-CAN) осуществляется через интерфейс CAN.
Структура шины данных CAN
Через шину данных CAN трансмиссии (T-CAN), шину данных CAN приборной панели (I-CAN) и шину данных CAN тахоспидографа M-TCO (M-TCO-CAN) с блоком управления системы курсового контроля (A609) соединены следующие блоки управления:
TGA

1 Блок управления системы курсового контроля (A609)
2 Центральный процессор 2 (A302)
3 Приборная панель (A407)
4 Тахоспидограф (A408)
5 Управляющий процессор автомобиля (A403)
6 Электронная тормозная система (A402)
7 Трансмиссионный тормоз / тормоз-замедлитель (A144)
8 Электронная пневматическая подвеска (A143)
9 Спецмодуль заказчика (A312)
10 Система подруливания поддерживающего моста (A384)
11 Система управления коробкой передач AS-Tronic (A330)
12 Электронная пневматическая система (A409)
T-CAN High Шина данных CAN трансмиссии, сигнал high
T-CAN Low Шина данных CAN трансмиссии, сигнал low
I-CAN High Шина данных CAN приборной панели, сигнал high
I-CAN Low Шина данных CAN приборной панели, сигнал low
TGA (большегрузный тягач)

1 Блок управления системы курсового контроля (A609)
2 Центральный процессор 2 (A302)
3 Приборная панель (A407)
4 Тахоспидограф (A408)
5 Управляющий процессор автомобиля (A403)
6 Электронная тормозная система (A402)
7 Тормоз-замедлитель (гидротрансформаторное сцепление WSK) (A266)
8 Электронная пневматическая подвеска (A143)
9 Спецмодуль заказчика (A312)
10 Дополнительный процессор (A688)
11 Система подруливания поддерживающего моста (A384)
12 Система управления коробкой передач AS-Tronic (A330)
13 Электронная пневматическая система (A409)
T-CAN High Шина данных CAN трансмиссии, сигнал high
T-CAN Low Шина данных CAN трансмиссии, сигнал low
I-CAN High Шина данных CAN приборной панели, сигнал high
I-CAN Low Шина данных CAN приборной панели, сигнал low
Полное описание с электро схемами в