Тренинг персонала RENAULT TRUCKS (OPTIDRIVER 2)
электрика


ТЕРМИНЫ И СОКРАЩЕНИЯ
ACU
Alarm Control Unit
Блок управления сигнализацией
APM
Air Product Management
Блок управления пневмоконтуром
CFCS
Coupling Force Control System
Электронное согласование торможения тягача и прицепа
CLU
Central Locking Unit
э.б.у. централизованной блокировки
EBS
Electronic Braking System
Электронно управляемая система торможения
(букв. Электронная Система Торможения)
ECU
ЭБУ
Электронный Блок Управления
EJB
Electrical Junction Box
Электрический интерфейсный блок
(соединительная коробка)
EMS
Engine Management System
Система управления двигателем
FCU
Flasher Control Unit
Блок управления освещением
GECU
Gearlever Electronic Control Unit
Электронный блок рычага коробки передач
GLGW
(GearLever GateWay):
Интерфейсный блок между рычагом (GECU, см.) и блоком управления коробкой передач (TECU).
ICU
Immoblizer Control Unit
Блок управления иммобилайзером
TCV
Trailer Control Valve
Клапан Управления Прицепом
TECU
Transmission Electronic Control Unit
Электронный блок управления роботизированной коробкой передач (с функцией замедлителя как вариант дополнительной комплектации)
TRF
Télécommande Radio Fréquence
Радиочастотное дистанционное управление (РЧДУ)
WCS
Wear Control System
Система Контроля Износа
WMS
Wear Monitoring System
Система мониторинга износа
Описание
Этот автоматизированный агрегат 2-го поколения Renault Trucks основан на современной
роботизированной коробке передач « VT 2412 B »
Расшифровка обозначения:
- VT : Volvo Transmission
- 24 : 2400 Нм
- 12 : 12 передних передач
- B : модификация
Эта КП по своим свойствам близка к «ручной механической» КП, в которой переключение передач
возложено на систему электронного управления.
Различие между автоматизированной КП и автоматической КП
• Вместо гидротрансформатора применяется классическое сцепление, что обеспечивает лучший к.п.д. : нет гидравлики, нет и гидравлического сопротивления.
• Простота традиционной механической КП с кареткой при одновременном уменьшении веса в сравнении с механической коробкой
• Поглощаемая мощность эквивалентна механической коробке
• Меньшая себестоимость производства выгодно отражается на цене.
ХАРАКТЕРИСТИКИ
Коробка с прямой передачей
Допустимый момент: 2400 Нм при полной массе 44 тонн
Передних передач: 12
Задних передач: 2+2
Передаточное число 1-й передачи: 15 : 1
Передаточное число ЗХ 17 :5 : 3,10
«Коэффициент плавности» 28%
Длина: 918 мм
Вес: 270 кг (без масла)
Применение: Дорожный / развозной автомобиль
Внутренние потери: 1,6 кВт при 1500 об/мин, 2,4 кВт при 1800 об/мин и T=80°C
Компрессионный тормоз: OPTIBRAKE (обязательный)
ВАРИАНТЫ КОМПЛЕКТАЦИИ
Гидравлический замедлитель
• Ретардер VOITH VR3250 c фланцевым креплением к коробке передач
• Тормозящий момент: 3250 Нм
Охладитель масла (с замедлителем или без него)
Мезанизм отбора мощности:
• Hydrocar 81
• Hydrocar 84
Термины и аббревиатуры
GLGW (GearLever GateWay) : интерфейсный блок между рычагом (GECU, см. ниже) и блоком управления коробкой передач (TECU).
TECU (Transmission Electronic Control Unit) : электронный блок управления роботизированной коробкой передач (с функцией замедлителя как вариант дополнительной комплектации)
GECU (Gearlever Electronic Control Unit) : электронный блок рычага коробки передач
КОРОБКА ПЕРЕДАЧ ВКЛЮЧАЕТ В СЕБЯ:
— Три главных алюминиевых картера:
- картер, специально адаптированный для однодискового сцепления (1)
- картер главной коробки передач с оребрением, создающим дополнительную жесткость и сокращающим шумы (2)
- картер редуктора (3).

— Пять валов:
• входной вал (1)
• вторичный вал (2)
• выходной вал с механизмом выбора (селектором) (3)
• промежуточный вал (включая устройство с инерционным тормозом (4)
• вал контрпривода для заднего хода и привода маслонасоса (5).
— Редуктор (или удвоитель диапазона) на валу (3)
— Передний делитель на валу (1)
— Инерционный тормоз на переднем конце промежуточного вала (4)
— Блок управления (6)
— Блок управления сцеплением.

СОСТАВ КОРОБКИ ПЕРЕДАЧ
ОБЩИЙ ВИД

— Используемое сцепление — однодисковое, оттяжного типа. Оно управляется электроклапаном через вилку привода.
БЛОК УПРАВЛЕНИЯ
Блок управления состоит из:
— Электронной платы TECU (управления коробкой передач)
— Датчиков и электромагнитных клапанов
— Вилок для управления зацеплением каретки КП.
Блок управления связан с автомобилем:
— Тремя пневматическими соединениями:
• общая запитка коробки передач (1)
• запитка привода сцепления (2)
• запитка гидравлического замедлителя.
— Тремя электрическими соединениями:
• с автомобилем (через шину связи) и электроклапанами отбора мощности (А)
• с гидрозамедлителем (В)
• с приводом сцепления (С).
Блок управления рассматривается как одно целое и разборке не подлежит.

ЭЛЕКТРОННАЯ ПЛАТА
Состав:
— Четырехслойная эпоксидная плата
— Два микроконтроллера:
• 1 микроконтроллер для выбора включаемой передачи
• 1 микроконтроллер для перехода к включению передачи
— Две главные шины связи:
• шина CAN J1939 (шина автомобиля)
• шина SAE (J1708/J1587) (резервная шина связи + дисплей + диагностика)
— Один датчик уклона (для определения передаточного числа при трогании с места и настройки стратегии смены передаточных чисел на наклонной дороге)
— Один датчик температуры для платы.
Дополнительно используется информация о наличии причепа (связь с прицепом) и о нагрузке на заднюю подвеску

ВЕРХНЯЯ КРЫШКА
В верхнюю крышку блока управления вмонтированы:
— 9 электроклапанов для управления силовыми цилиндрами
— 1 датчик давления
— 3 соединительные пневмотрубки
— 3 наружных разъема.
Электроклапаны и датчики соединяются с электронными схемами при помощи четырех гибких кабелей.
1 Электроклапан первой передачи
2 Электроклапан второй передачи
3 Электроклапан третьей передачи
R : Электроклапан заднего хода
B : Электроклапан тормоза
LR : Электроклапан редуктора низкого диапазона
HR : Электроклапан редуктора верхнего диапазона
HS : Электроклапан переднего делителя повышенных передач
LS : Электроклапан переднего делителя пониженных передач
Примечание:
Рабочее давление 8,5 бар, аварийные сигналы при понижении до 4 бар и повышении до 9,2 бар.


НИЖНЯЯ ЧАСТЬ
Нижняя часть блока управления включает в себя:
— 4 параллельных силовых цилиндра
• 2 для выбора главной коробки передач
• 1 для редуктора
• 1 для переднего делителя
— 4 индуктивных датчика положения, по одному на каждый цилиндр
— 2 датчика скорости
— 1 датчик температуры масла (3 аварийных порога 100°C, 120°C и 140°C)
— 3 вилки для выбора
— 4 фиксатора передач
— 4 пневмовывода для электроклапанов
— 1 упорный ограничитель для ограничения хода переднего делителя.


Пневмосистема:
Входной пневмопровод (1) соединяет блок управления с системой подачи сжатого воздуха
— Выходная трубка (2) к цилиндру сцепления
— Выходная трубка (3) к инерционному тормозу
— Датчик давления воздуха под входным отверстием.

БЛОК УПРАВЛЕНИЯ СЦЕПЛЕНИЕМ
Состав блока управления сцеплением:
— 1 пневмопровод
— 1 индуктивный датчик, измеряющий положение сцепления
— 1 встроенная электронная плата, позволяющая преобразовать выходной сигнал датчика в электрическое напряжение
— 4 электроклапана:
• 2 электроклапана для включения сцепления
• 2 электроклапана для выключения сцепления
— 1 клапан поддержания давления
— 1 воздушный фильтр
— 1 плоский соединительный кабель
— 1 соединительный пневмопровод, позволяющий управлять сцеплением при неисправности электроники.
Примечание:
Компенсация износа сцепления осуществляется программой (регулировок не требуется).
После замены диска сцепления необходимо произвести калибровку КПП.

ИНЕРЦИОННЫЙ ТОРМОЗ
Инерционный тормоз находится на переднем конце промежуточного вала и используется для замедления вращающихся деталей перед включением передачи для трогания с места. Это устройство предохраняет от износа, шума и трения в коробке передач.
Инерционный тормоз приводится в действие встроенным пневмоцилиндром.

ФУНКЦИОНИРОВАНИЕ КОРОБКИ ПЕРЕДАЧ
Передний делитель и редуктор с механической синхронизацией.
Синхронизация главной коробки передач осуществляется электронным управлением.
При повышении передаточного числа:
Скорость на входе коробки передач должна снижаться быстро, чтобы ограничить время переключения
• первый случай, низкие обороты двигателя, близкие к режиму холостого хода:
использование инерционного тормоза коробки передач
• второй случай, нормальные обороты двигателя: используется инерционный тормоз и тормоз двигателя OPTIBRAKE для обеспечения более быстрой синхронизации.
При понижении передаточных чисел:
Двигатель разгоняется для увеличения скорости на входе, что позволяет синхронизировать шестерни коробки передач.
СТРАТЕГИЯ ПЕРЕКЛЮЧЕНИЯ ПЕРЕДАЧ
– Смена передач производится автоматически и зависит от следующих условий:
– запросы водителя (положение передачи акселератора, запрос замедления, минипулирование рычагом и т.п.)
– Кинематическая схема автомобиля:
• двигатель (мощность, крутящий момент и т.д.)
• коробка передач (причина переключения и т.п.)
– Нагрузка автомобиля, вычисляемая с момента первого переключения
― Уклон дороги
Уклон дороги и нагрузка автомобиля определяются на основе анализа сигналов скорости автомобиля и скорости двигателя.
РЫЧАГ ПЕРЕКЛЮЧЕНИЯ ПЕРЕДАЧ (GECU)
— Возможность легко переходить от автоматического переключения к ручному и обратно.
— Возможность переключения на нейтральное положение на скользкой дороге, если скорость меньше 90 км/ч.
— Возможность настройки автоматического режима (через временный ручной режим
— Возможность изменения передачи при трогании с места и прямого перехода к передачам маневрирования.

РАЗДЕЛЯЕМЫЕ ФУНКЦИИ

ЭЛЕКТРИКА

ЭЛЕКТРОННЫЕ БЛОКИ (АРХИТЕКТУРА)

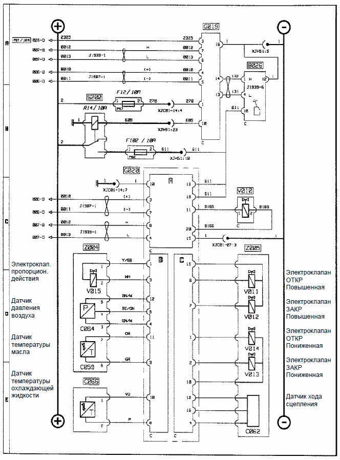
ДАТЧИКИ И ЭЛЕКТРОКЛАПАНЫ
ЭЛЕКТРОКЛАПАНЫ ОТБОРА МОЩНОСТИ
Клеммы: 20A–11A (PTO1) или 17A–16A (PTO2)
Напряжение: U = Uбат
Контроль: на диодах U = 0,6 В
ЭЛЕКТРОКЛАПАНЫ СЦЕПЛЕНИЯ
Клеммы: 20С–10С, 1С – 10C, 7C–15, 6C–15C
Контроль: сопротивление R = 15 Ом – 17 Ом
ДАТЧИК ХОДА СЦЕПЛЕНИЯ
Клеммы: 4С–12С
Напряжение питания : U = 5 В
Контроль: сопротивление R > 0 Ом
Клеммы: 12С–16С
Контроль: напряжение U = 1,1 В при включенном сцеплении U = 1,7 В при выключенном сцеплении