Полные описания Excavators JCB

Электрика
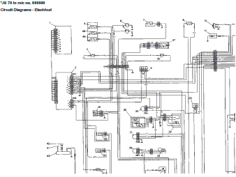
- JS70 to m/c no. 695500
Main Components
- 1 Monitor Display Unit
- 2 Systems Control Monitor
- 3 System Control Solenoid
- 4A 2-Speed Travel Solenoid
- 4B Swing Parking Brake Solenoid
- 5 Idle Switch
- 6 Swing Pressure Sensing Switches
- 7 Idle Solenoid
- 8 Resistor
- 9 Diode Unit
- 10 Horn
- 11 Refuelling Pump (optional)
- 12 Working Lamp (Boom)
- 13 Working Lamp (Tank)
- 14 Filter Blocked Switch
- 15 Fuel Level Sensor
- 16A Hydraulic Oil Temperature Sensor
- 16B Water Temperature Sensor
- 17 Engine
- 18 Engine Intake Heater Relay
- 19 Safety Relay
- 20 Battery
- 21 Battery Relay
- 22 Horn Switch
- 23 Horn Relay
- 24 Wiper Relay
- 25 Working Lamp Switch
- 26 Intermittent Wipe Relay
- 27 Wiper Motor
- 28 Idle Relay
- 29 System Control Switch
- 30 2-Speed Travel Switch
- 31 Wiper Switch
- 32 Heater Motor
- 33 Heater Switch
- 34 Cab Lamp Switch
- 35 Screen Washer
- 36 Fuse Box
- 37 Fuses
- 38 Stop Motor
- 39 Starter Switch
- 40 Buzzer Off Switch
- 41 Radio Aerial
- 42 Radio Loudspeaker
- 43 Radio
- 44 Beacon Switch
Cable Colour Code
- B Black
- Br Brown
- G Green
- L Blue
- Lg Light Green
- R Red
- V Violet
- W White
- Y Yellow
Monitor Display and Monitor Controller
Plug Pin Positions
Monitor Display
- 1 POWER (+12 V)
- 2 GND
- 3 HOUR METER
- 4 BATTERY CHARGE LAMP
- 5 FUEL LAMP
- 6 FUEL METER
- 7 WATER TEMPERATURE METER
- 8 OVERHEAT LAMP
- 9 HYDRAULIC OIL TEMPERATURE METER
- 10 ENGINE OIL PRESSURE LAMP
- 11 AIR FILTER LAMP
- 12 BACK-UP LAMP
- 13 SWING BRAKE LAMP
- 14 IDLE LAMP
- 15 CONTROL OFF LAMP
- 16 BUZZER
- 17 GLOW LAMP
- 18 OPTION (1) LAMP
- 19 OPTION (2) LAMP
- 20 (No Connection)
Monitor Controller
- CN 1
- 1 POWER (+12V)
- 2 GND
- 3 GND
- 4 BATTERY CHARGE
- 5 FUEL METER (LAMP)
- 6 FUEL METER
- 7 WATER TEMPERATURE METER
- 8 HYDRAULIC OIL TEMPERATURE METER
- 9 ENGINE OIL PRESSURE SWITCH
- 10 AIR FILTER SWITCH
- 11 WORKING LAMP
- 12 SWING PRESSURE SWITCH
- 13 SWING BRAKE OUT
- 14 IDLE SWITCH
- 15 CONTROL OFF SWITCH
- 16 BUZZER STOP SWITCH
- CN 2
- 1 HEAT RELAY (IN)
- 2 HEAT RELAY (OUT)
- 3 OPTION (1)
- 4 OPTION (2)
- 5 IDLE RELAY
- 6 (No Connection)
Все следующие электро и гидравлические схемы
доступны только пользователям
- JS70 from m/c no. 695501
- JS110, 130 to m/c no. 757999
- JS150LC
- JS200LC to m/c no. 705000
- JS240LC to m/c no. 780500
- JS300LC
- JS450LC
- JS130W, 150W (Common with JS130, JS150 Tracked Excavators)
- JS130W, 150W (Additional to JS130, JS150 Tracked Excavators)
- JS130W, 150W (Relay Box P.C.B.)
- JS130W from m/c no. 716501, 160W from 718501
- JS130 from m/c no. 758000, JS160 from m/c no. 702000
- JS200W from m/c no. 809000
- JS200, 220 from m/c no.705001, JS240 from m/c no. 708501
- JS330 from m/c no. 712501
- JS450 from m/c no. 714501
- JS330/JS460 (AMS)
- JS460 Tier2
Гидравлика
- JS70 (Standard Boom to m/c 695001)
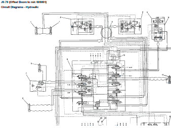
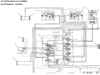
Component Key
- M Engine
- P1 Main pump elements
- P2 Servo pump element
- 1 Blade rams
- 2 Track motors
- 3 Rotary coupling
- 4 Swing gearbox
- 5 Swing motor
- 6 Boom ram
- 7 Boom holding valve
- 8 Bucket ram
- 9 Control valve
- 9A Swing motor spool
- 9B Dipper spools
- 9C Boom spools
- 9D Bucket spool
- 9E Blade spool
- 9F Track motor spools
- 10 Return manifold
- 11 Dipper ram
- 12 Attachment control valve
- 13 Oil cooler
- 14 Tank air breather
- 15 Servo hand control valves
- 16 Return filter
- 17 Hydraulic tank
- 18 Relief valve
- 19 Suction strainer
- 20 Pressure switches
- 21 Selector valve
- 22 Manifold
- 23 Solenoid valve block
- 24 Accumulator
- 25 Line filter
- 26 Hydraulic pump
- 27 Boom servo cushion valves
- 28 Dipper servo cushion valve
- JS70 (Offset Boom to m/c 695001)
- JS70 (Standard Boom from m/c 695002 to m/c 695500)
- JS70 (Offset Boom from m/c 695002 to m/c 695500)
Hydraulic (cont’d)
- JS70 from m/c no. 695501
- JS110 (To m/c 697013) & 130 (To m/c 699036)
- JS110 (From m/c 697014) & 130 (From m/c 699037 to m/c no. 757999)
- JS150LC (To m/c 701044)
- JS150LC (From m/c 701045)
- JS200LC (To m/c 704074)
- JS200LC (From m/c 704075 to m/c no. 705000)
- JS240LC to m/c no. 780500
- JS300LC
- JS450LC
- JS130W from m/c no. 716501, JS145W from m/c no. 810000,
160W from m/c no. 718501, JS175W from m/c no. 875000
- JS160W from m/c no. 718501, JS175W from m/c no. 875000 - TAB Option
- JS130W from m/c no. 716501, 160W from m/c no. 718501
- JS130 from m/c no. 758000
- JS160 from m/c no. 702000
- JS175W from m/c no. 875000
- JS200, 220 from m/c no. 705001
- JS240, 260 from m/c no. 708001
- JS330 from m/c no. 712501
- JS450 from m/c no. 714501
- JS460 from m/c no. 714550
- JS330/JS460 Tier2
- JS450/JS460 - Control Valve
- JS460 Tier2 - Control Valve
- JS460 Tier2 - Circuit Descriptions
Вся доступная информация по Excavators JCB
Fluids, Lubricants and Capacities
- JS 70 to m/c no. 695500
- JS 110, 130 to m/c no. 757999, 150LC
- JS 200LC to m/c no. 705000, 240LC to m/c no. 780500, 300LC, 450LC
- JS 130W, 150W
- JS 70 from m/c no. 695501
- JS130 from m/c no. 758000, JS160 from m/c no. 702000
- JS180
- JS130W frm m/c no. 716500, JS145W from m/c no. 810000, JS160W from m/c no. 718500
- JS200, 220 from m/c no. 705001, JS210 from m/c no. 705648,JS240 from m/c no.708001, JS260 from m/c no. 708501
- JS200W from m/c no. 0802000 to 802999
- JS330 from m/c no. 712501, JS450 from m/c no. 714501, JS460 from m/c no. 714550
- JS200W from m/c no. 809000 45 - 00 - 01/6C & 45 - 00 - 01/6D
Static Dimensions
- JS 70 to m/c no. 695500
- JS 110
- JS 130 to m/c no. 757999
- JS 150LC
- JS 200LC
- JS 240LC
- JS 300LC
- JS 450LC
- JS 130W
- JS 150W
- JS 70 from m/c no. 695501
- JS130 from m/c no. 758000
- JS160 from m/c no. 702000
- JS180
- JS200, 220 from m/c no. 705001
- JS210
- JS240, 260 from m/c no. 708501
- JS220LC Long reach (LR) from m/c no. 705001
- JS330 from m/c no. 712501
- JS450 from m/c no. 714501
- JS130W from m/c no. 0716500
- JS160W from m/c no. 0718500
- JS200W from m/c no. 0802000 to 802999
- JS200W from m/c no. 809000
- JS460 from m/c no. 714550
Shipping Weights
- JS 70 to m/c no. 695500
- JS 110, 130, 150LC
- JS 200LC to m/c no. 70500, 240LC to m/c no. 780500, 300LC, 450LC
- JS 70 from m/c no. 695501
- JS130 from m/c no. 758000, JS160, 180 from m/c no. 702000
- JS200, 210, 220 from m/c no. 705001, JS240, 260 from m/c no. 708501
- JS330 from m/c no. 712501, JS450 from m/c no. 714501, JS460 from m/c no. 714550
- JS130W from m/c no. 0716501, JS160W from 0718501
- JS200W from m/c no. 0802000 to 802999
Electrical
- JS 70 to m/c no. 695500
- JS 110, 130, 150LC
- JS 200LC, 240LC, 300LC, 450LC
- JS 130W, 150W
- JS130 from m/c no. 758000, JS160 from m/c no. 702000
- JS200, 220 from m/c no. 705001, JS240, 260 from m/c no. 708501
- JS130W from m/c no. 0716501, JS160W from m/c no. 0718501
- JS70 from m/c no. 695501
- JS 200W from m/c no. 809000
- JS330 from m/c no. 712501, JS450 from m/c no. 714501
JS460 from m/c 714550
- The A.M.S. System
Hydraulic
- JS 70 to m/c no. 695500
- JS 110
- JS 130 to m/c no. 757999
- JS 150
- JS 200LC to m/c no. 705000
- JS 240LC
- JS 300LC
- JS 450LC
- JS 130W from m/c no. 0716501, JS145W from m/c no. 810000
- JS 70 from m/c no. 695501
- JS130 from m/c no. 758000
- JS160 from m/c no. 702000
- JS200, 220 from m/c no. 705001
- JS240, 260 from m/c no. 708501
- JS 200W from m/c no. 809000
- JS330 from m/c no. 712501
- JS450 from m/c no. 714501, JS460 from m/c no. 714550
Track Motor/Gearbox
- JS130 from m/c no. 758000, JS160 from m/c no. 702000
- JS200, 220 from m/c no. 705001, JS240, 260 from m/c no. 708501
- JS330 from m/c no. 712501, JS450 from m/c no. 714501
JS460 from m/c no 714550
Control Valve
- JS 200W from m/c no. 809000
Drive Gearbox
- JS 200W from m/c no. 809000
Front Axle
- JS 200W from m/c no. 809000
- JS130W from m/c no. 716500 (SD70 PT)
- JS130W from m/c no. 716500, JS160W from m/c no. 718500 (SD80PT)
Rear Axle
- JS 200W from m/c no. 809000
- JS130W from m/c no. 716500 (PD70)
- JS130W from m/c no. 716500, JS160W from m/c no. 718500 (PD80)
Engine
- JS 70 to m/c no. 695500
- JS 110, 130, 150LC
- JS 200LC, 240LC
- JS 300LC, 450LC
- JS 70 from m/c no. 695501
- JS 130W from m/c no. 785001, JS160W from m/c no. 702001
Engine (cont’d) Page No.
- JS 330 from m/c no. 712501, JS450 from m/c no. 714501
JS460 from m/c no.714550
- JS460 Tier 2
- JS 130 from m/c no. 716501, JS160 from m/c no. 718501
- JS130W from m/c no. 716500, JS145 from m/c no. 810000
- JS175W from m/c no. 875000
JS160W from m/c no. 718500,
- JS 200W from m/c no. 809000
- JS200, 220 from m/c no. 705001, JS210 from m/c no. 705648,JS240 from m/c no.708001,
JS260 from m/c no. 708501
Track and Running Gear
- JS330 from m/c no. 712501, JS450 from m/c no. 714501
Fault Finding
Hydraulics
- JS 70 to m/c no. 695500
- JS 110, 130
- JS 150LC
- JS 200LC, 300LC
- JS 240LC
- JS 450LC
- JS70 from m/c no. 695501
- JS 200W from m/c no. 809000
Track Gearbox
- JS 110, 130, 150LC
- JS 200LC, 240LC, 300LC, 450LC
Swing Gearbox
- JS70, 110, 130, 150LC, 200LC, 240LC, 300LC, 450LC
- JS130W from m/c no. 716500, JS160W from m/c no. 718500
- JS200 from m/c no. 705001, JS240 from m/c no. 708501
- JS 200W from m/c no. 809000
Pump/ Regulator
- JS130 from m/c no. 758000, JS160 from m/c no. 702000
- JS200, 220 from m/c no. 705001, JS240, 260 from m/c no. 708501
- JS330 from m/c no. 712501, JS450 from m/c no. 714501
- JS330 from m/c no. 712501, JS460 from m/c no. 714550
Remote Control Valve
- JS130 from m/c no. 758000, JS160 from m/c no. 702000
- JS200, 220 from m/c no. 705001, JS240, 260 from m/c no. 708501, JS 200W from m/c no. 809000
- JS330 from m/c no. 712501, JS450 from m/c no. 714501
JS460 from m/c no. 714550
Control Valve
- JS70 from m/c no. 695501
Multiple Valve
- JS70 from m/c no. 695501
Rams
- JS70 from m/c no. 695501
- JS130 from m/c no. 758000, JS160 from m/c no. 702000
- JS130W from m/c no. 716500, JS160W from m/c no. 718500
- JS200, 220 from m/c no. 705001, JS240, 260 from m/c no. 708501
Track Motor/Gearbox
- JS70 from m/c no. 695501
Contents
- JS130 from m/c no. 758000, JS160 from m/c no. 702000
- JS200, 220 from m/c no. 705001, JS240, 260 from m/c no. 708501
- JS330 from m/c no. 712501, JS450 from m/c no. 714501
Slew Motor
- JS70 from m/c no. 695501
- JS130 from m/c no. 758000, JS160 from m/c no. 702000
- JS130W from m/c no. 716500, JS145W from m/c no. 810000
JS160W from m/c no. 718500, JS175W from m/c no. 875000
- JS200, 220 from m/c no. 705001, JS240, 260 from m/c no. 708501, JS 200W from m/c no. 809000
- JS330 from m/c no. 712501, JS450 from m/c no. 714504
JS460 from m/c no. 714550
Engine
- JS70 from m/c no. 695501
Monitor Display
- JS70 from m/c no. 695501
Operating Controls
- JS70 from m/c no. 695501
Hydraulic Pump
- JS70 from m/c no. 695501
Working Attachments
- JS70 from m/c no. 695501
Travelling
- JS70 from m/c no. 695501
Slewing
- JS70 from m/c no. 695501
Hydraulic Rams
- JS70 from m/c no. 695501
Electrics
- JS330 from m/c no. 712501, JS450 from m/c no. 714501
JS460 from m/c no. 714550
Electrical
- JS70 to m/c no. 695500
- JS70 from m/c no. 695501
- JS110, 130 to m/c no. 757999
- JS150LC
- JS200LC to m/c no. 705000
- JS240LC to m/c no. 780500
- JS300LC
- JS450LC
- JS130W, 150W (Common with JS130, JS150 Tracked Excavators)
- JS130W, 150W (Additional to JS130, JS150 Tracked Excavators)
- JS130W, 150W (Relay Box P.C.B.)
- JS130W from m/c no. 716501, 160W from 718501
- JS130 from m/c no. 758000, JS160 from m/c no. 702000
- JS200W from m/c no. 809000
- JS200, 220 from m/c no.705001, JS240 from m/c no. 708501
- JS330 from m/c no. 712501
- JS450 from m/c no. 714501
- JS330/JS460 (AMS)
- JS460 Tier2
Hydraulic
- JS70 (Standard Boom to m/c 695001)
- JS70 (Offset Boom to m/c 695001)
- JS70 (Standard Boom from m/c 695002 to m/c 695500)
- JS70 (Offset Boom from m/c 695002 to m/c 695500)
Hydraulic (cont’d)
- JS70 from m/c no. 695501
- JS110 (To m/c 697013) & 130 (To m/c 699036)
- JS110 (From m/c 697014) & 130 (From m/c 699037 to m/c no. 757999)
- JS150LC (To m/c 701044)
- JS150LC (From m/c 701045)
- JS200LC (To m/c 704074)
- JS200LC (From m/c 704075 to m/c no. 705000)
- JS240LC to m/c no. 780500
- JS300LC
- JS450LC
- JS130W from m/c no. 716501, JS145W from m/c no. 810000,
160W from m/c no. 718501, JS175W from m/c no. 875000
- JS160W from m/c no. 718501, JS175W from m/c no. 875000 - TAB Option
- JS130W from m/c no. 716501, 160W from m/c no. 718501
- JS130 from m/c no. 758000
- JS160 from m/c no. 702000
- JS175W from m/c no. 875000
- JS200, 220 from m/c no. 705001
- JS240, 260 from m/c no. 708001
- JS330 from m/c no. 712501
- JS450 from m/c no. 714501
- JS460 from m/c no. 714550
- JS330/JS460 Tier2
- JS450/JS460 - Control Valve
- JS460 Tier2 - Control Valve
- JS460 Tier2 - Circuit Descriptions








