Гидравлические схемы CASE Magnum 225-335

1 Клапан сцепного устройства
2 Цилиндры сцепного устройства
3 Питание за коллектором
4 Насос питания/смазки
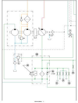
5 Насос PFC
6 Сетчатый фильтр/компенсатор
7 Маслоохладитель
8 Приоритетный/регулировочный клапан
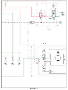
9 Блокировочный клапан МОМ/дифференциала
10 Тормоз муфты МОМ
11 Муфта блокировки дифференциала
12 Управляющие клапаны трансмиссии
13 Муфта механического переднего привода (MFD)
14 Нижняя муфта
15 Средняя муфта
16 Верхняя муфта
17 Муфта заднего хода
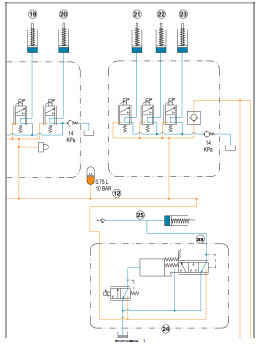
18 Пятая муфта
19 Третья муфта
20 Первая муфта
21 Четная муфта
22 Нечетная муфта
23 Проскальзывающая муфта или муфта для скорости 50 km/h
24 Стояночная муфта
25 Главная муфта
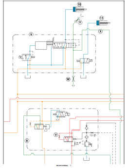
28 Рабочий тормоз
29 Ручной насос рулевого управления
30 Цилиндры рулевого управления
31 Стояночный/аварийный тормоз
32 Насос отключения тормоза
33 Фильтр
34 Управляющий клапан подвески
35 Цилиндры подвесок осей
36 Коробка передач
37 Клапан системы автоматического управления
38 Отверстие датчика скорости РХ
39 Клапан стояночного тормоза
40 Муфта тормоза прицепа
41 Приоритетный клапан тормоза прицепа
42 Ручной героторный узел
43 Дополнительный геротор
44 К тормозам прицепа
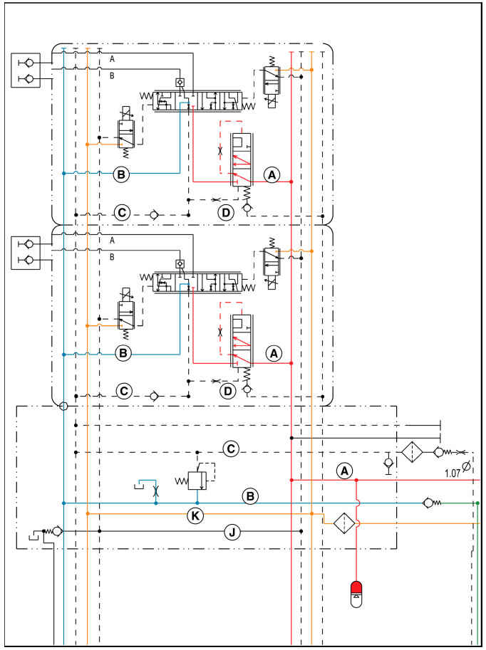
A Подача топлива
B Бак
C Сигнал
Р Предохранительный
Е Питание управляющего клапана
F Отверстие цилиндра
G Слив из корпуса
Н Обратный контур
I Клапан управления смазки/предохранительный клапан
М "Масса” шасси
N Обходной клапан
O Нечетные/четные клапаны смазки
Р Клапан смазки коробки отпора мощности
Q Смазочный клапан привода проскальзывания
R Клапан смазки главной муфты Б. Клапан смазки правого тормоза/дифференциала
Т Клапан смазки механического переднего привода (МРО)/демультипликатора
U Клапан смазки левого тормоза/дифференциала
V Амортизатор
W Клапан смазки конической шестерни
X Смазочные трубопроводы
Y Клапан смазки муфты МОМ
aa Впуск
ЬЬ К электромагнитному клапану стояночного тормоза
сс Переключатель размыкается, когда педаль нажата до конца и давление гидравлической системы падает
dd Датчик давления - шток
ее Датчик давления - поршень
ff Электромагнит штока
gg Электромагнит поршня
hh Шток
jj Поршень
кк К регулируемой цепи




Все схемы в высоком качестве в