Электросхемы Mercedes VARIO система MR
(Евро 3, Евро 4, Евро 5)
Датчики температуры на катализаторе

- А95: Модуль SCR на раме (Евро 4 или Евро 5)
- В100/1: Датчик температуры перед катализатором
- В101/1: Датчик температуры после катализатора
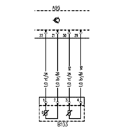
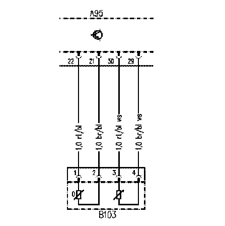
Датчик 'Уровень/температура бака AdBlue'

- А95: Модуль SCR на раме (Евро 4 или Евро 5)
- В103: Датчик 'Уровень/температура бака AdBlue'
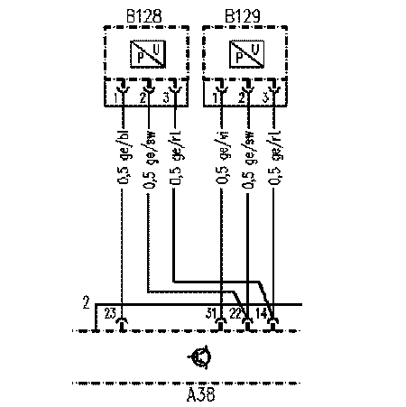
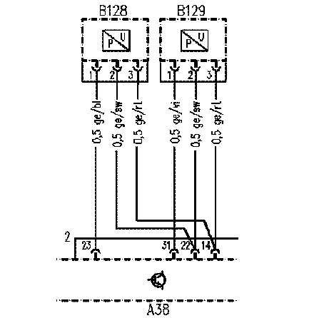
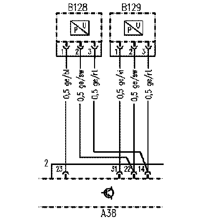
Датчик давления AdBlue / Датчик сжатого воздуха SCR

- А38: Блок управления MR система управления двигателем
- В128: Датчик сжатого воздуха SCR
- В129: Датчик давления AdBlue
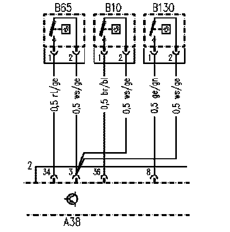
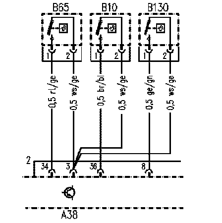
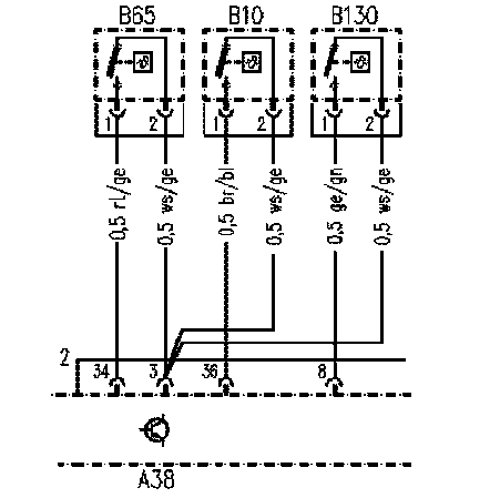
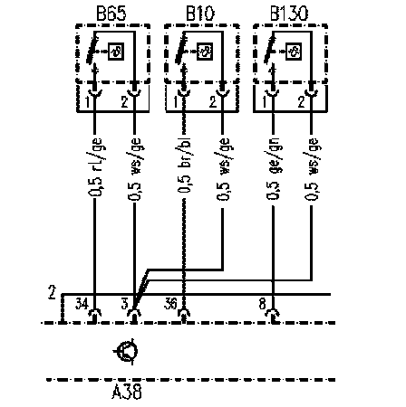
Датчик температуры AdBlue

- А38: Блок управления MR система управления двигателем
- В10: Датчик температуры топлива
- В65: Датчик температуры охлаждающей жидкости
- В130: Датчик температуры AdBlue
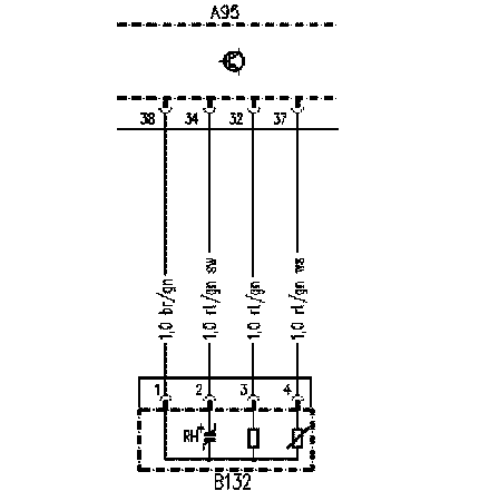
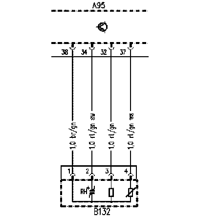
Датчик 'Влажность воздуха/температура воздуха'

- А95: Модуль SCR на раме (Евро 4 или Евро 5)
- В132: Датчик 'Влажность воздуха/температура воздуха'
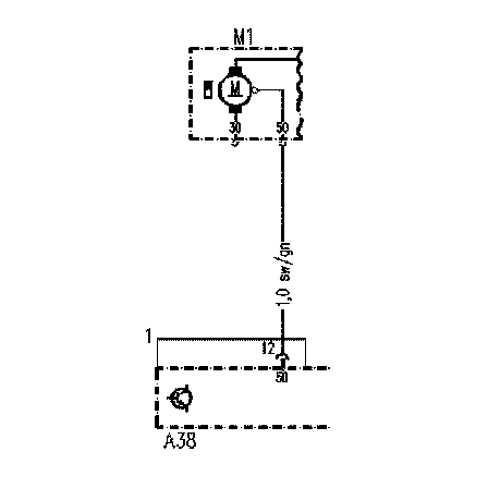
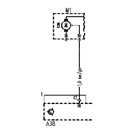
Фрагмент электросхемы стартера

- M1: Стартер
- А38: Блок управления MR система управления двигателем
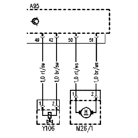
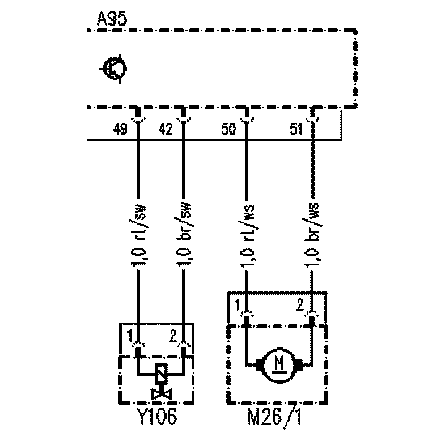
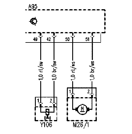
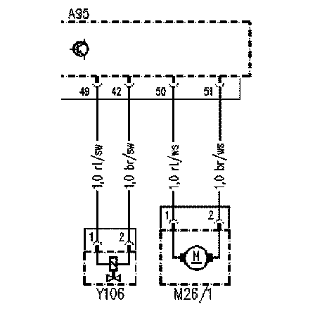
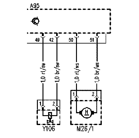
Насос AdBlue

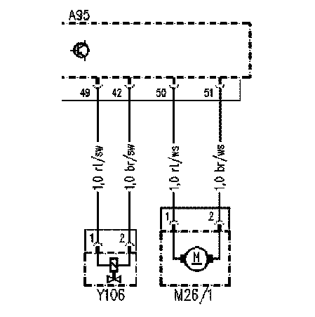
- А95: Модуль SCR на раме (Евро 4 или Евро 5)
- М26/1: Насос AdBlue
- Y106: Электромагнитный клапан 'Ограничение сжатого воздуха'
Переключающий клапан сжатого воздуха SCR

- А95: Модуль SCR на раме (Евро 4 или Евро 5)
- М26/1: Насос AdBlue
- Y106: Переключающий клапан сжатого воздуха SCR
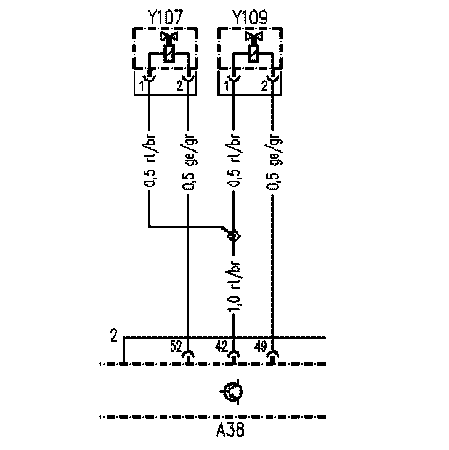
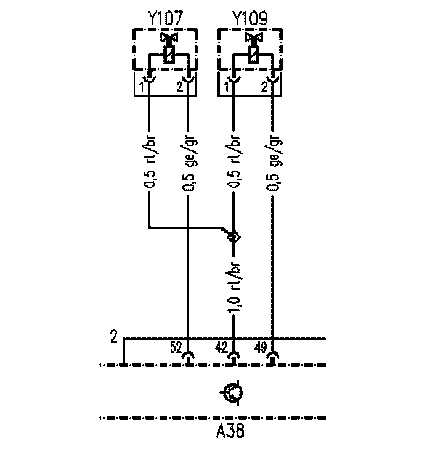
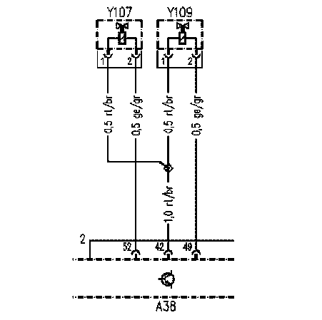
Электромагнитный клапан 'Подогрев бака AdBlue'

- А38: Блок управления MR система управления двигателем
- Y107: Электромагнитный клапан 'Подогрев бака AdBlue'
- Y109: Дозирующий клапан AdBlue
Дозирующий клапан AdBlue

- А38: Блок управления MR система управления двигателем
- Y107: Электромагнитный клапан 'Подогрев бака AdBlue'
- Y109: Дозирующий клапан AdBlue
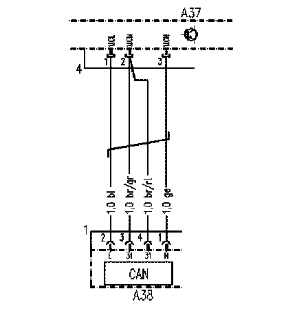
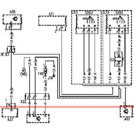
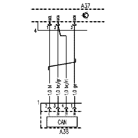
Шина данных CAN двигателя

- А37: Блок управления FR система управления движением
- А38: Блок управления MR система управления двигателем
- XI: Штекерное соединение (16-полюсное)
- Х4: Штекерное соединение (18-полюсное)
CAN A95 - A6

- А38: Блок управления MR система управления двигателем
- А95: Модуль SCR на раме (Евро 4 или Евро 5)
- XF.F8: Штекерное соединение 'Кабина водителя-шасси'
Датчик температуры топлива

- А38: Блок управления MR система управления двигателем
- Х2: Штекерное соединение (55-полюсное)
- В10: Датчик температуры топлива
Заданные значения и параметры:
- Заданное сопротивление прим. при 25 °С: 1975 - 2155 Ом
- Заданное сопротивление прим. при 60 °С: 575 - 613 Ом
- Заданное сопротивление прим. при 90 °С: 239 - 249 Ом
- Заданное сопротивление прим. при 120 °С: 111 - 117 Ом
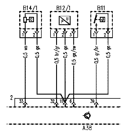
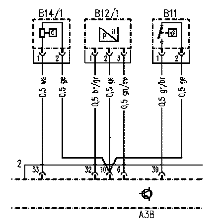
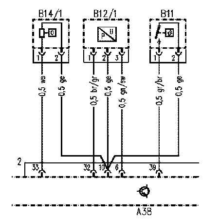
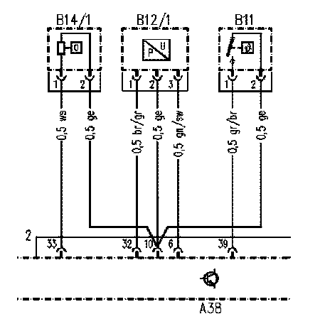
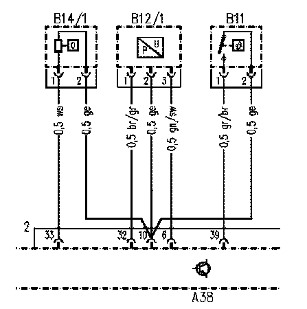
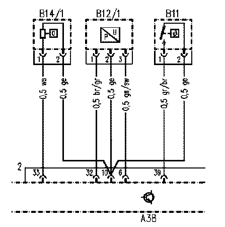
Датчик температуры масла

- А38: Блок управления MR система управления двигателем
- В11: Датчик температуры масла
- В12/1: Датчик давления масла
- В14/1: Датчик уровня масла
Заданные значения и параметры:
- Заданное сопротивление прим. при 25 °С: 1975 - 2155 Ом
- Заданное сопротивление прим. при 60 °С: 575 - 613 Ом
- Заданное сопротивление прим. при 90 °С: 239 - 249 Ом
- Заданное сопротивление прим. при 120 °С: 111 - 117 Ом
Датчик давления масла

- А38: Блок управления MR система управления двигателем
- В11: Датчик температуры масла
- В12/1: Датчик давления масла
- В14/1: Датчик уровня масла
Заданные значения и параметры:
- Напряжение питания : 5 V
- Напряжение датчиков : 0,5 V - 4,5 V
- Заданное значение при 0,5 бар: 0,5 В
- Заданное значение при 6 бар: 4,5 В
Датчик уровня масла

- А38: Блок управления MR система управления двигателем
- В11: Датчик температуры масла
- В12/1: Датчик давления масла
- В14/1: Датчик уровня масла
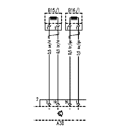
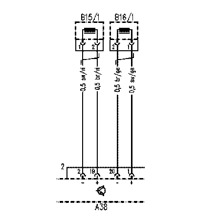
Фрагмент электросхемы датчика положения

- А38: Блок управления MR система управления двигателем
- Х2: Штекерное соединение (55-полюсное)
- В15/1: Датчик положения коленвала
- В16/1: Датчик положения распредвала
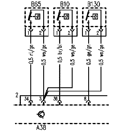
Датчик температуры охлаждающей жидкости

- А38: Блок управления MR система управления двигателем
- Х2: Штекерное соединение (55-полюсное)
- В65: Датчик температуры охлаждающей жидкости
Заданные значения и параметры:
- Заданное сопротивление прим. при 25 °С: 1975 - 2155 Ом
- Заданное сопротивление прим. при 60 °С: 575 - 613 Ом
- Заданное сопротивление прим. при 90 °С: 239 - 249 Ом
- Заданное сопротивление прим. при 120 °С: 111 - 117 Ом
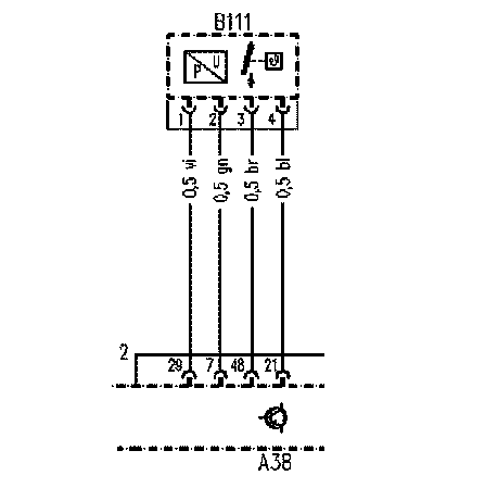
Комбинированный датчик 'Давление и температура нагнетаемого воздуха'

- А38: Блок управления MR система управления двигателем
- Х2: Штекерное соединение (55-полюсное)
- B111: Комбинированный датчик 'Давление и температура нагнетаемого воздуха'
Датчики температуры на катализаторе

- А95: Модуль SCR на раме (Евро 4 или Евро 5)
- В100/1: Датчик температуры перед катализатором
- В101/1: Датчик температуры после катализатора
Датчик 'Уровень/температура бака AdBlue'

- А95: Модуль SCR на раме (Евро 4 или Евро 5)
- В103: Датчик 'Уровень/температура бака AdBlue'
Датчик давления AdBlue / Датчик сжатого воздуха SCR

- А38: Блок управления MR система управления двигателем
- В128: Датчик сжатого воздуха S
- В129: Датчик давления AdBlue
Датчик температуры AdBlue

- А38: Блок управления MR система управления двигателем
- В10: Датчик температуры топлива
- В65: Датчик температуры охлаждающей жидкости
- В130: Датчик температуры AdBlue
Датчик 'Влажность воздуха/температура воздуха'

- А95: Модуль SCR на раме (Евро 4 или Евро 5)
- В132: Датчик 'Влажность воздуха/температура воздуха'
Насос AdBlue

- А95: Модуль SCR на раме (Евро 4 или Евро 5)
- М26/1: Насос AdBlue
- Y106: Электромагнитный клапан 'Ограничение сжатого воздуха'
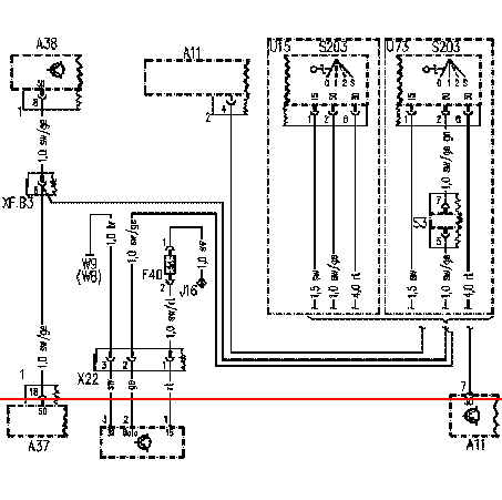
Фрагмент электросхемы WSP иммобилайзер

- АН: Центральный блок реле и предохранителей
- А37: Блок управления FR система управления движением
- А38: Блок управления MR система управления двигателем
- S3: Выключатель 'Борт грузовой платформы'
- S203: Замок зажигания
- Х22: Считывающий блок иммобилайзера
- U15/U73/U14: На выбор в зависимости от исполнения
Переключающий клапан сжатого воздуха SCR

- А95: Модуль SCR на раме (Евро 4 или Евро 5)
- М26/1: Насос AdBlue
- Y106: Переключающий клапан сжатого воздуха SCR
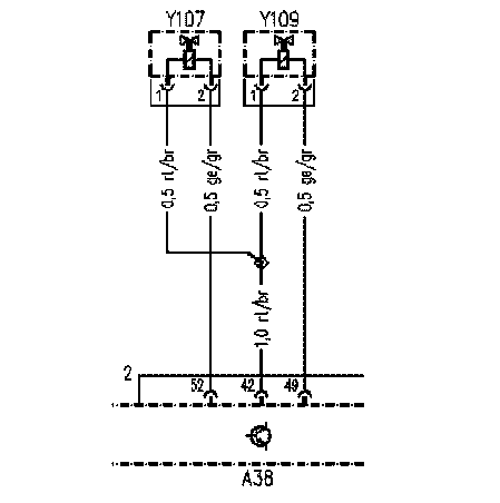
Электромагнитный клапан 'Подогрев бака AdBlue'

- А38: Блок управления MR система управления двигателем
- Y107: Электромагнитный клапан 'Подогрев бака AdBlue'
- Y109: Дозирующий клапан AdBlue
Дозирующий клапан AdBlue

- А38: Блок управления MR система управления двигателем
- Y107: Электромагнитный клапан 'Подогрев бака AdBlue'
- Y109: Дозирующий клапан AdBlue
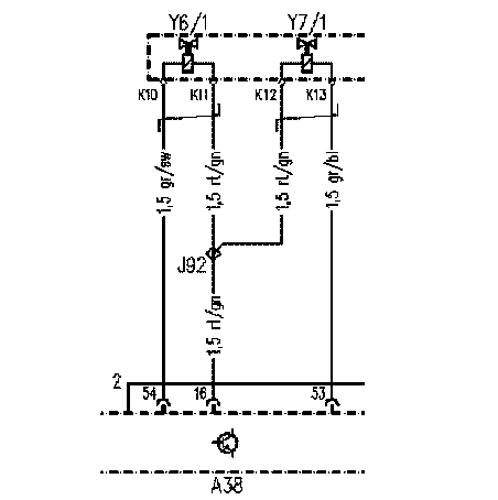
ТНВД цилиндров

- А38: Блок управления MR система управления двигателем
- К10...К19: Винтовые клеммы электромагнитных клапанов ТНВД цилиндров
- Х2: Штекерное соединение (55-полюсное)
- Y6...Y9: Электромагнитные клапаны ТНВД цилиндров 1...4 (на двигателе R4)
Шина данных CAN двигателя

- А37: Блок управления FR система управления движением
- А38: Блок управления MR система управления двигателем
- XI: Штекерное соединение (16-полюсное)
- Х4: Штекерное соединение (18-полюсное)
CAN A95 - A6

- А38: Блок управления MR система управления двигателем
- А95: Модуль SCR на раме (Евро 4 или Евро 5)
- XF.F8: Штекерное соединение 'Кабина водителя-шасси'
Взаимодействие иммобилайзера, блока управления движением и двигателем

- 3: Провод 'кл. 50'
- 5: Замок зажигания
- 7: Шина данных CAN двигателя
- 8: Стартер
- 9: ТНВД цилиндров
- 10: Считывающий блок иммобилайзера
- FR: Блок управления FR система управления движением
- MR: Блок управления MR система управления двигателем