Подача AdBlue КАМАЗ с двигателем Mercedes
для норм Евро IV / Евро V и нормы ЕС уровня IIIB / US Tier 4i
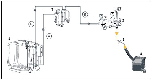
Циркуляционный контур AdBlue

1 Бак AdBlue®
2 Дозатор AdBlue®
3 Форсунка AdBlue®
4 Модуль нейтрализации ОГ
7 Насосный модуль AdBlue®
A Впускной трубопровод AdBlue®
B Напорный трубопровод AdBlue®
C Обратный трубопровод AdBlue®
AdBlue® заканчивается насосным модулем AdBlue® (7) из бака AdBlue® (1) через впускной трубопровод (A).
Насосный модуль AdBlue®(7) доводит AdBlue® до рабочего давления около 4 бар и по напорной трубке (B) подается на дозатор AdBlue® (2). Если AdBlue® больше не требуется, рабочее давление снижается через обратный трубопровод AdBlue® (C) и AdBlue® возвращается в бак AdBlue® (1).
Монтажное положение компонентов

1 Бак AdBlue®
1b Высоко установленный бак AdBlue®
2 Дозатор AdBlue®
7 Насосный модуль AdBlue®
A Впускной трубопровод AdBlue®
B Напорный трубопровод AdBlue®
C Обратный трубопровод AdBlue®
D Впускной трубопровод AdBlue®
E Обратный трубопровод AdBlue®
h1 Разница в высоте между баком AdBlue® (нижний край бака)
и насосным модулем AdBlue®
h2 Разница в высоте между дозатором AdBlue® и насосным модулем AdBlue®
h3 Разница в высоте между баком AdBlue®-(верхний уровень жидкости)®и насосным модулем AdBlue