См. также:
Коды неисправностей
Опиание электрических систем КАМАЗ 5490

Компоненты электронных систем



Блок реле предохранителей

- FU1.1 5A Блок управления ЭФУ
- FU1.2 5A Блок управления пневмоподвеской
- FU1.3 5A Блок управления электрооборудованием (CBCU)
- FU1.4 5A Блок управления EBS
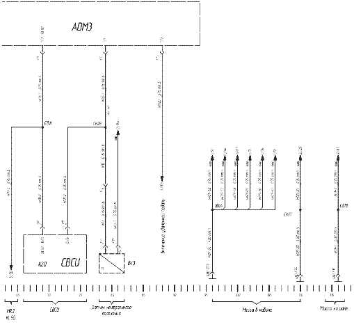
- FU1.5 5A Блок управления двигателем ADM3
- FU1.6 10A Блок управления системы нейтрализации
- FU1.7 10A Блок управления двигателем MR2
- FU1.9 10A Блок управления ретардером
- FU1.10 5A Разъем OBD диагностики
- FU1.11 5A Тахограф \ комбинация приборов
- FU1.12 5A Разъем для спец. надстроек
- FU2.2 10A Панель управления со стороны водителя
- FU2.4 5A Обмотка возбуждения генератора
- FU2.5 5A Блок управления центральным замком
- FU2.6 FU2.7 5A Привод управления люка
- FU2.8 20A Кондиционер
- FU2.9 15A Панель управления со стороны водителя
- FU2.10 15A Панель управления дверь со стороны пассажира
- FU2.11 5A Аудиосистема
- FU2.12 10A Прикуриватель
- FU3.1 15A Блок управления EBS
- FU3.2 15A EBS прицепа
- FU3.3 15A Блок управления пневмоподвеской
- FU3.4 15A Осушитель FU3.5
- FU3.6 10A Блок управления ретардером
- FU3.7 10A Комбинация приборов
- FU3.8 20A Блок управления ЭФУ
- FU3.9 10A Разъем OBD диагностики
- FU3.10 10A Блок управления электрооборудованием (CBCU) гр.3
- FU3.11 20A Блок управления электрооборудованием (CBCU) гр.4
- FU3.12 15A Блок управления EBS
- FU4.1 20A Электронасос подъёма\отпускания кабины
- FU4.2 10A Освещение салона
- FU4.3 10A Разъем для спец. надстроек
- FU4.4 5A Питание клавиш и датчиков
- FU4.5 10A Аудиосистема
- FU4.6 10A Обогрев стекла
- FU4.7 10A Фара сцепки
- FU4.8 10A Розетка 24В
- FU4.9 10A Звуковой сигнал
- FU4.10 5A Реле дистанционного выключения АКБ
- FU5.1 15A Подогрев топлива в топливозаборнике
- FU5.2 15A Подогрев топлива в ФГОТ
- FU5.3 FU5.4 5A Тахограф
- FU5.5 10A Блок управления двигателем ADM3
- FU5.6 15A Блок управления системы нейтрализации
- FU5.7 20A Блок управления электрооборудованием (CBCU) гр.1
- FU5.8 20A Блок управления электрооборудованием (CBCU) гр.2
- FU5.9 20A Блок управления электрооборудованием (CBCU) гр.5
- FU5.10 20A Блок управления электрооборудованием (CBCU) гр.6
- FU5.11 25A ПЖД
- FU6.1 15A Блок управления электрооборудованием (MUX4-P)
- FU6.2 15A Блок управления электрооборудованием (MUX4-P)
- FU6.3 15A Блок управления электрооборудованием (MUX4-P)
- FU6.4 15A Блок управления электрооборудованием (MUX4-P)
- FU6.5 15A Блок управления электрооборудованием (MUX4-P)
- FU6.6 15A Блок управления электрооборудованием (MUX4-P)
- FU6.7 15A Подогрев сиденья
- FU6.9 15A Блок управления центральным замком
- К1 Реле режимов стеклоочистителя
- К2 Реле торможения стеклоочистителя
- К3 Реле фары сцепки
- К4 Реле звукового сигнала
- К5 Реле подогрева топлива
- К6 Реле блокировки опрокидывания кабины
- К7 Реле блокировки отключения АКБ
- К8 Реле кондиционера
Блок коммутации CAN A 027 545 13 26

- 1 CAN-High
- 2 Masse
- 3 CAN-Low
- 4 CAN-High
- 5 Masse
- 6 CAN-Low
- 7 CAN-High
- 8 Masse
- 9 CAN-Low
- 10 CAN-High
- 11 Masse
- 12 CAN-Low
- 13 CAN-High
- 14 Masse
- 15 CAN-Low
- 16 CAN-High
- 17 Masse
- 18 CAN-Low
MR2 - блок управления двигателем

MR2 - блок управления двигателем. 16-ти контактный OEM разъем

ACR - блок управления нейтрализацией

Y3 - Блок ограничения давления A 004 431 03 06

Y2 - Подающий модуль A 000 140 05 78

B5 - Датчик влажности и температуры воздуха A 007 153 11 28

B4 - Датчик уровня и температыры мочевины

ADM3 - адаптационный модуль автомобильных функций


В6 - Кран тормозной обратного действия с ручным управлением 961 723 064 0

B41,B55,B63- Датчик торможения A 001 545 24 09

S8 - Левый подрулевой переключатель A 008 545 06 24

FLA - блок управления предпусковым подогревом двигателя

CBCU3-E24L - центральный блок управления электрооборудованием
ЦБУЭ на базе CBCU3-E24L (ContinentalAG) ЦБУЭ одно из базовых звеньев мультиплексной архитектуры
электрооборудования, предназначенное для управления и контроля электрооборудованием автомобиля, выполняющее функции подготовки обработки данных для вывода на комбинацию приборов.
- Платформа KIBES-32 (24V)
- Программное обеспечение с использованием PLC
- Электронно управляемые входные линии со встроенной диагностикой
- Обработка цифровых и аналоговых сигналов
- Поддерживает расширение за счет дополнительных мультиплексных узлов


Реализация управления Интардером и режимами КК от КАМАЗ

Подключение модулей рулевых кнопок через CBCU

Состояние кнопок определяется посредством поочередного замера сопротивления левого и правого модулей и сравнения с заданными диапазонами







Мультиплексный узел MUX2-BP



Электрооборудование






Блок управления EBS3
Полное описание - смотрите в








