FENDT 700, 800, 900 (Vario) - гидравлика/электроника


А002 = Основной эл. блок
В кабине на правом грязезащитном крыле

А004 = Пульт управления включает в себя: переключателщкнопки и эл. блок
В кабине на правом грязезащитном крыле

А004 = Пульт управления

А006 = Клавиатура, панель приборов
Справа рядом с рулём

A007 = Комбиинструмент
Вверху в рулевой колонке

A008 = Терминал
Справа в кабине на панели управления

A009 = Блок-регулятор
Справа под кабиной

A010 = ECU, кондиционер
Перед правым кронштейном B

А011 = Сенсор, радар
Справа под кабиной

А012 = Эл. блок предпускового подогрева
С левой стороны двигателя впереди

А013 = Плата минипредохранителей
В кабине правая стойка В

А014 = блок А014 , ЭГР ОВЕ
Н = Эл. магнит подъёма с ручным управлением
8 = Эл. магнит опускания с ручным управлением
Примечание:
Эл.блок А014, эл.клапана 8 и Н представляют собой один блок за правой ступенькой на центральном блоке гидравлики установлены на распределителе ЭГРа

А017 = Плата LBS
В кабине на правом грязезащитном крыле

А020 = ЕСи, марка топливного насоса VP44
На левой стороне двигателя

A021 = ECU, EDC
В кабине под боковой обшивкой правого крыла

A034 = Джойстик, связь с эл. блоком через спец-линию связи - Komfort - BUS
В кабине на правом подлокотнике

В001 = Датчик угла поворота 1
В024 = Датчик угла поворота 2
На переднем мосте справа около поворотного кулака

В002 = Датчик переднего ВОМ
Впереди под валом отбора мощности

В003 = Датчик подвески
На раме, слева около несущей балки моста

В004 = Датчик выключателя, срабатывающего от разряжения
На воздухоочистительном фильтре двигателя
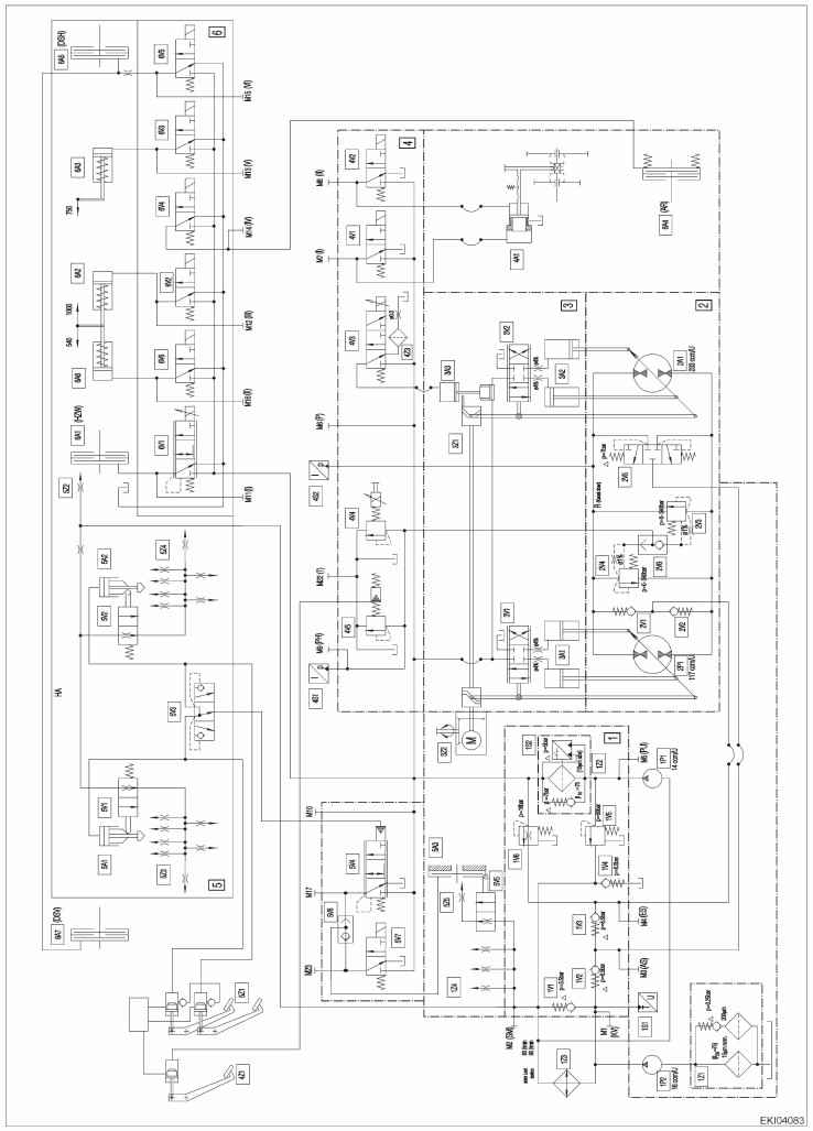
КПП / Общая система
Описание принцыпа работы КПП


В008 = 1-ый датчик высокого давления
В039 = 2-ой датчик высокого давления 2 (определения наката)
Y004 = Электромагнитный клапан функции турбосцепления
Правая сторона КПП на блоке клапанов
Все описания, схемы, расположения компонентов, ремонт и прочее - смотри в