Все коды неисправностей MERCEDES ATEGO (950-954) с описаниями
- На этой странице мы предоставили описания к первым кодам неисправностей всех систем...
Все коды неисправностей с полными описаниями - доступны пользователям
в 71 обновлении
(полезно тем, кто диагностирует мультимарочниками)
ABS
- 10160 Нарушена передача данных на CAN а/м.
Указание:
- Без прочих рекламаций этот код неисправности не принимать во внимание.
- В случае дополнительных кодов неисправности, сначала проработать их.
Возможные причины неисправности:
- В процессе запуска а/м, кратковременный сбой на шине CAN а/м может вызвать код неисправности.
- 10162 Неправильное сообщение по CAN 'Сигналскорости (V)' от тахографа.
- 10163 Шина CAN IES: обрыв связи
- 10167 Неизвестный код неисправности
- 10168 Сообщение по CAN от блок управления FR система управления движением отсутствует или ошибочно.
- 11001 Повышенное напряжение на клемме 15
- 11002 Пониженное напряжение или контакт на клемма 15
- 11010 Блок управления ABS антиблокировочная система неисправен.
- 11012 Блок управления ABS антиблокировочная система параметрирован неправильно.
- 11029 Сработал контроль включения электромагнитного клапана.
- 11094 Разные шины на а/м
- 11102 Пониженное напряжение или контакт на клемма 30
- 11103 Клемма 30, XI 18/9 имеет
- 11202 Пониженное напряжение или^онтакт HajcneMMa 30
- 11203 Клемма 30, XI 18/8 имеет
- 11602 Пониженное напряжение или контакт на клемма 31, XI 18/12
- 11609 Клемма 31, XI 18/12 имеет
- 11702 Пониженное напряжение или контакт на клемма 31, XI 18/11
- 11709 Клемма 31, XI 18/11 имеет
- 12004 Блокировка межосевого дифференциала: выход имеет
- 12005 Блокировка межосевого дифференциала: выход имеет
- 12103 Отключение прицепа: выход имеет
- 12104 Отключение прицепа: выход имеет
- 12105 Отключение прицепа: выход имеет
- 12112 Выход 'Отключение прицепа' неправильно параметрирован.
- 13020 Электромагнитный клапан ABS на переднем мосту справа имеет
- 13021 Электромагнитный клапан ABS на переднем мосту справа имеет
- 13022 Электромагнитный клапан ABS на переднем мосту справа имеет
- 13023 Электромагнитный клапан ABS на переднем мосту справа имеет
- 13026 Электромагнитный клапан ABS на переднем мосту справа имеет
- 13027 Электромагнитный клапан ABS на переднем мосту справа имеет
- 13028 Электромагнитный клапан ABS на переднем мосту справа имеет
- 13030 Электромагнитный клапан ABS на переднем мосту справа имеет внешнее возбуждение.
- 13120 Электромагнитный клапан ABS на переднем мосту слева имеет
- 13121 Электромагнитный клапан ABS на переднем мосту слева имеет
- 13122 Электромагнитный клапан ABS на переднем мосту слева имеет
- 13123 Электромагнитный клапан ABS на переднем мосту слева имеет
- 13126 Электромагнитный клапан ABS на переднем мосту слева имеет
- 13127 Электромагнитный клапан ABS на переднем мосту слева имеет
- 13128 Электромагнитный клапан ABS на переднем мосту слева имеет
- 13130 Электромагнитный клапан ABS на переднем мосту слева имеет внешнее возбуждение.
- 13220 Электромагнитный клапан ABS на заднем мосту справа имеет
- 13221 Электромагнитный клапан ABS на заднем мосту справа имеет
- 13222 Электромагнитный клапан ABS на заднем мосту справа имеет
- 13223 Электромагнитный клапан ABS на заднем мосту справа имеет
- 13226 Электромагнитный клапан ABS на заднем мосту справа имеет
- 13227 Электромагнитный клапан ABS на заднем мосту справа имеет
- 13228 Электромагнитный клапан ABS на заднем мосту справа имеет
- 13230 Электромагнитный клапан ABS на заднем мосту справа имеет внешнее возбуждение.
- 13320 Электромагнитный клапан ABS на заднем мосту слева имеет
- 13321 Электромагнитный клапан ABS на заднем мосту слева имеет
- 13322 Электромагнитный клапан ABS на заднем мосту слева имеет
- 13323 Электромагнитный клапан ABS на заднем мосту слева имеет
- 13326 Электромагнитный клапан ABS на заднем мосту слева имеет
- 13327 Электромагнитный клапан ABS на заднем мосту слева имеет
- 13328 Электромагнитный клапан ABS на заднем мосту слева имеет
- 13330 Электромагнитный клапан ABS на заднем мосту слева имеет внешнее возбуждение.
- 13420 Неизвестный код неисправности Неизвестный тип^еисправности: 0
- 13421 Неизвестный код неисправности Неизвестный тип неисправности: 0
- 13422 Неизвестный код неисправности Неизвестный тип неисправности: 0
- 13423 Неизвестный код неисправности Неизвестный тип неисправности: 0
- 13426 Неизвестный код неисправности Неизвестный тип неисправности: 0
- 13427 Неизвестный код неисправности Неизвестный тип неисправности: 0
- 13428 Неизвестный код неисправности Неизвестный тип неисправности: 0
- 13430 Неизвестный код неисправности Неизвестный тип неисправности: 0
- 13520 Неизвестный код неисправности Неизвестный тип неисправности: 0
- 13521 Неизвестный код неисправности Неизвестный тип неисправности: 0
- 13522 Неизвестный код неисправности Неизвестный тип неисправности: 0
- 13523 Неизвестный код неисправности Неизвестный тип неисправности: 0
- 13526 Неизвестный код неисправности Неизвестный тип неисправности: 0
- 13527 Неизвестный код неисправности Неизвестный тип неисправности: 0
- 13528 Неизвестный код неисправности Неизвестный тип неисправности: 0
- 13530 Неизвестный код неисправности Неизвестный тип неисправности: 0
- 13604 Электромагнитный клапан ABS на переднем мосту справа и на заднем мосту слева имеют на контакте 2.
- 13605 Электромагнитный клапан ABS на переднем мосту справа и на заднем мосту слева имеют на контакте 2.
- 13704 Электромагнитный клапан ABS на переднем мосту слева и на заднем мосту справа имеют на контакте 2.
- 13705 Электромагнитный клапан ABS на переднем мосту слева и на заднем мосту справа имеют на контакте 2.
- 13804 Электромагнитный клапан ASR имеет
- 13805 Электромагнитный клапан ASR имеет
- 13809 Электромагнитный клапан ASR имеет
- 13812 Неправильное параметрирование системы антипробуксовочного регулирования ASR
- 13830 Внешнее возбуждение электромагнитного клапана ASR.
- 14040 Датчик числа оборотов на переднем мосту справа имеет
- 14041 Датчик числа оборотов на переднем мосту справа имеет
- 14042 Датчик числа оборотов на переднем мосту справа имеет
- 14044 Замыкание витков датчика числа оборотов на переднем мосту справа
- 14045 Индуктор на переднем мостусправа неисправен.
- 14046 Вибрация датчика числа оборотов на переднем мосту справа
- 14047 Биение индуктора из-за перекоса на переднем мосту справа.
- 14048 Зазор датчика числа оборотов на переднем мосту справа.
- 14140 Датчик числа оборотов на переднем мосту слева имеет
- 14141 Датчик числа оборотов на переднем мосту слева имеет
- 14142 Датчик числа оборотов на переднем мосту слева имеет
- 14144 Замыкание витков датчика числа оборотов на переднем мосту слева.
- 14145 Индуктор на переднем мосту слева неисправен.
- 14146 Вибрация датчика числа оборотов на переднем мосту слева
- 14147 Биение индуктора из-за перекоса на переднем мосту слева.
- 14148 Зазор датчика числа оборотов на переднем мосту слева.
- 14240 Датчик числа оборотов на заднем мосту справа имеет
- 14241 Датчик числа оборотов на заднем мосту справа имеет
- 14242 Датчик числа оборотов на заднем мосту справа имеет
- 14244 Замыкание витков датчика числа оборотов на заднем мосту справа.
- 14245 Индуктор на заднем мосту справа неисправен.
- 14246 Вибрация датчика числа оборотов на заднем мосту справа
- 14247 Биение индуктора из-за перекоса на заднем мосту справа.
- 14248 Зазор датчика числа оборотов на заднем мосту справа.
- 14340 Датчик числа оборотов на заднем мосту слева имеет
- 14341 Датчик числа оборотов на заднем мосту слева имеет
- 14342 Датчик числа оборотов на заднем мосту слева имеет
- 14344 Замыкание витков датчика числа оборотов на заднем мосту слева.
- 14345 Индуктор на заднем мосту слева неисправен.
- 14346 Вибрация датчика числа оборотов на заднем мосту слева
- 14347 Биение индуктора^з-за перекоса на заднем мосту слева.
- 14348 Зазор датчика числа оборотов на заднем мосту слева.
- 14440 Неизвестный код неисправности Неизвестный тип неисправности: 0
- 14441 Неизвестный код неисправности Неизвестный тип неисправности: 0
- 14442 Неизвестный код неисправности Неизвестный тип неисправности: 0
- 14444 Неизвестный код неисправности Неизвестный тип неисправности: 0
- 14445 Неизвестный код неисправности Неизвестный тип неисправности: 0
- 14446 Неизвестный код неисправности Неизвестный тип неисправности: 0
- 14447 Неизвестный код неисправности Неизвестный тип неисправности: 0
- 14448 Неизвестный код неисправности Неизвестный тип неисправности: 0
- 14540 Неизвестный код неисправности Неизвестный тип неисправности: 0
- 14541 Неизвестный код неисправности Неизвестный тип неисправности: 0
- 14542 Неизвестный код неисправности Неизвестный тип неисправности: 0
- 14544 Неизвестный код неисправности Неизвестный тип неисправности: 0
- 14545 Неизвестный код неисправности Неизвестный тип неисправности: 0
- 14546 Неизвестный код неисправности Неизвестный тип неисправности: 0
- 14547 Неизвестный код неисправности Неизвестный тип неисправности: 0
- 14548 Неизвестный код неисправности Неизвестный тип неисправности: 0
- 10169 Сообщение по CAN от блок управления INS комбинация приборов отсутствует или ошибочно.
AGN
- А5319 Отношение числа оборотов 'Двигатель/турбина' при переключении недостоверно.

Легенда к иллюстрации:
- А 49: Блок управления Allison
- X 3: Штекерное соединение 32-контактное
- X 13: К-провод для диагностики
- X 62: Штекерное соединение 'Автоматическая КП Allison'
- W 2: Точка массы в пространстве для ног переднего пассажира кабины водителя
Возможные причины неисправности:
- Неисправен блок управления Allison.
- Замок зажигания неисправен
- Загрязнены контакты.
- Генератор или регулятор неисправен
- Аккумуляторная батарея сильно разряжена или неисправна.
- Проверить предохранитель F28 / F47.
- Провод ХЗ 32/1 - АЗ 30 имеет обрыв
- Провод ХЗ 32/16 - АЗ 30 имеет обрыв
- Провод ХЗ 32/26 - А1 15 имеет обрыв
- Провод ХЗ 32/32 - W2 имеет обрыв
- Провод ХЗ 32/17 - W2 имеет обрыв
Указание:
- Заданное значение напряжения аккумуляторной батареи: 21 В -29 В
- А6347 Коммутационное состояние активации нейтрали при остановке недостоверно.
- А6622 Запрос тормоза-замедлителя (ретардера) через шину CAN IES недостоверно или отсутствует.
- А1313 Слишком малое напряжение питания блока управления (пониженное напряжение).
- А1323 Слишком высокое напряжение питания блока управления (повышенное напряжение).
- А1412 Датчик уровня масла (373) имеет
- А1423 Датчик уровня масла (373) имеет
- А2112 Датчик педали газа В1 имеет
- А2123 Датчик педали газа В1 имеет
- А2214 Сигнал датчика числа оборотов двигателя недостоверен.
- А2215 Сигнал датчика числа оборотов турбины недостоверен.
- А2216 Сигнал датчика выходного числа оборотов недостоверен.
- А2312 Рычаг селектора КП (391) имеет
- А2313 Выключатель MODE рычага селектора КП (391) имеет
- А2314 Рычаг селектора КП (391) имеет
- А2315 Выключатель MODE рычага селектора КП (391) имеет
- А2316 Провод к дисплею рычага селектора КП имеет
- А2412 Датчик температуры масла КП (372) имеет
- А2423 Датчик температуры масла КП (372) имеет
- А2500 Датчик выходного числа оборотов распознаёт недопустимое число оборотов в режиме КП L.
- А2511 Датчик выходного числа оборотов распознаёт недопустимое число оборотов в режиме КП 1.
- А2522 Датчик выходного числа оборотов распознаёт недопустимое число оборотов в режиме КП 2.
- А2533 Датчик выходного числа оборотов распознаёт недопустимое число оборотов в режиме КП 3.
- А2544 Датчик выходного числа оборотов распознаёт недопустимое число оборотов в режиме КП 4.
- А2555 Датчик выходного числа оборотов распознаёт недопустимое число оборотов в режиме КП 5.
- А2566 Датчик выходного числа оборотов распознаёт недопустимое число оборотов в режиме КП б.
- А2577 Датчик выходного числа оборотов распознаёт недопустимое число оборотов в режиме КП R.
- А2600 Блок управления AGN не получает сигнал от датчика педали газа В1.
- А2611 Блок управления А49 не получает сигнал температуры охлаждающей жидкости от датчика В85.
- А3200 Нажимной выключатель СЗ (365) в режиме КП L имеет
- А3233 Нажимной выключатель СЗ (365) в режиме КП 3 имеет
- А3255 Нажимной выключатель СЗ (365) в режиме КП 5 имеет
- А3277 Нажимной выключатель СЗ (365) в режиме КП R имеет
- А3312 Датчик температуры масла КП (372) имеет
- А3323 Датчик температуры масла КП (372) имеет
- А3412 Внутренняя ошибка в блоке управления
- А3413 Внутренняя ошибка в блоке управления
- А3414 Внутренняя ошибка в блоке управления
- А3415 Внутренняя ошибка в блоке управления
- А3416 Внутренняя ошибка в блоке управления
- А3417 Внутренняя ошибка в блоке управления
- АЗБОО Напряжение питания прервано.
- А3516 Напряжение питания прервано.
- А3600 Внутренняя ошибка в блоке управления
- А3601 Внутренняя ошибка в блоке управления
- А3602 Внутренняя ошибка в блоке управления
- А4212 Электромагнитный клапан А (371) имеет
- А4213 Электромагнитный клапан В (369) имеет
- А4214 Электромагнитный клапан С (367) имеет
- А4215 Электромагнитный клапан D (370) имеет
- А4216 Электромагнитный клапан Е (368) имеет
- А4221 Электромагнитный клапан F (364) имеет
- А4222 Электромагнитный клапан G (366) имеет
- А4223 Электромагнитный клапан Н (386) имеет
- А4224 Электромагнитный клапан J имеет
- А4225 Электромагнитный клапан К имеет
- А4226 Электромагнитный клапан N (Y59) имеет
- А4412 Электромагнитный клапан А (371) имеет
- А4413 Электромагнитный клапан В (369) имеет
- А4414 Электромагнитный клапан С (367) имеет
- А4415 Электромагнитный клапан D (370) имеет
- А4416 Электромагнитный клапан Е (368) имеет
- А4421 Электромагнитный клапан F (364) имеет
- А4422 Электромагнитный клапан G (366) имеет
- А4423 Электромагнитный клапан Н (386) имеет
- А4424 Электромагнитный клапан J имеет
- А4425 Электромагнитный клапан К имеет
- А4426 Электромагнитный клапан N (Y59) имеет
- А4512 Электромагнитный клапан А (371) имеет
- А4513 Электромагнитный клапан В (369) имеет
- А4514 Электромагнитный клапан С (367) имеет
- А4515 Электромагнитный клапан D (370) имеет
- А4516 Электромагнитный клапан Е (368) имеет
- А4521 Электромагнитный клапан F (364) имеет
- А4522 Электромагнитный клапан G (366) имеет
- А4523 Электромагнитный клапан Н (386) имеет
- А4524 Электромагнитный клапан J (Y78) имеет
- А4525 Электромагнитный клапан К имеет
- А4526 Электромагнитный клапан N (Y59) имеет
- А4621 Электромагнитный клапан F (364) имеет
- А4626 Электромагнитный клапан N (Y59), Н(386) имеет
- А4627 Электромагнитный клапан А-Е, G, J имеет
- А5101 Отношение числа оборотов 'Турбина/выход' при переключении с режима КП L на режим КП 1 недостоверно.
- А5110 Отношение числа оборотов 'Турбина/выход' при переключении с режима КП 1 на режим КП L недостоверно.
- А5112 Отношение числа оборотов 'Турбина/выход' при переключении с режима КП 1 на режим КП 2 недостоверно.
- А5121 Отношение числа оборотов 'Турбина/выход' при переключении с режима КП 2 на режим КП 1 недостоверно.
- А5123 Отношение числа оборотов 'Турбина/выход' при переключении с режима КП 2 на режим КП 3 недостоверно.
- А5132 Отношение числа оборотов 'Турбина/выход' при переключении с режима КП 3 на режим КП 2 недостоверно.
- А5124 Отношение числа оборотов 'Турбина/выход' при переключении с режима КП 2 на режим КП 4 недостоверно.
- А5142 Отношение числа оборотов 'Турбина/выход' при переключении с режима КП 4 на режим КП 2 недостоверно.
- А5134 Отношение числа оборотов 'Турбина/выход' при переключении с режима КП 3 на режим КП 4 недостоверно.
- А5143 Отношение числа оборотов 'Турбина/выход' при переключении с режима КП 4 на режим КП 3 недостоверно.
- А5135 Отношение числа оборотов 'Турбина/выход' при переключении с режима КП 3 на режим КП 5 недостоверно.
- А5153 Отношение числа оборотов 'Турбина/выход' при переключении с режима КП 5 на режим КП 3 недостоверно.
- А5145 Отношение числа оборотов 'Турбина/выход' при переключении с режима КП 4 на режим КП 5 недостоверно.
- А5154 Отношение числа оборотов 'Турбина/выход' при переключении с режима КП 5 на режим КП 4 недостоверно.
- А5146 Отношение числа оборотов 'Турбина/выход' при переключении с режима КП 4 на режим КП 6 недостоверно.
- А5164 Отношение числа оборотов 'Турбина/выход' при переключении с режима КП 6 на режим КП 4 недостоверно.
- А5156 Отношение числа оборотов 'Турбина/выход' при переключении с режима КП 5 на режим КП 6 недостоверно.
- А5165 Отношение числа оборотов 'Турбина/выход' при переключении с режима КП 6 на режим КП 5 недостоверно.
- А5201 Нажимной выключатель СЗ не размыкается при переключении из режима КП L в режим КП 1.
- А5210 Нажимной выключатель СЗ не размыкается при переключении из режима КП 1 в режим КП L.
- А5212 Нажимной выключатель СЗ не размыкается при переключении из режима КП 1 в режим КП 2.
- А5221 Нажимной выключатель СЗ не размыкается при переключении изрежима КП 2 в режим КП 1.
- А5223 Нажимной выключатель СЗ не размыкается при переключении изрежима КП 2 в режим КП 3.
- А5232 Нажимной выключатель СЗ не размыкается при переключении изрежима КП 3 в режим КП 2.
- А5224 Нажимной выключатель СЗ не размыкается при переключении изрежима КП 2 в режим КП 4.
- А5242 Нажимной выключатель СЗ не размыкается при переключении изрежима КП 4 в режим КП 2.
- А5234 Нажимной выключатель СЗ не размыкается при переключении изрежима КП 3 в режим КП 4.
- А5243 Нажимной выключатель СЗ не размыкается при переключении изрежима КП 4 в режим КП 3.
- А5235 Нажимной выключатель СЗ не размыкается при переключении изрежима КП 3 в режим КП 5.
- А5253 Нажимной выключатель СЗ не размыкается при переключении изрежима КП 5 в режим КП 3.
- А5245 Нажимной выключатель СЗ не размыкается при переключении изрежима КП 4 в режим КП 5.
- А5254 Нажимной выключатель СЗ не размыкается при переключении изрежима КП 5 в режим КП 4.
- А5246 Нажимной выключатель СЗ не размыкается при переключении изрежима КП 4 в режим КП 6.
- А5264 Нажимной выключатель СЗ не размыкается при переключении изрежима КП 6 в режим КП 4.
- А5256 Нажимной выключатель СЗ не размыкается при переключении изрежима КП 5 в режим КП 6.
- А5265 Нажимной выключатель СЗ не размыкается при переключении изрежима КП 6 в режим КП 5.
- А5271 Нажимной выключатель СЗ не размыкается при переключении изрежима КП R в режим КП 1.
- А5272 Нажимной выключатель СЗ не размыкается при переключении изрежима КП R в режим КП 2.
- А5278 Нажимной выключатель СЗ не размыкается при переключении изрежима КП R в режим КП N1.
- А5299 Нажимной выключатель СЗ не размыкается при переключении изрежима КП N3 в режим КП N2.
- А5308 Отношение числа оборотов 'Двигатель/турбина' при переключении срежима КП L на режим КП N1 недостоверно.
- А5309 Отношение числа оборотов 'Двигатель/турбина' при переключении с режима КП L на режим КП NNC недостоверно.
- А5318 Отношение числа оборотов 'Двигатель/турбина' при переключении с режима КП 1 на режим КП N1 недостоверно.
- А5328 Отношение числа оборотов 'Двигатель/турбина' при переключении с режима КП 2 на режим КП N1 недостоверно.
- А5329 Отношение числа оборотов 'Двигатель/турбина' при переключении с режима КП 2 на режим КП N2 недостоверно.
- А5338 Отношение числа оборотов 'Двигатель/турбина' при переключении с режима КП 3 на режим КП N1 недостоверно.
- А5339 Отношение числа оборотов 'Двигатель/турбина' при переключении с режима КП 3 на режим КП N3 недостоверно.
- А5348 Отношение числа оборотов 'Двигатель/турбина' при переключении с режима КП 4 на режим КП N1 недостоверно.
- А5349 Отношение числа оборотов 'Двигатель/турбина' при переключении с режима КП 4 на режим КП N3 недостоверно.
- А5358 Отношение числа оборотов 'Двигатель/турбина' при переключении с режима КП 5 на режим КП N1 недостоверно.
- А5359 Отношение числа оборотов 'Двигатель/турбина' при переключении с режима КП 5 на режим КП N3 недостоверно.
- А5368 Отношение числа оборотов 'Двигатель/турбина' при переключении с режима КП 6 на режим КП N1 недостоверно.
- А5369 Отношение числа оборотов 'Двигатель/турбина' при переключении с режима КП 6 на режим КП N4 недостоверно.
- А5378 Отношение числа оборотов 'Двигатель/турбина' при переключении с режима КП R на режим КП N1 недостоверно.
- А5399 Отношение числа оборотов 'Двигатель/турбина' при переключении с режима КП N2 на режим КП N3 недостоверно.
- А5401 Отношение числа оборотов 'Турбина/выход' после переключения с режима КП L на режим КП 1 недостоверно.
- А5407 Отношение числа оборотов 'Турбина/выход' после переключения с режима КП L на режим КП R недостоверно.
- А5410 Отношение числа оборотов 'Турбина/выход' после переключения с режима КП 1 на режим КП L недостоверно.
- А5412 Отношение числа оборотов 'Турбина/выход' после переключения с режима КП 1 на режим КП 2 недостоверно.
- А5417 Отношение числа оборотов 'Турбина/выход' после переключения с режима КП 1 на режим КП R недостоверно.
- А5421 Отношение числа оборотов 'Турбина/выход' после переключения с режима КП 2 на режим КП 1 недостоверно.
- А5423 Отношение числа оборотов 'Турбина/выход' после переключения с режима КП 2 на режим КП 3 недостоверно.
- А5432 Отношение числа оборотов 'Турбина/выход' после переключения с режима КП 3 на режим КП 2 недостоверно.
- А5424 Отношение числа оборотов 'Турбина/выход' после переключения с режима КП 2 на режим КП 4 недостоверно.
- А5442 Отношение числа оборотов 'Турбина/выход' после переключения с режима КП 4 на режим КП 2 недостоверно.
- А5427 Отношение числа оборотов 'Турбина/выход' после переключения с режима КП 2 на режим КП R недостоверно.
- А5434 Отношение числа оборотов 'Турбина/выход' после переключения с режима КП 3 на режим КП 4 недостоверно.
- А5443 Отношение числа оборотов 'Турбина/выход' после переключения с режима КП 4 на режим КП 3 недостоверно.
- А5435 Отношение числа оборотов 'Турбина/выход' после переключения с режима КП 3 на режим КП 5 недостоверно.
- А5453 Отношение числа оборотов 'Турбина/выход' после переключения с режима КП 5 на режим КП 3 недостоверно.
- А5445 Отношение числа оборотов 'Турбина/выход' после переключения с режима КП 4 на режим КП 5 недостоверно.
- А5454 Отношение числа оборотов 'Турбина/выход' после переключения с режима КП 5 на режим КП 4 недостоверно.
- А5446 Отношение числа оборотов 'Турбина/выход' после переключения с режима КП 4 на режим КП 6 недостоверно.
- А5464 Отношение числа оборотов 'Турбина/выход' после переключения с режима КП 6 на режим КП 4 недостоверно.
- А5456 Отношение числа оборотов 'Турбина/выход' после переключения с режима КП 5 на режим КП 6 недостоверно.
- А5465 Отношение числа оборотов 'Турбина/выход' после переключения с режима КП 6 на режим КП 5 недостоверно.
- А5470 Отношение числа оборотов 'Турбина/выход' после переключения с режима КП R на режим КП L недостоверно.
- А5471 Отношение числа оборотов 'Турбина/выход' после переключения с режима КП R на режим КП 1 недостоверно.
- А5472 Отношение числа оборотов 'Турбина/выход' после переключения с режима КП R на режим КП 2 недостоверно.
- А5480 Отношение числа оборотов 'Турбина/выход' после переключения с режима КП N1 на режим КП L недостоверно.
- А5481 Отношение числа оборотов 'Турбина/выход' после переключения с режима КП N1 на режим КП 1 недостоверно.
- А5482 Отношение числа оборотов 'Турбина/выход' после переключения с режима КП N1 на режим КП 2 недостоверно.
- А5483 Отношение числа оборотов 'Турбина/выход' после переключения с режима КП N1 на режим КП 3 недостоверно.
- А5485 Отношение числа оборотов 'Турбина/выход' после переключения с режима КП N1 на режим КП 5 недостоверно.
- А5486 Отношение числа оборотов 'Турбина/выход' после переключения с режима КП N1 на режим КП б недостоверно.
- А5492 Отношение числа оборотов 'Турбина/выход' после переключения с режима КП N2 на режим КП 2 недостоверно.
- А5493 Отношение числа оборотов 'Турбина/выход' после переключения с режима КП N3 на режим КП 3 недостоверно.
- А5495 Отношение числа оборотов 'Турбина/выход' после переключения с режима КП N3 на режим КП 5 недостоверно.
- А5496 Отношение числа оборотов 'Турбина/выход' после переключения с режима КП N4 на режим КП б недостоверно.
- А5507 Нажимной выключатель СЗ не замыкается при переключении из режима КП L в режим КП R.
- А5517 Нажимной выключатель СЗ не замыкается при переключении изрежима КП 1 в режим КП R.
- А5527 Нажимной выключатель СЗ не замыкается при переключении изрежима КП 2 в режим КП R.
- А5587 Нажимной выключатель СЗ не замыкается при переключении изрежима КП N1 в режим КП R.
- А5597 Нажимной выключатель СЗ не замыкается при переключении изрежима КП NVL в режим КП R.
- А5600 Отношение числа оборотов 'Турбина/выход' в режиме КП 1 недостоверно.
- А5611 Отношение числа оборотов 'Турбина/выход' в режиме КП 1 недостоверно.
- А5622 Отношение числа оборотов 'Турбина/выход' в режиме КП 2 недостоверно.
- А5633 Отношение числа оборотов 'Турбина/выход' в режиме КП 3 недостоверно.
- А5644 Отношение числа оборотов 'Турбина/выход' в режиме КП 4 недостоверно.
- А5655 Отношение числа оборотов 'Турбина/выход' в режиме КП 5 недостоверно.
- А5666 Отношение числа оборотов 'Турбина/выход' в режиме КП 6 недостоверно.
- А5677 Отношение числа оборотов 'Турбина/выход' в режиме КП R недостоверно.
- А5711 Нажимной выключатель СЗ (365) при незадействованном сцеплении СЗ в режиме КП 1 замкнут.
- А5722 Нажимной выключатель СЗ (365) при незадействованном сцеплении СЗ в режиме КП 2 замкнут.
- А5744 Нажимной выключатель СЗ (365) при незадействованном сцеплении СЗ в режиме КП 4 замкнут.
- А5766 Нажимной выключатель СЗ (365) при незадействованном сцеплении СЗ в режиме КП 6 замкнут.
- А5788 Нажимной выключатель СЗ (365) при незадействованном сцеплении СЗ в режиме КП N1 замкнут.
- А5799 Нажимной выключатель СЗ (365) при незадействованном сцеплении СЗ в режиме КП N2 / N4 замкнут.
- А6100 Датчик температуры масла тормоза-замедлителя (ретардера) имеет
- А6212 Датчик температуры масла тормоза-замедлителя (ретардера) имеет
- А6223 Датчик температуры масла тормоза-замедлителя (ретардера) имеет
- А6232 Датчик температуры охлаждающей жидкости В65 имеет
- А6233 Датчик температуры охлаждающей жидкости В65 имеет
- А6300 Выключатель "кикдаун" или активация тормоза-замедлителя (ретардера) имеет
- А6326 Выключатель "кикдаун" имеет
- А6340 Рычаг задействования 'Управление двигателем/тормозом-замедлителем' имеет
- А6341 Выключатель "кикдаун" или активация тормоза-замедлителя (ретардера) имеет
- А6412 Рычаг задействования 'Управление двигателем/тормозом-замедлителем' имеет
- А6423 Рычаг задействования 'Управление двигателем/тормозом-замедлителем' имеет
- А6600 Провода к блоку управления MR (А6):
- АббИ Провода к блоку управления MR (Аб):
- А6923 Электромагнитные клапаны А-Е, G и J имеют
- А6928 Электромагнитный клапан F имеет
- А6929 Электромагнитные клапаны N и Н имеют
- А6933 Внутренняя ошибка в блоке управления
- А6934 Внутренняя ошибка в блоке управления
- А6935 Внутренняя ошибка в блоке управления
- А6936 Внутренняя ошибка в блоке управления
- А6939 Внутренняя ошибка в блоке управления
- А6941 Внутренняя ошибка в блоке управления
- А6942 Внутренняя ошибка в блоке управления
- А6943 Внутренняя ошибка в блоке управления
- АббЗЗ Внутренняя ошибка в блоке управления
AGS
- 20160 Шина CAN отключена (OFF)

Легенда к иллюстрации:
- 12: Блок управления AGS система автоматического управления переключением передач А92
Возможная причина неисправности:
- Связь с блоком управления не устанавливается!
- Т.к. связь с блоком управления AGS система автоматического управления переключением передач не может быть налажена, то код неисправности невозможно проработать ни как сохранённую ни как актуальную неисправность.
Указание:
- Заменить блок управления AGS система автоматического управления переключением передач.
- Перед заменой блока управления AGS система автоматического управления переключением передач считать и записать параметры.
- Провести большой процесс инициализации (обучения).
- 00161 Ошибка связи с блоком управления FR система управления движением
- 00167 Ошибка связи с блоком управления RS система управления тормозом-замедлителем - 'ретардером' (RET)
- 00168 Ошибка связи с блоком управления ABS антиблокировочная система
- 00169 Ошибка связи с блоком управления INS комбинация приборов
- 20171 Ошибка связи с блоком управления AG автоматический выбор передачи (AGE)
- 00172 Нарушена передача данных на CAN а/м.
- 00173 Шина CAN КП в однопроводном режиме
- 20174 Шина CAN КП не выдаёт данные.
- 20176 Сбой сообщения по шине CAN 'Заданный выжимной путь системы управления положением сцепления'
- 00177 Сбой сообщения по шине CAN 'Безопасное состояние трансмиссии'
- 00901 Повышенное напряжение на клемме 30-2
- 00902 Пониженное напряжение на клемме 30-2
- 00920 Пониженное напряжение на клемме 30-2
- 21001 Напряжение питания датчиков перемещения имеет Повышенное напряжение.
- 21002 Напряжение питания датчиков перемещения имеет Пониженное напряжение.
- 21010 Внутренняя неисправность блока управления
- 21011 При считывании EEPROM возникла ошибка контрольной суммы.
- 01012 При считывании EEPROM возникла ошибка контрольной суммы.
- 01015 При считывании EEPROM возникла ошибка контрольной суммы.
- 21016 При считывании EEPROM возникла ошибка контрольной суммы.
- 01097 Программное обеспечение в блоке управления это тестовая версия.
- 01098 Блок управления это тестовая версия.
- 01099 Активен режим блока управления для проверки на испытательном стенде.
- 21101 Повышенное напряжение на клемме 30-1
- 21102 Пониженное напряжение на клемме 30-1
- 21120 Пониженное напряжение на клемме 30-1
- 21220 Провод массы электромагнитных клапанов имеет
- 01301 Повышенное напряжение на клемме 15
- 01302 Пониженное напряжение на клемме 15
- 11420 Напряжение питания конструктивного узла Датчик числа оборотов имеет
- 11421 Напряжение питания конструктивного узла Датчик числа оборотов имеет
- 01422 Напряжение питания конструктивного узла Датчик числа оборотов имеет
- 21520 Конструктивный узел Датчик давления имеет
- 21521 Конструктивный узел Датчик давления имеет
- 21522 Конструктивный узел Датчик давления имеет
- 01720 Датчик температуры выходного каскада гидравлического насоса имеет
- 01721 Датчик температуры выходного каскада гидравлического насоса имеет
- 21723 Выходной каскад гидравлического насоса имеет повышенную температуру.
- 21820 Напряжение реле клапана 1 не может быть активировано.
- 11821 Напряжение реле клапана 1 не может быть деактивировано.
- 11920 Напряжение реле клапана 2 не может быть активировано.
- 11921 Напряжение реле клапана 2 не может быть деактивировано.
- 22020 Провод массы питания током большой силы имеет
- 23020 Электромагнитный клапан А92у1 имеет
- 23021 Электромагнитный клапан А92у1 имеет
- 23120 Электромагнитный клапан А92у2 имеет
- 23121 Электромагнитный клапан А92у2 имеет
- 23220 Электромагнитный клапан А92уЗ имеет
- 23221 Электромагнитный клапан А92уЗ имеет
- 23320 Электромагнитный клапан А92у4 имеет
- 23321 Электромагнитный клапан А92у4 имеет
- 23420 Электромагнитный клапан А92у5 имеет
- 23421 Электромагнитный клапан А92у5 имеет
- 13520 Электромагнитный клапан А92у6 имеет
- 23521 Электромагнитный клапан А92у6 имеет
- 13620 Электромагнитный клапан А92у7 имеет
- 13621 Электромагнитный клапан А92у7 имеет
- 13720 Электромагнитный клапан А92у8 имеет
- 23721 Электромагнитный клапан А92у8 имеет
- 13820 Электромагнитный клапан А92у9 имеет
- 13821 Электромагнитный клапан А92у9 имеет
- 24120 Датчик 'Передача' (SGG) имеет
- 24121 Датчик 'Передача' (SGG) имеет
- 24122 Датчик 'Передача' (SGG) имеет
- 24143 Функциональное нарушение конструктивного узла Датчик 'Передача' (SGG)
- 24144 Конструктивный узел Датчик 'Передача' (SGG) вне допустимого диапазон значений
- 24220 Датчик 'Коридор передач' (SGE) имеет
- 24221 Датчик 'Коридор передач' (SGE) имеет
- 24222 Датчик 'Коридор передач' (SGE) имеет
- 24243 Функциональное нарушение конструктивного узла Датчик 'Коридор передач' (SGE)
- 24244 Конструктивный узел Датчик 'Коридор передач' (SGE) вне допустимого диапазон значений
- 24420 Датчик 'Сцепление' (SKU) имеет
- 24421 Датчик 'Сцепление' (SKU) имеет
- 24422 Датчик 'Сцепление' (SKU) имеет
- 24443 Функциональное нарушение конструктивного узла Датчик 'Сцепление' (SKU)
- 24444 Конструктивный узел Датчик 'Сцепление' (SKU) вне допустимого диапазон значений
- 15020 Сигнал отдатчика числа оборотов ВИЗ отсутствует.
- 15096 Нарушен сигнал датчика числа оборотов ВИЗ
- 15120 Сигнал от датчика числа оборотов ВЗ отсутствует.
- 15121 Датчик числа оборотов ВЗ 'Промежуточный вал' имеет
- 15122 Датчик числа оборотов ВЗ 'Промежуточный вал' имеет
- 15196 Нарушен сигнал датчика числа оборотов ВЗ
- 15220 Сигнал скорости движения отсутствует.
- 15296 Сигнал скорости движения нарушен.
- 15320 Сигнал отдатчика числа оборотов В113.1 отсутствует.
- 15396 Нарушен сигнал датчика числа оборотов В113.1
- 26020 Выход или подводящий провод выходного каскада гидравлического насоса имеет
- 26021 Выход или подводящий провод выходного каскада гидравлического насоса имеет
- 18090 Ошибка достоверности действительного передаточного отношения раздаточной коробки
- 28091 Нет выходного числа оборотов КП
- 28093 Неправильный тип КП
- 18094 Определённое направление движения недостоверно.
- 28095 Слишком медленное создание давления агрегата при запуске системы
- 18110 Ошибка достоверности заданного значения 'Система управления положением сцепления'
- 08117 Ошибка достоверности заданного значения 'Обученное значение сцепление минимум'
- 28185 Неисправность регулирования положения сцепления
- 18186 Ошибка достоверности из-за выключения сцепления
- 18187 Ошибка достоверности из-за включения сцепления
- 08189 Ошибка достоверности заданного значения 'Значение пути сцепления'
BS
- 10160 Нарушена передача данных на CAN а/м.
Указание:
- Без прочих рекламаций этот код неисправности не принимать во внимание.
- В случае дополнительных кодов неисправности, сначала проработать их.
Возможные причины неисправности:
- В процессе запуска а/м, кратковременный сбой на шине CAN а/м может вызвать код неисправности.
- 10162 Неправильное сообщение по CAN 'Сигнал скорости (V)' от тахографа.
- 10260 Неправильный сигнал по CAN прицепа.
- 10263 Сигнал по CAN прицепа имеет
- 10275 Неисправность CAN-High прицепа.
- 10276 Неисправность CAN-Low прицепа.
- 10360 Неисправность шины CAN тормозной системы.
- 11001 Повышенное напряжение на клемме 15
- 11002 Пониженное напряжение или контакт на клеммах 15, 30а и ЗОЬ
- 11010 Неисправен блок управления BS управление тормозной системой.
- 11011 Неисправен блок управления BS управление тормозной системой.
- 11012 Блок управления BS управление тормозной системой параметрирован неправильно.
- 11094 Разные шины на а/м
- 11102 Пониженное напряжение или контакт на клемма 30а
- 11103 Клемма 30а имеет
- 11202 Пониженное напряжение или контакт на клемма ЗОЬ
- 11203 Клемма ЗОЬ имеет
- 11302 Пониженное напряжение или контакт на клемма 15
- 11404 Питание датчиков '24 В' имеет
- 11405 Питание датчиков '24 В' имеет
- 11505 Электропитание модулятора тормозного усилия имеет
- 12003 Электромагнитный клапан ASR имеет
- 12004 Электромагнитный клапан ASR имеет
- 12005 Электромагнитный клапан ASR имеет
- 12012 Отключение ASR параметрировано неправильно.
- 12103 Выход 'Отключение прицепа' имеет
- 12104 Выход 'Отключение прицепа' имеет
- 12105 Выход 'Отключение прицепа' имеет
- 12112 Выход 'Отключение прицепа' неправильно параметрирован.
- 12203 Дублирующий клапан имеет
- 12204 Дублирующий клапан имеет
- 12205 Дублирующий клапан имеет
- 12291 Дублирующий клапан: дублирование не задержано
- 12303 Клапан ограничения давления имеет
- 12304 Клапан ограничения давления имеет
- 12305 Клапан ограничения давления имеет
- 13020 Электромагнитный клапан ABS на переднем мосту справа имеет
- 13021 Электромагнитный клапан ABS на переднем мосту справа имеет
- 13022 Электромагнитный клапан ABS на переднем мосту справа имеет
- 13023 Электромагнитный клапан ABS на переднем мосту справа имеет
- 13026 Электромагнитный клапан ABS на переднем мосту справа имеет
- 13027 Электромагнитный клапан ABS на переднем мосту справа имеет
- 13028 Электромагнитный клапан ABS на переднем мосту справа имеет
- 13029 Электромагнитный клапан ABS на переднем мосту справа имеет внешний управляющий сигнал.
- 13120 Электромагнитный клапан ABS на переднем мосту слева имеет
- 13121 Электромагнитный клапан ABS на переднем мосту слева имеет
- 13122 Электромагнитный клапан ABS на переднем мосту слева имеет
- 13123 Электромагнитный клапан ABS на переднем мосту слева имеет
- 13126 Электромагнитный клапан ABS на переднем мосту слева имеет
- 13127 Электромагнитный клапан ABS на переднем мосту слева имеет
- 13128 Электромагнитный клапан ABS на переднем мосту слева имеет
- 13129 Электромагнитный клапан ABS на переднем мосту слева имеет внешний управляющий сигнал.
- 13604 Электромагнитные клапаны ABS на переднем мосту слева и справа имеют
- 13605 Электромагнитные клапаны ABS на переднем мосту слева и справа имеют
- 14040 Датчик числа оборотов на переднем мосту справа имеет
- 14041 Датчик числа оборотов на переднем мосту справа имеет
- 14042 Датчик числа оборотов на переднем мосту справа имеет
- 14044 Замыкание витков датчика числа оборотов на переднем мосту справа.
- 14045 Индуктор на переднем мосту справа неисправен.
- 14046 Вибрация датчика числа оборотов на переднем мосту справа
- 14047 Биение индуктора из-за перекоса на переднем мосту справа.
- 14048 Зазор датчика числа оборотов на переднем мосту справа.
- 14049 Недостоверная скорость колеса на датчике числа оборотов 'Передний мост справа'
- 14140 Датчик числа оборотов на переднем мосту слева имеет
- 14141 Датчик числа оборотов на переднем мосту слева имеет
- 14142 Датчик числа оборотов на переднем мосту слева имеет
- 14144 Замыкание витков датчика числа оборотов на переднем мосту слева.
- 14145 Индуктор на переднем мосту слева неисправен.
- 14146 Вибрация датчика числа оборотов на переднем мосту слева
- 14147 Биение индуктора из-за перекоса на переднем мосту слева.
- 14148 Зазор датчика числа оборотов на переднем мосту слева.
- 14149 Недостоверная скорость колеса на датчике числа оборотов 'Передний мост слева'
- 14240 Датчик числа оборотов на заднем мосту справа имеет
- 14241 Датчик числа оборотов на заднем мосту справа имеет
- 14242 Датчик числа оборотов на заднем мосту справа имеет
- 14244 Замыкание витков датчика числа оборотов на заднем мосту справа.
- 14245 Индуктор на заднем мосту справа неисправен.
- 14246 Вибрация датчика числа оборотов на заднем мосту справа
- 14247 Биение индуктора из-за перекоса на заднем мосту справа.
- 14248 Зазор датчика числа оборотов на заднем мосту справа.
- 14340 Датчик числа оборотов на заднем мосту слева имеет
- 14341 Датчик числа оборотов на заднем мосту слева имеет
- 14342 Датчик числа оборотов на заднем мосту слева имеет
- 14344 Замыкание витков датчика числа оборотов на заднем мосту слева.
- 14345 Индуктор на заднем мосту слева неисправен.
- 14346 Вибрация датчика числа оборотов на заднем мосту слева
- 14347 Биение индуктора из-за перекоса на заднем мосту слева.
- 14348 Зазор датчика числа оборотов на заднем мосту слева.
- 15042 Датчик износа тормозных колодок на переднем мосту справа имеет
- 15043 Датчик износа тормозных колодок на переднем мосту справа: нет сигнала.
- 15142 Датчик износа тормозных колодок на переднем мосту слева имеет
- 15143 Датчик износа тормозных колодок на переднем мосту слева: нет сигнала.
- 15204 Электропитание датчика износа тормозных колодок на переднем мосту имеет замыкание или замыкание на массу.
- 15342 Датчик износа тормозных колодок на заднем мосту справа имеет
- 15343 Датчик износа тормозных колодок на заднем мосту справа: нет сигнала.
- 15442 Датчик износа тормозных колодок на заднем мосту слева имеет
- 15443 Датчик износа тормозных колодок на заднем мосту слева: нет сигнала.
- 16000 Неисправен датчик тормозного крана
- 16092 Датчик тормозного крана: неправильная синхронизация сигнала
- 16140 Выключатель тормозов К1: сигнал имеет
- 16141 Выключатель тормозов К1: сигнал имеет
- 16240 Выключатель тормозов К2: сигнал имеет
- 16241 Выключатель тормозов К2: сигнал имеет
- 16341 Датчик тормозного крана К1: положение педали имеет
- 16343 Датчик тормозного крана К1: нет сигнала положения педали.
- 16441 Датчик тормозного крана К2: положение педали имеет
- 16443 Датчик тормозного крана К2: нет сигнала положения педали.
- 17000 Неисправен пропорциональный ускорительный клапан
- 17096 Пропорциональный ускорительный клапан имеет недостоверное значение давления.
- 17104 Пропорциональный ускорительный клапан имеет на контакте Х4 12/1.
- 17105 Пропорциональный ускорительный клапан имеет на контакте Х4 12/1.
- 17107 Пропорциональный ускорительный клапан имеет на контакте Х4 12/2.
- 17108 Пропорциональный ускорительный клапан имеет на контакте Х4 12/2.
- 17109 Пропорциональный ускорительный клапан имеет на контактах Х4 12/1 и Х4 12/2.
- 17129 Пропорциональный ускорительный клапан имеет внешнее возбуждение.
- 17242 Пропорциональный ускорительный клапан: датчик давления имеет
- 17243 Пропорциональный ускорительный клапан: датчик давления имеет , нет сигнала или замыкание.
- 17300 Неисправен модулятор тормозного усилия ведущего моста
- 17313 Модулятор тормозного усилия: установлен неправильный тип
- 17364 Обмен данными по шине CAN тормозной системы нарушен.
- 17395 Модулятор тормозного усилия: регулирование вспомогательного давления
- 17500 Неисправен клапан управления прицепом
- 17512 Клапан управления прицепом параметрирован неправильно.
- 17596 Клапан управления прицепом имеет недостоверные значения давления.
- 17604 Клапан управления прицепом имеет на контакте Х2 15/10.
- 17605 Клапан управления прицепом имеет на контакте Х2 15/10.
- 17607 Клапан управления прицепом имеет на контакте Х2 15/11.
- 17608 Клапан управления прицепом имеет на контакте Х2 15/11.
- 17609 Клапан управления прицепом имеет на контакте Х2 15/10 или Х2 15/11.
- 17629 Клапан управления прицепом имеет внешнее возбуждение.
- 17742 Клапан управления прицепом: датчик давления имеет
- 17743 Клапан управления прицепом: датчик давления имеет нет сигнала или замыкание.
- 18090 Тормозной контур на заднем мосту: дублирование вышло из строя
- 10300 Неисправность шины CAN тормозной системы.
- 15205 Электропитание датчика износа тормозных колодок на переднем мосту имеет
- 15506 Неисправно питание датчиков заднего моста.
- 17392 Модулятор тормозного усилия : неправильная синхронизация сигнала
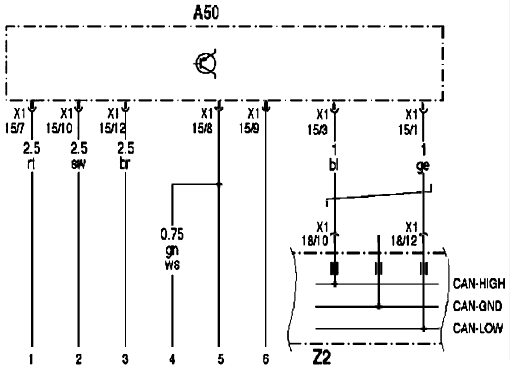
KOM
- 00160 Шина High-Speed-CAN вышла из строя.

Легенда к иллюстрации:
- 1: Электропитание кл. 30 на базовом модуле X I I 12/1-12
- 2: Электропитание кл. 15 на базовом модуле Х9 18/1-18
- 3: Подключение массы кл. 31 на базовом модуле Хб 15/1-15
- XI 18/10: Шина CAN High
- XI 18/12: Шина CAN Low
- А50: Блок управления КОМ коммуникационный интерфейс
- Z2: Точка звезды CAN на задней стенке кабины водителя
Возможные причины неисправности:
- Блок управления КОМ коммуникационный интерфейс неисправен.
Указание:
- Код неисправности может возникать только как сохранённый.
Если код неисправности был бы актуален, то было бы также невозможно считать коды неисправности.
- 00163 Нарушена передача данных с блоком управления FR система управления движением
- 01010 Блок управления имеет внутреннюю неисправность.
- 01012 Блок управления имеет внутреннюю неисправность.
- 01013 Блок управления имеет внутреннюю неисправность.
EDW
- 00150 Обрыв сигнала по CAN

Легенда к иллюстрации:
- А44 Блок управления EDW система противоугонной сигнализации
Указание:
- Очистить и заново считать память неисправностей.
Код неисправности 00150 все еще актуален:
Указание:
- Заменить блок управления EDW система противоугонной сигнализации.
- Заново параметрировать блок управления EDW система противоугонной сигнализации.
- Выполнить функциональную проверку.
- 01011 Внутренняя проверка выдаёт внутреннюю неисправность блока управления.
- 02021 Подводящий провод к указателям поворота тягача неисправен из-за
- 04040 Внутрисалонный датчик со стороны водителя неисправен из-за
- 04140 Внутрисалонный датчик со стороны переднего пассажира неисправен из-за
- 04340 Внутрисалонный датчик 3 неисправен из-за
- 04440 Внутрисалонный датчик 4 неисправен из-за
- 04521 Питание внутрисалонных датчиков неисправно из-за
- 03021 Провод питания сирены сигнализации неисправен из-за
- 03121 Провод 'Clock' к сирене сигнализации неисправен из-за
- 03122 Провод 'Clock' к сирене сигнализации неисправен из-за
- 03221 Провод 'Data' к сирене сигнализации неисправен из-за
- 03222 Провод 'Data' к сирене сигнализации неисправен из-за
- 04240 Концевой выключатель замка находится в задействованном положении дольше чем 30.
EHZ
- 0160 Нарушена передача данных на CAN а/м.

Легенда к иллюстрации:
- А72: EHZ электронно-гидравлический дополнительный рулевой привод
- CAN1 Шина CAN а/м
- Z2 Точка звезды CAN на консоли
Возможные причины неисправности:
- В процессе запуска а/м, кратковременный сбой на шине CAN а/м может вызвать код неисправности.
- 0162 Неправильное сообщение по CAN 'Сигнал скорости (V)' от тахографа.
- 0163 Обрыв связи
- 0165 Достоверность таймаут (BS, EPB/ABS)
- 0166 Достоверность таймаут (MSF)
- 0167 Достоверность таймаут (NR)
- 0168 Достоверность таймаут (FR)
- 0169 Достоверность таймаут (INS)
- 1000 Полный выход из строя
- 1001 Повышенное напряжение
- 1002 Пониженное напряжение или контакт на клемма 15, 30
- 1011 Неисправность EEPROM блока управления
- 1012 Ошибка параметрирования в блоке управления
- 1016 Программирование блока управления было проведено безуспешно.
- 1090 Клапан управления давлением в центрирующем контуре не функционирует.
- 1091 Дублирование не задержано
- 1201 Повышенное напряжение на клемме 30
- 1202 Пониженное напряжение или контакт на клемма 30
- 1203 Клемма 30 имеет
- 1301 Повышенное напряжение на клемме 15
- 1302 Пониженное напряжение или контакт на клемма 15
- 1303 Клемма 15 имеет
- 1405 Питание датчиков '24 В' имеет
- 3022 Электромагнитный клапан Y75 (SP201) имеет
- 3029 Электромагнитный клапан Y75 (SP201) возбуждается внешне.
- 3033 Активация электромагнитного клапана Y75 (SP201) недостоверна.
- 3121 Электромагнитный клапан Y76 (SP011) имеет
- 3122 Электромагнитный клапан Y76 (SP011) имеет
- 3129 Электромагнитный клапан Y76 (SP011) возбуждается внешне.
- 3133 Активация электромагнитного клапана Y76 (SP011) недостоверна.
- 3420 Электромагнитный клапан Y97 (SP 041) имеет
- 3421 Электромагнитный клапан Y97 (SP 041) имеет
- 3422 Электромагнитный клапан Y97 (SP 041) имеет
- 3433 Активация электромагнитного клапана Y97 (SP 041) недостоверна.
- 3520 Электромагнитный клапан Y77 (SP 051) имеет
- 3521 Электромагнитный клапан Y77 (SP 051) имеет
- 3522 Электромагнитный клапан Y77 (SP 051) имеет
- 3533 Активация электромагнитного клапана Y77 (SP 051) недостоверна.
- 3720 Электромагнитный клапан Y78 (SP 071) имеет
- 3721 Электромагнитный клапан Y78 (SP 071) имеет
- 3722 Электромагнитный клапан Y78 (SP 071) имеет
- 3733 Активация электромагнитного клапана Y78 (SP 071) недостоверна.
- 4041 Контакт 1 датчика угла поворота управляемых колёс 'Передний мост 1' имеет
- 4042 Контакт 1 датчика угла поворота управляемых колёс 'Передний мост 1' имеет
- 4044 Датчик угла поворота управляемых колёс 'Передний мост 1' имеет замыкание витков.
- 4050 Не удалось достигнуть заданного угла поворота управляемых колёс на заднем поддерживающем мосту.
- 4052 Ошибка обучения датчика угла поворота управляемых колёс 'Передний мост 1'
- 4092 Нарушение синхронизации сигнала 1 от датчика угла поворота управляемых колёс 'Передний мост 1'
- 4141 Контакт 2 датчика угла поворота управляемых колёс 'Передний мост 1' имеет
- 4142 Контакт 2 датчика угла поворота управляемых колёс 'Передний мост 1' имеет
- 4641 Контакт 1 датчика угла поворота управляемых колёс 'Задний поддерживающий мост 1' имеет
- 4642 Контакт 1 датчика угла поворота управляемых колёс 'Задний поддерживающий мост 1' имеет
- 4644 Датчик угла поворота управляемых колёс 'Задний поддерживающий мост 1' имеет замыкание витков.
- 4650 Датчик угла поворота управляемых колёс 'Задний поддерживающий мост 1' выдаёт недостоверное значение.
- 4651 Датчик угла поворота управляемых колёс 'Задний поддерживающий мост 1' установлен неправильно.
- 4652 Ошибка обучения датчика угла поворота управляемых колёс 'Задний поддерживающий^мост 1'
- 4692 Нарушение синхронизации сигнала 1 отдатчика угла поворота управляемых колёс 'Задний поддерживающий мост 1'
- 4741 Контакт 2 датчика угла поворота управляемых колёс 'Задний поддерживающий мост 1' имеет
- 4742 Контакт 2 датчика угла поворота управляемых колёс 'Задний поддерживающий мост 1' имеет
- 4804 Электропитание датчика угла поворота рулевого колеса/управляемых колёс имеет
- 4805 Электропитание датчика угла поворота рулевого колеса/управляемых колёс имеет
- 4806 Отклонение напряжения питания датчиков угла поворота рулевого колеса/управляемых колёс
- 5141 Сигнальный провод датчика давления В95 (PSX) 'Контур рулевого управления1 имеет
- 5142 Сигнальный провод датчика давления В95 (PSX) 'Контур рулевого управления' имеет
- 5195 Значение напряжения датчика давления 'Контур рулевого управления' ниже допустимого диапазона.
- 5196 Сигнал датчика давления В95 (PSX) 'Контур рулевого управления' недостоверен.
- 5197 Значение напряжения датчика давления 'Контур рулевого управления' выше допустимого диапазона.
- 5240 Сигнальный провод датчика давления В94 (PSY) 'Центрирующий контур' имеет
- 5241 Сигнальный провод датчика давления В94 (PSY) 'Центрирующий контур' имеет
- 5242 Сигнальный провод датчика давления В94 (PSY) 'Центрирующий контур' имеет
- 5249 Сигнал датчика давления В94 (PSY) 'Центрирующий контур' недостоверен.
- 5252 Ошибка обучения датчика давления В94 (PSY) 'Центрирующий контур'
- 5290 Клапан управления давлением в центрирующем контуре не функционирует.
- 5295 Значение напряжения датчика давления 'Центрирующий контур' ниже допустимого диапазона.
- 5296 Сигнал датчика давления В94 (PSY) 'Центрирующий контур' недостоверен.
- 5297 Значение напряжения датчика давления 'Центрирующий контур' выше допустимого диапазона.
- 5298 Значение напряжения датчика давления 'Центрирующий контур' выше допустимого диапазона.
- 5804 Электропитание датчика давления имеет
- 5805 Электропитание датчика давления имеет
- 5806 Отклонение напряжения питания датчика давления
- 6041 Сигнальный провод датчика температуры В131 (TSX) имеет
- 6042 Сигнальный провод датчика температуры В131 (TSX) имеет
- 6093 Значение датчика температуры В131 (TSX) выше допустимого диапазона.
- 6094 Значение датчика температуры В131 (TSX) выше допустимого диапазона.
- 6149 Сигнал двухпозиционного датчика уровня масла недостоверен.
FLA
- 10100 Слишком малое напряжение питания блока управления (пониженное напряжение).

Легенда к иллюстрации:
- АЗ: Блок управления FR система управления движением
- А4: Блок управления FLA электрофакельный подогреватель воздуха
- А6: Блок управления MR система управления двигателем
- А7: Базовый модуль
- Х2.2: Штекерное соединение Х2.2 на плате штекеров 'Кабина водителя-шасси'
- CAN 4: Шина данных CAN двигателя
Возможные причины неисправности:
- Аккумуляторная батарея сильно разряжена или неисправна.
- Генератор или регулятор неисправен
- Неисправны провода от базового модуля к блоку управления FLA электрофакельный подогреватель воздуха или к аккумуляторной батарее или генератору
Указание:
- Блок управления FLA электрофакельный подогреватель воздуха распознаёт пониженное напряжение, если присутствующее напряжение дольше 1 с принимает значение < 18 В.
- Контакт A4.X1-18/7
Текущее значение:
Напряжение на клемме 30: 24.00 Volt
- 10101 Слишком высокое напряжение питания блока управления (повышенное напряжение).
- 10202 Факельная свеча накаливания имеет
- 10203 Факельная свеча накаливания имеет
- 10204 Факельная свеча накаливания имеет
- 10206 Разница напряжения свечи накаливания
- 10302 Электромагнитный клапан LOW имеет
- 10303 Электромагнитный клапан LOW имеет
- 10304 Электромагнитный клапан LOW имеет
- 10305 Электромагнитный клапан LOW перегрузка
- 10310 На электромагнитный клапан LOW непрерывно подаётся управляющий сигнал
- 10402 Электромагнитный клапан 2 имеет
- 10403 Электромагнитный клапан 2 имеет
- 10404 Электромагнитный клапан 2 имеет
- 10405 J Электромагнитный клапан 2 перегрузка
- 10410 На электромагнитный клапан 2 непрерывно подаётся управляющий сигнал
- 10503 Электромагнитный клапан HIGH имеет
- 10504 Электромагнитный клапан HIGH имеет
- 10604 Указатель предпускового подогрева
- 10706 Блок управления FLA электрофакельный подогреватель воздуха распознаёт разницу напряжения между свечой накаливания и блоком управления.
- 10707 Неисправность шины CAN
- 10708 Внутренняя ошибка в блоке управления
- 10709 Внутренняя ошибка в блоке управления
- 10712 j Блок управления не параметрирован.
- 10811 Температура нагнетаемого воздуха превышена
FR
- 10110 Сообщение по CAN от блок управления ABS антиблокировочная система отсутствует или ошибочно.
Указание:
- Провести поиск неисправности в блоке управления ABS антиблокировочная система.
- Выполнить функциональную проверку.
- 10111 Сообщение по CAN от блок управления GS управление переключением передач отсутствует или ошибочно.
- 10112 Сообщение по CAN от блок управления KS система управления сцеплением отсутствует или ошибочно.
- 10113 Сообщение по CAN от блок управления RS управление тормозом-замедлителем (ретардером) отсутствует или ошибочно.
- 10114 Сообщение по CAN от блок управления INS комбинация приборов отсутствует или ошибочно.
- 10115 Сообщение по CAN от блок управления PSM параметрируемый спецмодуль отсутствует или ошибочно.
- 10116 Неисправна шина CAN а/м
- 10201 Шина CAN двигателя к MR система управления двигателем в однопроводном режиме
- 10202 Сообщение по CAN от блок управления MR система управления двигателем отсутствует или ошибочно.
- 10203 Шина CAN двигателя к MR система управления двигателем оборвана
- 10306 Шина CAN двигателя к FLA электрофакельный подогреватель воздуха оборвана
- 11120 Подключение 'D+' имеет
- 11125 Подключение 'D+' к контакту Х4 18/13 недостоверно или
- 11223 Датчик педали сцепления S85 на контакте XI 18/1 имеет или неправильная регулировка.
- 11323 Неисправен или замкнут датчик стояночного тормоза ХЗ 15/9.
- 11421 Выключатель стоп-сигналов имеет или неправильная регулировка.
- 11423 Выключатель стоп-сигналов, XI 18/11 неисправен/Замыкание
- 11523 Неисправен выключатель темпомат-temposet.
- 11524 Неисправен выключатель темпомат-temposet.
- 11623 Датчик педали сцепления 1 и 2: неправильная регулировка или датчик залип
- 11723 Датчик нейтрального положения, Х4 18/16 неисправен/датчик залип
- 11923 Выключатель делителя, Х2 18/11 и Х2 18/12 -//-/неисправен
- 12023 Неисправен выключатель моторного тормоза рычага задействования 'Управление двигателем/тормозом-замедлителем'
- 12120 Выход прямоугольного сигнала GSV 1 импульсное питание выключателя,
- 12122 Выход прямоугольного сигнала GSV 1 импульсное питание выключателя,
- 12220 Выход прямоугольного сигнала GSV 2 импульсное питание выключателя,
- 12222 Выход прямоугольного сигнала GSV 2 импульсное питание выключателя,
- 12320 Выход прямоугольного сигнала GSV 3 импульсное питание выключателя,
- 12322 Выход прямоугольного сигнала GSV 3 импульсное питание выключателя,
- 12420 Выход прямоугольного сигнала GSV 4 импульсное питание выключателя,
- 12422 Выход прямоугольного сигнала GSV 4 импульсное питание выключателя,
- 13031 Клемма 30, перенапряжение
- 13032 Клемма 30, пониженное напряжение
- 13130 Двухпозиционный датчик уровня охлаждающей жидкости В6 или датчик контроля воздушного фильтра В7 неисправен или провода имеют
- 13233 Неисправен датчик контроля воздушного фильтра.
- 13330 Датчик температуры наружного воздуха
- 13430 Датчик перемещения сцепления имеет
- 13533 Двухпозиционный датчик уровня охлаждающей жидкости неисправен.
- 14141 Неисправен датчик входного числа оборотов КП/неисправность частоты
- 14145 Датчик входного числа оборотов КП
- 14341 Недействительный сигнал скорости (V)
- 14345 Сигнал скорости имеет
- 14440 Первый сигнал датчика педали газа имеет
- 14540 Второй сигнал датчика педали газа имеет
- 14641 Неисправен датчик педали газа
- 14642 Датчик педали газа не достигает упора холостого хода.
- 14643 Значение с датчика педали газа вне параметрированного диапазона
- 14644 Тугой ход датчика педали газа
- 15051 Электромагнитный клапан 1 на контакте ХЗ 15/4 имеет
- 15052 Электромагнитный клапан 1 на контакте ХЗ 15/4 имеет
- 15151 Электромагнитный клапан 2 на контакте ХЗ 15/7 имеет
- 15152 Электромагнитный клапан 2 на контакте ХЗ 15/7 имеет
- 15252 Общий провод массы электромагнитных клапанов 'Моторный тормоз' имеет
- 15351 Выход Х4 18/7 или Х4 18/8 имеет
- 15352 Электромагнитный клапан 'Делитель 1' имеет
- 15451 Выход Х4 18/7 или Х4 18/10 имеет
- 15452 Электромагнитный клапан 'Делитель 2' имеет
- 15552 Выход Х4 18/7 имеет
- 15651 Реле стоп-сигнала в базовом модуле имеет
- 15652 Реле стоп-сигнала в базовом модуле имеет
- 15751 Реле 'Сигнал заднего хода' в базовом модуле имеет
- 15752 Реле 'Сигнал заднего хода' в базовом модуле имеет
- 15851 Реле 'D+' в базовом модуле имеет
- 15852 Реле 'D+' в базовом модуле имеет
- 15951 Активация автоматического долива моторного масла имеет
- 15952 Активация автоматического долива моторного масла имеет
- 16161 Блок управления имеет внутреннюю неисправность.
- 16262 Блок управления имеет внутреннюю неисправность.
- 17060 Блок управления имеет внутреннюю неисправность.
- 17064 Неизвестный код неисправности Неизвестный тип неисправности: 0
- 17070 Блок педали газа не обучен
- 17071 Ошибка инициализации (обучения) передаточного отношения делителя
- 17072 Ошибка инициализации (обучения) передаточного отношения клеммы W
- 17073 Ошибка обучения датчика перемещения сцепления
- 17074 Ошибка инициализации (обучения) на шине CAN а/м
GS
- 10160 Неисправна шина CAN а/м

Легенда к иллюстрации:
- 7 (А16): Блок управления GS управление переключением передач
Указание:
- Заменить блок управления GS.
- Перед заменой блока управления GS управление переключением передач считать и записать параметры.
- Заново инициализировать (обучить) блок управления.
- Параметрировать блок управления GS управление переключением передач.
- Выполнить функциональную проверку.
Указание:
- Код неисправности может возникать только как сохранённый.
Если код неисправности был бы актуален, то было бы также невозможно считать коды неисправности. Код неисправности всё-таки актуален: заменить блок управления GS.
- 10161 Нарушение связи на шине CAN а/м
- 00162 Нарушение связи с блоком управления FR система управления движением (FMR)
- 10163 Нарушение связи с блоком управления PSM параметрируемый спецмодуль
- 00164 Нарушение связи с блоком управления WSK сцепление с гидротрансформатором
- 00165 Нарушение связи с блоком управления RS система управления тормозом-замедлителем - 'ретардером' (RET)
- 00166 Нарушение связи с блоком управления ABS антиблокировочная система или BS блок управления тормозной системой (ЕРВ)
- 00167 Нарушение связи с блоком управления INS комбинация приборов
- 00168 Нарушение связи с блоком управления KS система управления приводом сцепления (MKR)
- 00169 Нарушение связи с блоком управления AG автоматический выбор передачи (AGE)
- 00170 Нарушение связи с блоком управления MR система управления двигателем (PLD)
- 21010 Внутренняя ошибка в блоке управления
- 21011 Обученные данные недействительны
- 01012 Блок управления GS управление переключением передач (EPS) параметрирован неправильно.
- 01080 Блок управления TEST
- 01082 Режим проверки на испытательном стенде активен
- 21101 Повышенное напряжение на клемме 30
- 21102 Пониженное напряжение на клемме 30
- 21201 Провод массы блока управления имеет неисправность
- 01301 Повышенное напряжение на клемме 15
- 01302 Пониженное напряжение на клемме 15
- 21503 Электропитание модуля рычага переключения имеет неисправность
- 21504 Электропитание модуля рычага переключения и датчик вращения В57 имеют неисправность
- 11505 Электропитание модуля рычага переключения и датчик вращения В57 имеют неисправность
- 22030 Нарушение связи с модулем рычага переключения
- 22031 Провод массы модуля рычага переключения имеет неисправность
- 22032 Провод аварийного переключения имеет неисправность
- 22033 Провод аварийного переключения имеет неисправность
- 12034 Провод аварийного переключения имеет неисправность
- 22035 Ошибка разблокировки блока управления аварийным переключением
- 12036 Аварийное переключение вышло из строя.
- 02037 Выходной каскад обратной связи неисправен.
- 13020 Блок клапанов GS (EPS), электромагнитный клапан MSI имеет неисправность
- 13021 Блок клапанов GS (EPS), электромагнитный клапан MS2 имеет неисправность
- 13022 Блок клапанов GS (EPS), электромагнитный клапан MSI имеет неисправность
- 13023 Блок клапанов GS (EPS), электромагнитный клапан MS2 имеет неисправность
- 23024 Блок клапанов GS (EPS), электромагнитный клапан MSI имеет неисправность
- 23025 Блок клапанов GS (EPS), электромагнитный клапан MS2 имеет неисправность
- 23120 Блок клапанов GS (EPS), электромагнитный клапан MUB имеет неисправность
- 23121 Блок клапанов GS (EPS), электромагнитный клапан MGB имеет неисправность
- 23122 Блок клапанов GS (EPS), электромагнитный клапан MUB имеет неисправность
- 23123 Блок клапанов GS (EPS), электромагнитный клапан MGB имеет неисправность
- 23124 Блок клапанов GS (EPS), электромагнитный клапан MUB имеет неисправность
- 23125 Блок клапанов GS (EPS), электромагнитный клапан MGB имеет неисправность
- 23220 Блок клапанов GS (EPS), электромагнитный клапан MUE имеет неисправность
- 23221 Блок клапанов GS (EPS), электромагнитный клапан MGE имеет неисправность
- 23222 Блок клапанов GS (EPS), электромагнитный клапан MUE имеет неисправность
- 23223 Блок клапанов GS (EPS), электромагнитный клапан MGE имеет неисправность
- 23224 Блок клапанов GS (EPS), электромагнитный клапан MUE имеет неисправность
- 23225 Блок клапанов GS (EPS), электромагнитный клапан MGE имеет неисправность
- 13320 Блок клапанов GS (EPS), электромагнитный клапан MG1 имеет неисправность
- 23321 Блок клапанов GS (EPS), электромагнитный клапан MG2 имеет неисправность
- 23322 Блок клапанов GS (EPS), электромагнитный клапан MG1 имеет неисправность
- 23323 Блок клапанов GS (EPS), электромагнитный клапан MG2 имеет неисправность
- 23324 Блок клапанов GS (EPS), электромагнитный клапан MG1 имеет неисправность
- 23325 Блок клапанов GS (EPS), электромагнитный клапан MG2 имеет неисправность
- 13420 Блок клапанов GS (EPS), электромагнитный клапан MR1 имеет неисправность
- 13421 Блок клапанов GS (EPS), электромагнитный клапан MR2 имеет неисправность
- 13422 Блок клапанов GS (EPS), электромагнитный клапан MR1 имеет неисправность
- 13423 Блок клапанов GS (EPS), электромагнитный клапан MR2 имеет неисправность
- 23424 Блок клапанов GS (EPS), электромагнитный клапан MR1 имеет неисправность
- 23425 Блок клапанов GS (EPS), электромагнитный клапан MR2 имеет неисправность
- 23805 Общий провод массы электромагнитных клапанов имеет неисправность
- 23803 Общий провод массы электромагнитных клапанов имеет неисправность
- 03804 Общий провод массы электромагнитных клапанов имеет неисправность
- 04040 Датчик 'Делитель' имеет неисправность
- 04041 Датчик 'Делитель' имеет неисправность
- 04042 Датчик 'Делитель' имеет неисправность
- 04043 Функциональное нарушение конструктивного узла Датчик делителя
- 04044 Конструктивный узел Датчик делителя вне допустимого диапазон значений
- 24140 Датчик 'Передача' имеет неисправность
- 24141 Датчик 'Передача' имеет неисправность
- 24142 Датчик 'Передача' имеет неисправность
- 24143 Функциональное нарушение конструктивного узла Датчик передачи
- 24144 Конструктивный узел Датчик передачи вне допустимого диапазон значений
- 24240 Датчик 'Коридор передач' имеет неисправность
- 24241 Датчик 'Коридор передач' имеет неисправность
- 24242 Датчик 'Коридор передач' имеет неисправность
- 24243 Функциональное нарушение конструктивного узла Датчик "коридора" выбора передачи
- 24244 Конструктивный узел Датчик "коридора" выбора передачи вне допустимого диапазон значений
- 24340 Датчик 'Пониженная передача' имеет неисправность
- 24341 Датчик 'Пониженная передача' имеет неисправность
- 24342 Датчик 'Пониженная передача' имеет неисправность
- 24343 Функциональное нарушение конструктивного узла Датчик пониженной передачи
- 24344 Конструктивный узел Датчик пониженной передачи вне допустимого диапазон значений
- 24440 Датчик перемещения сцепления имеет неисправность
- 24441 Датчик перемещения сцепления имеет неисправность
- 24442 Датчик перемещения сцепления имеет неисправность
- 24443 функциональное нарушение конструктивного узла Датчик перемещения сцепления
- 24444 Конструктивный узел Датчик перемещения сцепления вне допустимого диапазон значений
- 15040 Сигнал от датчика вращения В57 отсутствует.
- 15043 Функциональное нарушение конструктивного узла В57
- 15140 Сигнал от датчика вращения ВЗ отсутствует.
- 15141 Датчик числа оборотов ВЗ промежуточного вала имеет неисправность
- 15142 Датчик числа оборотов ВЗ промежуточного вала имеет неисправность
- 15143 Функциональное нарушение конструктивного узла Датчик числа оборотов промежуточного вала
- 15240 Отсутствует сигнал СЗ/импульс скорости.
- 15243 Неправильный сигнал СЗ/импульс скорости (v)
- 15340 Сигнал от датчика вращения В99 отсутствует.
- 15343 Функциональное нарушение конструктивного узла В99 28091 Нет числа оборотов
- 08092 Неправильная раздаточная коробкаили не параметрировано 28093 Неправильный тип КП
- 08094 Определённое направление движения недостоверно.
- 18095 Положение сцепления: значение ниже минимального значения обучения
- 18096 Положение сцепления: значение выше максимального значения обучения
HPS
- 10160 Функциональный отказ шины данных CAN

Легенда к иллюстрации:
- 1: Блок управления HPS система гидропневматического переключения передач
Указание:
- Заменить и параметрировать блок управления HPS система гидропневматического переключения передач.
- Выполнить функциональную проверку.
Указание:
- Код неисправности может возникать только как сохранённый.
Если код неисправности был бы актуален, то было бы также невозможно считать коды неисправности. Код неисправности всё-таки актуален: заменить блок управления HPS.
- 10161 Шина CAN: нарушена связь
- 10162 Нарушена связь по CAN с блоком управления FR система управления движением.
- 00163 Нарушена связь по CAN с блоком управления INS комбинация приборов.
- 00164 Нарушена связь по CAN с блоком управления MR система управления двигателем.
- 11012 Внутренняя ошибка в блоке управления HPS система гидропневматического переключения передач
- 11013 Внутренняя ошибка в блоке управления HPS система гидропневматического переключения передач
- 11101 Повышенное напряжение на клемме 30
- 11102 Пониженное напряжение на клемме 30
- 01301 I Повышенное напряжение на клемме 15
- 01302 Пониженное напряжение на клемме 15
- 12005 Датчик давления В88 или В89 имеет
- 12006 Датчик давления В88 или В89 имеет
- 13003 Провод управления или общий провод массы электромагнитных клапанов Y68 и Y69 имеет
- 13006 Провод к электромагнитному клапану Y68, Y69 имеет
- 13104 Провод к электромагнитному клапану Y68, Y69 имеет
- 23204 Общий провод массы электромагнитных клапанов имеет
INS
- 00101 Питание датчиков 'Системное давление в тормозном контуре 1' имеет замыкание на минус

Легенда к иллюстрации:
- Р2: INS комбинация приборов
- В71: Датчик 'Системное давление тормозного контура' 1 и 2
Возможные причины неисправности:
- Провод В71/3 - Р2 XI 18/17 имеет замікание на минус
- Повреждены штекерные соединения между В71 и Р2.
- Датчик В71 неисправен.
- 00102 Питание датчиков 'Системное давление в тормозном контуре 1' имеет
- 00104 3начение сигнального входа датчика 'Системное давление в тормозном контуре 1' ниже диапазона.
- 00105 Превышение диапазона сигнального входа датчика 'Системное давление в тормозном контуре
- 00201 Питание датчиков 'Системное давление в тормозном контуре 2' имеет
- 00202 Питание датчиков 'Системное давление в тормозном контуре 2' имеет
- 002043начение сигнального входа датчика 'Системное давление в тормозном контуре 2Ч|иже диапазона.
- 00205 Превышение диапазона сигнального входа датчика 'Системное давление в тормозном контуре
- 00508 Датчик уровня топлива имеет
- 00607 Вход 'Клемма W' имеет
- 00710 0тключение выхода регулятора яркости
- 00810 0тключение выхода
- 00901 К-провод имеет
- 00908 К-провод имеет
- 01020 Неисправна шина CAN а/м
- 0110З Ошибка параметрирования цифрового входа 'Механизм отбора мощности'
- 011Об Ошибка параметрирования цифрового входа 'Х2 18/11'
- 01120 0шибка параметрирования цифрового входа 'Резерв'
- 01432 Неисправен блок управления комбинации приборов.
- 01433 Неисправен блок управления (клавиши управления) комбинации приборов.
- 01903Напряжение питания имеет
- 01941 Повышенное напряжение на клемме 30
- 01942Пониженное напряжение на клемме 30
- 02002 Нарушена передача данных с блоком управления FR система управления движением
- 02007 Нарушена передача данных с блоком управления FLA электрофакельный подогреватель воздуха
- 02009 Нарушена передача данных с блоком управления GS управление переключением передач
- 02011 Нарушена передача данных с блоком управления SIR электронное оборудование правого сиденья
- 02012 Нарушена передача данных с блоком управления SIL электронное оборудование левого сиденья
- 02014 Нарушена передача данных с блоком управления ABS антиблокировочная система
- 02015 Нарушена передача данных с блоком управления RS управление тормозом-замедлителем (ретардером)
- 02017 Нарушена передача данных с блоком управления NR Система регулирования уровня кузова
- 02018 Нарушена передача данных с блоком управления FFB дистанционное радиоуправление
- 02019 Нарушена передача данных с блоком управления ZV или KSA
- 02024 Нарушена передача данных с блоком управления WS система техобслуживания
- 02026 Нарушена передача данных с блоком управления КОМ коммуникационный интерфейс
- 02029 Нарушена передача данных с блоком управления ZHE дополнительное отопление
- 02031 Нарушена передача данных с блоком управления HPS система гидропневматического переключения передач
- 02036 Нарушена передача данных с блоком управления BS управление тормозной системой
- 02040 Нарушена передача данных с блоком управления MR система управления двигателем
- 02042 Нарушена передача данных с блоком управления SRS система пассивной безопасности
- 02044 Нарушена передача данных с блоком управления EDW система противоугонной сигнализации
- 02046 Нарушена передача данных с блоком управления PSM параметрируемый спецмодуль
- 02100 Нарушена передача данных с блоком управления ЕАВ электрический тормоз прицепа
- 02105 Нарушена передача данных с блоком управления ANH распознавание наличия прицепа
- 02110 Нарушена передача данных с блоком управления AUF распознавание полуприцепа
- 03007 Вышел из строя блок управления FLA электрофакельный подогреватель воздуха.
- 03011 Вышел из строя блок управления SIR электронное оборудование правого сиденья.
- 03012 Вышел из строя блок управления SIL электронное оборудование левого сиденья.
- 03014Вышел из строя блок управления ABS антиблокировочная система.
- 03015 Вышел из строя блок управления RS управление тормозом-замедлителем (ретардером).
- 03017 Вышел из строя блок управления NR Система регулирования уровня кузова.
- 03018 Вышел из строя блок управления FFB дистанционное радиоуправление.
- 03019 Вышел из строя блок управления ZV центральная блокировка замков или KSA система комфортабельного открывания/закрывания
- 03024Вышел из строя блок управления WS система техобслуживания.
- 03026 Вышел из строя блок управления КОМ коммуникационный интерфейс.
- 03029 Вышел из строя блок управления ZHE дополнительное отопление.
- 03031 Вышел из строя блок управления HPS система гидропневматического переключения передач.
- 03036 Вышел из строя блок управления BS управление тормозной системой
- 03040 Вышел из строя блок управления MR система управления двигателем.
- 03042 Вышел из строя блок управления SRS система пассивной безопасности.
- 03044 Вышел из строя блок управления EDW система противоугонной сигнализации.
- 03046 Вышел из строя блок управления PSM параметрируемый спецмодуль.
- 03100 Вышел из строя блок управления ЕАВ электрический тормоз прицепа.
- 03105 Вышел из строя блок управления ANIH распознавание наличия прицепа.
- ОЗПОВышел из строя блок управления AUF распознавание полуприцепа.
- 04002Опознан идентификатор CAN непараметрированного блока управления FR система управления движением
- 04007Опознан идентификатор CAN непараметрированного блока управления FLA электрофакельный подогреватель воздуха
- 04009Опознан идентификатор CAN непараметрированного блока управления GS управление переключением передач
- 040140познан идентификатор CAN непараметрированного блока управления ABS антиблокировочная система
- 040150познан идентификатор CAN непараметрированного блока управления RS управление тормозом-замедлителем (ретардером)
- 040170познан идентификатор CAN непараметрированного блока управления NR Система регулирования уровня кузова
- 04021 Опознан идентификатор CAN непараметрированной системы
- 040240познан идентификатор CAN непараметрированного блока управления WS система техобслуживания
- 04026Опознан идентификатор CAN непараметрированного блока управления КОМ коммуникационный интерфейс
- 04031 Опознан идентификатор CAN непараметрированного блока управления HPS система гидропневматического переключения передач
- 04036Опознан идентификатор CAN непараметрированного блока управления BS управление тормозной системой
- 04040Опознан идентификатор CAN непараметрированного блока управления MR система управления двигателем
- 04046Опознан идентификатор CAN непараметрированного блока управления PSM параметрируемый спецмодуль
- 04100Опознан идентификатор CAN непараметрированного блока управления ЕАВ электрический тормоз прицепа
- 04105Опознан идентификатор CAN непараметрированного блока управления ANH распознавание наличия прицепа
- 04110Опознан идентификатор CAN непараметрированного блока управления AUF блок управления на кузове
- 05050Лампа Stop вышла из строя.
KSA
Указание:
- Заменить блок управления KSA система комфортабельного открывания/закрывания.
- Обучить стеклоподъёмник.
- Выполнить функциональную проверку.
- 11010 Внутренняя ошибка в блоке управления
- 11011 Неисправность EEPROM блока управления
- 11101 Клемма 30: повышенное напряжение
- 11102 Клемма 30: пониженное напряжение
- 12021 Подводящий провод к FB-интерфейсу имеет (достоверность при передаче).
- 12121 Подводящий провод к SD-интерфейсу имеет
- 12122 Подводящий провод к SD-интерфейсу имеет
- 12221 Подводящий провод выхода GGVS имеет
- 12222 Подводящий провод выхода GGVS имеет
- 13021 Подводящий провод к исполнительному элементу 'М+' водительской двери имеет
- 13022 Подводящий провод к исполнительному элементу 'М+' водительской двери имеет
- 13121 Подводящий провод к исполнительному элементу 'М-' (внутрисалонное освещение) двери водителя или переднего пассажира имеет
- 13122 Подводящий провод к исполнительному элементу 'М-' (внутрисалонное освещение) двери водителя или переднего пассажира имеет
- 13221 Подводящий провод к исполнительному элементу 'М+' двери переднего пассажира имеет
- 13222 Подводящий провод к исполнительному элементу 'М+' двери переднего пассажира имеет
- 14021 Подводящий провод к стеклоподъёмнику 'М+' водительской двери имеет
- 14121 Подводящий провод к стеклоподъёмнику 'М-' водительской двери имеет
- 14221 Подводящий провод к стеклоподъёмнику 'М+' двери переднего пассажира имеет
- 14321 Подводящий провод к стеклоподъёмнику 'Минус электромотора' двери переднего пассажира имеет
- 14421 Подводящий провод к клавише управления 'Стеклоподъёмник водительской двери ОТКР' имеет
- 14521 Подводящий провод к клавише управления 'Стеклоподъёмник водительской двери ЗАКР' имеет
- 14621 Подводящий провод к клавише управления 'Стеклоподъёмник двери переднего пассажира ОТКР' имеет
- 14721 Подводящий провод к клавише управления 'Стеклоподъёмник двери переднего пассажира ЗАКР' имеет
- 14821 Подводящий провод к концевому выключателю замка водительской двери имеет
- 15040 Датчик Холла водительской двери: отсутствует сигнал.
- 15140 Датчик_Холла двери переднего пассажира: отсутствует сигнал.
- 15510 Неправильная регистрация тока двери водителя
- 15610 Неправильная регистрация тока двери переднего пассажира
- 16020 Подводящий провод к приводу стеклоподъёмника водительской двери имеет
- 16050 Превышено макс. время перемещения привода стеклоподъёмника водительской двери.
- 16051 Неисправен конечный упор привода стеклоподъёмника водительской двери.
- 16120 Подводящий провод к приводу стеклоподъёмника двери переднего пассажира имеет
- 16150 Превышено макс. время перемещения привода стеклоподъёмника двери переднего пассажира.
- 16151 Неисправен конечный упор привода стеклоподъёмника двери переднего пассажира.
- 14022 Подводящий провод к стеклоподъёмнику 'М+' водительской двери имеет
- 14122 Подводящий провод к стеклоподъёмнику 'М-' водительской двери имеет
- 14222 Подводящий провод к стеклоподъёмнику 'М+' двери переднего пассажира имеет
- 14322 Подводящий провод к стеклоподъёмнику 'Минус электромотора' двери переднего пассажира имеет
- 13321 Подводящий провод к внутрисалонной клавише 'Заблокировать' имеет
- 13421 Подводящий провод к внутрисалонной клавише 'Разблокировать' имеет
- 15221 Подводящий провод питания датчика Холла имеет
- 16022 Подводящий провод к приводу стеклоподъёмника водительской двери имеет
- 16122 Подводящий провод к приводу стеклоподъёмника двери переднего пассажира имеет
MR
- 10100 Связь по шине CAN-Н с FR система управления движением отсутствует

Легенда к иллюстрации:
- Аб: Блок управления MR система управления двигателем
- АЗ: Блок управления FR система управления движением
- XI, Х2.2, Х4: Штекерные соединения
Возможные причины неисправности:
- Провод Аб XI 16/1 - АЗ Х4 18/3 имеет обрыв
- Провод Аб XI 16/1 - АЗ Х4 18/3 имеет замыкание на плюс
- Провод Аб XI 16/1 - АЗ Х4 18/3 имеет замыкание на минус
- 10101 Связь по шине CAN-L с FR система управления движением отсутствует
- 10102 Неверные данные в блоке управления FR система управления движением
- 10104 Связь по шине CAN с FR система управления движением отсутствует
- 10149 Ошибка параметрирования CAN
- 10308 Датчик положения коленвала
- 10309 Датчик положения коленвала
- 10310 Датчик положения коленвала: сигнал слишком слабый
- 10311 Датчик положения коленвала: неправильная синхронизация сигналов коленвала и распредвала.
- 10312 Датчик положения коленвала: сигнал отсутствует
- 10313 Датчик положения коленвала: неправильная полярность.
- 10408 Датчик положения распредвала
- 10409 Датчик положения распредвала
- 10412 Датчик положения распредвала: нет сигнала
- 10413 Датчик положения распредвала: неправильная полярность
- 10530 Повышенное число оборотов
- 01015 Комбинированный датчик 'Давление и температура масла': значение датчика температуры увеличилось выше диапазона измерения
- 01016 Комбинированный датчик 'Давление и температура масла': значение датчика температуры снизилось ниже диапазона измерения
- 11115 Датчик температуры топлива: значение выше диапазона измерений
- 11116 Датчик температуры топлива: значение ниже диапазона измерений
- 11215 Комбинированный датчик 'Давление и температура нагнетаемого воздуха': значение датчика температуры увеличилось выше диапазона измерения
- 11216 Комбинированный датчик 'Давление и температура нагнетаемого воздуха': значение датчика температуры снизилось ниже диапазона измерения
- 01315 Датчик атмосферного давления: значение выше диапазона измерений
- 01316 Датчик атмосферного давления: значение ниже диапазона измерений
- 11415 Комбинированный датчик 'Давление и температура нагнетаемого воздуха': значение датчика давления увеличилось выше диапазона измерения
- 11416 Комбинированный датчик 'Давление и температура нагнетаемого воздуха': значение датчика давления снизилось ниже диапазона измерения
- 11417 Комбинированный датчик 'Давление и температура нагнетаемого воздуха': измеренное значение датчика давления недостоверно
- 11515 Датчик температуры охлаждающей жидкости: значение выше диапазона измерений
- 11516 Датчик температуры охлаждающей жидкости: значение ниже диапазона измерений
- 11615 Комбинированный датчик 'Давление и температура масла': значение датчика давления увеличилось выше диапазона измерения
- 11616 Комбинированный датчик 'Давление и температура масла': значение датчика давления снизилось ниже диапазона измерения
- 11617 Комбинированный датчик 'Давление и температура масла': измеренное значение датчика давления недостоверно
- 11715 Kombieingang: MeBbereich uberschritten
- 11716 Kombieingang: MeGbereich unterschritten
- 11717 Kombieingang: Signal unplausibel
- 11818 Нагнетательный контур неисправен
- 11820 Давление нагнетаемого воздуха слишком велико
- 01822 Температура нагнетаемого воздуха превышена
- 11873 Турбонагнетатель - Нарушение равномерности скорости.
- 11875 Отклонение давления нагнетания слишком большое.
- 11876 Давление нагнетаемого воздуха для режима торможения не достигается.
- 11878 Нагнетательный контур неисправен
- 02020 Давление масла слишком низкое.
- 02026 Уровень масла в двигателе слишком высок или слишком низок.
- 02122 Температура охлаждающей жидкости слишком велика.
- 12219 Клемма 15 блока управления MR или FR имеет
- 12319 Клемма 50 блока управления MR или FR имеет
- 12415 Дифференциальный датчик давления топлива имеет
- 12416 Дифференциальный датчик давления топлива имеет
- 02509 Датчик уровня масла
- 02515 Датчик уровня масла значение выше диапазона измерений
- 02516 Датчик уровня масла значение ниже диапазона измерений
- 12517 Датчик уровня масла : измеренное значение недостоверно
- 12612 Датчик числа оборотов турбонагнетателя имеет
- 12712 Датчик числа оборотов турбонагнетателя имеет ( Турбонагнетатель 2)
- 13015 Датчик давления топлива: значение выше диапазона измерений
- 13016 Датчик давления топлива: значение ниже диапазона измерений
- 13115 Датчик температуры нагнетаемого воздуха 2 имеет
- 13116 Датчик температуры нагнетаемого воздуха 2 имеет
- 13215 Датчик температуры рециркулирующих ОГ имеет
- 13216 Датчик температуры рециркулирующих ОГ имеет
- 13332 Значение датчика температуры рециркулирующих ОГ вне заданного диапазона.
- 04024 Внутренняя ошибка в блоке управления
- 14034 Внутренняя ошибка в блоке управления
- 14035 Внутренняя ошибка в блоке управления
- 14036 Внутренняя ошибка в блоке управления
- 04037 Внутренняя ошибка в блоке управления
- 04038 Внутренняя ошибка в блоке управления
- 14039 Управление стартером (выходной каскад) неисправно
- 04040 Внутренняя ошибка в блоке управления
- 14041 Внутренняя ошибка в блоке управления
- 04047 Внутренняя ошибка в блоке управления
- 04048 Внутренняя ошибка в блоке управления
- 14049 Недействительное параметрирование пропорциональных клапанов
- 04050 Внутренняя ошибка в блоке управления
- 04051 Внутренняя ошибка в блоке управления
- 14052 Внутренняя ошибка в блоке управления
- 24053 Внутренняя ошибка в блоке управления
- 14054 Внутренняя ошибка в блоке управления
- 04056 Внутренняя ошибка в блоке управления
- 14058 С пакетом данных в блоке управления MR система управления двигателем (PLD) были проведены манипуляции.
- 14149 Моторный тормоз параметрирован неправильно.
- 24805 ТНВД цилиндра 1 ряда имеет
- 24806 Обратная связь ТНВД цилиндров 1 ряда имеет
- 24905 ТНВД цилиндра 2 ряда имеет
- 24906 Обратная связь ТНВД цилиндров 2 ряда имеет
- 15026 ТНВД цилиндра 1: отсутствует открытие клапана
- 15027 ТНВД цилиндра 1: неисправность активации
- 25028 ТНВД цилиндра 1: замыкание
- 15126 ТНВД цилиндра 2: отсутствует открытие клапана
- 15127 ТНВД цилиндра 2: неисправность активации
- 25128 ТНВД цилиндра 2: замыкание
- 15226 ТНВД цилиндра 3: отсутствует открытие клапана
- 15227 ТНВД цилиндра 3: неисправность активации
- 25228 ТНВД цилиндра 3: замыкание
- 15326 ТНВД цилиндра 4: отсутствует открытие клапана
- 15327 ТНВД цилиндра 4: неисправность активации
- 25328 ТНВД цилиндра 4: замыкание
- 15426 ТНВД цилиндра 5: отсутствует открытие клапана
- 15427 ТНВД цилиндра 5: неисправность активации
- 25428 ТНВД цилиндра 5: замыкание
- 15526 ТНВД цилиндра 6: отсутствует открытие клапана
- 15527 ТНВД цилиндра 6: неисправность активации
- 25528 ТНВД цилиндра 6: замыкание
- 16409 Нагревательный фланец имеет
- 06506 Диагностический провод маслоотделителя имеет
- 06564 Диагностический провод маслоотделителя имеет
- 16678 Клапан рециркуляции ОГ неисправен.
- 16679 Разница температур между выхлопными газами и охлаждающей жидкостью недостоверна.
- 17006 Электромагнитный клапан 1: регулировка турбонагнетателя
- 17007 Пропорциональный клапан 1 имеет
- 17009 Электромагнитный клапан 1: регулировка турбонагнетателя
- 17106 Электромагнитный клапан 3: привод вентилятора
- 17107 Пропорциональный клапан 3 имеет
- 17109 Электромагнитный клапан 3: привод вентилятора
- 17112 Электромагнитный клапан 3: привод вентилятора, нет числа оборотов вентилятора
- 17206 Электромагнитный клапан 4: механический нагнетатель
- 17207 Пропорциональный клапан 4 имеет
- 17209 Электромагнитный клапан 4: механический нагнетатель
- 17305 Электромагнитный клапан 2: постоянный дроссель, гидравлический
- 17306 Электромагнитный клапан 2: постоянный дроссель, гидравлический
- 17307 Пропорциональный клапан 2 имеет
- 17309 Пропорциональный клапан 2 имеет
- 17317 Электромагнитный клапан 2: постоянный дроссель, гидравлический (Значение тока недостоверно)
- 17405 Пропорциональный клапан 5 имеет
- 17408 Пропорциональный клапан 5 имеет
- 07542 Повышенное напряжение аккумуляторной батареи
- 07543 Пониженное напряжение аккумуляторной батареи
- 17609 Пропорциональный клапан 6 имеет
- 17705 Пропорциональный клапан 1 ряда имеет
- 17708 Пропорциональный клапан 1 ряда имеет
- 17805 Пропорциональный клапан 2 ряда имеет
- 17808 Пропорциональный клапан 2 ряда имеет
- 18005 Клемма 50 на реле управления
- 18008 Клемма 50 на реле управления
- 18009 Клемма 50 на реле управления
- 18033 Неисправно реле управления
- 18039 Управление стартером (выходной каскад) неисправно
- 18086 Зацепление стартера отсутствует
- 09044 ТНВД 1 цилиндра: регулировка плавности работы двигателя на холостом ходу в зоне ограничения
- 09045 ТНВД 1 цилиндра: коррекция по отдельным цилиндрам в зоне ограничения
- 09144 ТНВД 2 цилиндра: регулировка плавности работы двигателя на холостом ходу в зоне ограничения
- 09145 ТНВД 2 цилиндра: коррекция по отдельным цилиндрам в зоне ограничения
- 09244 ТНВД 3 цилиндра: регулировка плавности работы двигателя на холостом ходу в зоне ограничения
- 09245 ТНВД 3 цилиндра: коррекция по отдельным цилиндрам в зоне ограничения
- 09344 ТНВД 4 цилиндра: регулировка плавности работы двигателя на холостом ходу в зоне ограничения
- 09345 ТНВД 4 цилиндра: коррекция по отдельным цилиндрам в зоне ограничения
- 09444 ТНВД 5 цилиндра: регулировка плавности работы двигателя на холостом ходу в зоне ограничения
- 09445 ТНВД 5 цилиндра: коррекция по отдельным цилиндрам в зоне ограничения
- 09544 ТНВД 6 цилиндра: регулировка плавности работы двигателя на холостом ходу в зоне ограничения
- 09545 ТНВД 6 цилиндра: коррекция по отдельным цилиндрам в зоне ограничения
- 09846 Сбой коррекции по отдельным цилиндрам
- 19960 Слишком много ключей
- 19961 Активирована защитная функция иммобилайзера, блок управления MR система управления двигателем заблокирован
- 19962 Иммобилайзер в блоке управления MR система управления двигателем активирован
- 19963 На шине данных CAN двигателя отсутствует код транспондера
- 19964 На клемме 50 отсутствует код транспондера
- 29965 Неправильный транспондерный ключ
- 04263 Сигнал датчика температуры Турбонагнетатель недостоверен.
- 04271 Обрыв автоматической проверки компрессии
- 04272 Обрыв автоматической проверки компрессии
NR
- 00160 Шина CAN IES: шина CAN выключена OFF

Легенда к иллюстрации:
- А14 : Блок управления NR Система регулирования уровня кузова
- Х1(А14) : Штекерное соединение на блоке управления NR
- XI : Штекерное соединение на точке звезды шины CAN а/м
Возможные причины неисправности:
- Провод Х1(А14) 15/1 - XI 18/15 имеет замыкание на минус или плюс
- Провод Х1(А14) 15/3 - XI 18/13 имеет замыкание на минус или плюс
- Неисправна точка звезды CAN Z1.
Указание:
- Заданное значение на конструктивном узле Z1 составляет 54-66 Ом.
- 00168 Шина CAN IES: ошибка достоверности и таймаут блока управления FMR.
- 11010 Внутренняя ошибка в блоке управления
- 11012 Блок управления: контрольная сумма специфических данных ЭБУ
- 11013 Блок управления: контрольная сумма параметров
- 11014 Неправильная контрольная сумма калибровочных данных датчиков перемещения.
- 11015 Неправильная контрольная сумма калибровочных данных датчиков давления.
- 11016 Неправильная контрольная сумма калибровочных данных нагрузки на оси.
- 11017 Неправильная контрольная сумма допустимых нагрузок на оси.
- 11101 Повышенное напряжение на клемме 30
- 11102 Пониженное напряжение на клемме 30
- 13020 Электромагнитный клапан 3/2 подачи воздуха
- 13021 Электромагнитный клапан 3/2 подачи воздуха
- 13022 Электромагнитный клапан 3/2 подачи воздуха
- 13120 Левый электромагнитный клапан 2/2 ведущего моста
- 13121 Левый электромагнитный клапан 2/2 ведущего моста
- 13122 Левый электромагнитный клапан 2/2 ведущего моста
- 13220 Правый электромагнитный клапан 2/2 ведущего моста
- 13221 Правый электромагнитный клапан 2/2 ведущего моста
- 13222 Правый электромагнитный клапан 2/2 ведущего моста
- 13320 Электромагнитный клапан 3/3 3-го моста на опускание
- 13321 Электромагнитный клапан 3/3 3-го моста на опускание
- 13322 Электромагнитный клапан 3/3 3-го моста на опускание
- 13420 Электромагнитный клапан 3/3 3-го моста на поднятие
- 13421 Электромагнитный клапан 3/3 3-го моста на поднятие
- 13422 Электромагнитный клапан 3/3 3-го моста на поднятие
- 13520 Электромагнитный клапан 2/2 переднего моста
- 13521 Электромагнитный клапан 2/2 переднего моста
- 13522 Электромагнитный клапан 2/2 переднего моста
- 13620 Электромагнитный клапан обратная связь
- 13621 Электромагнитный клапан обратная связь
- 13622 Электромагнитный клапан обратная связь
- 14040 Левый датчик перемещения ведущего моста:
- 14041 Левый датчик перемещения ведущего моста:
- 14042 Левый датчик перемещения ведущего моста:
- 14043 Левый датчик перемещения ведущего моста: неисправность номинального сопротивления катушки
- 14140 TПравый датчик перемещения ведущего моста:
- 14141 Правый датчик перемещения ведущего моста:
- 14142 Правый датчик перемещения ведущего моста:
- 14143 Правый датчик перемещения ведущего моста: неисправность номинального сопротивления катушки
- 14240 Датчик перемещения переднего моста
- 14241 Датчик перемещения переднего моста
- 14242 Датчик перемещения переднего моста
- 14243 Датчик перемещения переднего моста: неисправность номинального сопротивления катушки
- 15040 Левый датчик давления ведущего моста:
- 15041 Левый датчик давления ведущего моста:
- 15042 Левый датчик давления ведущего моста:
- 15141 Правый датчик давления ведущего моста:
- 15142 Правый датчик давления ведущего моста:
- 15240 Датчик давления переднего моста
- 15241 Датчик давления переднего моста
- 15242 Датчик давления переднего моста
- 15340 Датчик давления + UB
- 15341 Датчик давления + UB
- 15342 Датчик давления + UB
PSM
- 10160 Нарушение связи на шине CAN а/м

Легенда к иллюстрации:
- А22: Блок управления PSM параметрируемый спецмодуль
- Z1: Точка звезды шины CAN а/м
Возможные причины неисправности:
- Неисправна точка звезды Z1 шины CAN а/м.
- Неисправен провод ХЗ 9/4 к точке звезды 11.
- Неисправен провод ХЗ 9/6 к точке звезды 11.
Указание:
- ХЗ 9/4 <--> ХЗ 9/6 - Заданное значение: 50-70 Ом
- 10165 Нарушение связи с блоком управления ABS антиблокировочная система или BS управление тормозной системой
- 10167 Нарушение связи с блоком управления GS управление переключением передач
- 10168 Нарушение связи с блоком управления FR система управления движением
- 10169 Нарушение связи с^блоком управления INS комбинация приборов
- 10275 Неисправен провод CAN-H шины CAN кузова
- 10276 Неисправен провод CAN-^шины CAN кузова
- 10375 Неисправен провод CAN-H шины CAN прицепа
- 10376 Неисправен провод CAN-^шины CAN прицепа
- 11010 Внутренняя ошибка в блоке управления
- 11011 Внутренняя ошибка в блоке управления
- 11012 Ошибка параметрирования в блоке управления
- 11100 Повышенное напряжение на клемме 30
- 11102 Пониженное напряжение на клемме 30
- 11200 Повышенное напряжение на клемме 15
- 11202 Пониженное напряжение на клемме 15
- 12020 Цифровой выход 1 имеет
- 12021 Цифровой выход 1 имеет
- 12120 Цифровой выход 2 имеет
- 12121 Цифровой выход 2 имеет
- 12220 Цифровой выход 3 имеет
- 12221 Цифровой выход 3 имеет
- 12222 Недостоверная активация электромагнитного клапана на цифровом выходе 3
- 12320 Цифровой выход 4 имеет
- 12321 Цифровой выход 4 имеет
- 12420 Цифровой выход 5 имеет
- 12421 Цифровой выход 5 имеет
- 12422 Недостоверная активация электромагнитного клапана на цифровом выходе 5
- 12520 Цифровой выход 6 имеет
- 12521 Цифровой выход 6 имеет
- 12522 Недостоверная активация электромагнитного клапана на цифровом выходе 6
- 13020 Выход 'Сигнал числа оборотов коленвала двигателя' имеет
- 13021 Выход 'Сигнал числа оборотов коленвала двигателя' имеет
- 13120 Выход 'Сигнал скорости' имеет
- 13121 Выход 'Сигнал скорости' имеет
- 13220 Выход 'Сигнал заданного значения момента двигателя' имеет
- 13221 Выход 'Сигнал заданного значения момента двигателя' имеет
- 14040 Сигнальный провод датчика ручного газа имеет
- 14041 Сигнальный провод датчика ручного газа имеет
- 14042 Сигнальный провод датчика ручного газа имеет
- 14043 Замыкание между сигнальным проводом и плюсовым проводом питания ручного газа
- 14141 Цифровой вход 1 имеет
- 14142 Цифровой вход 1 имеет
- 14241 Цифровой вход 2 имеет
- 14242 Цифровой вход 2 имеет
- 14341 Цифровой вход 3 имеет
- 14342 Цифровой вход 3 имеет
- 14441 Цифровой вход 4 имеет
- 14442 Цифровой вход 4 имеет
- 14541 Цифровой вход 5 имеет
- 14542 Цифровой вход 5 имеет
- 14641 Цифровой вход 6 имеет
- 14642 Цифровой вход 6 имеет
- 15080 Функция защиты для механизмов отбора мощности была преодолена вручную.
RS
- 10110 Неисправна шина CAN а/м

Легенда к иллюстрации:
- А20: Блок управления RS управление тормозом-замедлителем (ретардером)
- Z1: Точка звезды CAN на консоли
Возможные причины неисправности:
- Провод А20 XI 18/3 - Z1 Х2 18/7 имеет обрыв
- Провод А20 XI 18/1 - Z1 Х2 18/9 имеет обрыв
- Неисправна точка звезды CAN Z1 на консоли.
Указание:
- Z1: Значение сопротивления точки звезды CAN (CAN-high <-> CAN-low): 5 4 -6 6 Ом
- Провода CAN к другим блокам управления на шине CAN а/м также проверить на замыкание с плюсом или на минус.
- 10113 Разъём CAN от блока управления RS или точки звезды CAN: нарушена связь
- 10211 Неправильное сообщение по CAN (ABS/BS).
- 10212 Отсутствует сообщение по CAN от блока управления ABS/BS.
- 10311 Неправильное сообщение по CAN (FR).
- 10312 Отсутствует сообщение по CAN от блока управления FR.
- 10511 Неправильное сообщение по CAN (GS).
- 10512 Отсутствует сообщение по CAN от блока управления GS.
- 10612 Отсутствует сообщение по CAN от блока управления FR.
- 10711 Неправильное сообщение по CAN (INS).
- 10712 Отсутствует сообщение по CAN от блока управления INS.
- 10820 Внутренняя ошибка в блоке управления
- 10902 Пониженное напряжение на клемме 30
- 11001 Повышенное напряжение на клемме 15
- 11002 Пониженное напряжение на клемме 15
- 01105 Рычаг задействования 'Управление
- двигателем/тормозом-замедлителем'
- 01140 Недостоверный вид сигнала рычага задействования 'Управление двигателем/тормозом-замедлителем'.
- 11330 На выходах пропорционального клапана имеется или пробой выходного каскада в блоке управления.
- 11331 На выходах пропорционального клапана имеется или обрыв выходного каскада в блоке управления.
- 11332 Обрыв выходного каскада на выходе пропорционального клапана
- 11507 Датчик температуры охлаждающей жидкости
- 11541 Датчик температуры охлаждающей жидкости
- 11607 Датчик температуры масла тормоза-замедлителя (ретардера)
- 11641 Датчик температуры масла тормоза-замедлителя (ретардера)
SIL
- 10100 Слишком высокое напряжение питания блока управления (повышенное напряжение).

Легенда к иллюстрации:
-10: Генератор
Возможные причины неисправности:
- Генератор или регулятор неисправен
- 10101 Слишком малое напряжение питания блока управления (пониженное напряжение).
- 10202 Напряжение питания клапанов имеет
- 10203 Напряжение питания клапанов имеет
- 10208 Напряжение питания клапанов имеет внешнее напряжение.
- 10306 Ветвь притока воздуха неисправна.
- 10406 Ветвь оттока воздуха неисправна.
- 11000 Напряжение потенциометра 'Установка положения по высоте' слишком велико.
- 11001 Напряжение потенциометра 'Установка положения по высоте' слишком мало.
- 12002 Панель управления имеет
- 12004 Панель управления задействована постоянно.
- 12005 На панели управления задействованы несколько элементов.
- 12007 Панель управления имеет ошибка передачи.
- 14002 Спускной клапан имеет
- 14003 Спускной клапан имеет
- 14009 Электромагнитный клапан 'Опорожнить' имеет замыкание или
- 14010 Клапан 'Опорожнить' перемкнут с клапаном 'Надуть'.
- 14102 Клапан 'Надуть' имеет
- 14103 Клапан 'Надуть' имеет
- 14109 Электромагнитный клапан 'Надуть' имеет замыкание или
- 14111 Клапан 'Надуть' перемкнут с клапаном 'Опорожнить'.
- 14203 Клапан 'Перемещающийся упор высоты' имеет
- 14209 Электромагнитный клапан 'Перемещающийся упор высоты' имеет замыкание или
- 17014 Внутренняя неисправность блока управления
- 17114 Неправильное отношение минимальной высоты к максимальной высоте.
- 17214 Заданная высота неверна.
- 11014 Напряжение потенциометра 'Установка положения по высоте' неверно.
SIR
- 10100 Слишком высокое напряжение питания блока управления (повышенное напряжение).

Легенда к иллюстрации:
-10: Генератор
Возможные причины неисправности:
- Генератор или регулятор неисправен
- 10101 Слишком малое напряжение питания блока управления (пониженное напряжение).
- 10202 Напряжение питания клапанов имеет
- 10203 Напряжение питания клапанов имеет
- 10208 Напряжение питания клапанов имеет внешнее напряжение.
- 10306 Ветвь притока воздуха неисправна.
- 10406 Ветвь оттока воздуха неисправна.
- 11000 Напряжение потенциометра 'Установка положения по высоте' слишком велико.
- 11001 Напряжение потенциометра 'Установка положения по высоте' слишком мало.
- 12002 Панель управления имеет
- 12004 Панель управления задействована постоянно.
- 12005 На панели управления задействованы несколько элементов.
- 12007 Панель управления имеет ошибка передачи.
- 14002 Спускной клапан имеет
- 14003 Спускной клапан имеет
- 14009 Электромагнитный клапан 'Опорожнить' имеет замыкание или
- 14010 Клапан 'Опорожнить' перемкнут с клапаном 'Надуть'.
- 14102 Клапан 'Надуть' имеет
- 14103 Клапан 'Надуть' имеет
- 14109 Электромагнитный клапан 'Надуть' имеет замыкание или
- 14111 Клапан 'Надуть' перемкнут с клапаном 'Опорожнить'.
- 14203 Клапан 'Перемещающийся упор высоты' имеет
- 14209 Электромагнитный клапан 'Перемещающийся упор высоты' имеет замыкание или
- 17014 Внутренняя неисправность блока управления
- 17114 Неправильное отношение минимальной высоты к максимальной высоте.
- 17214 Заданная высота неверна.
- 11014 Напряжение потенциометра 'Установка положения по высоте' неверно.
TCO
- 10004 Обрыв электропитания

Легенда к иллюстрации:
- PI: МТСО модульный тахограф
- Р2: INS комбинация приборов
- А7: Базовый модуль
- А40: SRS система удержания пассажиров
- Х124.1: Штекерное соединение 'Крыша' со стороны водителя
- Х4.1: Штекерное соединение 'Кабина водителя-шасси'
- XD.31.2: Место спайки проводов 'кл. 31'
- U36: Только на а/м GGVS
Возможные причины неисправности:
- Неплотный контакт электропитания
- Пониженное напряжение аккумуляторной батареи
Указание:
- Проверить провода и штекерные соединения между Базовый модуль(А7) и блоком управления МТСО модульный тахограф на предмет коррозии, неплотного контакта и повреждения.
- Проверить провод массы.
- 11000 Неисправность CAN
- 11100 Неисправность CAN
- 11200 Внутренняя ошибка
- 11400 Калибровка тахографа неверна.
- 11500 Неисправность в панели управления
- 11600 Неисправность в панели управления
- 11704 Связь по шине CAN с INS комбинация приборов отсутствует
- 13408 Неисправность датчика скорости
- 13504 Неисправность датчика скорости
- 14804 Неисправность выхода скорости
- 18000 Поездка без тахограммы
- 18100 Тахограмма водителя 1 отсутствует.
- 18200 Тахограмма водителя 2 отсутствует.
- 18300 Синхронизация не может быть запущена.
- 19600 Функционирование выдвижного отделения нарушено.
- 19700 Неисправность регистрации скорости
- 19800 Неисправность в системе записи
- 19900 Неисправность в системе записи
- 19000 Позиционирование тахограмм нарушено.
WS
- 00122 Перегрузка шины CAN
Код неисправности может возникать только как сохранённый.
Игнорировать код неисправности, если он всё-таки возникает.
- 00123 Функциональный отказ шины данных CAN
- 10132_Данные жизненного цикла блока управления WS система техобслуживания неверны.
- 10133 Неправильный параметр блока управления WS система техобслуживания
- 10135 Внутренняя ошибка в блоке управления
- 00138 Внутренняя ошибка в блоке управления
- 00139 Внутренняя ошибка в блоке управления
- 00150 Таймаут приёма по CAN данных блока управления ABS антиблокировочная система
- 00151 Таймаут приёма по CAN данных блока управления GS управление переключением передач
- 00152 Таймаут приёма по CAN данных блока управления FR система управления движением
- 00153 Таймаут приёма по CAN данных блока управления MR система управления двигателем
- 00154 Таймаут приёма по CAN данных блока управления RS управление тормозом-замедлителем (ретардером)
- 00155 Таймаут приёма по CAN данных блока управления FR система управления движением
- 00156 Таймаут приёма по CAN данных блока управления MR система управления двигателем
- 00157 Таймаут приёма по CAN данных блока управления INS комбинация приборов
- 00158 Таймаут приёма по CAN данных блока управления BS управление тормозной системой
- 00159 Таймаут приёма по CAN данных блока управления GS управление переключением передач
- 00201 Датчик температуры масла КП имеет неисправность
- 00202 Превышен диапазон измерений датчика температуры масла КГТ
- 00205 Измеренное значение датчика температуры масла КП недостоверно.
- 00210 Превышена максимально допустимая температура масла КГТ
- 00301 Датчик температуры раздаточной коробки имеет неисправность .
- 00302 Превышен диапазон измерений датчика температуры раздаточной коробки.
- 00305 Измеренное значение датчика температуры раздаточной коробки недостоверно.
- 00310 Превышена максимально допустимая температура масла раздаточной коробки.
- 00401 Датчик температуры переднего моста имеет неисправность
- 00402 Превышен диапазон измерений датчика температуры переднего моста.
- 00405 Измеренное значение датчика температуры переднего моста недостоверно.
- 00410 Превышена максимально допустимая температура масла редуктора переднего моста.
- 00501 Датчик температуры заднего моста имеет неисправность
- 00502 Превышен диапазон измерений датчика температуры заднего моста.
- 00505 Измеренное значение датчика температуры заднего моста недостоверно.
- 00510 Превышена максимально допустимая температура масла редуктора заднего моста.
- 10601 Датчик конденсата имеет неисправность
- 10604 Датчик конденсата имеет неисправность
- 10605 Недостоверное измеренное значение датчика конденсата.
- 11011 Слишком большая разница износа тормозных колодок между тормозами 1-го переднего моста.
- 11012 Слишком большая разница износа тормозных колодок между 1-ым передним мостом и другими мостами.
- 11111 Слишком большая разница износа тормозных колодок между тормозами 2-го переднего моста.
- 11112 Слишком большая разница износа тормозных колодок между 2-ым передним мостом и другими мостами.
- 11211 Слишком большая разница износа тормозных колодок между тормозами 1-го заднего моста.
- 11212 Слишком большая разница износа тормозных колодок между 1-ым задним мостом и другими мостами.
- 11311 Слишком большая разница износа тормозных колодок между тормозами 2-го заднего моста.
- 11312 Слишком большая разница износа тормозных колодок между 2-ым задним мостом и другими мостами.
- 11401 Замыкание сигнального провода левого датчика износа тормозных колодок 1-го переднего моста.
- 11402 Измеренное значение износа тормозных колодок 1-го переднего моста слева выше диапазона измерений.
- 11403 Измеренное значение износа тормозных колодок 1-го переднего моста слева ниже диапазона измерений.
- 11404 Обрыв сигнального провода левого датчика износа тормозных колодок 1-го переднего моста.
- 11420 Выход из строя сигнала по CAN износа тормозных колодок 1-го переднего моста слева
- 11501 Замыкание сигнального провода правого датчика износа тормозных колодок 1-го переднего моста.
- 11502 Измеренное значение износа тормозных колодок 1-го переднего моста справа выше диапазона измерений.
- 11503 Измеренное значение износа тормозных колодок 1-го переднего моста справа ниже диапазона измерений.
- 11504 Обрыв сигнального провода правого датчика износа тормозных колодок 1-го переднего моста.
- 11520 Выход из строя сигнала по CAN износа тормозных колодок 1-го переднего моста справа
- 11601 Замыкание сигнального провода левого датчика износа тормозных колодок 2-го переднего моста.
- 11602 Измеренное значение износа тормозных колодок 2-го переднего моста слева выше диапазона измерений.
- 11603 Измеренное значение износа тормозных колодок 2-го переднего моста слева ниже диапазона измерений.
- 11604 Обрыв сигнального провода левого датчика износа тормозных колодок 2-го переднего моста.
- 11620 Выход из строя сигнала по CAN износа тормозных колодок 2-го переднего моста слева
- 11701 Замыкание сигнального провода правого датчика износа тормозных колодок 2-го переднего моста.
- 11702 Измеренное значение износа тормозных колодок 2-го переднего моста справа выше диапазона измерений.
- 11703 Измеренное значение износа тормозных колодок 2-го переднего моста справа ниже диапазона измерений.
- 11704 Обрыв сигнального провода правого датчика износа тормозных колодок 2-го переднего моста.
- 11720 Выход из строя сигнала по CAN износа тормозных колодок 2-го переднего моста справа
- 11801 Замыкание сигнального провода левого датчика износа тормозных колодок 1-го заднего моста.
- 11802 Измеренное значение износа тормозных колодок 1-го заднего моста слева выше диапазона измерений.
- 11803 Измеренное значение износа тормозных колодок 1-го заднего моста слева ниже диапазона измерений.
- 11804 Обрыв сигнального провода левого датчика износа тормозных колодок 1-го заднего моста.
- 11820 Выход из строя сигнала по CAN износа тормозных колодок 1-го заднего моста слева
- 11901 Замыкание сигнального провода правого датчика износа тормозных колодок 1-го заднего моста.
- 11902 Измеренное значение износа тормозных колодок 1-го заднего моста справа выше диапазона измерений.
- 11903 Измеренное значение износа тормозных колодок 1-го заднего моста справа ниже диапазона измерений.
- 11904 Обрыв сигнального провода правого датчика износа тормозных колодок 1-го заднего моста.
- 11920 Выход из строя сигнала по CAN износа тормозных колодок 1-го заднего моста справа
- 12001 Замыкание сигнального провода левого датчика износа тормозных колодок 2-го заднего моста.
- 12002 Измеренное значение износа тормозных колодок 2-го заднего моста слева выше диапазона измерений.
- 12003 Измеренное значение износа тормозных колодок 2-го заднего моста слева ниже диапазона измерений.
- 12004 Обрыв сигнального провода левого датчика износа тормозных колодок 2-го заднего моста.
- 12020 Выход из строя сигнала по CAN износа тормозных колодок 2-го заднего моста слева
- 12101 Замыкание сигнального провода правого датчика износа тормозных колодок 2-го заднего моста.
- 12102 Измеренное значение износа тормозных колодок 2-го заднего моста справа выше диапазона измерений.
- 12103 Измеренное значение износа тормозных колодок 2-го заднего моста справа ниже диапазона измерений.
- 12104 Обрыв сигнального провода правого датчика износа тормозных колодок 2-го заднего моста.
- 12120 Выход из строя сигнала по CAN износа тормозных колодок 2-го заднего моста справа
- 02205 Недостоверное измеренное значение (сигнал пути) тахографа.
- 03105 Сигнал скорости СЗ недостоверен.
- 03120 Выход из строя сигнала скорости СЗ по CAN
- 03220 Выход из строя сигнала числа оборотов по CAN
- 03320 Выход из строя сигнала заданного значения момента двигателя по CAN
- 03420 Выход из строя сигнала по CAN измеренного значения температуры наружного воздуха
- 03520 Выход из строя сигнала по CAN измеренного значения загрязнение воздушного фильтра
- 04105 Недостоверное измеренное значение температуры масла в тормозе-замедлителе (ретардере).
- 04110 Превышена максимально допустимая температура масла в тормозе-замедлителе (ретардере).
- 04120 Выход из строя сигнала по CAN измеренного значения температуры масла в тормозе-замедлителе (ретардере)
- 05105 Недостоверное измеренное значение температуры масла в двигателе.
- 05110 Превышена максимально допустимая температура масла в двигателе.
- 05113 Неправильная вязкость моторного масла.
- 05120 Выход из строя сигнала по CAN измеренного значения температуры масла в двигателе
- 05205 Недостоверное измеренное значение температуры охлаждающей жидкости.
- 05210 Превышена максимально допустимая температура охлаждающей жидкости.
- 05220 Выход из строя сигнала по CAN измеренного значения температуры охлаждающей жидкости
- 05320 Выход из строя сигнала по CAN измеренного значения расход топлива
- 07120 Выход из строя сигнала по CAN действительного значения сцепления
ZHE
- 00000 Неисправность блока управления

Легенда к иллюстрации:
- 6: Блок управления ZHE дополнительное отопление
Указание:
- Заменить блок управления ZHE дополнительное отопление.
- 00100 Дополнительный отопитель не запускается.
- 00200 Возникло повторное затухание пламени.
- 00302 Пониженное напряжение
- 00301 Повышенное напряжение
- 00400 Преждевременное распознавание пламени
- 00502 Обрыв датчика пламени
- 00501 Замыкание датчика пламени
- 00602 Обрыв датчика температуры
- 00601 Замыкание датчика температуры
- 00702 Обрыв дозирующего насоса
- 00701 Замыкание дозирующего насоса
- 00802 Обрыв электромотора вентилятора
- 00801 Замыкание электромотора вентилятора
- 00803^Неправильное число оборотов электромотора вентилятора
- 00902 Обрыв свечи накаливания
- 00901 Замыкание свечи накаливания
- 01000 Перегрев дополнительного отопителя
- 01202 Обрыв датчика заданного значения
- 01201 Замыкание датчика заданного значения
- ОООО^Неисправность блока управления, внутренний датчик температуры
- 00104 Блокировка после безуспешного запуска
- 01004 Блокировка после перегрева
- 01302 Обрыв датчика перегрева
- 01301 Замыкание датчика перегрева
- 01303 Датчик перегрева вне допуска.
- 01501 Замыкание в цепи внешних компонентов
ZV
- 11010 Внутренняя ошибка в блоке управления

Легенда к иллюстрации:
- А31: Дополнительный воздушный отопитель
- М16: Топливный насос-дозатор
- Распределение штекеров по клавише F6
Указание:
- Перемкнуть контакты в штекере Топливный насос-дозатор.
- Если код неисправности 00702 удалился, заменить Топливный насос-дозатор.
- Перемкнуть контакт 18/8 и контакт 18/9 на штекере дополнительного отопителя.
- Если код неисправности 00702 удалился, провод А31 XI 18/8 - М16 или провод А31 XI 18/9 - М16 имеет обрыв.
- 11102 Клемма 30: пониженное напряжение
- 12021 Подводящий провод к FB-интерфейсу имеет (достоверность при передаче).
- 12221 Подводящий провод выхода GGVS имеет
- 12222 Подводящий провод выхода GGVS имеет
- 13021 Подводящий провод к исполнительному элементу 'М+' водительской двери имеет
- 13022 Подводящий провод к исполнительному элементу 'М+' водительской двери имеет
- 13121 Подводящий провод к исполнительному элементу 'М-' (внутрисалонное освещение) двери водителя или переднего пассажира имеет
- 13122 Подводящий провод к исполнительному элементу 'М-' (внутрисалонное освещение) двери водителя или переднего пассажира имеет
- 13221 Подводящий провод к исполнительному элементу 'М+' двери переднего пассажира имеет
- 13222 Подводящий провод к исполнительному элементу 'М+' двери переднего пассажира имеет
- 13321 Подводящий провод к внутрисалонной клавише 'Заблокировать' имеет
- 13322 Неизвестный код неисправности Неизвестный тип неисправности: 0