TATA MAXIMUS DV11K LHD
(электрические схемы)

GENERAL DESCRIPTIONS
1. ELECTRIC CIRCUIT DIAGRAM
1-1. HOW TO USE CIRCUIT DIAGRAM
1-2. POWER SUPPLY NUMBER
1-3. COLOR SYMBOLS FOR WIRING
1-4. HOW TO KNOW CONNECTOR PIN NUMBER
2. LOCATIONS OF ELECTRICAL HARNESS
2-1. ROOF HARNESS
2-2. DASH HARNESS
2-3. DOOR HARNESS
2-4. FRAME HARNESS
3. LOCATIONS OF ELECTRICAL PARTS
3-1. DASH HARNESS
3-2. FRAME HARNESS
4. LOCATIONS OF GROUND CONNECTIONS
4-1. DASH HARNESS
4-2. FRAME HARNESS
5. FUSE AND RELAY LAYOUT
5-1. FUSE BOX(C.E BOX)
5-2. AUX. FUSE COX
6. CONNECTOR CONDITION
6-1. DASH HARNESS
6-2. FRAME HARNESS
6-3. DOOR/ROOF/ENGINE/TRANSMISSION HARNESS
This manual has been perpared with the assistance of service and engineering specialists to provice you, TATA DAEWOO heavy commercial vehicle mechanics, with the information on the electrical equipment of TATA DAEWOO heavy duty trucks. We like to assure you that you will be acquainted with more suitable maintenance techniques. It contains a variety of illustrations and diagrams for the electrical to help you easily understand.
Utilizing adequately this manual for you maintenance operations will not only greatly relieve you from unnecessary effort but also enhance maintenance reliability.
ELECTRIC CIRCUIT DIAGRAM
1-1. HOW TO USE CIRCUIT DIAGRAM

1-2. POWER SUPPLY NUMBER
30 The battery(+) line.
15 Electric power is supplied when the starter switch is turned to the "ON" position before
the engine starts.
15A Electric power is supplied when the starter switch is turned to the "ACC" position.
15B Electric power is supplied from the starter switch "ON" relay #87
58 #58 is switched ON when the head lamp switch is ON.
1-3. COLOR SYMBOLS FOR WIRING

SYMBOL COLOR SYMBOL COLOR SYMBOL COLOR
R Red Y Yellow L Blue
B Black Lg Yellowish green V Violet
Br Brown Gr Gray O Orange
W White G Green P Pink
1-4. HOW TO KNOW CONNECTOR PIN NUMBER
1) CONNECTOR PIN FIGURE
Connector pin figure is the total hole number of the connector
2) CONNECTOR PIN NUMBER
EX) NO.4 of the 6 pin connector

2. LOCATIONS OF ELECTRICAL HARNESS
2-1. ROOF HARNESS


2-2. DASH HARNESS

3. LOCATIONS OF ELECTRICAL PARTS
3-1. DASH HARNESS
DASH BOARD

3-2. FRAME HARNESS
VEHICLE FORWARD

CIRCUIT DIAGRAM BY SYSTEMS
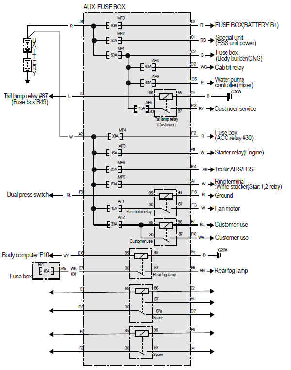
1. AUX. FUSE BOX CIRCUIT DIAGRAM
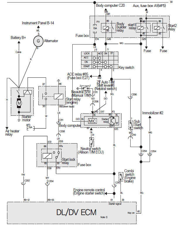
2. STARTER CIRCUIT DIAGRAM
3. COMBINATION SWITCH CIRCUIT DIAGRAM(1)
4. COMBINATION SWITCH CIRCUIT DIAGRAM(2)
5. WIPER CIRCUIT DIAGRAM
6. POWER WINDOW, AUTO MIRROR SWITCH CIRCUIT DIAGRAM
7. AUDIO CIRCUIT DIAGRAM
8. 12V CONVERT, CIGAR LIGHTER, STARTER SWITCH "ACC" CIRCUIT DIAGRAM
9. SEAT BELT, SEAT HEATER, VENTILATION SEAT, SEAT HEIGHT CONTROL, AIR
DRYER CIRCUIT DIAGRAM
10. HEATER AND AIR CONDITIONER CIRCUIT DIAGRAM
11. AUTO AIR CONDITIONER CIRCUIT DIAGRAM
12. AUTO GREASE, AUX. HEATER CIRCUIT DIAGRAM
13. CAB TILT SYSTEM CIRCUIT DIAGRAM
14. HORN, TRAILER ABS/EBS, DIRTY STORAGE LAMP CIRCUIT DIAGRAM
15. BUNK CONTROL MODULE CIRCUIT DIAGRAM
16. BUNK CONTROL MODULE(AUX.HEATER) DIAGNOSTIC CODE
17. DIAGNOSIS CONNECTOR CIRCUIT DIAGRAM
18. TACHOGRAPH CONNECTOR CIRCUIT DIAGRAM
19. METER CLUSTER CIRCUIT DIAGRAM(1)
20. METER CLUSTER CIRCUIT DIAGRAM(2)
21. METER CLUSTER EOL DATA
22. METER CLUSTER FAULT CODE
23. AIR TANK PRESSURE SENSOR, FUEL SENSOR CIRCUIT DIAGRAM
24. DIFFERENTIAL LOCK(F/R) CIRCUIT DIAGRAM
25. DIFFERENTIAL LOCK CONTROLLER CIRCUIT DIAGRAM
26. BODY COMPUTER CIRCUIT DIAGRAM(1)
27. BODY COMPUTER CIRCUIT DIAGRAM(2)
28. BODY COMPUTER CIRCUIT DIAGRAM(3)
29. BCM EOL LIST
30. BRAKE CIRCUIT DIAGRAM(STOP, ENGINE BRAKE, PARK)
31. LIGHT CIRCUIT DIAGRAM(ILLUMINATION, HEAD LAMP, FOG LAMP)
32. BACK UP, REVERSE CASTER, PRESSURE VALVE, TOWING HOOK, PUSHER
AXLE CIRCUIT DIAGRAM
33. PTO, WORKING LAMP, REAR FOG LAMP CIRCUIT DIAGRAM
34. AUTO DOOR LOCK, FOCUS LAMP, STEERING COLUMIN SWITCH CIRCUIT DIAGRAM
35. BLINK UNIT, MIRROR&FUEL HEATER CIRCUIT DIAGRAM
36. T/M BLOCKING, T/M RANGE CIRCUIT DIAGRAM
37. INHIBITOR FREQUENCY SWITCH SETTING.
38. KEYLESS ENTRY SYSTEM, DOOR SWITCH, AIR HEATER CIRCUIT DIAGRAM
39. ELECTRIC CONTROL AIR SUSPENSION CIRCUIT DIAGRAM
40. ABS/ASR ELECTRIC CIRCUIT DIAGRAM(E-VERSION)
41. ABS/ASR PRESSURE VALVE, WHEEL SPEED SENSOR CIRCUIT DIAGRAM(E-VERSION)
42. ABS FAULT CODE
43. EBS ELECTRIC CIRCUIT DIAGRAM
44. EBS PRESSURE VALVE, SPEED SENSOR CIRCUIT DIAGRAM
45. BRAKE E-MODULE CIRCUIT DIAGRAM
46. DL/DV ENGINE(1)
47. DL/DV ENGINE(2)
48. SCR MODULE CIRCUIT DIAGRAM
49. ZF AUTO TRANSMISSION CIRCUIT DIAGRAM(SHIFT LEVER)
50. ZF AUTO TRANSMISSION CIRCUIT DIAGRAM(T.C.U)
51. ZF INTARDER CIRCUIT DIAGRAM
52. IMMOBILIZER CIRCUIT DIAGRAM
53. ENGINE REMOTE CONTROL(SPECIAL UNIT) CIRCUIT DIAGRAM
54. CAN(CONTROLLER AREA NETWORK) CIRCUIT DIAGRAM
1. AUX. FUSE BOX CIRCUIT DIAGRAM

2. STARTER CIRCUIT DIAGRAM

Полные мануалы в