Электросхема MR PLD (управление двигателем) Mercedes ZETROS
Фрагмент электросхемы WSP иммобилайзер

- S1: Замок зажигания
- А42: WSP иммобилайзер
- АЗ: FR система управления движением
- Аб: MR система управления двигателем
Электропитание базового модуля

- А7: Базовый модуль
- G1: Аккумуляторная батарея
- G2: Генератор
- M1: Стартер
- S1: Замок зажигания
- Х9: Колодка клеммы 31 на кронштейне аккумуляторной батареи
- Х14: Колодка клеммы 30 на плате штекеров 'Кабина водителя - шасси'
- Х15: Колодка клеммы 31 на плате штекеров 'Кабина водителя - шасси'
Датчик температуры топлива

- Аб: Блок управления MR система управления двигателем
- N3: Штекерное соединение (55-контактное)
- В10: Датчик температуры топлива
Датчик уровня масла

- Аб: Блок управления MR система управления двигателем
- N3: Штекерное соединение (55-контактное)
- В14: Датчик уровня масла
Фрагмент электросхемы датчика положения

- Аб: Блок управления MR система управления двигателем
- N3: Штекерное соединение (55-контактное)
- В15: Датчик положения коленвала
- В16: Датчик положения распредвала
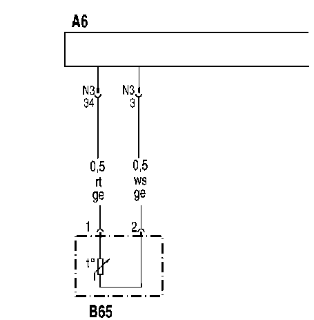
Датчик температуры охлаждающей жидкости

- Аб: Блок управления MR система управления двигателем
- N3: Штекерное соединение (55-контактное)
- В65: Датчик температуры охлаждающей жидкости
Комбинированный датчик 'Давление и температура масла'

- Аб: Блок управления MR система управления двигателем
- N3: Штекерное соединение (55-контактное)
- В110: Комбинированный датчик 'Давление и температура масла'
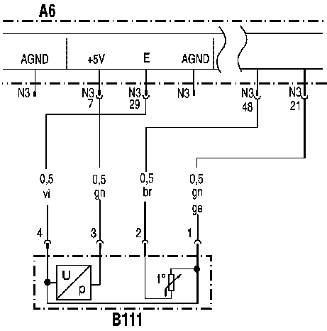
Комбинированный датчик 'Давление и температура нагнетаемого воздуха'

- Аб: Блок управления MR система управления двигателем
- N3: Штекерное соединение (55-контактное)
- B111: Комбинированный датчик 'Давление и температура нагнетаемого воздуха'
Фрагмент электросхемы электропитания блока управления MR система управления двигателем

- Аб: Блок управления MR система управления двигателем
- А7: Базовый модуль
- G1: Аккумуляторная батарея
- G2: Генератор
- N3: Штекерное соединение (55-контактное)
- XI: Штекерное соединение (15-контактное или 16-контактное)
- Х2.2: Штекерное соединение на плате штекеров 'Кабина водителя - шасси'
Указание:
- N3/18, Х1/12: На выбор в зависимости от исполнения
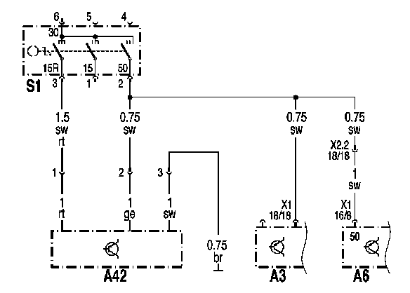
Фрагмент электросхемы стартера

- M1: Стартер
- Аб: Блок управления MR система управления двигателем
- S1: Замок зажигания
- АЗ: Блок управления FR система управления движением
- А7: Базовый модуль
- А42: WSP иммобилайзер
- G1: Аккумуляторная батарея
- G2: Генератор
- N3: Штекерное соединение (55-контактное)
- XI: Штекерное соединение (15-контактное или 16-контактное)
- Х2.2: Штекерное соединение на плате штекеров 'Кабина водителя - шасси'
Указание:
- N3/18, Х1/12: На выбор в зависимости от исполнения
Замок зажигания

- S1: Замок зажигания
- А42: Фрагмент электросхемы датчика уровня масла
- АЗ: Блок управления MR система управления двигателем
- Аб: Блок управления FR система управления движением
Кнопка пуска и остановки двигателя

- Аб: Блок управления MR система управления двигателем
- N3: Штекерное соединение (55-контактное)
- S10: Кнопка пуска двигателя
- S11: Кнопка остановки двигателя
Пропорциональный клапан 2

- Аб: Блок управления MR система управления двигателем
- N3: Штекерное соединение (55-контактное)
- Y49: Пропорциональный клапан 2: постоянный дроссель с гидравлическим приводом
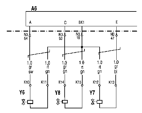
ТНВД цилиндров 1 ряда

- Аб: Блок управления MR система управления двигателем
- ВК1: Ряд 1
- К10...К15: Винтовые клеммы электромагнитных клапанов ТНВД цилиндров
- N3: Штекерное соединение (55-контактное)
- Y6...Y8: Электромагнитные клапаны ТНВД цилиндров 1...3 (на двигателе R6)
ТНВД цилиндров 2 ряда

- Аб: Блок управления MR система управления двигателем
- ВК2: Ряд 2
- К18...К21, К38, К58: Винтовые клеммы электромагнитных клапанов ТНВД цилиндров
- N3: Штекерное соединение (55-контактное)
- Y9...Y11: Электромагнитные клапаны ТНВД цилиндров 1...3 (на двигателе R6)
Шина данных CAN двигателя

- АЗ: Блок управления FR система управления движением
- Аб: Блок управления MR система управления двигателем
- XI: Штекерное соединение (16-контактное)
- Х2.2: Штекерное соединение (18-контактное)
- Х4: Штекерное соединение (18-контактное)
Указание:
- Место установки штекерного соединения Х2.2 на плате штекеров 'Кабина водителя - шасси'
Место установки: Блоки управления

- 1: FLA электрофакельный подогреватель воздуха
- 2: NR Система регулирования уровня кузова
- 3: WS система техобслуживания
- 4: HPS система гидропневматического переключения передач
- 5: FR система управления движением
- б: ABS антиблокировочная система или BS тормозное управление
- 7: PSM параметрируемый спецмодуль
Блок управления MR

- 1: Блок управления MR система управления двигателем
Замок зажигания со считывающим блоком иммобилайзера

- Замок зажигания со считывающим блоком иммобилайзера
Место установки датчика температуры топлива

- 1: Датчик температуры топлива
- 2: Штекер датчика температуры топлива
Место установки датчика уровня масла

- 1: Датчик уровня масла
Место установки датчика положения коленвала

- 1: Датчик положения коленвала
Место установки датчика положения распредвала

- 1: Датчик положения распредвала (датчик ВМТ, цилиндр 1)
Место установки датчика температуры охлаждающей жидкости

- 1: Датчик температуры охлаждающей жидкости
- 2: Корпус термостата
Место установки комбинированного датчика 'Давление и температура масла'

- 1: Комбинированный датчик 'Давление и температура масла'
Место установки комбинированного датчика 'Давление и температура нагнетаемого воздуха'

- 1: Комбинированный датчик 'Давление и температура нагнетаемого воздуха'
- 2: Штекер (4-контактный) комбинированного датчика
M1: Стартер (Реле управления , Тяговое реле

- 1: Реле управления
- 2: Выход 'Клемма 87' с тягового реле
- 3: Провод управления (клемма 50) от блока управления MR
- 4: Стартер
- 5: Клемма 30 на реле управления
- 6: Тяговое реле
- 7: Клемма 86 на реле управления
- 8: Выход 'Клемма 87' на реле управления
- 9: Вход 'Клемма 50' с реле управления
- 10: Клемма 30
Место установки кнопки пуска и остановки двигателя

- 1: Блок управления MR система управления двигателем
- 2: Кнопка остановки двигателя
- 3: Кнопка пуска двигателя
Место установки пропорционального клапана Y49

- 5: Пропорциональный клапан постоянного дросселя с гидравлическим приводом
- 1: Блок управления MR система управления двигателем
- 2: Кнопка пуска и остановки двигателя
- 3: ТНВД цилиндра
- 4: Датчик положения распредвала В16 (датчик ВМТ, цилиндр 1)
ТНВД цилиндров

- 1: ТНВД цилиндра 1
- 2: ТНВД цилиндра 2
- 3: ТНВД цилиндра 3
- 4: ТНВД цилиндра 4
- 5: ТНВД цилиндра 5
- 6: ТНВД цилиндра 6
Назначение контактов блока управления MR система управления двигателем

Назначение штекерных соединений N3 (слева) и X I (справа) на блоке управления MR система управления двигателем
a) Штекерное соединение N3
(55-контактное) (Все неуказанные контакты не заняты) :
- 1: Датчик положения распредвала В16 (датчик ВМТ, цилиндр 1) (-)
- 2: Датчик положения (угла поворота) коленчатого вала (-)
- 3: Датчик температуры охлаждающей жидкости, обратная связь
- 4: Датчик температуры топлива, обратная связь
- 6: Комбинированный датчик 'Давление и температура масла': питание
- 7: Комбинированный датчик 'Давление и температура нагнетаемого воздуха': питание
- 9: ТНВД 4, 5 и 6 цилиндров, обратная связь
- 15: Комбинированный датчик 'Давление и температура масла': обратная связь
- 16: ТНВД 1, 2 и 3 цилиндров, обратная связь
- 18: Управление стартером 'Клемма 50'
- 19: Датчик положения (угла поворота) коленчатого вала В15 (+)
- 20: Датчик положения распредвала В16 (датчик ВМТ, цилиндр 1) (+)
- 21: Комбинированный датчик 'Давление и температура нагнетаемого воздуха': обратная связь
- 25: Кнопка пуска двигателя, вход
- 29: Комбинированный датчик 'Давление и температура нагнетаемого воздуха': сигнал давления
- 30: Кнопка пуска и остановки двигателя, питание
- 32: Комбинированный датчик 'Давление и температура масла': сигнал давления
- 33: Датчик уровня масла, вход
- 34: Датчик температуры охлаждающей жидкости, сигнал
- 35: Кнопка остановки двигателя, вход
- 36: Датчик температуры топлива, сигнал
- 38: ТНВД цилиндра 4, активация
- 39: Комбинированный датчик 'Давление и температура масла': сигнал температуры
- 44: ТНВД цилиндра 6, активация
- 45: ТНВД цилиндра 5, активация
- 47: ТНВД цилиндра 2, активация
- 48: Комбинированный датчик 'Давление и температура нагнетаемого воздуха': сигнал температуры
- 49: Датчик уровня масла, обратная связь
- 50: Пропорциональный клапан 2: постоянный дроссель с гидроприводом,управление
- 52: Пропорциональный клапан 2: постоянный дроссель с гидроприводом, обратная связь
- 53: ТНВД цилиндра 3, активация
- 54: ТНВД цилиндра 1, активация
b) Штекерное соединение XI
(16-контактное) (Все неуказанные контакты не заняты.) :
- 1: CAN-H
- 2: CAN-L
- 3: CAN-GND (масса)
- 4: CAN-GND (масса)
- 5: Клемма 30
- 6: Клемма 30
- 8: Клемма 50 (вход)
- 9: Клемма 31 (масса)
- 11: Клемма 31 (масса)
- 13: Диагностический разъем ISO (провод активации контроля токсичности ОГ)
- 15: Клемма 15
Назначение контактов комбинированного датчика

- 1: Общий провод обратной связи (AGND)
- 2: Сигнал температуры
- 3: Электропитание 5 В
- 4: Сигнал давления
M1: Стартер (Реле управления , Тяговое реле)

- 1: Реле управления
- 2: Выход 'Клемма 87' с тягового реле
- 3: Провод управления (клемма 50) от блока управления MR
- 4: Стартер
- 5: Клемма 30 на реле управления
- 6: Тяговое реле
- 7: Клемма 86 на реле управления
- 8: Выход 'Клемма 87' на реле управления
- 9: Вход 'Клемма 50' с реле управления
- 10: Клемма 30