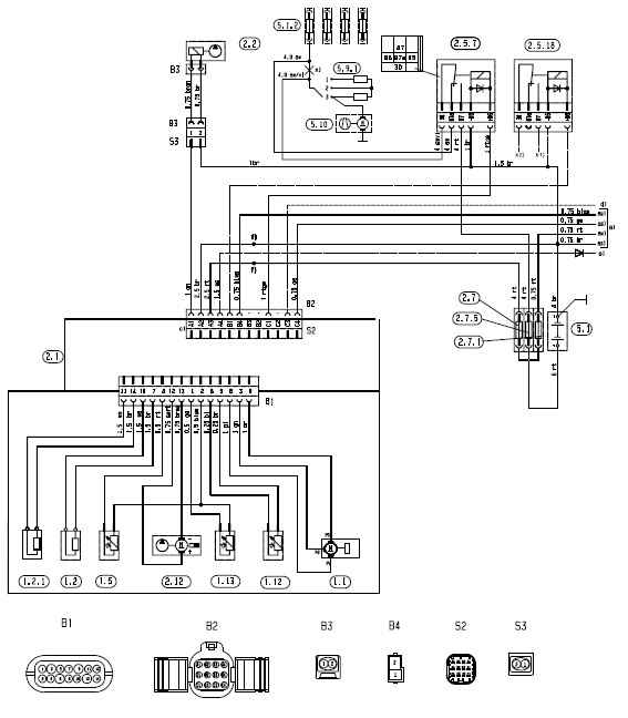
Электрические схемы Hydronic M-II
Спецификация элементов для монтажной схемы Hydronic M-II 12 / 24 В

1.1 Двигатель сгорания
1.2 Электрод накаливания 1
1.2.1 Калильный электрод 2 (опционально 12 кВт / FAME)
1.5 Датчик перегрева
1.12 Датчик горения
1.13 Температурный датчик
2.1 Блок управления
2.2 Реле для управления автомобильным вентилятором
2.5.7 Реле, вентилятор системы охлаждения автомобиля
2.5.18 Реле для управления электромагнитным клапаном в контуре циркуляции охлаждающей жидкости – опция
2.7 Главный предохранитель 12 В = 25 А 24 В = 15 А
2.7.1 Предохранитель, срабатывание на 5 A
2.7.5 Предохранитель вентилятора системы охлаждения автомобиля, 25 A
2.12 Водяной насос
5.1 Аккумулятор
5.1.2 Планка с предохранителями в автомобиле
5.9.1 Выключатель, вентилятор автомобиля
5.10 Вентилятор автомобиля
a) Разъем подключения элементов управления
a2) Диагностика
a3) Сигнал включения S+
a4) Плюсовой потенциал (+), клемма 30
a5) Минусовой потенциал (–), клемма 31
• EasyStart R+ / R / T: провод 0,75І bl/ws, 12-контактный штекер B2, используйте штырек B4
• для всех остальных элементов управления используйте провод 0,752ge, штекер B2, штырек C4
b1) Плюсовой сигнал для электромагнитного клапана
b2) (+) клемма 30 через предохранитель для реле 2.5.18
Цвета проводов
rt = красный
bl = синий
ws = белый
sw = черный
gn = зеленый
gr = серый
ge = желтый
vi = фиолетовый
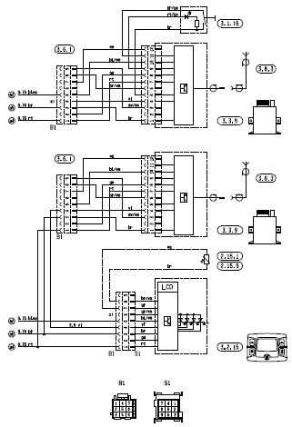
Спецификации монтажных схем Hydronic M-II – ADR – 12 В / 24 В

1.1 Двигатель сгорания
1.2 Электрод накаливания 1
1.2.1 Электрод накаливания 2
1.5 Датчик перегрева
1.12 Датчик горения
1.13 Температурный датчик
2.1 Блок управления
2.2 Дозирующий насос
2.5.7 Реле, вентилятор системы охлаждения автомобиля
2.5.18 Реле для управления электромагнитным клапаном в контуре циркуляции охлаждающей жидкости – опция
2.7 Главный предохранитель 12 В = 20 A 24 В = 15 A
2.7.1 Предохранитель срабатывания 5 A
2.7.5 Предохранитель вентилятора системы охлаждения автомобиля, 25 A
2.12 Водяной насос
3.1.2 Включатель, обогрев (длительный режим работы)
3.2.9 Часовое реле
5.1 Аккумулятор
5.1.2 Планка с предохранителями в автомобиле
5.9.1 Выключатель, вентилятор автомобиля
5.10 Вентилятор автомобиля
a) Разъем подключения элементов управления
a1) Обратный сигнал ADR
a2) Диагностика
a3) Сигнал включения S+
a4) Плюсовой потенциал (+), клемма 30
a5) Минусовой потенциал (–), клемма 31
• EasyStart R+ / R / T: провод 0,75І bl/ws, 12-контактный штекер B2, используйте штырек B4
• для всех остальных элементов управления используйте провод 0,752ge, штекер B2, штырек C4
b) Для ADR D+ (генератор)
c) Для ADR HA+ (вспомогательный привод / электропривод) плюсовое включение
d1) Плюсовой сигнал для электромагнитного клапана
d2) (+) клемма 30 через предохранитель для реле 2.5.18
Цвета проводов
rt = красный
bl = синий
ws = белый
sw = черный
gn = зеленый
gr = серый
ge = желтый
vi = фиолетовый
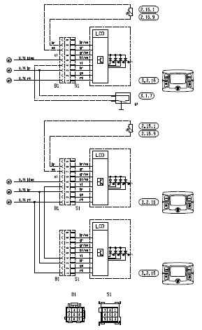
Спецификация монтажных схем элементов управления EasyStart R+ / EasyStart R / EasyStart T и EasyStart T – ADR

2.15.1 Датчик температуры внутри салона (для EasyStart R+ входит в комплект поставки для EasyStart R и EasyStart T - опция)
2.15.9 Датчик наружной температуры
3.1.7 Кнопка „ВКЛ / ВЫКЛ“
3.1.16 Кнопочный выключатель радиоуправления
3.2.15 Часовое реле EasyStart T
3.3.9 Радиоуправление EasyStart R (стационарный элемент)
3.3.10 Радиоуправление EasyStart R+ (стационарный элемент)
3.6.1 Переходный кабель
3.8.3 Антенна
c) Клемма 58 (освещение)
e) Подключение часового реле EasyStart T
g) Вынесенная кнопка „ВКЛ / ВЫКЛ“ (опция)
x) Перемычка ADR
Цветовые обозначения проводов на монтажных схемах
sw = черный
ws = белый
rt = красный
ge = желтый
gn = зеленый
vi = фиолетовый
gr = серый
bl = синий
Монтажная схема органа управления EasyStart R+

Монтажная схема органа управления EasyStart R

Монтажная схема органа управления EasyStart T

Все схемы в высоком качестве смотри в