Тренинг персонала по КП AS-Tronic lite MAN

СОДЕРЖАНИЕ
- Алфавитный указатель
- Сокращения
- Введение
- Правила техники безопасности
- Обзор типов
- Руководство по использованию электрических схем
- Описание оборудования
- Описание системы
- Общая информация
- Устройство AS Tronic lite
- Функциии AS Tronic lite
- Компоненты
- Структура шины данных сети CAN
- Общее функциональное описание
- Компоненты коробки передач AS Tronic lite
- Компоненты системы управления коробкой передач Tipmatic lite
- Диаграмма функций
- Диагностика с помощью MAN-cats® II
- Описание компонентов
- Блок управления AS Tronic lite (A590)
- Регулятор коробки передач
- Регулятор сцепления
- Импульсный датчик тахографа (B110)
- Всп. отбор мощности
- Переключатель диапазона (A434)
- Переключатель на рулевой колонке для Tempomat/коробки передач (A429)
- Выключатель на рулевой колонке ретардера / коробки передач (A942)
- Диагностика
- Общая информация
- Перечень кодов неисправности SPN системы AS Tronic lite
- Дополнительные электросхемы
- Краткие описания
- Краткое описание AS Tronic lite без MFL
- Краткое описание AS Tronic lite с NA I и NA II

ОПИСАНИЕ СИСТЕМЫ
Общая информация
В последние годы автоматические коробки передач все чаще применяются в строении тяжелых
автомобилей хозяйственного назначения. Однако преимущества данного типа коробок передач
очевидны также для легких автомобилей хозяйственного назначения. Транспортные средства данного класса применяются преимущественно в сфере поставок и, соответственно, в городском и пригородном транспортном сообщении. Разгрузка коробки передач и сцепления очень важна, так как условия транспортного потока требуют от водителя постоянной бдительности. Риск неисправностей в коробке передач и сцеплении, возникающих по вине водителя, сводится к минимуму. Увеличенные периоды простоя сцепления и сокращенный расход топлива являются убедительными аргументами для пользователя транспортного средства. В данном оборудовании не применяется механическая система тяг и рычагов переключения, за счет достигается низко шумное расцепление коробки передач и кабины водителя, а также более простой механический монтаж коробки передач.
Система управления коробкой передач AS Tronic lite (EMOS) - это сочетание синхронизированной
коробки передач с электронно-гидравлическим переключением и автоматизированного сухого сцепления (без педали сцепления). Для данной системы требуется выполнение определенных условий, таких как электронное управление двигателем и связь по шине CAN.
Электронное управление коробкой передач выполняет переключение передач, а также контролирует
выполнение процессов. Все индикаторы отображаются на дисплее приборной панели - среди прочих,
выбранная передача, возможные шаги зубьев, нейтральное положение, а также коды ошибок.
Водитель может выбрать один из вариантов: полуавтоматическое и полностью автоматическое
управление. При полуавтоматическом управлении переключение передач запускается водителем, а при полностью автоматическом управлении - оно выполняется системой управления коробкой передач с возможностью вмешательства со стороны водителя.
Система Tipmatic lite состоит из коробки передач AS Tronic lite (блок питания, регулятор коробки
передач и регулятор сцепления...) и дополнительных деталей, таких как переключатель диапазона
коробки передач (A434) и переключатель на рулевой колонке (A429 или A942), находящихся в
водительской кабине. Кроме того система также использует имеющиеся компоненты, такие как
приборная панель (А407), датчики числа оборотов системы EBS, блок управление двигателем, связь по шине CAN и электронную систему торможения.
Устройство AS Tronic lite
Электрическая система без мультифункционального рулевого колеса (MFL)

(1) Переключатель на рулевой колонке для Tempomat/коробки передач (A429)
(2) Картер сцепления
(3) Переключатель диапазона коробки передач (A434)
(4) Регулятор коробки передач
(5) Дисплей (на приборной панели A407)
(6) Тахограф (A408)
(7) Центральный бортовой компьютер (A302)
(8) Блок управления ECAS (A143)
(9) Блок управления AS Tronic lite (A590) в блоке питания
(10) Блок управления EBS WABCO (A402)
(11) Автомобильный компьютер (A403)
(12) Блок управления EDC (A435)
Электрическая система с мультифункциональным рулевым колесом (MFL)

(1) Мультифункциональное рулевое колесо (A943)
(2) Выключатель на рулевой колонке ретардера / коробки передач (A942).
(3) Картер сцепления
(4) Регулятор коробки передач
(5) Переключатель диапазона коробки передач (A434)
(6) Дисплей (на приборной панели A407)
(7) Тахограф (A408)
(8) Центральный бортовой компьютер (A302)
(9) Блок управления ECAS (A143)
(10) Блок управления EBS WABCO (A402)
(11) Блок управления AS Tronic lite (A590) в блоке питания
(12) Блок управления EDC (A435)
(13) Автомобильный компьютер (A403)
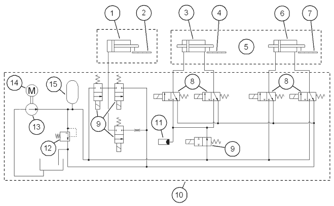
Гидравлическая система

(1) Цилиндр сервопривода сцепления
(2) Датчик перемещения сцепления
(3) Цилиндр исполнительного механизма переключения
(4) Датчик перемещения переключения
(5) Регулятор коробки передач
(6) Цилиндр исполнительного механизма выбора передач
(7) Датчик перемещения выбора передач
(8) 3/2 направляющий распределитель для коробки передач - выбор и переключение передач
(9) 2/2 направляющий распределитель для открытия и закрытия сцепления
(10) Блок питания
(11) Датчик давления
(12) Клапан ограничения давления
(13) Гидравлический насос
(14) Электродвигатель
(15) Мембранный гидроаккумулятор
Функциии AS Tronic lite
Переключение
Для переключения сцепление автоматически открывается и закрывается. При обратном переключении также приводится в действие сцепление для синхронизации чистоты вращения в основной коробке передач посредством корректировки частоты вращения двигателя. На переключение влияет объем впрыскиваемого топлива двигателя, значение которого передается через интерфейс электронной системы впрыска дизельного топлива (EDC).
При автоматическом управлении блок управления определяет время и значение переключения
передач, при этом водитель может в любой момент "вмешаться" в процесс переключения.
При ручном управлении время переключения передач определяет сам водитель с помощью
переключателя на рулевой колонке (А434), он также определяет количество переключений, но только
в пределах допустимого диапазона. Бортовой компьютер (A403) согласовывает выбранную передачу
с допустимым диапазоном. AS Tronic сообщает значения допустимого диапазона бортовому компьютеру (A403).
Защита от превышенной частоты вращения двигателя
Блок управления коробкой передач определяет, является ли переключение водителем на более низкую передачу допустимым, а также нет ли превышения частоты вращения двигателя.
Естественно, при ручном переключении передач ускорение транспортного средства может привести к превышению частоты вращения двигателя.
Трогание с места
При трогании с места водитель использует первые переднюю и заднюю передачи. Применение педали акселератора обеспечивает трогание с места без повреждения сцепления, независимо от того, в каком положении находится транспортное средство (ровная поверхность, гора или уклон, либо "вхолостую" или с полной нагрузкой). Если автомобиль движется в направлении, обратном направлению движения, при трогании с места двигатель не глушится. Трогание с места прерывается при движении назад под нагрузкой или применении педали тормоза. Трогание с места начинается с преодоления свободного хода педали сцепления, при этом через сцепление не передается крутящий момент, или передается только очень маленький крутящий момент. До определенного положения сцепления поблизости от точки приложения происходит быстрое закрывание. Далее приводится в действие регулировка частоты вращения двигателя и сцепления, посредством которой устанавливается частота вращения двигателя и крутящий момент на сцеплении. При этом сцепление приводится в действие выборочно, а заданное число оборотов двигателя зависит от ситуации, в которой находится транспортное средство, при текущей передаче и заданном положении педали акселератора. Если значение разницы частоты вращений между двигателем и входом в коробку передач превышает определенный порог, сцепление быстро закрывается по сигналу управления, а ограничение крутящего момента двигателя увеличивается. По окончании накопления нагрузки и после закрывания сцепления камера регулятора сцепления под давлением открывается по направлению к баку в результате работы запорного клапана сцепления, тем самым обеспечивая полное закрывание сцепления. В процессе трогания с места осуществляется управление впрыском топлива двигателя, и параллельно (косвенно) крутящим моментом двигателя, для обеспечения комфортного трогания. с места.
Диагностика
При обнаружении неисправностей в работе системы - даже если таковые возникают лишь спорадически - такие неисправности, равно как и сопутствующие условия (дата, время, скорость, километраж ...) сохраняются в регистраторе неисправностей электронного блока управления (А590).
Для каждой неисправности определяется ее значение (приоритетность) и вид (замыкание на массу,
размыкание ...). На дисплее приборной панели (407) для водителя выводится сообщение об обнаруженной неисправности.
Блокировка стартера
Пуск двигателя может осуществляться лишь в том случае, если селектор коробки передач и переключатель диапазона (A434) находятся в положении "N" (нейтральном положении). Пуск двигателя при включенной передаче невозможен. При выключении двигателя коробка передач автоматически переключается в положение "N". Остановка транспортного средства при включенной передаче невозможна.
Маневрирование
Режим маневрирования (очень медленного трогания с места) задается водителем с помощью регулятора диапазона (А434). Для данного режима существует две версии: Rm - маневрирование назад, Dm - маневрирование вперед. Для того, чтобы был задан режим маневрирования, необходимо чтобы определенная скорость автомобиля не превышалась. Кроме того, маневрирование возможно лишь после того, как включена передача маневрирования. Электронный блок управления регулирует частоту вращения двигателя до необходимого уровня. Так как при маневрировании к сцеплению прилагается значительная нагрузка, данный режим можно применять не часто и на короткое время. При маневрировании сцепление применяется выборочно. В режиме маневрирования автоматическое переключение передач невозможно. Режим маневрирования включается при переведении регулятора диапазона в положения N, R или D.
Неисправности системы коробки передач
Система коробки передач на автомобиле отказывает из-за следующих условий.
– Отсутствие электропитания в автомобиле
– без пентозина
– Полный отказ электронного модуля управления, блока управления
– Неисправность сцепления
– Механические повреждения коробки передач (отсутствует сквозной привод)
– отсутствие связи между блоком управления коробкой передач (А590) и FFR (A403)
Компоненты
Блок управления AS Tronic lite (A590)
Блок питания
Блок питания состоит из следующих компонентов:

– Датчик уровня наполнения (1)
– Блок управления (2)
Элементы электронной системы управления, применяемой для сборной системы и системы соединений между различными электронными и электромеханическими компонентами, расположены на блоке гидравлики.
– Мембранный гидроаккумулятор (3)
Мембранный гидроаккумулятор присоединен винтовым крепежом непосредственно к блоку гидравлики и имеет системное давление в диапазоне от 60 до 80 бар. Гидроаккумулятор обеспечивает возможность кратковременного использования высокой мощности.
– Соединительный штепсель многоамперный тока / насос (4)
Штепсель многоамперного тока питает электроэнергией электродвигатель, приводящий в движение
шестеренный насос. Кроме того, электропитание подается на электронный блок управления ECU и
электромагнитные клапаны.
– Соединительный штепсель монтажных деталей коробки передач (5)
Данный штепсель, расположенный со стороны коробки передач, обеспечивает через жгут проводов
электрическое соединение с датчиками перемещения регулятора коробки передач, с датчиком уровня наполнения и датчиком числа оборотов на входе коробки передач.
– Соединительный штепсель автомобиля (6)
Через штепсель, расположенный со стороны автомобиля, обеспечивается подача питания на элементы электроники, а также соединение с шиной CAN автомобиля.
– Заправочный бачок (7) рабочей жидкости (CHF 11S) фирмы Pentosin
Заправочный бачок со встроенным датчиком уровня наполнения соединен непосредственно с блоком гидравлики через отводящую линию.

– Датчик уровня наполнения (1)
Датчик уровня наполнения замеряет уровень рабочей жидкости и передает соответствующие данные на блок управления, если уровень жидкости слишком низок.
– Блок гидравлики (2)
В блок гидравлики встроены все электромагнитные датчики, предохранительный клапан высокого
давления, обратный клапан и датчик давления, см. раздел "Гидравлическая система" (Устройство AS Tronic lite) в "Справочном руководстве".
– Электродвигатель с шестеренным насосом (3)
Электродвигатель приводит в движение шестеренный насос, обеспечивающий необходимое давление в системе. Электродвигатель отключается при давлении в системе 80 бар и снова включается при давлении 60 бар.
– Гидравлическое соединение (4)
4 патрубка обеспечивают гидравлическое соединение с регулятором коробки передач.
Регулятор коробки передач

Регулятор коробки передач имеет 4 гидравлических соединения. связанных с блоком питания
посредством металлических линий, и 2 датчика перемещения, обеспечивающих бесконтактное измерение рабочих цилиндров выбора и переключения.
Регулятор сцепления

(1) Толкатель
(2) Гидравлический цилиндр
(3) Гидравлическое соединение
(4) Соединение датчика перемещения
(5) Встроенный датчик перемещения
Для приведения в действие автоматического сцепления используется блок управления сцеплением
(называемый также регулятором сцепления), который открывает и закрывает сцепление, а также
измеряет длительность движения при размыкании. Регулятор сцепления имеет одно гидравлическое
соединение, связанное с блоком питания посредством металлической линии, и один датчик перемещения, охватывающий обратный ход сцепления.
Датчик частоты вращения на входе коробки передач
Датчик частоты вращения на входе коробки передач соединен с блоком питания через отдельный
жгут проводов коробки передач AS Tronic lite.
Импульсный датчик тахографа (B110)

Частота вращения вала отбора мощности коробки передач измеряется импульсным датчиком тахографа (B110), также известным как датчик KITAS.
Всп. отбор мощности

Коробкой передач наряду с отбором мощности производится вспомогательный отбор мощности; он
включается только при запущенном двигателе и нейтральном положении селектора коробки передач
(без синхронизации). Выключение возможно в любой момент.
Переключатель диапазона (A434)
Во время движения в автоматическом режиме функции переключателя диапазона работают, только
если включено положение "N" (нейтральное). В переключатель диапазона встроен светодиод для
ночной подсветки.


В неподвижном состоянии запрашивается диапазон, в котором установлен переключатель диапазона
(А434). В коробке передач AS Tronic lite при трогании с места используется только первая передача.
Переключатель на рулевой колонке для Tempomat/коробки передач (A429)
Управление системой AS-Tronic осуществляется с помощью переключателя на колонке рулевого
управления (А429) или переключателя диапазона (A434). Нажатием на переключатель на колонке
рулевого управления можно переключать передачи "вверх" или "вниз". С помощью переключателя на
лицевой стороне можно выбрать ручное или автоматическое управление. Переключатель на рулевой
колонке не работает, если переключатель диапазона находится в положении "N". В переключатель на колонке рулевого управления встроен светодиод системы регулирования скорости (FGR) и ограничения скорости (FGB).

При ручном управлении бортовой компьютер автомобиля (A403) проверяет перед переключением
передач, можно ли включить заданную передачу.
Дополнительные сведения об эксплуатации см. в руководстве по эксплуатации грузовых автомобилей.
Выключатель на рулевой колонке ретардера / коробки передач (A942).
На автомобиле с мультифункциональным рулевым колесом устанавливается не выключатель на рулевой колонке Tempomat / коробка передач (А429), а выключатель ретардера / коробки передач (А942).
Управление коробкой передач AS-Tronic осуществляется с помощью переключателя на колонке рулевого управления (А942) или переключателя диапазона (A434). Нажатием на переключатель на колонке рулевого управления можно переключать передачи "вверх" или "вниз". С помощью переключателя на лицевой стороне можно выбрать ручное или автоматическое управление.
Переключатель на рулевой колонке не работает, если переключатель диапазона находится в положении "N".

При ручном управлении бортовой компьютер автомобиля (A403) проверяет перед переключением
передач, можно ли включить заданную передачу.
Структура шины данных сети CAN
При подключении к шине данных CAN коробка передач AS-Tronic объединяется в сеть с другими системами. Передача данных между отдельными системами осуществляется через последовательную шину данных сети CAN (T-CAN).

(A143) Блок управления ECAS
(A148) Радиоприемник/кассетный проигрыватель
(A302) Центральный бортовой компьютер 2
(ZBR2) с сопротивлением нагрузки I-CAN
(A312) Заказной модуль управления (по спецификации заказчика) с нагрузочным резистором A-CAN
(A402) Блок управления EBS WABCO
(A403) Автомобильный компьютер с нагрузочными резисторами М-CAN и T-CAN
(A407) Приборная панель с сопротивлением нагрузки H-CAN и I-CAN
(A408) Тахоспидограф с сопротивлением нагрузки I-CAN
(A435) Блок управления EDC с сопротивлением нагрузки M-CAN
(A574) Устройство управления MMI
(A577) Бортовой модуль Telematik
(A590) Блок управления AS Tronic lite (на коробке передач)
(A . . .) Другие системы с возможностью объединения в сеть
(AB) Электроника кузова на разъеме CAN, например системы FMS
(A-CAN) Шина данных CAN кузова (одновременное подключение для интерфейса FMS)
(H-CAN) Шина данных CAN Highline
(I-CAN) Шина данных CAN приборной панели
(M-CAN) Шина данных CAN для управления двигателем
(T-CAN) Шина данных CAN трансмиссии
Компоненты коробки передач AS Tronic lite

(1) Регулятор коробки передач
(2) Блок питания
(3) Регулятор сцепления
(4) Жгут проводов ZF коробки передач
Компоненты системы управления коробкой передач Tipmatic lite
Блок управления AS Tronic lite (A590)
Электронный блок управления переключает электромагнитные клапаны на основании полученных
данных и одновременно проверяет осуществление процессов в коробке передач. Блок управления
определяет различные параметры автомобиля, коробки передач и сцепления, которые затем
используются в виде сигналов для настройки коробки передач, сцепления и периферийных устройств
автомобиля. На перфорированной решетчатой раме монтируются все электрические соединения,
оснащенные защитой от короткого замыкания. Большинство электросоединений, используемых в
системе переключения, являются внутренними, а не внешними (подверженными повреждениям)
кабельными соединениями. При возникновении неисправности неисправные исполнительные элементы могут отключаться по отдельным контурам отключения. "Умный" контрольный датчик контролирует текущее состояние главного процессора.
Передача данных в другие системы осуществляется через шину данных CAN трансмиссии (T-CAN).
Ввод значений параметров может проверяться с помощью MAN-cats® II.
За блоком управления AS Tronic lite (A590) расположен блок гидравлики с электромагнитными
клапанами и мембранным гидроаккумулятором с винтовым подсоединением.
Штекерная разводка контактов

Блок управления оснащен тремя разными штепселями: штепселем для соединения автомобиля
(21-контактный - X1), штепселем для соединения монтажных частей коробки передач (15-контактным
- X3) и штепселем для электродвигателя насоса (2-контактным - X29).
Штепсель автомобиля (X1)

Вся информация - в