ECU тормозной системы ABS 6 (Standard + Premium) УРАЛ
Описание
Существуют различные варианты исполнения ECU, указанные в пункте 1.4 данного описания. Каждый из блоков имеет стандартный корпус, произведённый в трёх размерных модификациях, и одинаковые, стандартные 2-х или 4-х модульные разъемы.
Обычно используется исполнение блока в двух вариантах с теми же самими 2-х или 4-х модульными разъёмами. Все ECU могут быть сконфигурированы для различных типов транспортных средств. Так как корпус ECU не должен быть подвержен воздействию окружающей среды, то его устанавливают в кабине водителя или в подобной защищённой области.
ECU защищены от:
− короткого замыкания
− электростатического разряда
− скачка напряжения при пуске
− падения напряжения
− других электрических переходных процессов
Структура ECU
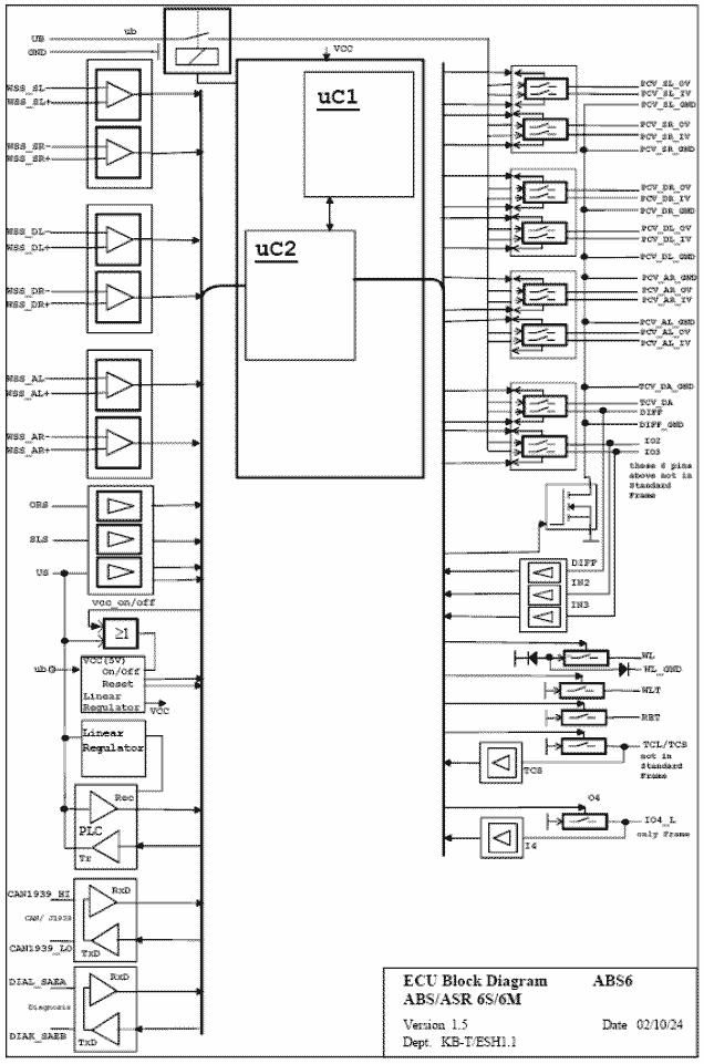
Кожух ECU содержит многослойную панель печатной платы со спаянными соединительными штекерами, микропроцессорами и дискретными компонентами, и использует SMD технологию. Блок-схема ECU показана ниже.

Сборочные единицы и модули ECU
Электропитание
В зависимости от версии, в ECU используется номинальное питающее напряжение 12 или 24 В. ECU использует только одну линию электропитания, которое непосредственно подается на сам блок и на цепи катушек модуляторов. Подача питания к ECU (U_S) должна осуществляться после включения зажигания. Напряжение к модуляторам (U_B) подается непосредственно от аккумулятора. Модуль блока питания обеспечивает постоянное напряжение 5 В, необходимое для функционирования ECU.
Нежелательные помехи системы зажигания отфильтровываются.
Микропроцессор
ECU содержит два параллельно работающих микропроцессора, которые вычисляют скорость машины по сигналам, полученным от датчиков скоростей колес. На основе полученных данных, в соответствии с алгоритмами АBS , подаются команды на электромагнитные клапаны и другие компоненты систем. Кроме того, при обнаружении дефектов/ошибок, их коды хранятся в постоянной памяти.
Цепи датчиков скорости
Входные цепи разработаны таким образом, что позволяют соединять до 6 различных датчиков. Также, благодаря датчикам, микропроцессор получает возможности выявлять:
• отсутствие (поломку) датчиков
• размыкания или короткие замыкания цепей
• замыкания на массу.
Релейный клапан
Релейный клапан подает питание на выходные каскады блока управления. Если на ECU не подается напряжение (или его значение находится вне допустимого предела), релейный клапан отключает питание с выходных каскадов. Он также гарантирует защиту от обратной полярности и обеспечивает минимальное значение тока в отключенном состоянии.
Электромагнитные клапаны
Для активизации 6 (максимум) клапанов управления давлением ABS предусматривается от 4 до 6 каскадов электромагнитных клапанов (модуляторов). В ECU «Premium» два модулятора с каждой стороны обеспечивают активацию клапана управления тягой и регулировкой блокируемого дифференциала. Также, благодаря модуляторам, микропроцессор получает возможности выявлять:
• отсутствие (поломку) модуляторов
• размыкания или короткие замыкания цепей
• замыкания на массу или «+»
• дефекты проводки.
“Масса” подключается к магнитным клапанам посредством электронных ключей – полевых транзисторов. Ключи обеспечивают подключение “массы” к клапанам, как только ECU готов к функционированию. Если питание не было подано, транзисторы отключают “массу” от электромагнитных клапанов. Если возникла ошибка, то один (или оба) транзистора отключают “массу” от соответствующих модуляторов в зависимости от характера ошибки.
Аварийная лампа ABS и дополнительный диагностический выключатель (WL)
Аварийная лампа ABS размещена на приборной панели в кабине водителя. Лампа ABS отображает световые коды ошибок работы системы. Лампа загорается при включении зажигания и выключается после положительного завершения самодиагностики. Самодиагностика возможна, даже если на ECU не подаётся питание, или один заземляющий провод повреждён. Если ECU не включено, то выключатель цепи закрывается и загорается лампа.
Аварийная лампа ABS выдаёт световые коды после того, как будет нажата внешняя диагностическая кнопка.
Кроме того, каскад аварийной лампы ABS выдает световые коды, если к разъему подключен диагностический кабель и адаптер световых кодов. Но, тем не менее, не возможно определить дефекты проводки или лампы.
Сигнальная лампа ABS прицепа (WLT)
Сигнальная лампа ABS прицепа на приборной панели в кабине водителя.
Если информация для сигнальной лампы ABS прицепа передана через PLC, то PLC ECU ABS тягача должен обеспечить контроль сигнальной лампы ABS, которая установлена в кабине тягача. Этого можно достичь или прямой связью к лампе, или, обеспечивая соответствующее управление сообщениями (например, через J1587 или J1939) к другому ECU, который будет управлять лампой. Данное подключение имеет повышение выходного напряжения. Поэтому не возможно определить дефекты проводки или лампы.
Реле выключения тормоза-замедлителя (RET)
Выходной каскад способен управлять реле тормоза-замедлителя, отключая тормоз-замедлитель двигателя в процессе работы ABS.
Диагностические и PLC каналы связи
В зависимости от версии ECU реализуются различные диагностические связи:
• Рекомендуемые для использования SAE J1708 канал связи, осуществленный согласно SAE J1587.
Подробное описание - техническая спецификация Y 486 R10 256 «Применение в спецификации ABS6 SAE J1587 и SAE J2497».
• Канал связи ISO 14320, осуществленные согласно спецификации ключевых команд протокола 2000.
Подробное описание - техническая спецификация Y 486 R10 257 «Ключевые команды протокола 2000 выполняемые ECU ABS6».
• KWP2000 CAN J1939
Канал связи CAN
Согласно SAE J1939 для передачи данных рекомендуется применять канал CAN. Этот канал используется, чтобы блокировать двигатель или приводы карданной передачи в течение работы ABS и передавать дополнительную информацию (например, скорость колеса и информацию о состоянии).
Выключатель ABS (ORS)
ECU поддерживает функцию многоцелевого выключателя, который предназначен для выключения ABS и имеет внутренний нагрузочный резистор.
В зависимости от версии ECU выключатель используется
• чтобы активизировать специальные функции ABS для использования на «бездорожье».
Выход лампы ASR и вход выключателя ASR (TCL/TCS)
Лампа сигнализации размещена на приборной панели в кабине водителя. В течение работы ASR сигнал активизирован. Это доступно только на ECU с ASR. Данное подключение совместно используется с выключателем функции ASR (обратитесь к главе 2.5.5). В зависимости от версии ECU этот разъём также используется как выключатель ABS «бездорожье». Данное подключение имеет повышение выходного
напряжения. Поэтому не возможно определить дефекты проводки или лампы.
IO2, IO3, IO4_L
В корпусе ECU имеются 2 составных цифровых ввода /вывода предназначенных для реализации дополнительных функций в будущем.
В структуре ECU имеется дополнительный доступный IO4_L.
Выключатель стоп-сигнала (SLS)
Этот вход запитывается от замка зажигания. На входе проверяется положение педали тормоза по значениям, приходящим от стоп-сигналов. Если цепь разомкнута, считается, что тормоз не работает. Данная функция применяется в версиях блоков управления поддерживающих EBD функцию.
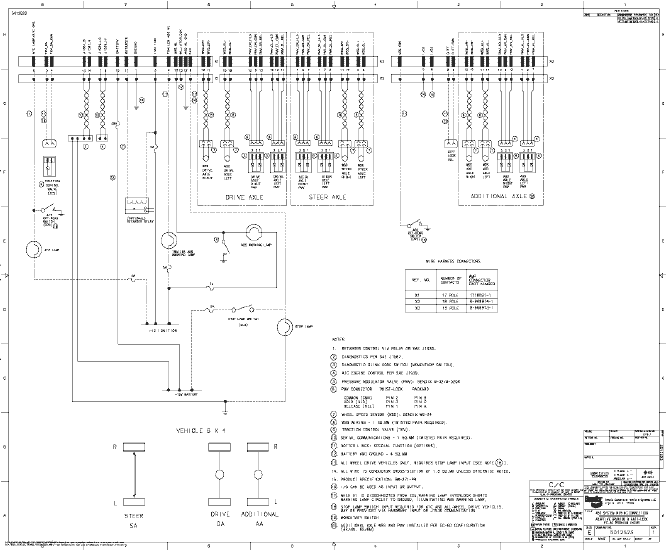
Назначение разъёмов
ECU “Standard”/“Premium” устанавливаемый в кабине
Две колодки в ECU “Standard” и три колодки в ECU “Premium” используются для подключения штекеров ABS. Ниже схема показывает распределение контактов по колодкам. Имеется выключатель в колодке X1, который включает аварийную лампу ABS, замыкая контакты X1/18 и X1/12 в ECU, когда штекер питания отсоединён от ECU. Когда штекер подключен к ECU, то контакты разомкнуты. Аварийная лампа не горит.
X1(18 pole)

X2 (18 pole)

Назначение пинов в ECU “Standard”.
X1(18 pole)

X2 (18 pole)

X3 (15 pole)

Назначение пинов в ECU “Premium”.
ECU “Standard”/“Premium” устанавливаемый на раме
В версии “Standard” используются две колодки для подключения.
Ниже схема показывает распределение контактов на колодке.
X1 (15 pole)

X2 (18 pole)

Назначение пинов в ECU “Standard”.
В версии “Premium” используются три колодки для подключения.
Ниже схема показывает распределение контактов на колодке.
X1 (15 pole)

X2 (18 pole)

X3 (18 pole)

Назначение пинов в ECU “Premium”.
Описание разъёмов
Обозначение Описание
- CAN1939_HI CAN-шина высокоактивная, SAE-J1939
- CAN1939_LO CAN-шина низкоактивная, SAE-J1939
- DIAL_SAEA Диагностический интерфейс (High), SAE-J1587, SAE-A; или ISO-KWP2000 DIA-L
- DIAK_SAEB Диагностический интерфейс (Low), SAE-J1587, SAE-A; или ISO-KWP2000 DIA-К
- DIFF Питание на управление блокировкой дифференциала
- DIFF_GND «Масса» на управление блокировкой дифференциала
- GND «Масса»
- IO2 Вход 2 (повышенное R) или Выход 2
- IO3 Вход 3 (повышенное R) или Выход 3
- IO4_L Вход 4 (пониженное R) или Выход 4
- ORS Выключатель функции бездорожье (повышенное R)
- PCV_AL_GND «Масса» модулятора – Левое колесо дополнительной оси
- PCV_AL_IV Питание клапана «удержания» – Левое колесо дополнительной оси
- PCV_AL_OV Питание клапана «сброса» – Левое колесо дополнительной оси
- PCV_AR_GND «Масса» модулятора – Правое колесо дополнительной оси
- PCV_AR_IV Питание клапана «удержания» – Правое колесо дополнительной оси
- PCV_AR_OV Питание клапана «сброса» – Правое колесо дополнительной оси
- PCV_DL_GND «Масса» модулятора – Левое колесо ведущей оси
- PCV_DL_IV Питание клапана «удержания» – Левое колесо ведущей оси
- PCV_DL_OV Питание клапана «сброса» – Левое колесо ведущей оси
- PCV_DR_GND «Масса» модулятора – Правое колесо ведущей оси
- PCV_DR_IV Питание клапана «удержания» – Правое колесо ведущей оси
- PCV_DR_OV Питание клапана «сброса» – Правое колесо ведущей оси
- PCV_SL_GND «Масса» модулятора – Левое колесо управляемой оси
- PCV_SL_IV Питание клапана «удержания» – Левое колесо управляемой оси
- PCV_SL_OV Питание клапана «сброса» – Левое колесо управляемой оси
- PCV_SR_GND «Масса» модулятора – Правое колесо управляемой оси
- PCV_SR_IV Питание клапана «удержания» – Правое колесо управляемой оси
- PCV_SR_OV Питание клапана «сброса» – Правое колесо управляемой оси
- RET Подключение реле ретардера
- SLS Подключение стоп-сигнала (повышенное R)
- TCV_DA Питание клапана ASR
- TCV_DA_GND «Масса» клапана ASR
- UB Питание от батареи клапанов и электроники 12В или 24В
- US Питание от замка зажигания, 12В или 24В
- WL Питание аварийной лампы
- WL_GND «Масса» аварийной лампы (контакт используется только для WL)
- WLT Питание сигнальной лампы прицепа
- WSS_AL+/- Подключение датчика вращения – Левое колесо дополнительной оси
- WSS_AR+/- Подключение датчика вращения – Правое колесо дополнительной оси
- WSS_DL+/- Подключение датчика вращения – Левое колесо ведущей оси
- WSS_DR+/- Подключение датчика вращения – Правое колесо ведущей оси
- WSS_SL+/- Подключение датчика вращения – Левое колесо управляемой оси
- WSS_SR+/- Подключение датчика вращения – Левое колесо управляемой оси
Электрическая схема
Пример: электрическая схема ECU «Premium»
