Электросхемы DAF CF65/75/85
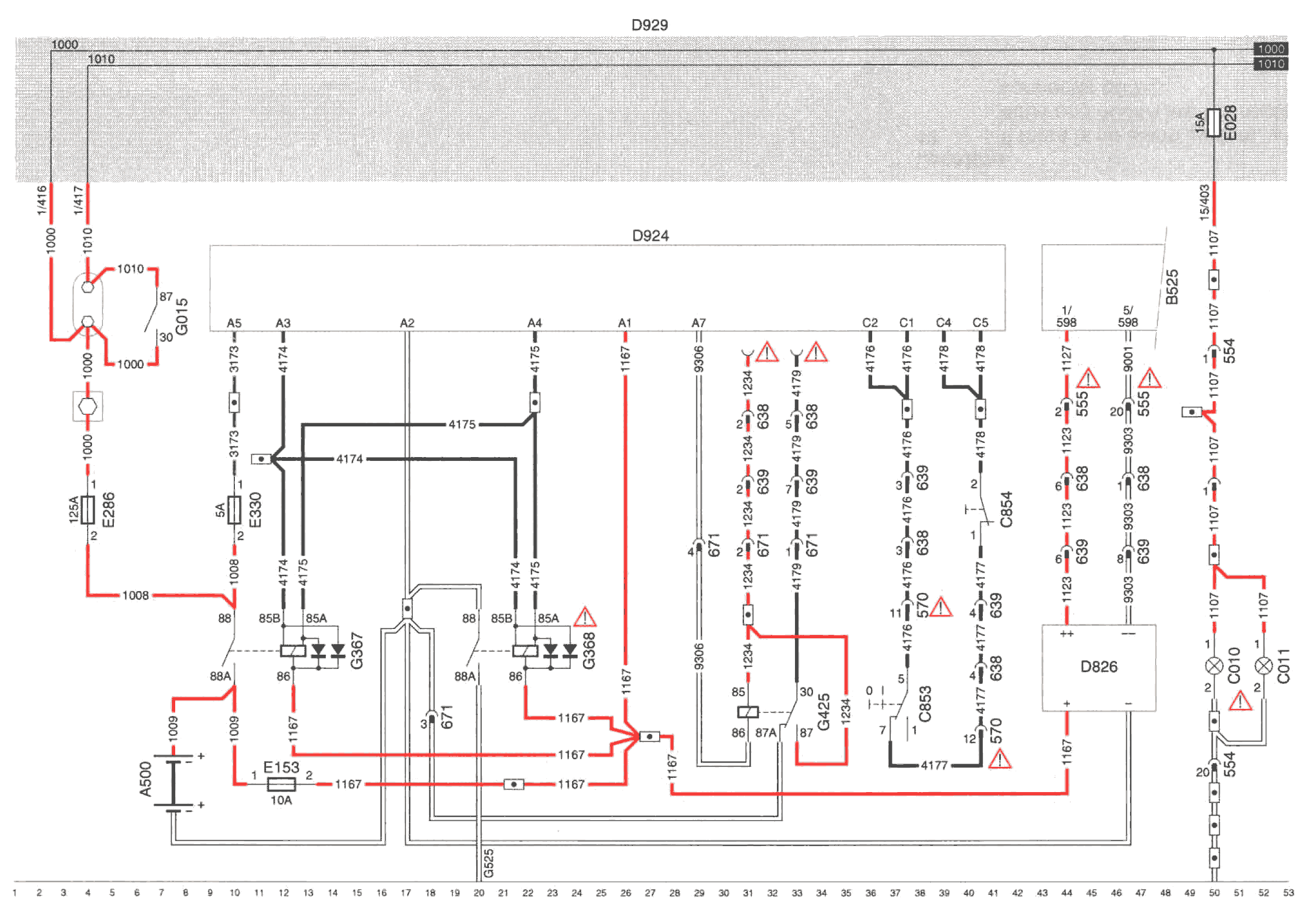
ГЛАВНЫЙ ВЫКЛЮЧАТЕЛЬ
- A500 Аккумуляторные батареи
- A513 Встроенный регулятор напряжения генератор
- B525 Тахограф
- C853 Выключатель для главного выключателя в кабине
- C854 Выключатель для главного выключателя на раме
- D826 Электронный блок ограничителя тока VLG
- D900 Электронный блок VIC CF65/75/85
- Е117 Предохранитель подсветки органов управления
- E153 Предохранитель главного выключателя останова двигателя до включения главного выключателя
- E286 Предохранитель высокой мощности
- Е330 Предохранитель цепи «управления» главного выключателя
- G367 Реле энергоснабжения главного выключателя
- G425 Реле главного выключателя
ПЕРЕКЛЮЧАТЕЛЬ ЗАЖИГАНИЕ/СТАРТЕР/ЦЕПЬ ЗАРЯДКИ
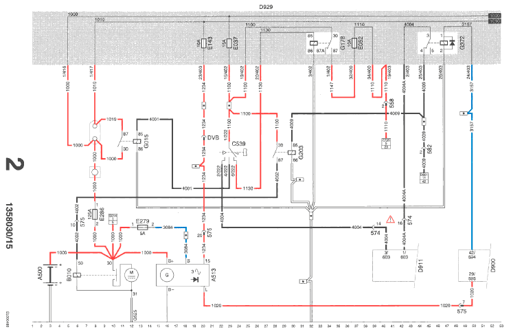
ЦЕПЬ ЗАЖИГАНИЯ
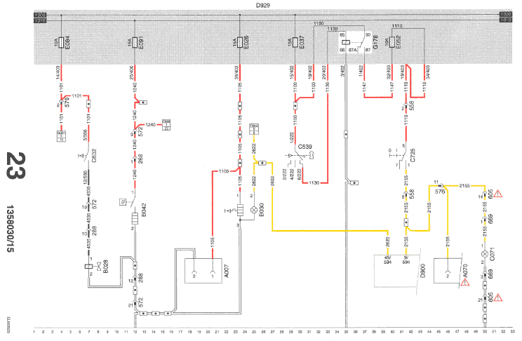
При повороте переключателя С539 (контакт 1 соединяется со штырьковым выводом 6), активируется реле «дополнительных устройств» (G178).
При этом напряжение подается через предохранитель Е037, выключатель С539 и провод 1130 на контакт 85 реле G178. В результате срабатывания реле G178 замыкаются контакты 30 и 87 и, через предохранитель Е052 и провод 1110, напряжение поступает на выключатель лампы рабочего освещения (С725) и микро-реле G377 для обеспечения энергоснабжения дополнительных устройств - радиоаппарата.
ЦЕПЬ СТАРТЕРА
При повороте переключателя зажигания С539 (контакт 1 соединяется с 4), через провод 4001 активируется реле электропитания G015.
Если переключатель зажигания повернут в положение «запуск», замыкается контакт между выводами 1 и 2 этого переключателя. При этом энергопитание подается от аккумуляторных батарей через предохранитель Е037, соединение 1 – 2 переключателя зажигания/стартера и провод 4004 на вывод 3 системы сигнализации.
Если система сигнализации снята с охраны при помощи пульта дистанционного управления, либо при включении зажигания (иммобилайзер отключает сигнализацию через CAN), провод 4004 соединяется с 4004А. Активируется катушка реле G203.
В результате замыкается соединение 30 – 87. При этом через предохранитель Е037, провод 1100, контакты реле 30 – 87 и провод 4002, напряжение подается на вывод 50 стартера, таким образом, стартер начинает работать.
После снятия с охраны системы сигнализации и открывания двери, прерыватель цепи запуска отключается на 60 секунд. Если в течении этого времени двигатель не запущен, прерыватель цепи запуска активируется вновь. Если система сигнализации была отключена, а двери не открывались, прерыватель цепи запуска остается отключенным в течение 9 минут.
В том случае, если автомобиль должен удовлетворять требованиям, применяемым при транспортировке опасных грузов, при подаче питания иммобилайзером на провод 4009, кроме того, отключается отопитель.
ЦЕПЬ ЗАРЯДКИ
При включении зажигания, напряжение подается как на вывод В+, так и на вывод 15 генератора.
Питание внутреннего резистора генератора обеспечивается ИС в щеткодержателе. Этот резистор обеспечивает прохождение малого тока через резистор возбуждения. Тем самым, в генераторе создается магнитное поле.
После запуска, напряжение на клеммах В+ и 15 повышается до прибл. 28,5 В. После достижения напряжением этого значения, ИС в регуляторе прерывает ток в катушке пред-возбуждения для обеспечения регулировки напряжения. При этом магнитное поле исчезает, таким образом, в течение короткого промежутка времени генератор не снабжается энергией. В результате этого, напряжение на выводах В+ и В15 падает.
Регулятор вновь вступает в работу, если напряжение падает ниже 27,6 В. Таким образом, напряжение, вырабатываемое генератором остается относительно постоянным. Аккумуляторные батареи получают энергию через вывод генератора В+.
Сигнальная лампа тока зарядки генератора получает питание через провод 1020, подсоединенный к VIC (D900). VIC управляет DIP через сеть CAN. Напряжение на провод 1020 подается регулирующей ИС.
Генератор также имеет цепь «управления». Эта цепь обеспечивает постоянное измерение напряжения на выводе 30 стартера. В случае падения напряжения на выводе 30, это напряжение немедленно корректируется регулирующей ИС. Генератор вновь повышает напряжение до достижения им значения 28,5 В.
Расположение
42 Если система сигнализации не установлена, провода 4004 и 4004А соединены в разъеме 603.
ТАХОГРАФ
Расположение
17 Если автомобиль оснащен ECAS-2, это разъем: 445.
Если автомобиль оснащен ECAS-3, это разъем: 373.
ИММОБИЛАЙЗЕР
ПРЕДВАРИТЕЛЬНЫЙ РАЗОГРЕВ СВЕЧЕЙ НАКАЛИВАНИЯ
Расположение
37 Если система предварительного разогрева свечей накаливания отсутствует: провода подсоединяются к реле – «имитатору».
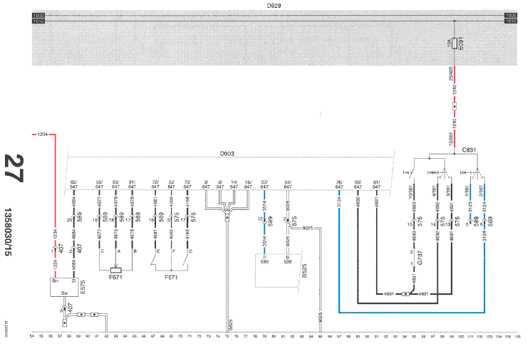
41 Для автомобилей с ECS-DC3: D903 (электронный блок ECS-DC3)
DIP-4
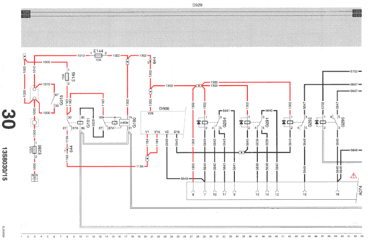
УКАЗАТЕЛИ ПОВОРОТОВ И АВАРИЙНАЯ СИГНАЛИЗАЦИЯ
Расположение
3, 8 Разъем 617 используется только на автомобилях типа FA.
8 В зависимости от того, оснащен ли автомобиль 7-штырьковой или 15-штырьковой розеткой. См. также подсхему 47.
VIC
Расположение
21 Провод 4179, только если подсоединен РТО 1.
182 Для автомобилей с АBS/ASR-D разъем 584. Для автомобилей с EBS разъем 585.
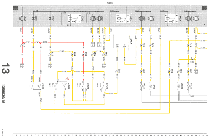
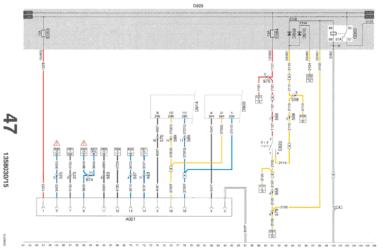
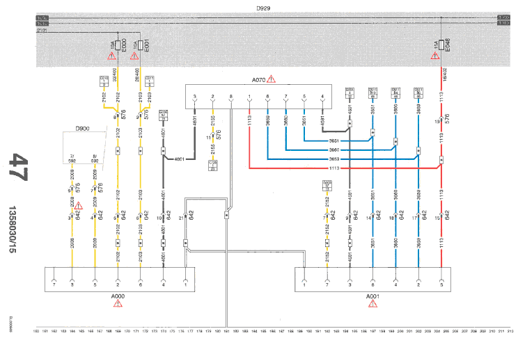
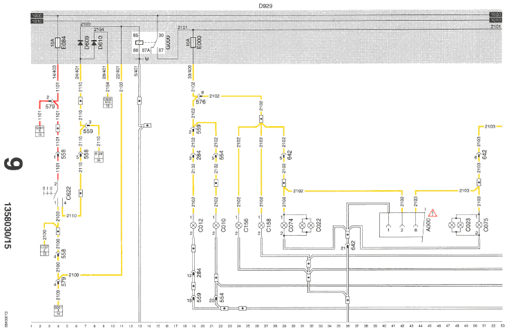
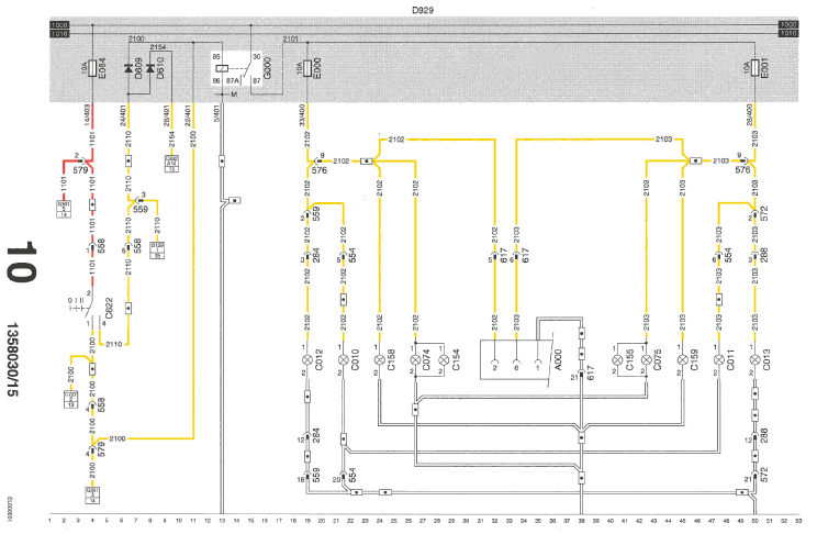
ГАБАРИТНЫЕ И СТОЯНОЧНЫЕ ОГНИ FA
При переводе переключателя освещения (С622) в первое (1-ое) положение (соединение между контактами 2 и 1), через предохранитель Е084, провод 1101, контакты 2 – 1 переключателя С622 и провод 2100 напряжение подается на реле задних /боковых фонарей (G000).
Напряжение поступает на левые и правые фонари соответственно через контакты реле G000 (30 – 87) и предохранители Е000 и Е001.
К предохранителю Е000 подсоединены: С010, С012, С156, С158, С074 и С022.
Кроме того, имеется соединение в разъеме А000 (штырьковый вывод 2) и разъеме А070 (штырьковый вывод 2).
К предохранителю Е001 подсоединены: С011, С013, С157, С159, С075 и С023. Кроме того, имеется соединение в разъеме А000 (штырьковый вывод 6) и разъеме А070 (штырьковый вывод 3).
Расположение
45 Это может быть 7-штырьковый или 15-штырьковый разъем. Доп. информацию см. на подсхеме 47.
ГАБАРИТНЫЕ И СТОЯНОЧНЫЕ ОГНИ FT
При переводе переключателя освещения (С622) в первое (1-ое) положение (соединение между контактами 2 и 1), через предохранитель Е084, провод 1101, контакты 2 – 1 переключателя С622 и провод 2100 напряжение подается на реле задних /боковых фонарей (G000).
Напряжение поступает на левые и правые фонари соответственно через контакты реле G000 (30 – 87) и предохранители Е000 и Е001.
К предохранителю Е000 подсоединены: С010, С012, С158, С074 и С154.
Кроме того, имеется соединение в разъеме А002 (штырьковый вывод 2).
К предохранителю Е001 подсоединены: С011, С013, С159, С075 и С155. Кроме того, имеется соединение в разъеме А002 (штырьковый вывод 6).
UPEC



Расположение
5, 20 Если система предварительного разогрева свечей накаливания не установлена: провода подсоединены к реле – «имитатору».
38 Провод 4681 дальше разъема 589 не идет. У данного провода функции НЕТ.
ФОНАРИ ЗАДНЕГО ХОДА

При включении электропитания, напряжение подается на выключатель фонарей заднего хода (Е501) через Е016 и провод 1217.
Этот выключатель установлен в коробке передач. Контакты замыкаются, когда КПП переводится в положение «задний ход».
При этом напряжение подается на фонари заднего хода (С026) и (С027), зуммер заднего хода (В176) и разъем прицепа (А001 или А070), через провод 4591.
Вышеприведенное описание относится к автомобилям модели FA.
Расположение
21 Разъем 642 только если автомобиль типа FA.
29 Зависит от того, оснащен ли автомобиль 7-штырьковой или 15-штырьковой розеткой. См. подсхему 47.
ПЕРЕКЛЮЧАТЕЛЬ ОСВЕЩЕНИЯ/ПРОТИВОТУМАННЫЕ ФАРЫ/ПЕРЕКЛЮЧАТЕЛЬ БЛИЖНЕГО И ДАЛЬНЕГО СВЕТА FA


ПЕРЕКЛЮЧАТЕЛЬ ОСВЕЩЕНИЯ (С622)
Положение 1 («габаритные огни»)
Напряжение подается на вывод 2 выключателя С622 через предохранитель Е084 и провод 1101. Если этот переключатель переведен в положение «габаритные огни» (соединение между контактами 2 – 1), напряжение, через провод 2100, идет через вывод 85 реле G000 (реле задних/боковых фонарей). Это реле активируется и контакты 30 – 87 замыкаются. После этого, через контакты 30 – 87 реле G000 и провод 2101, питание подается через предохранители Е000 и Е001 и провода 2102 и 2103, соответственно, на угловые габаритные фонари, габаритные фонари и задние фонари.
Положение 2 («ближний свет»)
Если переключатель С622 находится во 2-ом положении (соединение между контактами 2 - 4), происходит следующее:
Напряжение подается на вывод 2 переключателя освещения С622 через предохранитель Е084 и провод 1101. Через контакты 2 – 4 С622 энергопитание подается на вывод 85 реле G000, через провод 2110 и диод D609. Кроме того, напряжение подается на вывод 5 С773 через провод 2100.
Напряжение также подается на вывод 85 реле G001 через провод 2110. Это реле активируется. После этого ток идет через контакты 30 – 87 реле G001и провод 2112, при этом через предохранители Е004 и Е005 и провода 2114 и 2113, соответственно, напряжение подается на левую и правую фары ближнего света. Эти фары зажигаются.
Сигнализация фарами
Напряжение, поданное на вывод 85 реле G001, также присутствует на выводе 14 подрулевого переключателя С832 через диод D610, через провод 2154. Если переключатель переведен в это (нефиксированное) положение (соединение между контактами 14 и 9), через провод 2120 напряжение подается на реле G002. При этом замыкаются контакты 30 – 87 и ток идет через контакты 30 – 87, провод 2121, предохранители Е006 и Е007 и провода 2122 и 2123, соответственно, на лампы С002 и С003. Эти лампы остаются зажженными до тех пор, пока замкнуты контакты 14 и 9 подрулевого переключателя С832.
Дальний свет
Напряжение, подается на вывод 8 подрулевого переключателя С832 через предохранитель 084 и провод 1101. Если переключатель переведен в это (фиксированное) положение (соединение между выводами 8 и 9), через провод 2120 напряжение подается на реле G002. При этом замыкаются контакты 30 – 87 и питание подается через контакты 30 – 87, провод 2121, предохранители Е006 и Е007 и провода 2122 и 2123, соответственно, на лампы С002 и С003. Эти лампы остаются зажженными до тех пор, пока в «фиксированном» положении переключателя замкнуты контакты 8 и 9.
При использовании сигнализации фарами или ламп дальнего света, ближний свет НЕ отключается.
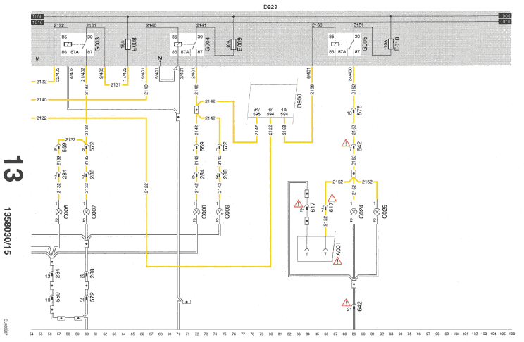
ЗАДНИЕ ПРОТИВОТУМАННЫЕ ФОНАРИ (стандартная модель)
Для того чтобы включить задние противотуманные фонари, переключатель С622 должен находится в положении «ближний свет» (замыкание контактов 2 – 4). При этом напряжение подается на D609 через предохранитель Е084, провод 1101, контакты 2—4 переключателя С622 и провод 2110. После этого диода происходит разделение питания. Через дорожку печатной платы напряжение подается на вывод 85 реле G000. При этом включаются угловые габаритные фонари, габаритные фонари и задние фонари. То же напряжение также подается через провод 2100 на вывод 5 С733. При включении выключателя противотуманных фонарей (С733) (соединение между 5 – 1), VIC получает сигнал напряжения на штырьковом выводе D35.
VIC затем активирует реле задних противотуманных фонарей (G005) через штырьковый вывод С40 VIC, при этом загораются задние противотуманные фонари. Через I-CAN VIC включает индикатор «задние противотуманные фонари» на приборном щитке.
ПЕРЕДНИЕ ПРОТИВОТУМАННЫЕ ФАРЫ
(опция)
Для включения передних противотуманных фар, переключатель освещения С622 должен находиться в положении «габаритные огни» (соединение между контактами 2 – 1). При этом на выводе 85 реле G000 будет присутствовать напряжение (угловые габаритные фонари, габаритные фонари и задние фонари). При переводе переключателя противотуманных фар (С727) в положение I (соединение между контактами 2 – 6) напряжение подается на реле G004. Напряжение, при этом, подается через предохранитель Е009, провод 2141, контакты 30 - 87 на реле G004 и провод 2142. Зажигаются передние противотуманные фары. Напряжение также подается через провод 2142 и штырьковый вывод С34 на VIC. VIC управляет работой DIP и обеспечивает включение индикатора «передние противотуманные фары» на приборном щитке. Если переключатель противотуманных огней (С727) переведен в положение 2 (соединение между контактами 2 – 3), VIC получает сигнал напряжения на выводе D35 через провод 2150.
При этом VIC активирует реле задних противотуманных фонарей (G005) через вывод С40 VIC, зажигая, таким образом, задние противотуманные фонари. Через I-CAN VIC активирует индикатор «задние противотуманные фонари» на приборном щитке.
Расположение
15 С773 устанавливается в качестве стандарта. Если выбирается опция передних противотуманных фар, переключатель С773 и С727 следует поменять местами.
83, 86 Разъем 617, если автомобиль типа FA.
87 Может быть 7-штырьковым или 15-штырьковым разъемом. См. дополнительную информацию на подсхеме 47.
88 Разъем 642, если автомобиль типа FA.
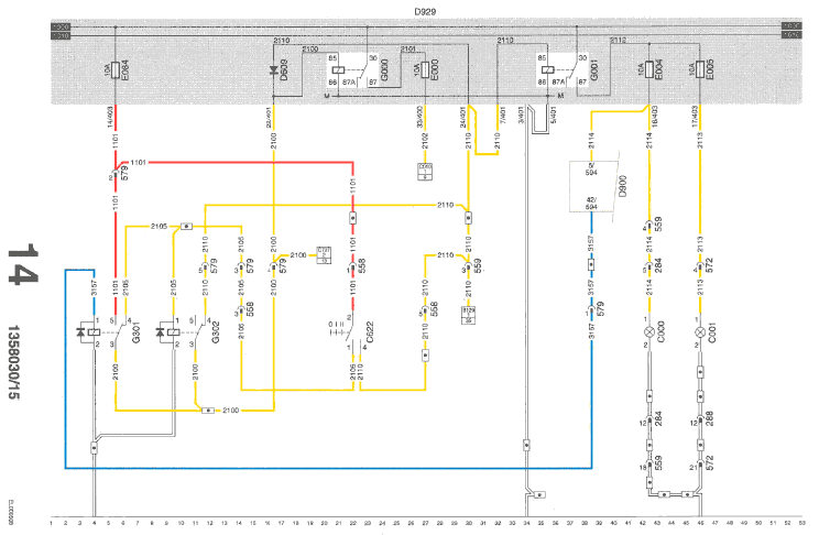
ВАРИАНТ ОСВЕЩЕНИЯ ДЛЯ ШВЕЦИИ

Двигатель работает, переключатель С622 НЕ включен
При работающем двигателе и НЕ ВКЛЮЧЕННОМ переключателе С622, реле G301 активируется напряжением, идущим от вывода 42 и разъема 594 D900 (VIC). Напряжение при этом подается через предохранитель Е084, провод 1101, контакты 5 – 3 реле G301, провод 2100, контакты 3 – 4 реле G302 и провод 2110 на вывод 85 реле G001 (реле ближнего света). Это же напряжение также подается через диод D609 на вывод 85 реле G000 (реле задних фонарей/боковых фонарей). Оба реле находятся под напряжением.
Когда на реле G000 подано напряжение (замыкание контактов 30 – 87), питание подается через контакты 30 – 87 реле G000, проводник печатной платы 2102, предохранители Е000 и Е001 и провод 2102 на левый и правый габаритные фонари в фарах головного света.
Когда напряжение подано на реле G001 (замыкание контактов 30 – 87), ток идет через контакты 30 – 87 реле G001, проводник печатной платы 2112, предохранители Е004 и Е005. Через предохранитель Е004 ток идет через провод 2114 на вывод 1 С000 (левая фара ближнего света). Через предохранитель Е005 ток идет через провод 2113 на вывод 1 С001 (правая фара ближнего света).
Напряжение также подается через провод 2114 и штырьковый вывод С5 на VIC. VIC управляет работой DIP и обеспечивает включение индикатора «ближний свет» на приборном щитке.
Двигатель работает, переключатель С622 в положении: габаритные огни (положение 1).
Когда двигатель работает, а переключатель С622 находится в положении «габаритные огни» (соединение между 2 – 1), происходит следующее:
Напряжение подается на реле G301, и, в результате, замыкаются контакты 5 – 3. После этого ток идет через предохранитель Е084, провод 1101, контакты 5 – 3 реле G301 на провод 2100 и вывод 85 реле G000. При подаче напряжения на реле G000, через контакты 30 – 87 реле G000, провод 2101, предохранители Е000 и Е001 и провода 2102 и 2103, соответственно, будет протекать ток. При этом будут зажжены угловые габаритные, габаритные и задние фонари (как со стороны водителя, так и со стороны пассажира).
Кроме того, напряжение будет присутствовать на выводе 1 реле G302 через предохранитель Е084, провод 1101, контакты 2 – 1 реле С622 и провод 2105.
При подаче напряжения на реле G302, контакты 3 – 4 размыкаются.
На проводе 2110 напряжение будет отсутствовать и, в результате, подача напряжения на реле G001 прекратится. Контакты 30 – 87 разомкнутся, а фары головного света со стороны водителя и со стороны пассажира погаснут.
Двигатель работает, переключатель С622 в положении: ближний свет (положение 2)
Когда двигатель работает, а переключатель С622 находится в положении «ближний свет» (положение 2) (соединение между 2 – 4), происходит следующее:
Напряжение подается на реле G301 и, в результате, замыкаются контакты 5 – 3. После этого ток идет через предохранитель Е084, провод 1101, контакты 5 – 3 реле G301 на провод 2100 и вывод 85 реле G000. При подаче напряжения на реле G000, через контакты 30 – 87 реле G000, провод 2101, предохранители Е000 и Е001 и провода 2102 и 2103, соответственно, будет протекать ток. При этом будут зажжены угловые габаритные, габаритные и задние фонари (как со стороны водителя, так и со стороны пассажира).
Поскольку через контакты 2 – 4 переключателя С622, провод 2110, питание подается на вывод 85 реле G001, это реле будет находиться под напряжением. Когда реле G001 находится под напряжением, напряжение подается через контакты 30 – 87, провод 2112, предохранители Е004 и Е005 и провода 2113 и 2114, соответственно, как на левую, так и на правую фары ближнего света. Напряжение также подается через провод 2114 и штырьковый вывод С5 на VIC. VIC управляет работой DIP и обеспечивает включение индикатора «ближний свет» на приборном щитке.
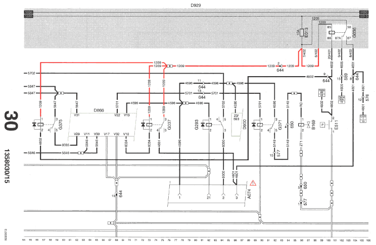
СТОП-СИГНАЛЫ/МЕХАНИЗМ ПОДЪЕМА КАБИНЫ

СТОП-СИГНАЛЫ
При нажатии педали тормоза активируется контрольный выключатель стоп-сигналов Е511 (соединение между контактами 2 – 1) и реле (G036). Одновременно напряжение подается на F628. Через предохранитель Е013, провод 1209, контакты 30 и 87 реле G036 и провод 4601, напряжение при этом подается на правый стоп-сигнал (С021) и левый стоп-сигнал (С020), таким образом, оба они загораются. Также загораются стоп-сигналы, подсоединенные через штепсельную розетку прицепа А000.
При подаче напряжения на реле G036, прерывается соединение 30 – 78а. Прекращается подача питания на D814 (электронный блок UPEC) или D903 (электронный блок ECS-DC3).
МЕХАНИЗМ ПОДЪЕМА КАБИНЫ
Напряжение подается через предохранитель Е018 и провод 1114 на датчик F676 (датчик запирания кабины) и датчик F616 (датчик цилиндра подъема кабины). Одновременно, питание подается через выводы 1 – 2 реле G351 (предохранительное микро-реле механизма подъема кабины) и провод 4723 на вывод 2 датчика F676. При активации этого датчика подается питание на вывод 16 D900 (VIC) и вывод 2 датчика F616. При этом VIC посылает сообщение на DIP, на котором загорается сигнальная лампочка «кабина поднята». При активации датчика F616, напряжение подается на реле G351 и, в результате, напряжение подается через контакты 3 и 5 и провод 4722 на В251 (зуммер нейтрального положения механизма подъема кабины). При замыкании контактов выключателя Е569 (выключатель нейтрального положения) (соединение между штырьковыми выводами 4 – 2) звуковой сигнал прекратится.
Расположение
9 В зависимости от того, оснащен ли автомобиль двигателем с UPEC или ECS-DC3.
12, 15 Разъем 642 , если тип автомобиля FA
21 В зависимости от того, оснащен автомобиль 7-штырьковой или 15-тырьковой розеткой. См. подсхему 47.
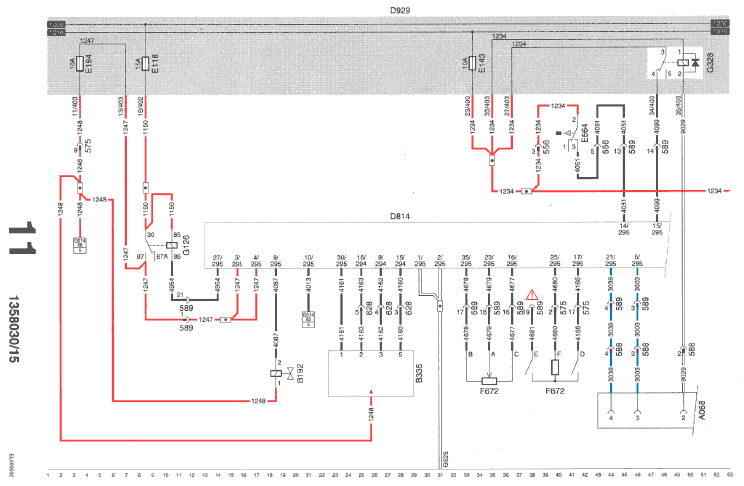
БЛОКИРОВКА ДИФФЕРЕНЦИАЛА

При активации выключателя (G015), напряжение подается через предохранитель Е016 и провод 1217 на контрольный выключатель (С748) межколесного дифференциала с управляемым распределением тягового усилия и контрольный выключатель (С749) межосевого дифференциала с управляемым распределением тягового усилия. Под напряжение также ставится контрольный выключатель заднего хода (Е501) и выключатель привода на четыре колеса (С840).
Если водитель включает межколесный дифференциал с управляемым распределением тягового усилия (С748), напряжение подается через провод 4517 на клапан межколесного дифференциала с управляемым распределением тягового усилия. В результате этого клапан активируется.
Если водитель включает межосевой дифференциал с управляемым распределением тягового усилия (С749), напряжение подается через провод 4518 на клапан межосевого дифференциала с управляемым распределением тягового усилия. В результате этого клапан активируется.
Расположение
4 Только если автомобиль имеет привод на четыре колеса
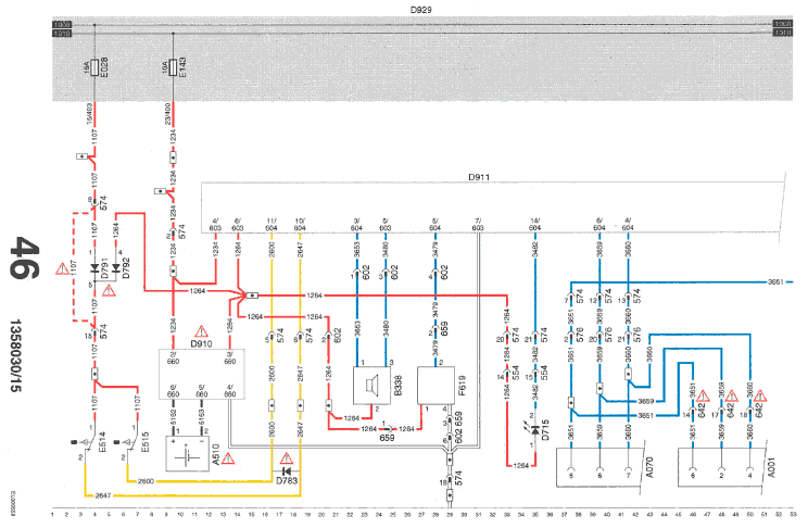
ВНУТРЕННЕЕ ОСВЕЩЕНИЕ КОРОТКАЯ КАБИНА/КАБИНА СО СПАЛЬНЫМ МЕСТОМ

ДВЕРНОЙ ВЫКЛЮЧАТЕЛЬ ОСВЕЩЕНИЯ ПОДНОЖКИ КАБИНЫ/ВНУТРЕННЕГО ОСВЕЩЕНИЯ, СО СТОРОНЫ ВОДИТЕЛЯ
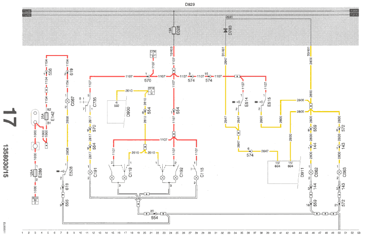
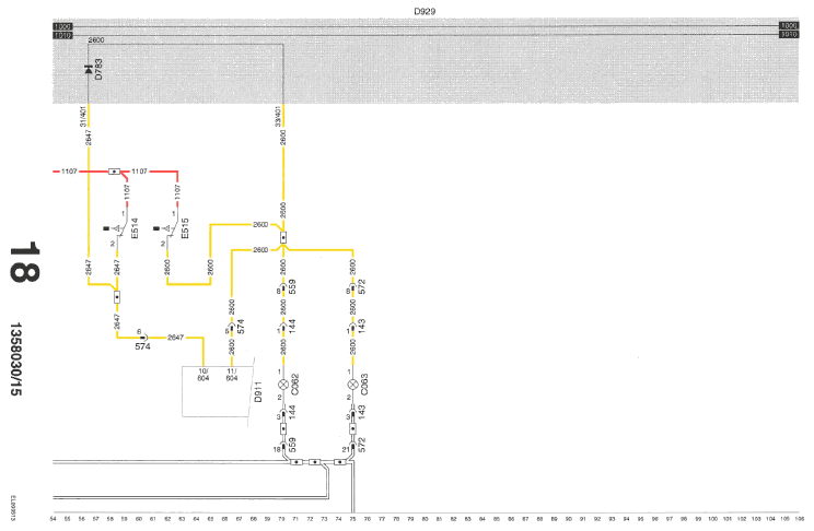
При открывании водительской двери, срабатывает дверной выключатель Е514 (соединение между 1 – 2). В результате, на С062, С063 и на D911 подается напряжение через предохранитель Е045 (предохранитель внутреннего освещения), провод 1107, контакты 1 – 2 дверного выключателя Е514, провод 2647, диод D783 (диод внутреннего освещения, со стороны водителя) и провод 2600. При этом включается освещение подножки, как со стороны водителя (С062), так и со стороны пассажира (С063). VIC (D900) также получает напряжение на вывод 1, разъем 595. При этом при условии, что выключатель находится в нужном положении, VIC через вывод 4, разъем 492 также включит внутреннее освещение (С119/С192).
При закрывании водительской двери (размыкание контактов 1 и 2), прекратится подача напряжения на вывод 1, разъем 595 VIC. С этого момента вывод 4, разъем 592 будет оставаться под напряжением еще прибл. 9 секунд. Прибл. через 9 секунд подача энергии прекращается и освещение гаснет.
При включении зажигания автомобиля (обеспечении электропитания) в течение 9 секунд, подача энергии на вывод 4, разъем 592 VIC немедленно прекратится. Внутреннее освещение будет немедленно погашено. Если система сигнализации (D911) подает напряжение на вывод 13, разъем 594 VIC, что свидетельствует о правильном закрытии дверей, освещение также немедленно выключится.
ДВЕРНОЙ ВЫКЛЮЧАТЕЛЬ ОСВЕЩЕНИЯ ПОДНОЖКИ КАБИНЫ/ВНУТРЕННЕГО ОСВЕЩЕНИЯ, СО СТОРОНЫ ПАССАЖИРА
При открывании пассажирской двери, срабатывает дверной выключатель (Е515) (соединение между 1 – 2).
В результате напряжение подается как на С062, так и на С063, через предохранитель Е045 (предохранитель внутреннего освещения), провод 1107, контакты 1 – 2 дверного выключателя Е515 и провод 2600. При этом включается освещение подножки, как со стороны водителя (С062), так и со стороны пассажира (С063).
ВНУТРЕННЕЕ ОСВЕЩЕНИЕ С ЛАМПОЙ ИНДИВИДУАЛЬНОГО ОСВЕЩЕНИЯ (СО СТОРОНЫ ВОДИТЕЛЯ И СО СТОРОНЫ ПАССАЖИРА)
По обеим сторонам кабины имеются комбинированные плафоны внутреннего и индивидуального освещения, установленные в потолочной консоли. Лампы со стороны водителя и со стороны пассажира функционируют одинаково. Питание подается через предохранитель Е045, провод 1107 на вывод 2 С119 и С192, соответственно. В зависимости от положения выключателя, лампа внутреннего освещения или лампа индивидуального освещения включаются либо по отдельности, либо вместе.
ОСВЕЩЕНИЕ ВЕЩЕВОГО ОТДЕЛЕНИЯ
При открывании вещевого отделения, включается выключатель освещения вещевого отделения Е528 (соединение между 1 и 2). В результате, на С067 подается напряжение через предохранитель Е142 (предохранитель дополнительных устройств при выключенном зажигании), провод 1154, контакты 1 – 2 выключателя освещения вещевого отделения Е528 и провод 2608. При этом включается освещение вещевого отделения. Освещение вещевого отделения работает независимо от положения ключа зажигания.
ЛАМПА ОСВЕЩЕНИЯ СПАЛЬНОГО МЕСТА
Лампа освещения спального места С115 включается с помощью встроенного выключателя. Лампа освещения спального места работает независимо от положения ключа зажигания. Напряжение подается через предохранитель Е045, провод 1107 на вывод 1 С115. При включении выключателя (соединение между контактами 1 и 2), вывод 2 замыкается на «массу». При этом загорается лампа.
ВНУТРЕННЕЕ НОЧНОЕ ОСВЕЩЕНИЕ
При включении выключателя С735 (выключатель внутреннего ночного освещения) (соединение между контактами 5 – 1), на С191 подается напряжение через предохранитель Е045 (предохранитель внутреннего освещения), провод 1107, контакты 5 - 1 выключателя ночного освещения (С735) и провод 2617. В результате зажигается ночное освещение. Ночное освещение работает независимо от положения ключа зажигания.
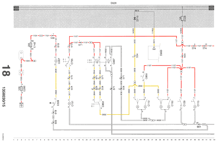
ВНУТРЕНЕЕ ОСВЕЩЕНИЕ ВЫСОКОЙ КАБИНЫ СО СПАЛЬНЫМИ МЕСТАМИ


ДВЕРНОЙ ВЫКЛЮЧАТЕЛЬ ОСВЕЩЕНИЯ ПОДНОЖКИ КАБИНЫ/ВНУТРЕННЕГО ОСВЕЩЕНИЯ, СО СТОРОНЫ ВОДИТЕЛЯ
При открывании водительской двери, срабатывает дверной выключатель (Е514) (соединение между 1 – 2). В результате, на С062, С063 и на D911 (система сигнализации) подается напряжение через предохранитель Е045 (предохранитель внутреннего освещения), провод 1107, контакты 1—2 дверного выключателя Е514, провод 2647, диод D783 (диод внутреннего освещения, со стороны водителя) и провод 2600. При этом включается освещение подножки, как со стороны водителя (С062), так и со стороны пассажира (С063). VIC (D900) также получает напряжение на вывод 1 и разъем 595. При этом при условии, что выключатели (С119, С192, С859 и С837) находятся в нужном положении, VIC через провод 2610 (вывод 4, разъем 592 VIC) также включит внутреннее освещение (С119/С192).
При закрывании водительской двери (размыкание контактов 1 и 2 дверного выключателя Е514), прекратится подача напряжения на вывод 1, разъем 595 VIC. С этого момента вывод 4, разъем 592 будет оставаться под напряжением еще прибл. 9 секунд. Прибл. через 9 секунд подача энергии прекращается и освещение гаснет.
При включении зажигания автомобиля (обеспечении электропитания) в течение 9 секунд, подача энергии на вывод 4, разъем 592 VIC немедленно прекратится. Внутреннее освещение будет немедленно погашено. Если система сигнализации (D911, вывод 16 разъема 604, провод 3647) подает напряжение на вывод 13, разъем 594 VIC, что свидетельствует о правильном закрытии дверей, освещение также немедленно выключится.
ДВЕРНОЙ ВЫКЛЮЧАТЕЛЬ ОСВЕЩЕНИЯ ПОДНОЖКИ КАБИНЫ/ВНУТРЕННЕГО ОСВЕЩЕНИЯ, СО СТОРОНЫ ПАССАЖИРА
При открывании пассажирской двери, срабатывает дверной выключатель (Е515) (соединение между 1 – 2).
В результате напряжение подается как на С062, так и на С063, через предохранитель Е045 (предохранитель внутреннего освещения), провод 1107, контакты 1 – 2 дверного выключателя Е515 и провод 2600.
При этом включается освещение подножки, как со стороны водителя (С062), так и со стороны пассажира (С063).
Внутреннее освещение с лампой индивидуального освещения (со стороны водителя и со стороны пассажира)
По обеим сторонам кабины имеются комбинированные плафоны внутреннего и индивидуального освещения, установленные в потолочной консоли. Лампы со стороны водителя и со стороны пассажира функционируют одинаково. Питание подается через предохранитель Е045, провод 1107 на вывод 2 С119 и С192, соответственно. В зависимости от положения выключателя, лампа внутреннего освещения или лампа индивидуального освещения включаются либо по отдельности, либо вместе.
ДВА ВАРИАНТА ВКЛЮЧЕНИЯ ВНУТРЕННЕГО ОСВЕЩЕНИЯ
Условие включения внутреннего освещения с обеих сторон состоит в том, что С119 (выключатель внутреннего освещения со стороны водителя) и С192 (выключатель внутреннего освещения со стороны пассажира) должны быть включены оба. Следовательно, выключатель соединяется с контактом 1.
Ситуация 1: Переключатель С837 в положении «0».
Переключатель С837 в среднем положении (замкнуты контакты 5 – 3 и 6 – 4).
При этом цепи энергопитания и «массы» разорваны и освещение не работает.
Ситуация 2:
Переключатель С837 установлен в положение «I» (замкнуты контакты 5 – 7 и 8 – 6). При этом напряжение подается на вывод 1 С119 и вывод 1 С192 через предохранитель Е028, провод 1107, контакты 5 – 7 С837, провод 2644, контакты 7 – 5 С859 (внутреннее освещение в консоли крыши со стороны водителя) и провод 2632. «Масса» обеспечивается за счет того, что вывод 3 С119 и вывод 3 С192 соединены с «массой» автомобиля через провод 9032 и контакты 8 – 6 С837.
При этом освещение можно включить или выключить при помощи выключателя С859.
Ситуация 3:
Переключатель С837 установлен в положение «II» (замкнуты контакты 3 – 1 и 2 – 4). При этом напряжение подается на вывод 1 С119 и вывод 1 С192 через предохранитель Е028, провод 1107, контакты 3 – 1 С837, провод 2645, контакты 1 – 5 С859 (внутреннее освещение в консоли крыши со стороны водителя) и провод 2632. «Масса» обеспечивается за счет того, что вывод 3 С119 и вывод 3 С192 соединены с «массой» автомобиля через провод 9032 и контакты 2 – 4 С837.
При этом освещение можно включить или выключить при помощи выключателя С859.
Освещение вещевого отделения
Когда дверца вещевого отделения закрыта, на С067 (освещение левого вещевого отделения) подается напряжение через предохранитель Е142 (предохранитель дополнительных устройств при выключенном зажигании), провод 1154.
При открывании дверцы вещевого отделения (замыкание контактов 1 – 2 выключателя освещения вещевого отделения Е528), плюс бортовой сети соединяется с «массой» через провод 2608 и контакты 1 – 2 Е528 (выключатель освещения вещевого отделения). При этом включается освещение вещевого отделения. Освещение вещевого отделения работает независимо от положения ключа зажигания.
Лампа освещения спального места
Лампа освещения спального места С115 включается с помощью встроенного выключателя. Лампа освещения спального места работает независимо от положения ключа зажигания. Напряжение подается через предохранитель Е045, провод 1107 на вывод 1 С115. Вывод 2 С115 замыкается на «массу». При включении выключателя (соединение между контактами 1 и 2) загорается лампа.
Внутреннее ночное освещение
При включении выключателя С735 (выключатель внутреннего ночного освещения) (соединение между контактами 5-1), на вывод 1 С191 подается напряжение через предохранитель Е045 (предохранитель внутреннего освещения), провод 1107, контакты 5 - 1 выключателя ночного освещения С735 и провод 2617. В результате зажигается ночное освещение. Ночное освещение работает независимо от положения ключа зажигания.
СИСТЕМА РЕГУЛИРОВКИ/ОБОГРЕВА ЗЕРКАЛ

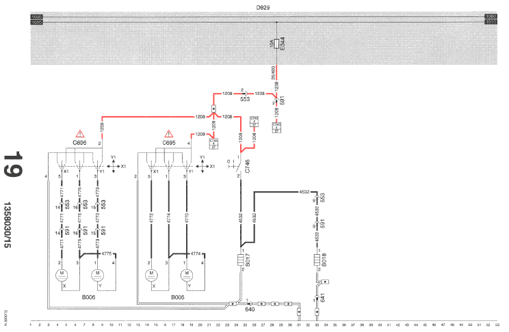
ОБОГРЕВ ЗЕРКАЛ
При включении выключателя обогрева зеркал (С746), напряжение подается на оба нагревательных элемента, В017 (со стороны водителя) и В018 (со стороны пассажира) через предохранитель Е044, провод 1208 и выключатель С746 (контакты 1 – 2) и провод 4532.
Обогрев зеркал можно включить только при наличии напряжения на реле электропитания (включенном электропитании).
РЕГУЛИРОВКА ЗЕРКАЛ
Наружные зеркала регулируются двумя, так называемыми, «джойстиками», переключателями координатного типа С695 (со стороны водителя) и С696 (со стороны пассажира). При перемещении ручки переключателя из нейтрального положения (в центре) в определенном направлении, на двигатели регулировки зеркал В005 (со стороны водителя) или В006 (со стороны пассажира) подается напряжение, и соответствующее зеркало следует за движением ручки. Провода 4770 и 4774 (со стороны водителя) или 4771 и 4775 (со стороны пассажира) подают напряжение на двигатель для перемещения зеркал влево-вправо. Провода 4772 и 4774 (со стороны водителя) или провода 4773 и 4775 (со стороны пассажира) подают питание на двигатель для перемещения зеркал верх- вниз.
Система регулировки зеркал может использоваться только при наличии напряжения на реле электропитания.
Расположение
7 При правостороннем рулевом управлении, вывод 4 соединен с проводом 1208, а вывод 2 – с «массой».
17 При правостороннем рулевом управлении, вывод 4 соединен с проводом 1208, а вывод 2 – с «массой».
ПОДСВЕТКА ОРГАНОВ УПРАВЛЕНИЯ



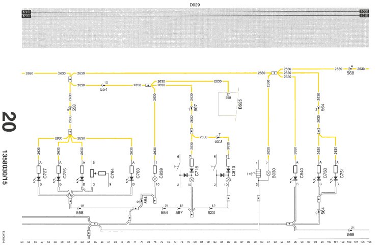
ПОДСВЕТКА ОРГАНОВ УПРАВЛЕНИЯ
Подсветка органов управления обеспечивается лампами или светодиодами в различных переключателях.
При включении выключателя освещения (С622), через предохранитель Е084 и контакты 2 – 1 выключателя освещения (С622), провод 2100, напряжение подается на реле G000 (вывод 85).
Реле G000 активируется (соединение между выводами 30 – 87) проводник печатной платы 2101 и предохранитель (Е117), когда напряжение подается на подсветку органов управления (через провод 2630). Все цепи подсветки, соединенные с ним, ставятся под напряжение.
Лампы имеются в следующих выключателях: В030, С072, С073, С716, С813 и С858.
Следующие выключатели подсвечиваются светодиодами:
С725, С727, С735, С736, С737, С739, С740, С741, С748, С749, С750, С751, С760, С763, С764, С765, С774, С778, С742, С802, С835, С836, С837, С840, С853, С858.
ЗУММЕР ВКЛЮЧЕНИЯ ОСВЕЩЕНИЯ
При включении выключателя освещения (С622), через предохранитель Е084 и выключатель освещения (С622), провод 2100, напряжение подается на реле G000.
Реле G000 активируется и напряжение подается на подсветку органов управления (провод 2630) через предохранитель Е117. Этот провод также соединен с VIС (D900), штырьковый вывод 7/594.
Если удовлетворено предварительно запрограммированное в VIC условие, VIC посылает сообщение на DIP, который, в свою очередь, включает зуммер (встроенный в DIP).
КОНДИЦИОНЕР/КЛАПАН РЕЦИРКУЛЯЦИИ /ВЕНТИЛЯТОР ОТОПИТЕЛЯ

КЛАПАН РЕЦИРКУЛЯЦИИ
При включении С802 (соединение между контактами 2 - 3), подается напряжение на вывод 1 G257 и G258 через предохранитель Е031, провод 1201, контакты 2 - 3 С802 и провод 4659. Это реле активируется и, в результате, замыкаются контакты 3 и 5. При этом напряжение подается через предохранитель Е031, провод 1201, контакты 5 - 3 реле G257 и провод 5053 на вывод 1 реле В252. Другой вывод 2 соединен с «массой» через провод 5054 и контакты 3 - 5 реле G258. При этом клапан рециркуляции, приводимый в действие В252, закрывается.
VIC (D900) также получает напряжение на вывод 8. VIC через I-CAN зажигает сигнальный индикатор «рециркуляция» на приборном щитке.
ВЕНТИЛЯТОР ОТОПИТЕЛЯ
Питание подается через предохранитель Е031 и провод 1201 на вывод 8 В015 (4-скоростной вентилятор отопителя).
В зависимости от положения С882 (переключатель вентилятора отопителя), вентилятор начнет функционировать.
Переключатель имеет пять положений:
Off: (Положение 0) Вентилятор отопителя (В015) выключен.
Положение 1: (Соединение между контактами 2 и 6). Вентилятор работает на самой малой скорости. Напряжение подается через предохранитель Е031 и провод 1201 на вывод 8 В015. «Масса» обеспечивается через вывод 7 В015, провод 4658, контакты термовыключателя 6 - 5 (В015), провод 4654, через три резистора (В015), провод 4650 и контакты 2 - 6 С882.
Положение 2: (Соединение между контактами 2 и 6). Вентилятор работает несколько быстрее. Напряжение подается через предохранитель Е031 и провод 1201 на вывод 8 В015. «Масса» обеспечивается через вывод 7 В015, провод 4658, контакты термовыключателя 6 - 5 (В015), провод 4654, через два резистора (В015), провод 4651 и контакты 4 - 6 С882.
Положение 3: (Соединение между контактами 3 и 6). Вентилятор работает на скорости ниже максимальной на одну ступень. Напряжение подается через предохранитель Е031 и провод 1201 на вывод 8 В015. «Масса» обеспечивается через вывод 7 В015, провод 4658, контакты термовыключателя 6 - 5 (В015), провод 4654, через один резистор (В015), провод 4652 и контакты 3 - 6 С882.
Положение 4: (Соединение между контактами 1 и 6). Вентилятор работает на максимальной скорости. Напряжение подается через предохранитель Е031 и провод 1201 на вывод 8 В015. «Масса» обеспечивается через вывод 7 В015, провод 4658, контакты термовыключателя 6 - 5 (В015).
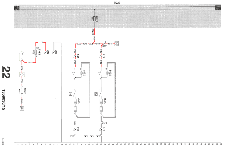
СОЕДИНЕНИЕ ДЛЯ ОБОГРЕВА СИДЕНИЙ/ДОПОЛНИТЕЛЬНОГО ОБОРУДОВАНИЯ

ОБОГРЕВ СИДЕНИЙ
Если включено электропитание автомобиля, напряжение подается через предохранитель Е091 и провод 1240 на выключатель С697 (выключатель обогрева водительского сиденья) и С698 (выключатель обогрева пассажирского сиденья).
Если включен один из выключателей (С697 или С698), включается нагревательный элемент В032 или В033. По достижению максимальной температуры, термовыключатель в сидении отключает нагревательный элемент.
СОЕДИНЕНИЕ ДЛЯ ДОПОЛНИТЕЛЬНОГО ОБОРУДОВАНИЯ
В каждом автомобиле в центральной коробке, под печатной платой имеется 2-штырьковый разъем (разъем № 180).
Он находится под напряжением при выключенном зажигании (провод 1000) и снабжен предохранителем 25 А.
ЗВУКОВОЙ СИГНАЛ/ПРИКУРИВАТЕЛЬ/ЛАМПА РАБОЧЕГО ОСВЕЩЕНИЯ/ОСУШИТЕЛЬ ВОЗДУХА

ЗВУКОВОЙ СИГНАЛ
Напряжение подается на вывод 5 С832 (правый подрулевой переключатель указателей поворотов/ очистителя лобового стекла), через предохранитель Е084 и провод 1101. При включении переключателя (соединение между контактами 5 - 12), напряжение подается через провод 4535 на вывод 1 клапана В028 (звуковой сигнал). Это клапан срабатывает. При этом открывается воздушный канал в пневматическом звуковом сигнале.
ПРИКУРИВАТЕЛЬ
Через предохранитель Е026 (энергоснабжение при выключенном зажигании) и провод 1105, напряжение подается на вывод 1 В030 (прикуриватель со стороны водителя). При нажатии на патрон прикуривателя (соединение между контактами 1 - 3), ток протекает через внутренний резистор. При превышении температурой определенного значения, патрон прикуривателя возвращается в исходное положение и электрическая цепь разрывается.
ЛАМПА РАБОЧЕГО ОСВЕЩЕНИЯ
При включении электропитания автомобиля (переключатель С539) (соединение между контактами 1 - 6), напряжение, через провод 1130, подается на вывод 85 реле G178 (реле дополнительных устройств). При этом напряжение подается через предохранитель Е037, провод 1100, контакты 30 и 87 реле G178, через предохранитель Е052, на вывод 5 С725 (лампа рабочего освещения). Если включен выключатель лампы рабочего освещения (замыкание контактов 5 - 1), на лампу рабочего освещения (С071) поступает питание. VIC (D900) также получает сигнал напряжения на вывод 9. VIC, через I-CAN, зажигает сигнальный индикатор «лампа рабочего освещения» на приборном щитке.
ОСУШИТЕЛЬ ВОЗДУХА
Через предохранитель Е091 (энергоснабжение при включенном зажигании) и провод 1240, напряжение подается на вывод 1 В042 (нагревательный элемент осушителя воздуха). При замкнутых контактах встроенного термовыключателя (соединение между контактами 1 - 2), ток протекает через внутренний резистор. При превышении температурой определенного значения, термовыключатель отключает нагревательный элемент.
Расположение
46 Разъем А070, если установлен. Опция.
50 Разъем 650, если автомобиль типа FA.
АBS/ASR-D


DEB

Через предохранитель Е118 и реле G126 питание подается на D814 (электронный блок UPEC), а через предохранитель Е184 – на клапаны В192, В247 и В248.
В зависимости от положения блока D814, активируется реле G126, после чего напряжение подается на клапан моторного тормоза (В192) и клапаны тормоза двигателя (DEB) (В247 и В248).
Эти клапаны соединены с «массой» или не соединены с «массой», в зависимости от блока D814.
ЗАМЕДЛИТЕЛЬ EST42

Расположение
8 Корпус соединен с «массой» отдельным проводом.
ECS-DC3



AGS

EMAS


Расположение
40 Провода от разъемов: 679 и 680 НЕ имеют маркировки DAF
AGC





FAG

Можно выделить три различные ситуации:
− нейтральное положение (нормальное положение во время движения)
− сброс давления в подвеске ведомого заднего моста с управляемыми колесами (увеличение давления на ведущий мост)
− увеличение давления в подвеске ведомого заднего моста с управляемыми колесами (возврат в нейтральное положение)
Максимальное время, отведенное на операцию по созданию дополнительного тягового усилия, составляет 90 секунд.
Следующую операцию по созданию дополнительного тягового усилия разрешается начинать после паузы в 50 секунд после окончания предыдущей операции.
При этом выдерживание времени паузы обеспечивается регулировкой реле времени (G095) на время задержки 60±8 секунд.
НЕЙТРАЛЬНОЕ ПОЛОЖЕНИЕ
При включении выключателя режима увеличения тягового усилия С882 (замыкание контактов 5 - 1), напряжение подается через предохранитель Е062, провод 1221, контакты 5 - 3 С882 и провод 4563 на вывод 15 реле времени G095. При нормальном движении, контакты выключателя режима увеличения тягового усилия (С709) разомкнуты. Выключатель является подпружиненным.
СБРОС ДАВЛЕНИЯ В ПОДВЕСКЕ ВЕДОМОГО МОСТА
При нажатии и последующем отпускании выключателя режима увеличения тягового усилия включается режим увеличения тягового усилия (сбрасывается давление в подвеске ведомого заднего моста с управляемыми колесами).
Реле времени (G095) при этом включается на период 60 секунд. Контакты 30 – 87 замыкаются.
После этого VIC подает напряжение на вывод 1 ВV084. При этом активируется электромагнитный клапан (В084), сбрасывающий давление из пневмобаллонов подвески ведомого заднего моста с управляемыми колесами. Следствием этого является увеличение нагрузки на ведущий мост (большее тяговое усилие).
По истечении 60±8 секунд, контакты 30 - 87 реле времени G095 размыкаются. При этом прекращается подача питания на клапан В084.
Для предотвращения перегрузки моста, система снабжена предохранительным устройством. Бесконтактный выключатель (Е542) отслеживает нагрузку на мост.
По достижению максимального значения, включается бесконтактный выключатель (Е542) и подает питание на вывод 1 реле G427.
После этого активируется реле G427, контакты 3 - 4 которого размыкаются. Клапан сброса (В084) более не находится под напряжением, таким образом, сброса воздуха не происходит, а в пневмобаллоны, напротив, немедленно поступает воздух.
РТО (МЕХАНИЗМ ОТБОРА МОЩНОСТИ)

«ЗАПРОС» РТО 1 (= ВКЛЮЧЕНИЕ)
При включении выключателя РТО (С750), питание подается через предохранитель Е091, провод 1240, контакты 5 - 1 выключателя С750 и провод 4594 на вывод 11 А068 (функциональный разъем управления частотой вращения двигателя) и вывод 27 разъема 595 D900 (VIC). Это означает, что сделан «запрос» на использование механизма отбора мощности.
В зависимости от условия, запрограммированного в VIC, этот «запрос» будет удовлетворен. Условие может предусматривать обязательное включение стояночного тормоза. В этом случае, напряжение будет подаваться через предохранитель Е035, провод 1211 на вывод 1 контрольного выключателя для выключателя стояночного тормоза F000. Это напряжение также подается на вывод 1 разъема 596 D900 (VIC). Если контакты контрольного выключателя стояночного тормоза (F000) замкнуты (соединение между контактами 1 - 2), это напряжение будет также подано на вывод В22 D814 (электронный блок UPEC) и на вывод 26 разъема 595 D900 через провод 3402.
ФУНКЦИОНИРОВАНИЕ
Если «запрос РТО» удовлетворен, происходит следующее:
Напряжение подается с вывода 23 и разъема 593 D900 через провод 4596 на вывод 1 Е570 (пневмовыключатель сцепление – РТО N10) (если имеется) и на вывод 3 реле G259 (реле управления механизмом отбора мощности) (если имеется). При включении выключателя Е570 (выключателя сцепления – РТО N10) нажатием на педаль сцепления (соединение между контактами 1 - 2), напряжение подается на вывод 1 реле G259 и вывод 1 В245 (клапан включения механизма отбора мощности). Реле G269 ставится под напряжение и, как результат, контакты 3 - 5 реле G259 замыкаются. Реле G259 остается под напряжением независимо от Е570 (это функция «памяти»). Одновременно напряжение подается на В245, который включает механизм отбора мощности.
VIC проверяет, включился ли РТО на самом деле или нет. Это происходит следующим образом:
Если механизм отбора мощности включился, F087 будет включен механически. Контакты 1 – 2 F087 замкнутся. Вывод 14 разъема 593 VIC при этом замыкается на «массу».
При этом VIC посылает на DIP сообщение и зажигается предупредительный сигнал «РТО active» (включен механизм отбора мощности). Если механизм отбора мощности НЕ включился, F087 НЕ срабатывает и вывод 14 разъема 593 НЕ замыкается на «массу». По истечении запрограммированного (в VIC) времени, на DIP посылается «сообщение» и загорается предупреждающий символ «PTO fault» (неисправность механизма отбора мощности).
«ОТМЕНА» РТО 1 (= ОТКЛЮЧЕНИЕ)
Механизм отбора мощности отключается при размыкании контактов 5 - 1 С750. Этим прерывается питание от вывода 27 разъема 595. При этом одно из условий работы механизма отбора мощности перестает сущестовать. VIC реагирует на это прекращением подачи напряжения на вывод 23 разъема 593. Подача напряжения на реле G259 прекращается, катушка более не снабжается энергией. Контакты 5 - 3 размыкаются, и, в результате, прекращается подача питания на вывод 1 В245. Клапан более не находится под напряжением и механизм отбора мощности отключается.
ВКЛЮЧЕНИЕ РТО 2
Напряжение подается на вывод 5 С751 (выключатель РТО) через предохранитель Е091 и провод 1240. Если выключатель включен (замыкание контактов 5 - 1), ток идет через провод 4595 на вывод 1 В246 (клапан включения РТО). Этот клапан срабатывает, вслед за чем включается механизм отбора мощности.
При включении РТО механически включается F088 (контрольный выключатель РТО коробки передач). При этом напряжение подается через предохранитель Е091 и провод 1240 на вывод 1 D094 (сигнальная лампа РТО 2 (оранжевого цвета)). Вывод 2 D094 замыкается на «массу» через выключатель F088 (соединение между контактами 1 и 2) и провод 3668. D094 активируется.
ВЫКЛЮЧЕНИЕ РТО 2
Размыкание контактов 5 - 1 С751 отключает РТО 2.
При этом подача напряжения на вывод 1 С751 прекращается. Клапан С751 более не будет находиться под напряжением и механизм отбора мощности отключится.
Выключатель F088 выключается (разомкнутся контакты 2 - 1). Разрывается соединение D094 с «массой» и лампа гаснет.
Расположение
7 Опция
26 Соединение, если выключатель сцепление РТО N10 отсутствует
32, 35, 44, 47:
Разъем 626: относится только к автомобилям типа FA
35, 44 Разъем 650: относится только к автомобилям, оснащенным коробкой передач Allison
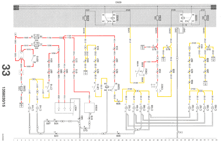
ФАРЫ-ПРОЖЕКТОРЫ НА КРЫШЕ/ОХЛАДИТЕЛЬНАЯ КАМЕРА/ПРОБЛЕСКОВЫЕ МАЯЧКИ

ФАРЫ-ПРОЖЕКТОРЫ НА КРЫШЕ
Габаритные огни/стояночные огни в фарах-прожекторах на крыше
Напряжение подается на вывод 2 переключателя С622 (переключатель освещения) через предохранитель Е084 и провод 1101. При включении переключателя (замыкание контактов 2 - 1), напряжение подается через провод 2100 на вывод 85 реле G000 (реле фонарей заднего хода/ боковых фонарей). Это реле активируется. При этом напряжение подается через контакты 30 - 87 реле G000, предохранитель Е000 и провод 2102 на С074 (левые задние боковые фонари) и С012 (левые передние боковые фонари), соответственно, и на С163, С165, С167 и С169 (боковые фонари/фары-прожекторы на крыше), соответственно. Лампы габаритных/стояночных огней в фарах-прожекторах на крыше при этом загораются.
Фары-прожекторы на крыше
Напряжение подается на вывод 8 переключателя С832 (правый подрулевой переключатель, указатели поворотов/очиститель лобового стекла) через предохранитель Е084 и провод 1101. При включении переключателя (замыкание контактов 8 - 9), напряжение подается через провод 2120 на вывод 85 реле G002 (реле дальнего света). Это реле активируется. После этого ток идет через контакты 30 - 87 реле G002, предохранитель Е006 и провод 2122 на, соответственно, С002 (левая фара дальнего света) и вывод 6 С813 (выключатель фар-прожекторов на крыше).
При включении данного выключателя (замыкание контактов 6 - 2), напряжение также подается на вывод 85 G299 (реле фар-прожекторов на крыше). Это реле активируется. После этого напряжение подается через предохранитель Е142, провод 1154, контакты 30 - 87 G299 на вывод 1 С162, С164, С166 и С168 (фары-прожекторы на крыше), соответственно. Эти фары загораются.
ОХЛАДИТЕЛЬНАЯ КАМЕРА
Охладительная камера находится под напряжением при ВЫКЛЮЧЕННОМ зажигании. Напряжение также подается через предохранитель Е142 и провод 1154 на вывод 1 В358 (охладительная камера).
ПРОБЛЕСКОВЫЕ МАЯЧКИ
Проблесковые маячки ставятся под напряжение ПОСЛЕ ВКЛЮЧЕНИЯ зажигания. Напряжение подается через предохранитель Е163 и провод 1258 на вывод 6 С716 (выключатель проблесковых маячков синего цвета). При включении выключателя (замыкание контактов 6 - 2) напряжение через провод 2017 подается на С144 (проблесковый маячок синего цвета со стороны водителя) и С145 (проблесковый маячок синего цвета со стороны пассажира). Эти проблесковые маячки загораются. Вместо проблесковых маячков синего цвета могут устанавливаться проблесковые маячки оранжевого цвета, в сочетании с выключателем С715.
ECAS 3 (4x2)


Расположение
69 Разъем 651 только для автомобиля типа FA
ECAS 2 (6x2)


РЕГУЛИРОВКА ВЫСОТЫ СВЕТОВОГО ПУЧКА ФАР ГОЛОВНОГО СВЕТА

Функционирование
Положение для стояночных и габаритных огней
Напряжение подается на вывод 2 переключателя С622 (переключатель освещения) через предохранитель Е084 и провод 1101. При осуществлении соединения (контакты 2 и 85) на переключателе С622, напряжение подается через провод 2100 на контакт 1 реле G000 (реле задних/боковых фонарей). После активации реле, возникает соединение между контактами 30 и 87. В результате напряжение подается через реле G000 (контакты 30 – 87), провод 2101, предохранитель Е117 и провод 2630 на вывод А переключателя С764 (потенциометр для регулировки светового пучка фар головного света). При этом загорается светодиод в переключателе.
Положение для ближнего света
При замыкании контактов 2 и 4 на переключателе С622, напряжение подается на вывод 85 реле G000, через предохранитель Е084, провод 1101, переключатель С622, провод 2110 через D609 (диод переключателя освещения). Кроме того, напряжение подается на В129 (левый электродвигатель регулировки высоты светового пучка), вывод 4, В130 (правый электродвигатель регулировки высоты светового пучка), вывод 1 и вывод 5 С764 (потенциометра для регулировки светового пучка фар головного света). В зависимости от положения С764 (потенциометра для регулировки светового пучка фар головного света), запускается двигатель в фаре. Электродвигатель регулировки светового пучка фар головного света остается включенным до момента достижения электрического равновесия. Это равновесие относится к разности напряжений, существующих между проводами 2110 и 4953 С764, В129 и В130. Эта разность напряжений должна быть одинаковой для всех трех узлов.
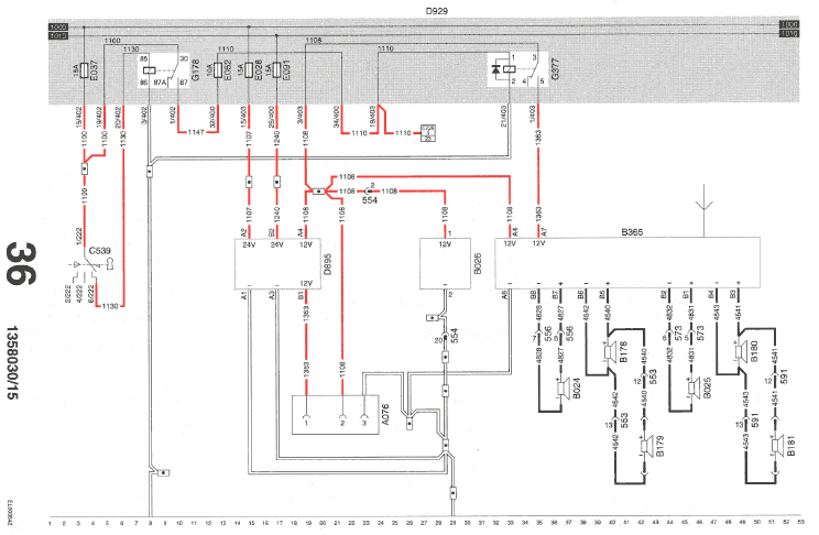
ПРЕОБРАЗОВАТЕЛЬ 24В/12В ДЛЯ РАДИО/СИ-БИ РАДИОСТАНЦИИ

Нижеприведенное описание функционирования и соединения приведено только в качестве общего руководства.
См. также инструкции изготовителя по установке, поставляемые вместе с радиоаппаратом.
Если переключатель электропитания (С539) установлен в положение 1 «дополнительные устройства», штырьковый вывод 1 соединяется со штырьковым выводом 6 (провод 1100 с проводом 1130). В результате этого напряжение подается на вывод 85 реле G178. Это реле активируется. Напряжение также подается на штырьковый вывод 1 реле G377 через предохранитель Е037, провод 1100, контакты 30 – 87 реле G178, провод 1147, предохранитель Е052 и провод 1110. Это устройство активируется. При этом напряжение 12-вольт подается через провод 1108, контакты 3 - 5 реле G377 и провод 1363 на вывод А7 разъема «ISO».
Радиоаппарат имеет гнездо для подключения антенны и два выхода, к которым подключены динамики В024 и В025. Кроме того, к радиоаппарату можно подключить два высокочастотных и два низкочастотных динамика (В178, В179 и В180 и В181).
СИ-БИ РАДИОСТАНЦИЯ
Кроме того, (в разъеме белого цвета) имеется провод 1108, использующийся для передатчика (В026). Этот разъем находится в консоли крыши, со стороны водителя.
См. дополнительную информацию в блоке 6: Подсоединение дополнительных устройств.
ЭЛЕКТРОСТЕКЛОПОДЪЕМНИКИ/ЦЕНТРАЛЬНЫЙ ЗАМОК/ЛЮК В КРЫШЕ ВЫСОКОЙ КАБИНЫ
ЭЛЕКТРОСТЕКЛОПОДЪЕМНИК, СО СТОРОНЫ ВОДИТЕЛЯ (ОПУСКАНИЕ СТЕКЛА)
(Переключатель в облицовке двери, со стороны водителя)
При включении переключателя электростеклоподъемника (С745) и замыкании контактов (контакты 2 и 4), через предохранитель Е044 и переключатель С745 (провод 4526) напряжение подается на реле G030. В результате этого, напряжение питания подается через предохранитель Е034 на вывод 1 электродвигателя (В003). Другой вывод (2) соединен с «массой» через реле G31. Двигатель начинает вращаться против часовой стрелки и опускное стекло в двери со стороны водителя опускается.
ЭЛЕКТРОСТЕКЛОПОДЪЕМНИК, СО СТОРОНЫ ВОДИТЕЛЯ (ПОДЪЕМ СТЕКЛА)
(Переключатель в облицовке двери, со стороны водителя)
При включении переключателя электростеклоподъемника (С745) и замыкании контактов (контакты 4 и 1), через предохранитель Е044 и переключатель С745 (провод 4527) напряжение подается на реле G031. В результате этого, напряжение питания подается через предохранитель Е034 на вывод 2 электродвигателя (В003). Другой вывод (1) соединен с «массой» через реле G030. Двигатель начинает вращаться по часовой стрелке и опускное стекло в двери со стороны водителя поднимается.
ЭЛЕКТРОСТЕКЛОПОДЪЕМНИК, СО СТОРОНЫ ПАССАЖИРА (ОПУСКАНИЕ СТЕКЛА)
(Переключатель в облицовке двери, со стороны водителя)
При включении переключателя электростеклоподъемника (С743) и замыкании контактов (контакты 2 и 4), через предохранитель Е044 и переключатель С743 (провод 4522) напряжение подается на реле G028. В результате этого, напряжение питания подается через предохранитель Е033 на вывод 1 электродвигателя (В004). Другой вывод (2) соединен с «массой» через реле G029.
Двигатель начинает вращаться против часовой стрелки и опускное стекло в двери со стороны пассажира опускается.
ЭЛЕКТРОСТЕКЛОПОДЪЕМНИК, СО СТОРОНЫ ПАССАЖИРА (ПОДЪЕМ СТЕКЛА)
(Переключатель в облицовке двери, со стороны водителя)
При включении переключателя электростеклоподъемника (С743) и замыкании контактов (контакты 4 и 1), через предохранитель Е044 и переключатель С743 (провод 4523) напряжение подается на реле G029. В результате этого, напряжение питания подается через предохранитель Е033 на вывод 2 электродвигателя (В004). Другой вывод (1) соединен с «массой» через реле G028. Двигатель начинает вращаться по часовой стрелке и опускное стекло в двери со стороны пассажира поднимается.
ЭЛЕКТРОСТЕКЛОПОДЪЕМНИК, СО СТОРОНЫ ПАССАЖИРА
(Переключатель в облицовке двери, со стороны пассажира)
Управление электростеклоподъемником со стороны пассажира с использованием С744 аналогично управлению со стороны водителя. При включении переключателя С744 (замыкание контактов 4 и 2), через переключатель С743 (контакты 5 и 2) ставится под напряжение реле G028 и двигатель (В004) опускает стекло. При включении переключателя С744 (замыкание контактов 4 и 1), через переключатель С743 (контакты 3 и 1) ставится под напряжение реле G029, двигатель (В004) вращается по часовой стрелке и стекло, в результате, поднимается.
Электростеклоподъемники функционируют только при включенном электропитании.
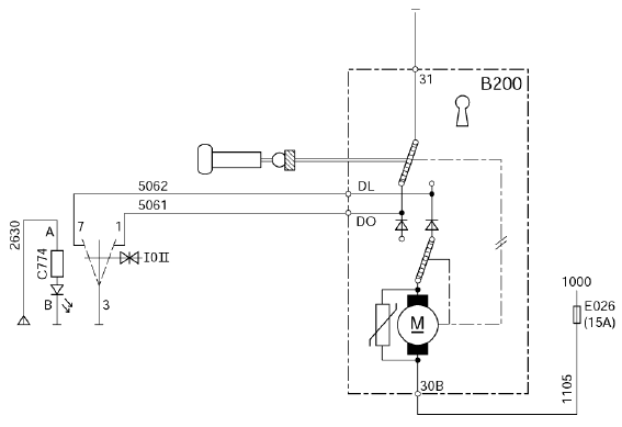
ЦЕНТРАЛИЗОВАННОЕ ЗАПИРАНИЕ ДВЕРИ СО СТОРОНЫ ПАССАЖИРА (СТАНДАРТНАЯ КОМПЛЕКТАЦИЯ)
Назначение:
Запирание двери пассажира с использованием кнопки/ключа или переключателя С744.
Водитель может запирать/отпирать дверь со стороны пассажира, находясь на своем месте, при помощи переключателя.
Электродвигатель центрального замка, со стороны пассажира (В200):
Двигатель снабжен двумя (внутренними) выключателями, а именно:
- Концевой выключатель (переключается в конце каждого хода) (нижний переключатель на схеме).
- Выключатель, механически соединенный с кнопкой запирания (переключается в начале каждого перемещения кнопки запирания вверх или вниз) (верхний переключатель на схеме).
Примечание:
Механическая связь (посредством тяг) между цилиндром замка и кнопкой запирания не нарушается.

Исходное положение: дверь отперта (см. рисунок)
- Запирание двери с использованием кнопки/ключа.
За счет системы тяг немедленно переключается верхний переключатель. В результате этого, ток идет через предохранитель (Е026), соединение 30b, двигатель, нижний выключатель и верхний выключатель через соединение 31 на «массу». Благодаря механической связи между двигателем и кнопкой запирания, кнопка перемещается вниз. По достижении нижнего положения «концевой» выключатель переключает полюса (нижний переключатель на схеме). То же самое происходит при отпирании. Направление вращения двигателя не меняется. Однако выключатели находятся в другом положении. Усилие передается от двигателя на кнопку запирания через систему угловых рычагов/соединительных тяг.
- Запирание двери с использованием переключателя С774.
Если подпружинным переключателем С774 замыкаются выводы 3 и 7, вывод DL В200 замыкается на «массу». Для пуска двигателя достаточно кратковременного нажатия. Вследствие наличия механической связи между двигателем и кнопкой запирания, верхний выключатель немедленно переключается. Протекание тока продолжается до момента разрыва цепи «концевым» выключателем.
- Отпирание двери с использованием переключателя С774.
Если подпружиненным переключателем (С774) замыкаются выводы 3 и 1, вывод DО (В200) на короткий момент замыкается на «массу». Осуществляемые действия аналогичны, за исключением того, что выключатели, после перемещения кнопки запирания вверх, вновь занимают свои противоположные положения.
ЦЕНТРАЛЬНЫЙ ЗАМОК (ОПЦИЯ)
Назначение:
- Автоматическое запирание обеих дверей при запирании одной из дверей посредством ключа/кнопки.
- Автоматическое запирание обеих дверей посредством пульта дистанционного управления.
- Если одна из двух дверей отперта при помощи ключа/кнопки, разблокирована будет только эта дверь; другая дверь остается запертой.
- Автоматическое отпирание водительской двери с пульта дистанционного управления.
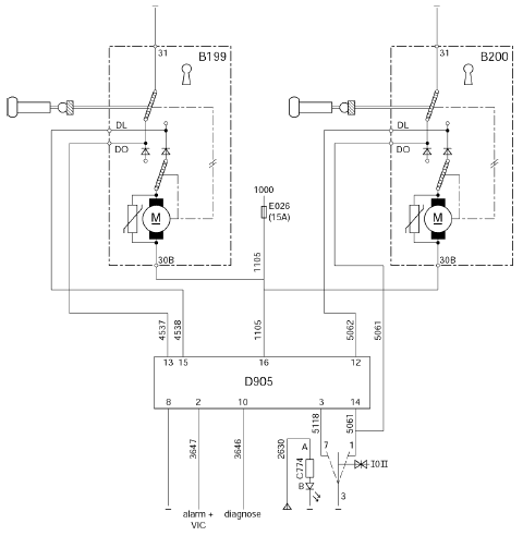
Описание двигателя центрального замка со стороны водителя (В199) и двигателя центрального замка со стороны пассажира (В200).
Оба узла работают так, как описывалось выше для В200.
Исходное положение: обе двери заперты.
Отпирание двери со стороны пассажира с использованием ключа. Происходит аналогично версии стандартной комплектации. Другая дверь остается запертой.
Отпирание двери со стороны пассажира с использованием переключателя С774.
При включении переключателя 774 (штырьковый вывод 3 соединяется со штырьковым выводом 1), вывод DO узла В200 замыкается на «массу». В200 активируется так же, как и в случае стандартной комплектации.
Отпирание водительской двери с использованием пульта дистанционного управления.
При нажатии кнопки отпирания дверей на пульте дистанционного управления, блок дистанционного управления посылает сигнал с фиксированным кодом на блок CDS-3 (D905). После того, как блок CDS-3 (D905) опознает блок дистанционного управления на основе фиксированного кода, блок дистанционного управления посылает кодированные сообщения на блок CDS-3 (D905). Эти сообщения кодируются с использованием плавающего кода. Этот плавающий код меняется всякий раз при нажатии на кнопку дистанционного управления. После того, как блок CDS-3 (D905) принял сообщения, он посылает сигнал на блок VIC (D900) и, если автомобиль оснащен системой сигнализации, также посылает сигнал на блок системы сигнализации (D911).
В результате этого, блок CDS-3 (D905) замыкает штырьковый вывод 13 (провод 4537) на «массу». При этом приводится в действие двигатель (В199). Затем блок CDS-3 (D905) проверяет статус реакции двигателя (В199). Он использует эту информацию для определения того, насколько успешно произошло отпирание двери со стороны водителя. Затем, через штырьковый вывод 2 (провод 3647), блок CDS-3 (D905) посылает сообщение на VIC (D900), подтверждающее успешное отпирание водительской двери. В результате этого, VIC (D900) на определенное время включает внутреннее освещение. Если после трех попыток водительская дверь не разблокировалась надлежащим образом, на VIC (D900) посылается сообщение о безуспешности отпирания.
При наличии системы охранной сигнализации, от блока CDS-3 (D905), вывод 2 (провод 3647) будет послан сигнал на блок сигнализации (D911). При этом сигнализация отключится.
Исходное положение: обе двери отперты.
Запирание водительской двери с использованием ключа/кнопки.
Данная операция осуществляется аналогично версии в стандартной комплектации, за исключением того, что блок D905 измеряет сигнал «массы» на штырьковом выводе 15 через вывод DL (провод 4538). После этого D905 замыкает штырьковый вывод 12 на «массу», при этом также активируется В200. При этом также запирается дверь со стороны пассажира.

Запирание пассажирской двери с использованием ключа/кнопки.
Происходит так же, как описано выше, за исключением того, что блок D905 измеряет сигнал «массы» на штырьковом выводе 12 (провод 5062) и замыкает на «массу» штырьковый вывод 15 (провод 4538) узла В199. При этом также запирается дверь со стороны водителя, а система сигнализации встает на охрану.
Запирание двери со стороны пассажира с использованием переключателя С774.
При включении переключателя С774 (штырьковый вывод 3 соединен со штырьковым выводом 7), на штырьковом выводе 3 блока D905 (провод 5118) создается сигнал «массы». При этом D905 замыкает вывод 12 (провод 5062) на «массу», таким образом, активируется В200 и запирается дверь со стороны пассажира.
Запирание дверей с водительской и пассажирской стороны с помощью блока дистанционного управления.
При нажатии кнопки запирания дверей на блоке дистанционного управления, блок дистанционного управления посылает сигнал с фиксированным кодом на блок CDS-3 (D905). После того, как блок CDS-3 (D905) опознает блок дистанционного управления на основе фиксированного кода, блок дистанционного управления посылает кодированные сообщения на блок CDS-3 (D905). Эти сообщения кодируются с использованием плавающего кода. Этот плавающий код меняется всякий раз при использовании кнопки дистанционного управления. После того, как блок CDS-3 (D905) принял сообщения, он посылает сигнал на блок VIC (D900) и, если автомобиль оснащен системой сигнализации, также посылает сигнал на блок системы сигнализации (D911).
В результате этого, блок CDS-3 (D905) замыкает штырьковые выводы 12 (провод 5062) и 15 (провод 4538) на «массу». При этом приводятся в действие двигатели (В199 и В200). Затем блок CDS-3 (D905) проверяет статус реакции двигателей (В199 и В200). Он использует эту информацию для определения того, насколько успешно произошло запирание дверей. Затем, через штырьковый вывод 2 (провод 3647), блок CDS-3 (D905) посылает сообщение на VIC (D900), подтверждающее успешное запирание дверей. В результате этого, блок VIC (D900) отключает внутреннее освещение.
Если после трех попыток двери не заблокировались надлежащим образом, на блок VIC (D900) посылается сообщение о безуспешности запирания; внутреннее освещение остается включенным.
При наличии системы охранной сигнализации, от блока CDS-3 (D905), вывод 2 (провод 3647) будет послан сигнал на блок сигнализации (D911). При этом сигнализация встает на охрану.
ИНИЦИАЛИЗАЦИЯ
Если на блок CDS-3 питание подается в первый раз (при установке или замене электронного блока), или при использовании новых брелоков (не более 8), блок CDS-3 должен опознать эти брелоки. Для обеспечения возможности связи блока CDS-3 c брелоками, необходимо проделать следующую процедуру:
При установке или замене электронного блока CDS-3.
Этап 1:
С помощью переключателя (С774) на центральной консоли, заприте пассажирскую дверь.
Затем в течение 2-10 секунд отоприте пассажирскую дверь при помощи переключателя (С774). Затем в течение 2-10 секунд заприте пассажирскую дверь при помощи переключателя (С774).
После этого электронный блок CDS-3 проинформирован об инициализации брелоков и посылает сигнал на VIC. VIC включает указатели поворотов, заставляя их мигнуть один раз.
Этап 2:
Нажмите и удерживайте кнопку «запирания» на брелке (). Находясь внутри кабины, нажмите «lock co-driver’s door» (запирание пассажирской двери).
ЛЮК В КРЫШЕ (ВЫСОКАЯ КАБИНА)
ОТКРЫВАНИЕ ЛЮКА В КРЫШЕ
При включении переключателя люка в крыше (С736), с замыканием контактов 2 и 6 и, следовательно, контактов 1 и 3, через предохранитель Е045, переключатель С736 и провод 4761 напряжение подается на штырьковый вывод 1 двигателя люка в крыше (В175). Люк в крыше открывается.
ЗАКРЫВАНИЕ ЛЮКА В КРЫШЕ
При включении переключателя люка в крыше (С736), с замыканием контактов 8 и 6 и, следовательно, контактов 7 и 3, через предохранитель Е045, переключатель С736 и провод 4760 напряжение подается на штырьковый вывод 2 двигателя люка в крыше (В175). Люк в крыше закрывается.
Расположение
36 В стандартной версии также не устанавливаются двигатель централизованного запирания водительской двери (В199) и электронный блок центрального замка (D905).
Соединения В200 следующие

Провод 5062 непосредственно соединен с контактом 7 переключателя С774.


МЕХАНИЧЕСКИЙ ПОДЪЕМНЫЙ МЕХАНИЗМ


Подъем вручную:
При включении переключателя С704 (переключатель подъемного механизма) (замыкание контактов 3 - 1), напряжение подается через предохранитель Е062, провод 1221, контакты 3 - 1 переключателя С704, провод 4550, контакты 3 - 4 реле G381 и провод 5180 на вывод 1 В071. Этот клапан ставится под напряжение. Одновременно, напряжение подается через D622, провод 4552, контакты 30 - 87а реле G066 и провод 4557 на вывод 85 реле G052. Это реле активируется и замыкает контакты 1 - 2. При этом напряжение подается через контакты 1 - 2 реле G052 и провод 4554 на вывод 1 В073. При этом запускается двигатель масляного насоса. При чрезмерном увеличении давления масла (>160 бар) контакты Е524 замыкаются. После этого напряжение подается через контакты 1 -2 Е524 на вывод 85 реле G066. Это реле срабатывает и размыкает соединение 30 - 87а. После этого питание подается через провод 4552, контакты 30 - 87 реле G066 и провод 4558 на вывод 85 реле G066. Это реле остается под напряжением. В то же время, напряжение с G025 снимается. Контакты 1 - 2 размыкаются и напряжение с вывода 1 В073 снимается. Двигатель насоса прекращает работу и давление масла падает.
Опускание вручную:
При включении переключателя С704 (переключатель подъемного механизма) (замыкание контактов 3 - 7), напряжение подается через предохранитель Е062, провод 1221, контакты 3 - 7 переключателя С704 и провод 4551 на вывод S1 D503. Через вывод 87 D503 и провод 4553, напряжение подается на вывод 1 В072. Этот клапан ставится под напряжение. Одновременно, напряжение подается через D623, провод 4552, контакты 30 - 87а реле G066 и провод 4557 на вывод 85 реле G052. Это реле срабатывает и замыкает контакты 1 - 2. После этого напряжение подается через контакты 1 - 2 реле G052 и провод 4554 на вывод 1 В073. При этом запускается двигатель масляного насоса.
При чрезмерном увеличении давления (>160 бар) контакты Е524 замыкаются. После этого ток идет через контакты 1 - 2 Е524 на вывод 85 реле G066. Это реле ставится под напряжение и размыкает соединение 30 - 87а. После этого напряжение подается от провода 4552 через контакты 30 - 87 реле G066 и провод 4558 на вывод 85 реле G066. Это реле остается под напряжением. В то же время, напряжение с G052 снимается. Контакты 1 - 2 размыкаются и напряжение с вывода 1 В073 снимается. Двигатель насоса прекращает работу и давление масла падает.
Автоматическая защита моста от перегрузки
Если осевое давление на ведущий мост превысит разрешенный законом максимум, срабатывает датчик Е584. При этом датчик Е507 переходит в режим «ожидания». Если происходит дальнейшее увеличение нагрузки на ось (> 10 тонн), датчик Е507 автоматически опускает подъемный мост.
Если мост поднят, F097 (бесконтактный выключатель механизма подъема подъемного моста) обеспечивает подачу напряжения на реле G380 через провод 3661. После этого напряжение подается через предохранитель Е062, провод 1221, контакты 3 - 5 реле G380 на вывод 1 Е507. Этот датчик срабатывает.
Напряжение немедленно подается на S2 D503. Посылка сигнала бесконтактным выключателем защиты моста от перегрузки (Е507) на S2 должна продолжаться, по крайней мере, 10 секунд, прежде чем электронный блок подъемного механизма (D503) активирует клапан (В072) и двигатель насоса подъемного механизма (В073), после чего последует опускание подъемного моста. Это необходимо для предотвращения превышения максимально-допустимой законодательством нагрузки на мост.
Если в течение этих 2,5 минут вновь задействован переключатель на панели приборов, произойдет сброс параметров электронного блока и начнется отсчет следующего 2,5-минутного срока.
Кроме того, сработает реле двигателя подъемного механизма (G052), запуская, тем самым, двигатель насоса подъемного механизма (В073). Это происходит через D623, реле G066 (замыкание выводов 30 и 87а) на вывод 85 реле G052. По достижению давления 160 бар, датчик ограничения давления масла (Е524) отключает двигатель насоса подъемного механизма (В073) через реле (G066) и реле (G052).
Подъемный мост нельзя поднять в течение 2,5-минутного срока, поскольку клапан (В072) остается под напряжением. Для подъема подъемного моста этот клапан должен быть не под напряжением.
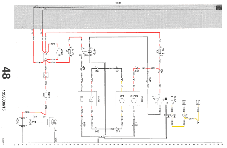
ПОДОГРЕВАТЕЛЬ ТОПЛИВА (THERMOLINE)

Напряжение подается через провод 1010, предохранитель Е170 и провод 1285 на вывод 5 С872 (выключатель топливного фильтра/влагоотделителя). При включении выключателя (замыкание контактов 5 - 1), напряжение подается через провод 5048 на вывод 85 реле G201 (реле подогрева топлива, Thermoline). Это реле срабатывает и контакты 30 - 87 замыкаются.
После этого напряжение подается через провод 1000, предохранитель Е164, провод 1190, контакты 30 - 87 G201 и провод 5051 на вывод 1 В182 (элемент предварительного подогрева топлива). Этот элемент нагревается и поддерживает топливо в жидком состоянии.
СИСТЕМА ОЧИСТИТЕЛЯ/ОМЫВАТЕЛЯ ЛОБОВОГО СТЕКЛА

Скорость I (низкая скорость)
Если переключатель очистителя лобового стекла С832 установлен в положение I (замыкание контактов 13 - 2), напряжение подается через предохранитель Е035, провод 1211, контакты 13 - 2 переключателя С832 и провод 4501 на вывод 9 разъема 595. VIC (D900) замыкает штырьковый вывод 50 разъема 594 на «массу». При этом напряжение подается через предохранитель Е025 и провод 1205 на вывод 1 реле G237. Поскольку VIC замыкает провод 4505 на «массу» через штырьковый вывод 50 (разъем 594), реле G237 ставится под напряжение.
После этого напряжение подается через предохранитель Е025, провод 1205, контакты 3 - 4 реле G236 и провод 4507 на вывод 53 В000.
Скорость II (высокая скорость)
Если переключатель очистителя лобового стекла С832 установлен в положение II (замыкание контактов 3 - 10), реле G236 и G237 замыкаются на «массу» через предохранитель Е025, провод 1205, реле G236 и G237, провод 4505, диод D782, провод 4504 и переключатель С832 (контакты 3 - 10). При этом оба реле ставятся под напряжение. После этого напряжение подается через предохранитель Е025, провод 1205, контакты 5 - 3 реле G237, провод 4506, контакты 3 - 5 реле G236 и провод 4508 на вывод 53b В000.
Скорость II (высокая скорость) переключается без участия VIC.
Прерывистый режим
Если переключатель очистителя лобового стекла С832 установлен в положение прерывистого режима (замыкание контактов 13 - 1), напряжение подается через предохранитель Е035, провод 1211, контакты 13 - 1 С832 и провод 4502 на вывод 37 разъема 595. VIC (D900) замыкает штырьковый вывод 50 разъема 595 на «массу». После этого напряжение подается через предохранитель Е025, провод 1205 на вывод 1 реле G237. Замыкание на «массу» обеспечивается через провод 4505 и вывод 50 разъема 594. В результате, ставится под напряжение реле G237.
Напряжение при этом подается через предохранитель Е025, провод 1205, контакты 5 – 3 реле G237, провод 4506, контакты 3 – 5 реле G236 и провод 4507 на вывод 53 В000.
Напряжение подается на вывод 32 разъема VIC 595 через предохранитель Е025, провод 1205, выключатель в двигателе очистителя лобового стекла (В000) и провод 4509. Разрывается связь с «массой» штырькового вывода 50 (разъем 594), после чего подача напряжения на реле G237 прекращается.
Если вывод 32 выключателя (разъем 595) вновь замкнуть на «массу», через установленный интервал времени вновь окажется замкнутым на «массу» вывод 50 (разъем 594) и, в результате, реле G237 вновь окажется под напряжением. При этом цикл возобновляется.
Одновременная работа очистителя/омывателя
При кратковременной подаче напряжения через предохранитель Е035, провод 1211, контакты 4 - 11 С832, провод 3648, вывод 33 (разъем 595) и последующем отключении питания (выключении переключателя С832), вывод 50 (разъем 594) замыкается на массу на определенный промежуток времени. При этом активируется реле (G237) и щетки стеклоочистителя совершают одно чистящее движение.
Если в течение прибл. 2 секунд на переключатель очистителя лобового стекла (С832) подается напряжение через предохранитель Е035, провод 1211, контакты 4 - 11 С832 и провод 3648, напряжение будет подано на вывод 1 разъема 592, после чего включится электродвигатель очистителя лобового стекла (В001). Через прибл. 1 секунду, С50 на определенное время замкнется на «массу». При этом сработает реле (G237) и включится электродвигатель очистителя лобового стекла.
ОТОПИТЕЛЬ КАБИНЫ EBERSPACHER (ACH-E) C ТАЙМЕРОМ/БЕЗ ТАЙМЕРА

Расположение
10 Только если автомобиль оборудован для транспортировки опасных материалов в соответствии с требованиями RTMDR.
34, 49 Устанавливается только если автомобиль оснащен таймером
37 Только если автомобиль оборудован для транспортировки опасных материалов в соответствии с требованиями RTMDR.
44, 49 Устанавливается только если автомобиль оснащен термостатом
ОТОПИТЕЛЬ КАБИНЫ HYDRONIC 10 (ACH-H) С ТАЙМЕРОМ


Расположение
3 Только если автомобиль оборудован для транспортировки опасных материалов.
17 Только если автомобиль оборудован для транспортировки опасных материалов.
ФУНКЦИОНАЛЬНЫЙ РАЗЪЕМ UPEC/CUMMINS/AGC/ФУНКЦИИ ОБОРУДОВАНИЯ КУЗОВА




Расположение
73 −> 105: Только если автомобиль оснащен UPEC
109 −> 137: Если автомобиль оснащен ECS-DC3
165 −> 183: Все разъемы 658: Опция
185−>195: Все разъемы 654: Опция
165 −> 182 и 185 −>207:
Все разъемы 656: Опция
185 −> 207: Все разъемы 657: Опция
197 −> 207: Все разъемы 655: Опция
EBS


Расположение
4, 7, 10, 13, 16, 19, 22:
Для короткой
кабины: разъем 605.
Для кабины с спальным местом и высокой кабины со спальными местами: разъем 617
14 А004 если автомобиль типа FA
А005 если автомобиль типа FT
ВЫКЛЮЧАТЕЛЬ СИСТЕМЫ КОНТРОЛЯ ИЗНОСА ТОРМОЗНЫХ НАКЛАДОК

Если одна из тормозных накладок станет слишком тонкой, контакт В17 VIC через провод 3406 будет прерван соответствующим выключателем системы контроля износа тормозных накладок (F107 или F108 или F109 или F110 или F111 или F112 или F113 или F114). VIC пошлет сообщение на приборный щиток, на котором высветится индикатор «износ тормозных накладок».
СИСТЕМА СИГНАЛИЗАЦИИ/ЗАРЯДНОЕ УСТРОЙСТВО АККУМУЛЯТОРНОЙ БАТАРЕИ СИСТЕМЫ СИГНАЛИЗАЦИИ BV3



Расположение
2 Устанавливается в случае, когда система сигнализации НЕ установлена
5, 11, 13 НЕ установлены в случае
модели BV02
17 Дополнительную информацию см. на подсхемах 17 и 18
46 −> 50 Разъем 642: если автомобиль типа FA;
Разъем 605: если автомобиль типа FТ;
47 52 разъем А001: если автомобиль типа FA
Разъем А003: если автомобиль типа FT
63 Относится только к кабине со спальным местом
56 Соединение для F686 (это опция). Относится только к кабине со спальным местом и к модели BV2, BV3 или Н1.
116 НЕ существует в версии Н1
122 Устанавливается в случае, когда система сигнализации НЕ установлена
137 D931; только в случае, когда система сигнализации НЕ установлена
ШТЕПСЕЛЬНЫЕ РОЗЕТКИ, FA/FT




ДИАГНОСТИЧЕСКАЯ РОЗЕТКА (А021)
Диагностическая розетка расположена справа внизу с внешней стороны центральной коробки. Это розетка предназначена для подсоединения DAVIE. После включения электропитания, напряжение подается на штырьковый вывод 1 через предохранитель Е053. Штырьковый вывод 2 замкнут на «массу». Остальные штырьковые выводы предназначены для связи с различными системами и подсоединяются к этим системам.
Расположение
22, 25 Разъем 585:
Для АBS/ASR- D разъем 585.
Для EBS разъем 584
22, 25, 37 Разъем 610:
АBS/ASR-D разъем 610.
Для EBS разъем 608
20 −> 33 Разъем 642:
К нему можно подсоединить 7- или 15-штырьковый разъем
26 А004: Для автомобиля типа FA
А005: Для автомобиля типа FТ
59 Разъем 585:
Для АBS/ASR- D разъем 585.
Для EBS разъем 584
Для блока ABS/ASR-D: D850
Для блока EBS: D880
63 Если автомобиль оснащен системой EMAS: диагностическая розетка системы EMAS также подсоединена к выводу 8 (провод 3646) (блок: D850).
Провод 3646 системы EMAS включает разъем: 445
125 А000 и А001: Возможны два 7-штырьковых или один 15-штырьковый разъем
185 Применяется только на автомобилях типа FA
ТОПЛИВНЫЙ ФИЛЬТР/ВЛАГООТДЕЛИТЕЛЬ (RACOR)

После включения электропитания автомобиля напряжение подается через провод 1010 и предохранитель Е170 на вывод 1 электронного блока (D855), а также на выключатель топливного фильтра/влагоотделителя (С872). При включении этого выключателя, реле G234 ставится под напряжение. Напряжение подается через провод 1000, предохранитель Е171, провод 1179, контакты 30 и 87 реле G234 и провод 5051 на вывод 3 датчика нагревательного элемента топливного фильтра/влагоотделителя (В241). Загорается сигнальный светодиод «ON» (включено).
Через провода 5049 и 5050 идет сигнал о том, что во влагоотделителе имеется вода. При этом загорается сигнальный светодиод «DRAIN» (слив).
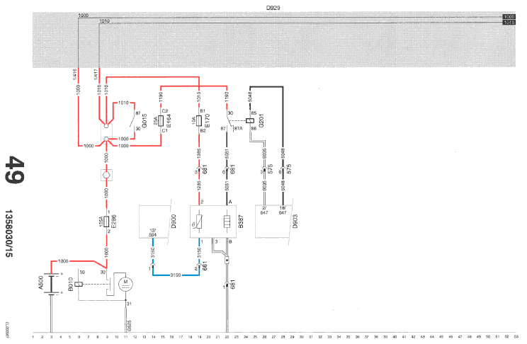
ТОПЛИВНЫЙ ФИЛЬТР/ВЛАГООТДЕЛИТЕЛЬ (FLEET GUARD)

После включения электропитания автомобиля, напряжение подается на вывод 2 электронного блока В387 (электронный блок топливного фильтра/влагоотделителя) через провод 1010 и предохранитель Е170.
В случае слишком низкой температуры топлива, электронный блок ECS-DC3 (D903) активирует реле G201.
Напряжение подается от вывода 18, разъем 647 и провода 5048 на вывод 85 реле G201. вывод 86 реле G201 через провод «массы» соединяется с выводом 2, разъем 647. При этом VIC включает или отключает «массу», таким образом, реле G201, в зависимости от температуры топлива включается или отключается.
Когда реле G201 ставится под напряжение, контакты 30 – 87 замыкаются. При этом на вывод А электронного блока В387 подается напряжение через провод 1000, предохранитель Е164, провод 1190, контакты 30 – 87 реле G201 и провод 5051. При этом включается свеча накаливания.
Если в топливном фильтре грубой очистки/влагоотделителе скопилось слишком много воды, на вывод 12, разъем 594 блока VIC через вывод 1 В387 и провод 3150 подается напряжение. Блок VIC, в свою очередь, посылает сигнал на DIP через I-CAN. При этом DIP посылает сообщение, указывающее на то, что в топливном фильтре/влагоотделителе скопилось слишком много воды.














