См. также:
Электросхемы систем VIC-2+VIC-2 Lite DAF
LF45IV, LF55IV, CF65IV, CF75IV, CF85IV, XF105
VIC-2 LITE
BLOCK DIAGRAM FOR CAN NETWORK
Block diagram K102111 applies to:
- LF45 IV/LF55 IV models

- A100 Connector, HD-OBD diagnosis, 16-pole
- D310L ECU, VIC-2 Lite
- D904 Menu Control Switch
- E108 Fuse, VIC-2
- E277 Fuse, VIC-2
- E280 Fuse, VIC-2
BLOCK DIAGRAM FOR HAZARD WARNING/DIRECTION INDICATOR LIGHTS SYSTEM
Block diagram K102105 applies to:
- LF45 IV/LF55 IV models
Explanation of block diagram
A: Application with alarm system (ALS-S)

- A000 Connector, trailer (7-pole)
- C014 Light, indicator, front left
- C015 Light, indicator, front right
- C016 Light, indicator, side, driver
- C017 Light, indicator, side, co-driver
- C018 Light, indicator, rear left
- C019 Light, indicator, rear right
- C765 Switch, hazard warning
- C775 Switch, steering column, direction indicators
- D310L ECU, VIC-2 Lite
- D911 ECU, alarm, ALS-S
- E019 Fuse, steering column, left
- E114 Fuse, cab heater
- E284 Fuse, search lights
- G000 Relay, rear lights
BLOCK DIAGRAM FOR WINDSCREEN WIPER/WASHING SYSTEM
Block diagram K102106 applies to:
- LF45 IV/LF55 IV models

- B000 Motor, windscreen wiper
- B001 Pump, windscreen washer
- C842 Steering column
- D310L ECU, VIC-2 Lite
- E018 Fuse, wiper motor
- E025 Fuse, wiper motor
- G008 Relay, wiper
- G354 Relay, windscreen wiper
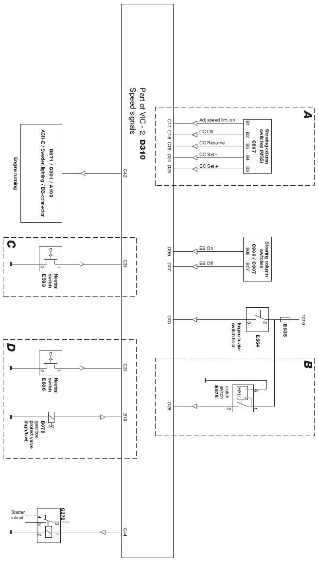
BLOCK DIAGRAM SPEED SIGNALS
Block diagram K102107 applies to:
- LF45 IV/LF55 IV models
Explanation of block diagram
A: Application with application connector A068
B: Application with PTO
C: Application with 9 gears

- A068 Connector, ESC
- A102 Connector, body builder, 8-pole
- B079 Valve, range protection
- B245 Valve, PTO 1 control
- C750 Switch, PTO 1 control
- C892 Switch, heater fan
- D310L ECU, VIC-2 Lite
- D758 Diode, anti-feedback to VIC
- D941 ECU, ABS/ASR-D
- E091 Fuse, heating element, PTO application connector
- E569 Switch, neutral position
- E587 Switch, brake lights/clutch
- F000 Switch, park brake
- F009 switch, cab lock
- F087 Switch, PTO status, 1st
- L012 Airco compressor
BLOCK DIAGRAM FOR SENSOR SIGNALS
Block diagram K102108 applies to:
- LF45 IV/LF55 IV models
Explanation of block diagram
A: Application without main switch
B: Application with main switch
C: Application with air suspension
D: Application with differential lock
E: If glow system

- A513 Alternator
- B341 Glow element
- D310L ECU, VIC-2 Lite
- D851 ECU, ECAS-3
- D924 ECU, main switch
- E143 Fuse, tacho/alarm
- F006 Switch, cross lock, 1st
- F608 Sensor, fuel level
- F651 Sensor, ambient temperature
- G014 Relay, grid heater
- G425 Relay, main switch
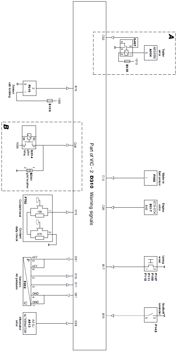
BLOCK DIAGRAM FOR WARNING SIGNALS
Block diagram K102109 applies to:
- LF45 IV/LF55 IV models, specification week <2007-32
Explanation of block diagram
A: Application with air suspension
B: Application with trailer connector (A104)
C: Application with airbag
D: Application with RAS-EC

- A004 Connector, trailer, ABS, 7-pole
- A513 Alternator
- D310L ECU, VIC-2 Lite
- D851 ECU, ECAS-3
- D926 ECU, airbag
- D940 ECU, RAS-EC
- F107 Switch, brake pad wear, 1st front axle, left
- F108 Switch, brake pad wear, 1st front axle, right
- F111 Switch, brake pad wear, 1st rear axle, left
- F112 Switch, brake pad wear, 1st rear axle, right
- F652 Sensor, air pressure
- F692 Sensor, water separator
Block diagram K102523 applies to:
- LF45 IV/LF55 IV models, specification week >2007-33
Modifications to LF45 IV/LF55 IV
- Seat belt reminder added
Explanation of block diagram
A: Application with air suspension
B: Application with trailer connector (A104)
C: Application with airbag
D: Application with RAS-EC

- A004 Connector, trailer, ABS, 7-pole
- A513 Alternator
- D310L ECU, VIC-2 Lite
- D851 ECU, ECAS-3
- D926 ECU, airbag
- D940 ECU, RAS-EC
- F107 Switch, brake pad wear, 1st front axle, left
- F108 Switch, brake pad wear, 1st front axle, right
- F111 Switch, brake pad wear, 1st rear axle, left
- F112 Switch, brake pad wear, 1st rear axle, right
- F142 Switch, seat belt status
- F652 Sensor, air pressure
- F692 Sensor, water separator
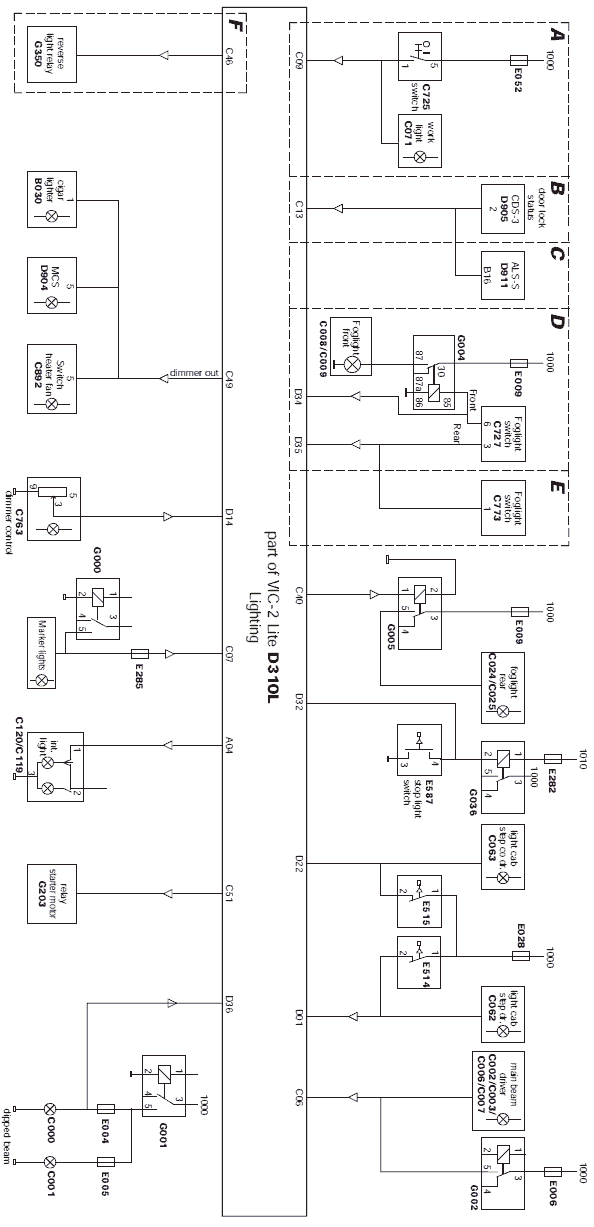
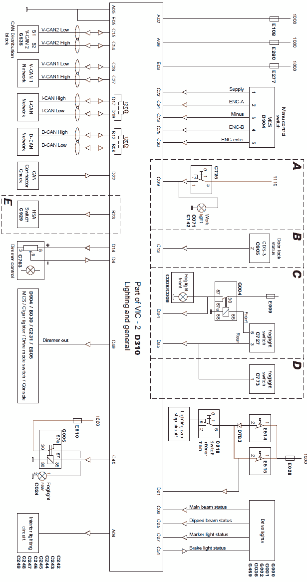
BLOCK DIAGRAM FOR LIGHTING
Block diagram K102110 applies to:
- LF45 IV/LF55 IV models
Explanation of block diagram
A: Application with work lamp
B: Application with CDS-3
C: Application with ALS-S
D: Application with front and rear fog lights
E: Application with rear fog lights only
F: Application with AS Tronic Lite gearbox

- B030 Cigar lighter, driver
- C000 Light, dipped beam, left
- C002 Light, main beam, left
- C008 Light, fog, front left
- C024 Light, fog, rear left
- C062 Light, cab step, left
- C063 Light, cab step, right
- C071 Light, work
- C192 Light, interior, with switch, co-driver's side
- C725 Switch, work light
- C727 Switch, fog light, rear and front
- C763 Dimmer, instrument light
- C773 Switch, fog lights, rear
- C892 Switch, heater fan
- D310L ECU, VIC-2 Lite
- D904 Menu Control Switch
- D905 ECU, CDS
- D911 ECU, alarm, ALS-S
- E004 Fuse, dipped beam, driver's side
- E006 Fuse, main beam, driver's side
- E009 Fuse, front fog lights
- E028 Fuse, interior
- E052 Fuse, work lamp
- E282 Fuse, engine brake / switch, stop lights
- E285 Fuse, VIC-2 / switch, fog lights
- E514 Switch, door, driver's side
- E515 Switch, door, co-driver's side
- E587 Switch, brake lights/clutch
- G000 Relay, rear lights
- G001 Relay, dipped beam
- G002 Relay, main beam
- G004 Relay, front fog lights
- G005 Relay, rear fog lights
- G036 Relay, brake light
- G203 Relay, starter take over
- G350 Relay, reverse lights
LOCATION INFORMATION, VIC-2 LITE, GENERAL

LOCATION INFORMATION, VIC-2 LITE, HAZARD WARNING/DIRECTION INDICATOR LIGHTS SYSTEM

LOCATION INFORMATION, VIC-2 LITE, WINDSCREEN WIPER/WASHING SYSTEM

LOCATION INFORMATION, VIC-2 LITE, SPEED SIGNALS

LOCATION INFORMATION, VIC-2 LITE, SENSOR SIGNALS

LOCATION INFORMATION, VIC-2 LITE, WARNING SIGNALS

LOCATION INFORMATION, VIC-2 LITE, LIGHTING

CF65 IV
BLOCK DIAGRAM GENERAL AND LIGHTING
Block diagram K102723 applies to:
- CF65 IV, specification week <2006-48
Explanation of block diagram
A: Application with work lamp
B: Application with CDS-3
C: Application with front and rear fog lights
D: Application with rear fog lights
E: Application with air conditioning

- B030 Cigar lighter, driver
- C008 Light, fog, front left
- C009 Light, fog, front right
- C024 Light, fog, rear left
- C062 Light, cab, step, left
- C063 Light, cab, step, right
- C071 Light, work
- C231 Light, centre console, lower
- C242 Light, interior, driver's side
- C243 Light, interior, co-driver's side
- C244 Light, interior, driver's side
- C245 Light, interior, co-driver's side
- C246 Light, interior, driver's side
- C247 Light, interior, co-driver's side
- C248 Light, interior, driver's side
- C249 Light, interior, co-driver's side
- C725 Switch, work light
- C727 Switch, fog light, rear and front
- C773 Switch, fog lights, rear
- D783 Diode, step lighting
- D904 Menu Control Switch
- D905 ECU, CDS
- E009 Fuse, front fog lights
- E010 Fuse, rear fog lights
- E045 Fuse, interior lighting
- E108 Fuse, VIC
- E277 Fuse, VIC
- E280 Fuse, VIC
- E514 Switch, door, driver's side
- E515 Switch, door, co-driver's side
- E605 Selector gear, AGC-A
- G004 Relay, front fog lights
- G005 Relay, rear fog lights
- G535 CAN distribution block
- L012 Airco compressor
Block diagram K102357 applies to:
- CF65 IV, specification week >2006-49
Modifications
- Airco compressor (L012) connected to pin B24
Explanation of block diagram
A: Application with work lamp
B: Application with CDS-3
C: Application with front and rear fog lights
D: Application with rear fog lights
E: Application with air conditioning

- B030 Cigar lighter, driver
- C008 Light, fog, front left
- C009 Light, fog, front right
- C024 Light, fog, rear left
- C062 Light, cab, step, left
- C063 Light, cab, step, right
- C071 Light, work
- C231 Light, centre console, lower
- C242 Light, interior, driver's side
- C243 Light, interior, co-driver's side
- C244 Light, interior, driver's side
- C245 Light, interior, co-driver's side
- C246 Light, interior, driver's side
- C247 Light, interior, co-driver's side
- C248 Light, interior, driver's side
- C249 Light, interior, co-driver's side
- C725 Switch, work light
- C727 Switch, fog light, rear and front
- C773 Switch, fog lights, rear
- D783 Diode, step lighting
- D904 Menu Control Switch
- D905 ECU, CDS
- E009 Fuse, front fog lights
- E010 Fuse, rear fog lights
- E045 Fuse, interior lighting
- E108 Fuse, VIC
- E277 Fuse, VIC
- E280 Fuse, VIC
- E514 Switch, door, driver's side
- E515 Switch, door, co-driver's side
- E605 Selector gear, AGC-A
- G004 Relay, front fog lights
- G005 Relay, rear fog lights
- G535 CAN distribution block
- L012 Airco compressor
BLOCK DIAGRAM HAZARD WARNING/DIRECTION INDICATOR LIGHTS SYSTEM
Block diagram K102353 applies to:
- CF65 IV
Explanation of block diagram
A: Application with alarm system (ALS-S)

- A000 Connector, trailer, 7-pole
- C014 Light, indicator, front left
- C015 Light, indicator, front right
- C016 Light, indicator, side, driver
- C017 Light, indicator, side, co-driver
- C018 Light, indicator, rear left
- C019 Light, indicator, rear right
- C832 Steering column, left
- D310 ECU, VIC-2
- D911 ECU, alarm, ALS-S
- E035 Fuse, steering column
- E108 Fuse, VIC
- E117 Fuse, search lights
- G000 Relay, rear, marker, search lights
BLOCK DIAGRAM WINDSCREEN WIPER/WASHING SYSTEM
Block diagram K101971 applies to:
- CF65 IV
Explanation of block diagram
A: Application with headlamp washer pump

- B000 Motor, windscreen wiper
- B001 Pump, windscreen washer
- B002 Pump, headlamp washer
- C832 Steering column, left
- D310 ECU, VIC-2
- D782 Diode, wiper
- E025 Fuse, wiper
- E035 Fuse, steering column
- G236 Relay, windscreen wiper (speed 1 or 2)
- G237 Relay, windscreen wiper (0 position)
- G238 Relay, headlamp washer
BLOCK DIAGRAM SPEED SIGNALS
Block diagram K102354 applies to:
- CF65 IV
Explanation of block diagram
A: Application without steering wheel switches
B: Application with manually operated gearbox
C: Application with manually operated gearbox, 6 gears
D: Application with manually operated gearbox, 9 gears

- A102 Connector, bodybuilder (8-pole)
- B079 Valve, range protection
- C906 Steering column, AS Tronic
- C907 Steering column, MGS/AGC
- D310 ECU, VIC-2
- D871 ECU, ACH-EA
- E564 Switch, engine brake
- E575 Switch, clutch
- E593 Switch, neutral position
- E606 Switch, neutral position
- G301 Relay, 'Sweden lighting'
- G372 Relay, starter interrupt
BLOCK DIAGRAM STATUS SIGNALS
Block diagram K102355 applies to:
- CF65 IV
Explanation of block diagram
A: Application with differential lock

- D310 ECU, VIC-2
- E350 Fuse, electrical systems
- F000 Switch, parking brake
- F006 Switch, cross lock, 1st
- F608 Sensor, fuel level
- F651 Sensor, ambient temperature
BLOCK DIAGRAM WARNING SIGNALS
Block diagram K102356 applies to:
- CF65 IV, specification week <2007-32
Explanation of block diagram
A: Application with trailer ABS connector
B: If glow system

- A004 Connector, trailer, ABS (7-pole)
- A513 Alternator
- B341 Glow element
- D310 ECU, VIC-2
- D317 ECU, ECS-DC4
- E035 Fuse, steering column
- E108 Fuse, VIC
- F107 Switch, brake pad wear, 1st front axle, left
- F108 Switch, brake pad wear, 1st front axle, right
- F111 Switch, brake pad wear, 1st rear axle, left
- F112 Switch, brake pad wear, 1st rear axle, right
- F616 Sensor, cab lock
- F652 Sensor, air pressure
- F692 Sensor, water in fuel
- F752 Sensor, coolant level
- G014 Relay, grid heater
- G497 Relay, ABS, trailer
Block diagram K102526 applies to:
- CF65 IV, specification week >2007-33
Modifications to CF65 IV
- Seat belt reminder added
Explanation of block diagram
A: Application with trailer ABS connector
B: If glow system

- A004 Connector, trailer, ABS (7-pole)
- A513 Alternator
- B341 Glow element
- D310 ECU, VIC-2
- D317 ECU, ECS-DC4
- E035 Fuse, steering column
- E108 Fuse, VIC
- F107 Switch, brake pad wear, 1st front axle, left
- F108 Switch, brake pad wear, 1st front axle, right
- F111 Switch, brake pad wear, 1st rear axle, left
- F112 Switch, brake pad wear, 1st rear axle, right
- F142 Switch, seat belt status
- F616 Sensor, cab lock
- F652 Sensor, air pressure
- F692 Sensor, water in fuel
- F752 Sensor, coolant level
- G014 Relay, grid heater
- G497 Relay, ABS, trailer
LOCATION INFORMATION, VIC-2, CAB

LOCATION INFORMATION, VIC-2, CHASSIS 1

LOCATION INFORMATION, VIC-2, CHASSIS 2

CF75 IV, CF85 IV
BLOCK DIAGRAM HAZARD WARNING/DIRECTION INDICATOR LIGHTS
Block diagram K101970 applies to:
- CF75 IV/CF85 IV
Explanation of block diagram
A: Application with alarm system (ALS-S)

- A000 Connector, trailer, 7-pole
- A058 Connector, trailer, 15-pole
- C014 Light, indicator, front left
- C015 Light, indicator, front right
- C016 Light, indicator, side, driver
- C017 Light, indicator, side, co-driver
- C018 Light, indicator, rear left
- C019 Light, indicator, rear right
- C832 Steering column, left
- D310 ECU, VIC-2
- D580 ECU, 12V/24V
- D911 ECU, alarm, ALS-S
- E035 Fuse, steering column
- E108 Fuse, VIC
- E117 Fuse, search lights
- G000 Relay, rear, marker, search lights
BLOCK DIAGRAM WINDSCREEN WIPER/WASHING
Block diagram K102422 applies to:
- CF75 IV/CF85 IV
Explanation of block diagram
A: Application with headlamp washer pump

- B001 Pump, windscreen washer
- B002 Pump, headlamp washer
- B484 Motor, windscreen wiper
- C832 Steering column, left
- D310 ECU, VIC-2
- D782 Diode, wiper
- E025 Fuse, wiper
- E035 Fuse, steering column
- G236 Relay, windscreen wiper (speed 1 or 2)
- G237 Relay, windscreen wiper (0 position)
- G238 Relay, headlamp washer
BLOCK DIAGRAM SPEED SIGNALS
Block diagram K102167 applies to:
- CF75 IV/CF85 IV, specification week <2007-48
Explanation of block diagram
A: Application with EMAS
B: Application without AS Tronic and without intarder
C: Application without intarder
D: Application with manually operated gearbox
E: Application with clutch protection
F: Application with leaf-sprung FTM vehicles

- A102 Connector, body builder, 8-pole
- B465 Valve, gearbox protection
- C906 Steering column, AGC
- C907 Steering column, MGS
- D310 ECU, VIC-2
- D871 ECU, ACH-EA
- D932 ECU, EMAS
- D979 ECU, ACH-EW
- E564 Switch, engine brake
- E595 Switch, range group, low
- F118 Switch, splitter status
- F120 Switch, gate 3/4 detection
- G301 Relay, Sweden lighting
- G372 Relay, starter interrupt
Block diagram K102563 applies to:
- CF75 IV/CF85 IV, specification week >2007-49
Modifications to CF75 IV/CF85 IV
- Range shift protection changed
Explanation of block diagram
A: Application with EMAS
B: Application without AS Tronic and without intarder
C: Application without intarder
D: Application with manually operated gearbox
E: Application with clutch protection

- A102 Connector, body builder, 8-pole
- B010 Motor, starter
- B465 Valve, gearbox protection
- C906 Steering column, AGC
- C907 Steering column, MGS
- D310 ECU, VIC-2
- D871 ECU, ACH-EA
- D932 ECU, EMAS
- D979 ECU, ACH-EW
- E564 Switch, engine brake
- E595 Switch, range group, low
- F118 Switch, splitter status
- F120 Switch, gate 3/4 detection
- G301 Relay, Sweden lighting
- G372 Relay, starter interrupt
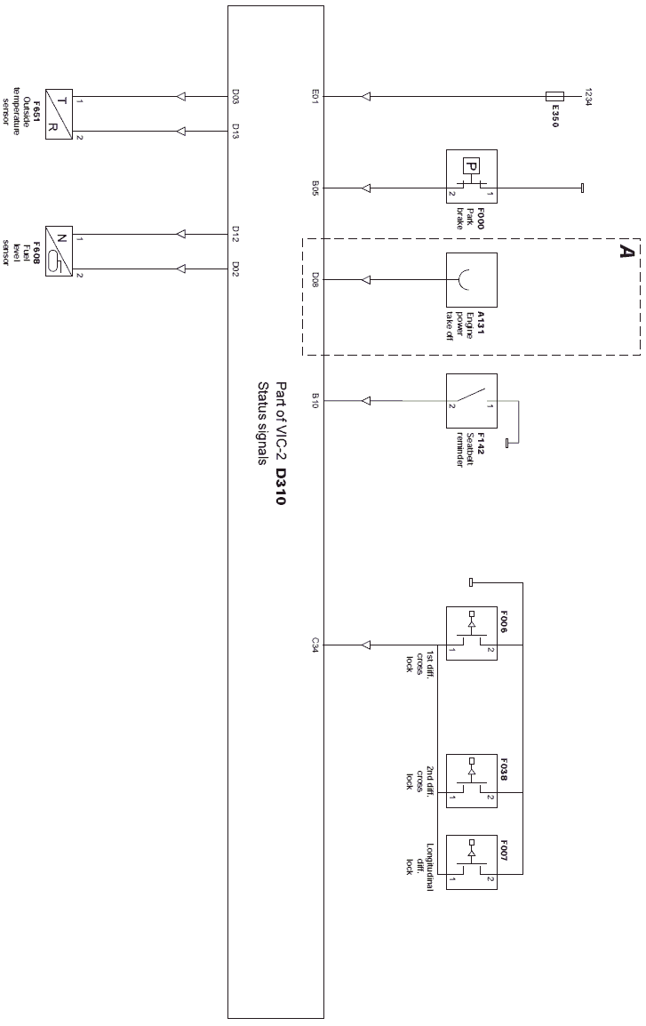
BLOCK DIAGRAM STATUS SIGNALS
Block diagram K102218 applies to:
- CF75 IV/CF85 IV, specification week <2007-32
Explanation of block diagram
A: Application with differential lock

- D310 ECU, VIC-2
- E035 Fuse, steering column
- E350 Fuse, electrical systems
- F000 Switch, park brake
- F006 Switch, cross lock, 1st
- F007 Switch, longitudinal lock
- F038 Switch, cross lock, 2nd
- F608 Sensor, fuel level
- F651 Sensor, ambient temperature
Block diagram K102218 applies to:
- CF75 IV/CF85 IV, specification week >2007-33
Modifications to CF75 IV/CF85 IV
- Seat belt reminder added
- Connector for engine PTO active added
- Differential lock is not an option anymore
Explanation of block diagram
A: For future application

- A131 Connector, engine PTO active
- D310 ECU, VIC-2
- E035 Fuse, steering column
- E350 Fuse, electrical systems
- F000 Switch, park brake
- F006 Switch, cross lock, 1st
- F007 Switch, longitudinal lock
- F038 Switch, cross lock, 2nd
- F608 Sensor, fuel level
- F651 Sensor, ambient temperature
BLOCK DIAGRAM WARNING SIGNALS
Block diagram K102184 applies to:
- CF75 IV/CF85 IV
Explanation of block diagram
A: Application with alarm system (ALS-S)
B: Application with ABS/EBS braking system
C: Application with EBS braking system
D: Application with automatic greasing system (AGS)
E: Application with water separator sensor
F: Application with dual-circuit steering system
G: Application with EMAS

- A004 Connector, trailer, ABS/EBS, 7-pole
- A513 Alternator
- B344 ECU, AGS
- B378 Sensor/heater, fuel filter
- D310 ECU, VIC-2
- D758 Diode, anti-feedback to VIC
- D911 ECU, alarm, ALS-S
- D932 ECU, EMAS
- D965 ECU, DMCI
- D977 ECU, EBS-2
- E035 Fuse, steering column
- E108 Fuse, VIC
- F047 Switch, steering system 1
- F048 Switch, steering system 2
- F107 Switch, brake pad wear, 1st front axle, left
- F108 Switch, brake pad wear, 1st front axle, right
- F109 Switch, brake pad wear, 2nd front axle, left
- F110 Switch, brake pad wear, 2nd front axle, right
- F111 Switch, brake pad wear, 1st rear axle, left
- F112 Switch, brake pad wear, 1st rear axle, right
- F113 Switch, brake pad wear, 2nd rear axle, left
- F114 Switch, brake pad wear, 2nd rear axle, right
- F616 Sensor, cab lock
- F652 Sensor, air pressure
- F752 Sensor, coolant level
- F758 Sensor, trailer recognition
- G372 Relay, starter interrupt
- G497 Relay, EBS/ABS, trailer
- I045 Diode, EBS error
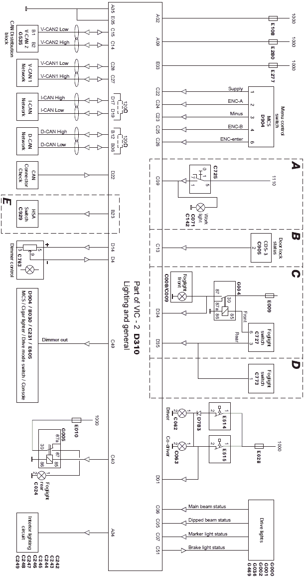
BLOCK DIAGRAM LIGHTING AND GENERAL
Block diagram K102219 applies to:
- CF75 IV/CF85 IV, specification week <2006-32
Explanation of block diagram
A: Application with work lamp
B: Application with CDS-3
C: Application with front fog lights
D: Application without front fog lights
E: Application with gradient traction control

- B030 Cigar lighter, driver
- C008 Light, fog, front left
- C009 Light, fog, front right
- C024 Light, fog, rear left
- C062 Light, cab, step, left
- C063 Light, cab, step, right
- C071 Light, work
- C142 Light, work, 2nd
- C231 Light, centre console, lower
- C242 Light, interior, driver's side
- C243 Light, interior, co-driver's side
- C244 Light, interior, driver's side
- C245 Light, interior, co-driver's side
- C246 Light, interior, driver's side
- C247 Light, interior, co-driver's side
- C248 Light, interior, driver's side
- C249 Light, interior, co-driver's side
- C725 Switch, work light
- C727 Switch, fog light, rear and front
- C773 Switch, fog lights, rear
- D783 Diode, step lighting
- C929 Switch, hill start aid
- D904 Menu Control Switch
- D905 ECU, CDS
- E009 Fuse, front fog lights
- E010 Fuse, rear fog lights
- E028 Fuse, interior
- E108 Fuse, VIC
- E277 Fuse, VIC
- E280 Fuse, VIC
- E514 Switch, door, driver's side
- E515 Switch, door, co-driver's side
- G000 Relay, rear, marker, search lights
- G001 Relay, dipped beam
- G002 Relay, main beam
- G004 Relay, front fog lights
- G005 Relay, rear fog lights
- G036 Relay, brake light
- G469 Relay, brake applied
- G535 CAN distribution block
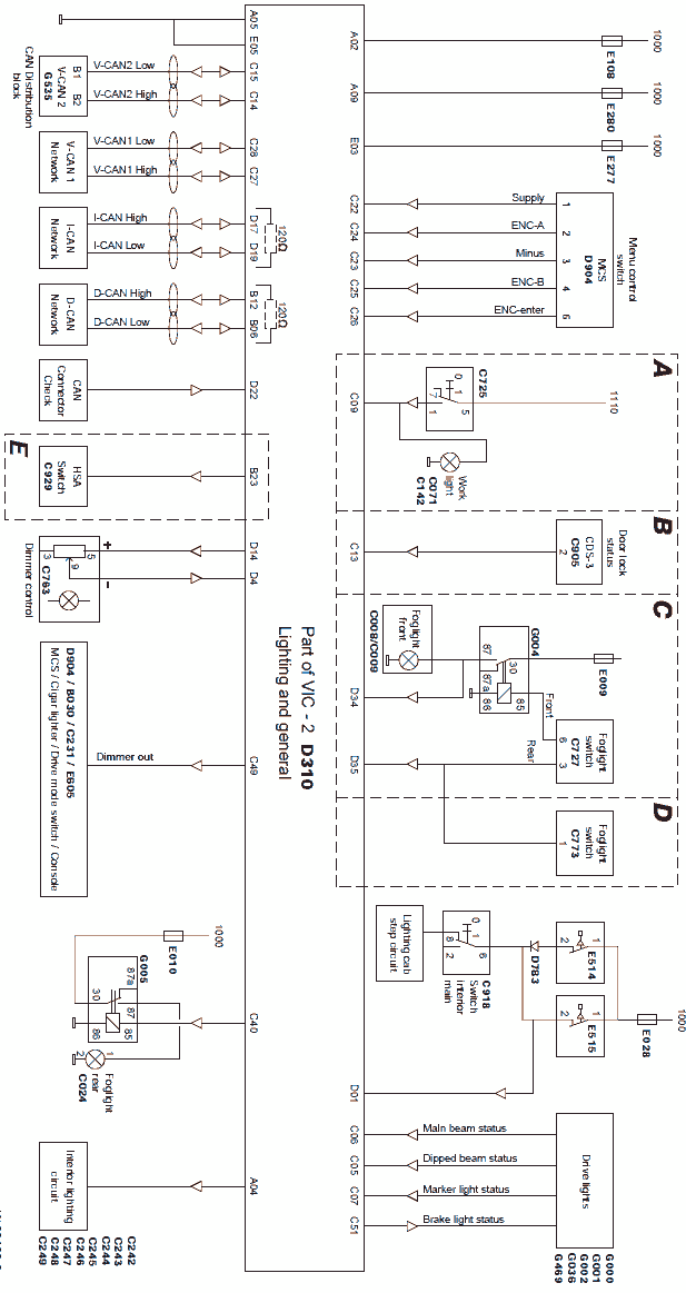
Block diagram K102420 applies to:
- CF75 IV/CF85 IV, specification week >2006-33
Modifications to CF75 IV/CF85 IV
- Main switch, interior, added
Explanation of block diagram
A: Application with work lamp
B: Application with CDS-3
C: Application with front fog lights
D: Application without front fog lights
E: Application with gradient traction control

- B030 Cigar lighter, driver
- C008 Light, fog, front left
- C009 Light, fog, front right
- C024 Light, fog, rear left
- C062 Light, cab, step, left
- C063 Light, cab, step, right
- C071 Light, work
- C142 Light, work, 2nd
- C231 Light, centre console, lower
- C242 Light, interior, driver's side
- C243 Light, interior, co-driver's side
- C244 Light, interior, driver's side
- C245 Light, interior, co-driver's side
- C246 Light, interior, driver's side
- C247 Light, interior, co-driver's side
- C248 Light, interior, driver's side
- C249 Light, interior, co-driver's side
- C725 Switch, work light
- C727 Switch, fog light, rear and front
- C773 Switch, fog lights, rear
- C918 Switch, interior, main
- C929 Switch, hill start aid
- D783 Diode, step lighting
- D904 Menu Control Switch
- D905 ECU, CDS
- E009 Fuse, front fog lights
- E010 Fuse, rear fog lights
- E028 Fuse, interior
- E108 Fuse, VIC
- E277 Fuse, VIC
- E280 Fuse, VIC
- E514 Switch, door, driver's side
- E515 Switch, door, co-driver's side
- G000 Relay, rear, marker, search lights
- G001 Relay, dipped beam
- G002 Relay, main beam
- G004 Relay, front fog lights
- G005 Relay, rear fog lights
- G036 Relay, brake light
- G469 Relay, brake applied
- G535 CAN distribution block
LOCATION INFORMATION, VIC-2, CAB

LOCATION INFORMATION, VIC-2, CHASSIS 1

LOCATION INFORMATION, VIC-2, CHASSIS 2

XF105
BLOCK DIAGRAM HAZARD WARNING/DIRECTION INDICATOR LIGHTS
Block diagram K101970 applies to:
- XF105
Explanation of block diagram
A: Application with alarm system (ALS-S)

- A000 Connector, trailer, 7-pole
- A058 Connector, trailer, 15-pole
- C014 Light, indicator, front left
- C015 Light, indicator, front right
- C016 Light, indicator, side, driver
- C017 Light, indicator, side, co-driver
- C018 Light, indicator, rear left
- C019 Light, indicator, rear right
- C832 Steering column, left
- D310 ECU, VIC-2
- D580 ECU, 12V/24V
- D911 ECU, alarm, ALS-S
- E035 Fuse, steering column
- E108 Fuse, VIC
- E117 Fuse, search lights
- G000 Relay, rear, marker, search lights
BLOCK DIAGRAM WINDSCREEN WIPER/WASHING
Block diagram K101971 applies to:
- XF105
Explanation of block diagram
A: Application with headlamp washer pump

- B000 Motor, windscreen wiper
- B001 Pump, windscreen wiper
- B002 Pump, headlamp washer
- C832 Steering column, left
- D310 ECU, VIC-2
- D782 Diode, wiper
- E025 Fuse, wiper
- E035 Fuse, steering column
- G236 Relay, windscreen wiper (speed 1 or 2)
- G237 Relay, windscreen wiper (0 position)
- G238 Relay, headlamp washer
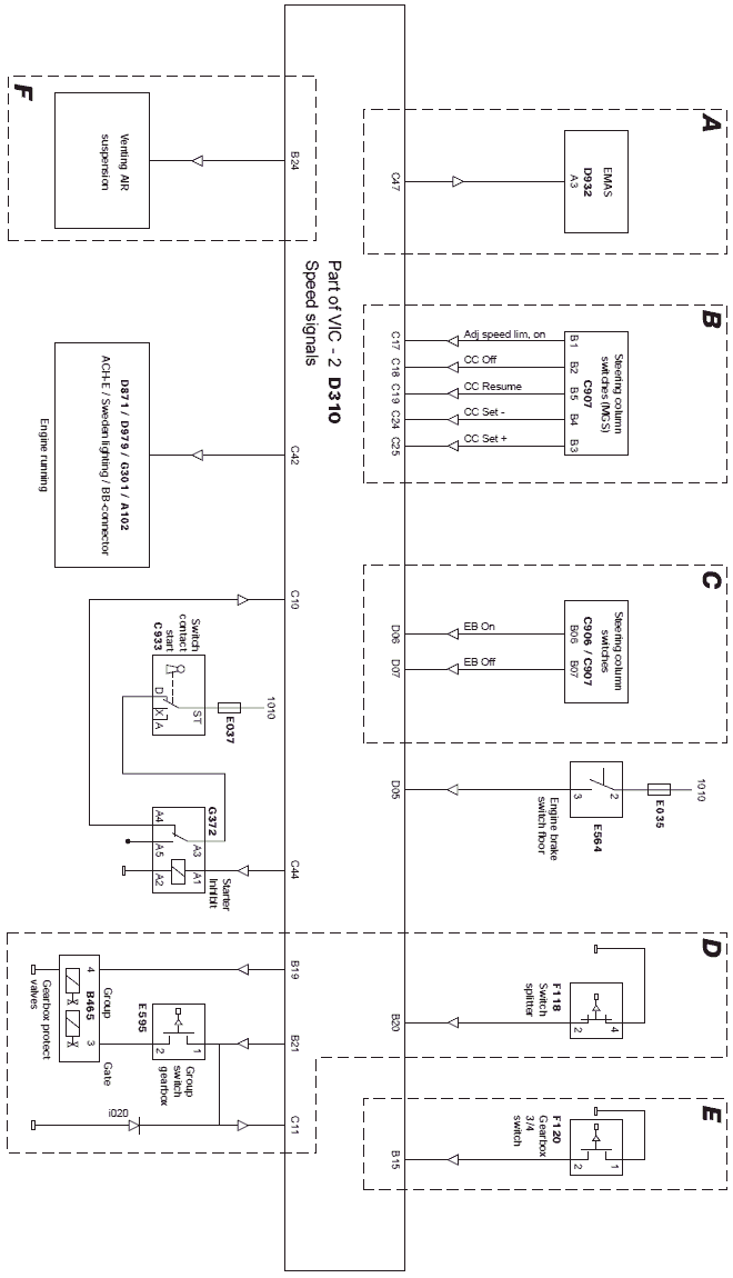
BLOCK DIAGRAM SPEED SIGNALS
Block diagram K101972 applies to:
- XF105, specification week <2006-12
Explanation of block diagram
A: Application with EMAS
B: Application without AS Tronic and without intarder
C: Application without intarder
D: Application with manually operated gearbox
E: Application with clutch protection
F: Application with leaf-sprung FTM vehicles

- A102 Connector, body builder, 8-pole
- B465 Valve, gearbox protection
- C906 Steering column, AGC
- C907 Steering column, MGS
- D310 ECU, VIC-2
- D871 ECU, ACH-EA
- D932 ECU, EMAS
- D979 ECU, ACH-EW
- E564 Switch, engine brake
- E595 Switch, range group, low
- F118 Switch, splitter status
- F120 Switch, gate 3/4 detection
- G301 Relay, Sweden lighting
Block diagram K102167 applies to:
- XF105, specification week >2006-13 and <2007-48
Modifications to XF105
- Starter motor protection added to connection points C10 and C44
- Traction control (FTM vehicles) added to connection point B24
Explanation of block diagram
A: Application with EMAS
B: Application without AS Tronic and without intarder
C: Application without intarder
D: Application with manually operated gearbox
E: Application with clutch protection
F: Application with leaf-sprung FTM vehicles

- A102 Connector, body builder, 8-pole
- B465 Valve, gearbox protection
- C906 Steering column, AGC
- C907 Steering column, MGS
- D310 ECU, VIC-2
- D871 ECU, ACH-EA
- D932 ECU, EMAS
- D979 ECU, ACH-EW
- E564 Switch, engine brake
- E595 Switch, range group, low
- F118 Switch, splitter status
- F120 Switch, gate 3/4 detection
- G301 Relay, Sweden lighting
- G372 Relay, starter interrupt
- I020 Diode, gate selection protection
Block diagram K102561 applies to:
- XF105, specification week >2007-49
Modifications to XF105
- Range shift protection changed
Explanation of block diagram
A: Application with EMAS
B: Application without AS Tronic and without intarder
C: Application without intarder
D: Application with manually operated gearbox
E: Application with clutch protection
F: Application with leaf-sprung FTM vehicles

- A102 Connector, body builder, 8-pole
- B010 Motor, starter
- B465 Valve, gearbox protection
- C906 Steering column, AGC
- C907 Steering column, MGS
- D310 ECU, VIC-2
- D871 ECU, ACH-EA
- D932 ECU, EMAS
- D979 ECU, ACH-EW
- E564 Switch, engine brake
- E595 Switch, range group, low
- F118 Switch, splitter status
- F120 Switch, gate 3/4 detection
- G301 Relay, Sweden lighting
- G372 Relay, starter interrupt
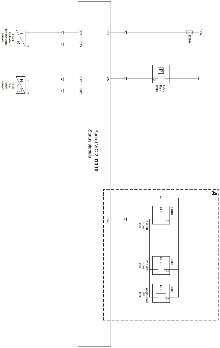
BLOCK DIAGRAM STATUS SIGNALS
Block diagram K101973 applies to:
- XF105, specification week <2006-20
Explanation of block diagram
A: Application with differential lock

- D310 ECU, VIC-2
- E035 Fuse, steering column
- E350 Fuse, electrical systems
- F000 Switch, park brake
- F006 Switch, cross lock, 1st
- F007 Switch, longitudinal lock
- F038 Switch, cross lock, 2nd
- F608 Sensor, fuel level
- F651 Sensor, ambient temperature
Block diagram K102218 applies to:
- XF105, specification week >2006-21 and <2007-32
Modifications to XF105
- Parking brake switch switches to earth
Explanation of block diagram
A: Application with differential lock

- D310 ECU, VIC-2
- E035 Fuse, steering column
- E350 Fuse, electrical systems
- F000 Switch, park brake
- F006 Switch, cross lock, 1st
- F007 Switch, longitudinal lock
- F038 Switch, cross lock, 2nd
- F608 Sensor, fuel level
- F651 Sensor, ambient temperature
Block diagram K102218 applies to:
- XF105, specification week >2007-33
Modifications to XF105
- Seat belt reminder added
- Connector for engine PTO active added
- Differential lock is not an option anymore
Explanation of block diagram
A: For future application

- A131 Connector, engine PTO active
- D310 ECU, VIC-2
- E035 Fuse, steering column
- E350 Fuse, electrical systems
- F000 Switch, park brake
- F006 Switch, cross lock, 1st
- F007 Switch, longitudinal lock
- F038 Switch, cross lock, 2nd
- F608 Sensor, fuel level
- F651 Sensor, ambient temperature
BLOCK DIAGRAM WARNING SIGNALS
Block diagram K101974 applies to:
- XF105
Explanation of block diagram
A: Application with alarm system (ALS-S)
B: Application with ABS/EBS braking system
C: Application with EBS braking system
D: Application with automatic greasing system (AGS)
E: Application with water separator sensor
F: Application with dual-circuit steering system
G: Application with EMAS

- A004 Connector, trailer, ABS/EBS, 7-pole
- A513 Alternator
- B344 ECU, AGS
- B378 Sensor/heater, fuel filter
- D310 ECU, VIC-2
- D758 Diode, anti-feedback to VIC
- D911 ECU, alarm, ALS-S
- D932 ECU, EMAS
- D965 ECU, DMCI
- D977 ECU, EBS-2
- E035 Fuse, steering column
- E108 Fuse, VIC
- F047 Switch, steering system 1
- F048 Switch, steering system 2
- F107 Switch, brake pad wear, 1st front axle, left
- F108 Switch, brake pad wear, 1st front axle, right
- F109 Switch, brake pad wear, 2nd front axle, left
- F110 Switch, brake pad wear, 2nd front axle, right
- F111 Switch, brake pad wear, 1st rear axle, left
- F112 Switch, brake pad wear, 1st rear axle, right
- F113 Switch, brake pad wear, 2nd rear axle, left
- F114 Switch, brake pad wear, 2nd rear axle, right
- F136 Switch, brake pad wear, 3rd rear axle, left
- F137 Switch, brake pad wear, 3rd rear axle, right
- F616 Sensor, cab lock
- F652 Sensor, air pressure
- F656 Sensor, coolant level
- F758 Sensor, trailer recognition
- G372 Relay, starter interrupt
- G497 Relay, EBS/ABS, trailer
- I045 Diode, EBS error
BLOCK DIAGRAM LIGHTING AND GENERAL
Block diagram K101975 applies to:
- XF105, specification week <2006-20
Explanation of block diagram
A: Application with work lamp
B: Application with CDS-3
C: Application with front fog lights
D: Application without front fog lights

- B030 Cigar lighter, driver
- C008 Light, fog, front left
- C009 Light, fog, front right
- C024 Light, fog, rear left
- C062 Light, cab, step, left
- C063 Light, cab, step, right
- C071 Light, work
- C142 Light, work, 2nd
- C231 Light, centre console, lower
- C242 Light, interior, driver's side
- C243 Light, interior, co-driver's side
- C244 Light, interior, driver's side
- C245 Light, interior, co-driver's side
- C246 Light, interior, driver's side
- C247 Light, interior, co-driver's side
- C248 Light, interior, driver's side
- C249 Light, interior, co-driver's side
- C725 Switch, work light
- C727 Switch, fog light, rear and front
- C773 Switch, fog lights, rear
- D783 Diode, step lighting
- D904 Menu Control Switch
- D905 ECU, CDS
- E009 Fuse, front fog lights
- E010 Fuse, rear fog lights
- E028 Fuse, interior
- E108 Fuse, VIC
- E277 Fuse, VIC
- E280 Fuse, VIC
- E514 Switch, door, driver's side
- E515 Switch, door, co-driver's side
- G000 Relay, rear, marker, search lights
- G001 Relay, dipped beam
- G002 Relay, main beam
- G004 Relay, front fog lights
- G005 Relay, rear fog lights
- G036 Relay, brake light
- G469 Relay, brake applied
- G535 CAN distribution block
Block diagram K102219 applies to:
- XF105, specification week >2006-21 and <2006-32
Modifications to XF105
- Gradient traction control added
Explanation of block diagram
A: Application with work lamp
B: Application with CDS-3
C: Application with front fog lights
D: Application without front fog lights
E Application with gradient traction control

- B030 Cigar lighter, driver
- C008 Light, fog, front left
- C009 Light, fog, front right
- C024 Light, fog, rear left
- C062 Light, cab, step, left
- C063 Light, cab, step, right
- C071 Light, work
- C142 Light, work, 2nd
- C231 Light, centre console, lower
- C242 Light, interior, driver's side
- C243 Light, interior, co-driver's side
- C244 Light, interior, driver's side
- C245 Light, interior, co-driver's side
- C246 Light, interior, driver's side
- C247 Light, interior, co-driver's side
- C248 Light, interior, driver's side
- C249 Light, interior, co-driver's side
- C725 Switch, work light
- C727 Switch, fog light, rear and front
- C773 Switch, fog lights, rear
- D783 Diode, step lighting
- C929 Switch, hill start aid
- D904 Menu Control Switch
- D905 ECU, CDS
- E009 Fuse, front fog lights
- E010 Fuse, rear fog lights
- E028 Fuse, interior
- E108 Fuse, VIC
- E277 Fuse, VIC
- E280 Fuse, VIC
- E514 Switch, door, driver's side
- E515 Switch, door, co-driver's side
- G000 Relay, rear, marker, search lights
- G001 Relay, dipped beam
- G002 Relay, main beam
- G004 Relay, front fog lights
- G005 Relay, rear fog lights
- G036 Relay, brake light
- G469 Relay, brake applied
- G535 CAN distribution block
Block diagram K102420 applies to:
- XF105, specification week >2006-33
Modifications to XF105
- Main switch, interior, added
Explanation of block diagram
A: Application with work lamp
B: Application with CDS-3
C: Application with front fog lights
D: Application without front fog lights
E Application with gradient traction control

- B030 Cigar lighter, driver
- C008 Light, fog, front left
- C009 Light, fog, front right
- C024 Light, fog, rear left
- C062 Light, cab, step, left
- C063 Light, cab, step, right
- C071 Light, work
- C142 Light, work, 2nd
- C231 Light, centre console, lower
- C242 Light, interior, driver's side
- C243 Light, interior, co-driver's side
- C244 Light, interior, driver's side
- C245 Light, interior, co-driver's side
- C246 Light, interior, driver's side
- C247 Light, interior, co-driver's side
- C248 Light, interior, driver's side
- C249 Light, interior, co-driver's side
- C725 Switch, work light
- C727 Switch, fog light, rear and front
- C773 Switch, fog lights, rear
- C918 Switch, interior, main
- C929 Switch, hill start aid
- D783 Diode, step lighting
- D904 Menu Control Switch
- D905 ECU, CDS
- E009 Fuse, front fog lights
- E010 Fuse, rear fog lights
- E028 Fuse, interior
- E108 Fuse, VIC
- E277 Fuse, VIC
- E280 Fuse, VIC
- E514 Switch, door, driver's side
- E515 Switch, door, co-driver's side
- G000 Relay, rear, marker, search lights
- G001 Relay, dipped beam
- G002 Relay, main beam
- G004 Relay, front fog lights
- G005 Relay, rear fog lights
- G036 Relay, brake light
- G469 Relay, brake applied
- G535 CAN distribution block
LOCATION INFORMATION, VIC-2, CAB

LOCATION INFORMATION, VIC-2, CHASSIS 1

LOCATION INFORMATION, VIC-2, CHASSIS 2
