Схемы высокогорного комплекта Eberspacher
Circuit diagrams
Parts lists for the circuit diagrams
2.15.1 Room temperature sensor
2.15.9 Outdoor temperature sensor
3.1.7 "OFF" button
3.1.16 Radio remote control button
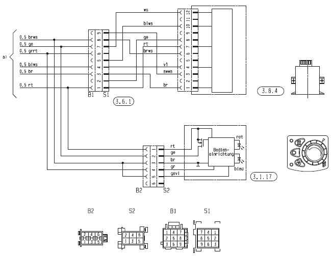
3.1.17 "Mini controller" control unit
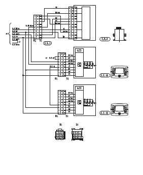
3.2.15 EasyStart T timer
3.3.9 EasyStart R radio remote control (stationary unit)
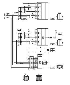
3.3.10 EasyStart R+ radio remote control (stationary unit)
3.6.1 Lead harness (adapter cable)
3.8.3 Antenna
3.8.4 Air pressure sensor
a) Control / air pressure sensor connection at the heater
c) Lighting, terminal "58"
e) EasyStart T timer connection
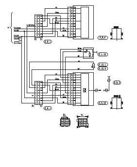
g) External "ON / OFF" key
y) Tie back and insulate cables
Connectors and bush housings are shown from the cable inlet side.
Cable colours
rt = red
bl = blue
ws = white
sw = black
gn = green
gr = grey
ge = yellow
vi = violet
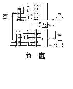
AIRTRONIC / AIRTRONIC M / AIRTRONIC L
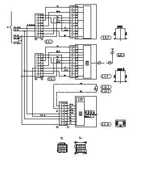
Air pressure sensor and mini controller

- AIRTRONIC / AIRTRONIC M / AIRTRONIC L – ADR
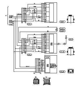
- HYDRONIC B 4 W S / B 5 W S / B 4 W SC / B 5 W SC
- HYDRONIC D 4 W S / D 5 W S / D 4 W SC / D 5 W SC
- Air pressure sensor, mini controller and EasyStart R
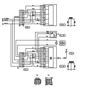
- Air pressure sensor, EasyStart R and EasyStart T
- Air pressure sensor and EasyStart R+
- Air pressure sensor, EasyStart R+ and EasyStart T
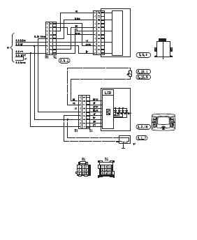
- Air pressure sensor and EasyStart T
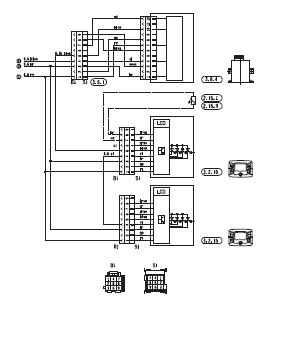
- Air pressure sensor and EasyStart T (2x)







Все схемы в высоком качестве в