Сервисная информация по VOLVO EURO 6
Все сервисные инструкции - доступны в
FH (4)
CHID A740874–
CHID B645496–
FM (4)
CHID A752768–
CHID B672197–
CHID D200019–
CHID E808718–
FH (4)
CHID A740874–
CHID B645496–
CHID D200003–
CHID W112925–
FL (3)
CHID B669174–
FE (3)
CHID B669378–
FH (4)
CHID A773445–
CHID B716638–
CHID D201150–
CHID E830460–
CHID W115148–
CHID CKD925530–

FE (3)
CHID B669378–
CHID Z100020–

FL (3)
CHID B669174–
CHID Z100003–

FM (4)
CHID A793224–
CHID B780938–
CHID D203506–
CHID E839440–
CHID W116158–
CHID CKD936514–

FH (4)
CHID A779615–
CHID B735543–
CHID D201897–
CHID E833680–
CHID CKD929639–

FM (4)
CHID A779618–
CHID B735551–
CHID D201895–
CHID E833691–
CHID CKD929577–

FL (3)
CHID Z103447–

FE (3)
CHID Z103451–

FE (3)
CHID Z110062–

FL (3)
CHID Z110061–

FH (4)
CHID A793223–
CHID B778827–
CHID D203491–
CHID E839236–
CHID W116104–
CHID CKD936574–
FM (4)
CHID A793224–
CHID B780938–
CHID D203506–
CHID E839440–
CHID W116158–
CHID CKD936514–
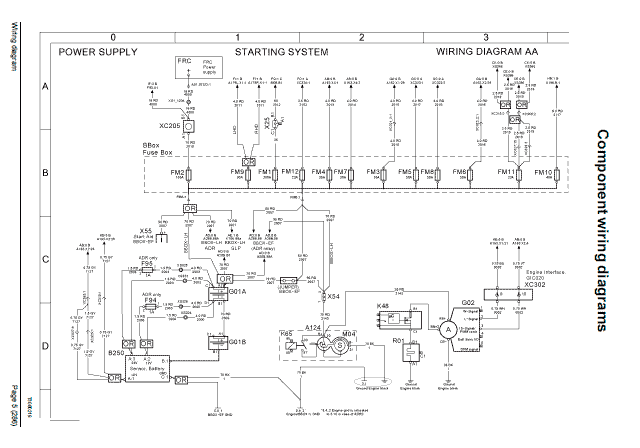
Пример электросхемы







