Все электросхемы спецтехники HYUNDAI
Доступны пользователям
в 67 обновлении
Crawler Excavators

- HX130 LCR
- HX140 L
- HX145 LCR
- HX160,180 L
- HX220 L
- HX220 NL
- HX235LCR
- HX260 L
- HX300 L
- HX330 L
- HX380 L
- HX430 L
- HX480,520 L
- HX900 L
- R55-9
- R55-9A
- R60CR-9
- R60-9S
- R60CR-9A
- R80CR-9
- R80CR-9A
- R125LCR-9A
- R140LC-9
- R140LC-9S
- R140LC-9A
- R145CR-9
- R145CR-9A
- R160,180LC-9
- R160,180LC-9S
- R160,180LC-9A
- R210LC-9
- R210NLC-9
- R220LC-9S
- R220LC-9SH
- R220LC-9A
- R220NLC-9A
- R235LCR-9
- R235LCR-9A
- R250LC-9
- R260LC-9S
- R260LC-9A
- R290LC-9
- R290LC-9MH
- R300LC-9S
- R300LC-9SH
- R300LC-9A
- R320LC-9
- R330LC-9S
- R330LC-9SH
- R330LC-9A
- R380LC-9
- R380LC-9SH
- R380LC-9A
- R430LC-9
- R430LC-9SH
- R430LC-9A
- R480LC-9MH
- R480,520LC-9
- R480,520LC-9S
- R480,520LC-9A
- R800LC-9
- R850LC-9
- R1200-9
- R55-7
- R55-7A
- R80-7
- R80-7A
- R110-7
- R110-7A
- R140LC-7
- R140LC-7A
- R160LC-7
- R160LC-7A
- R180LC-7
- R180LC-7A
- R210LC-7
- R210LC-7(#98001-)
- R210LC-7A
- R210LC-7H(#9001-)
- R210NLC-7
- R210NLC-7A
- R210,220LC-7H
- R250LC-7
- R250LC-7A
- R290LC-7
- R290LC-7A
- R300LC-7
- R305LC-7
- R320LC-7
- R320LC-7A
- R360LC-7
- R360LC-7A
- R370LC-7
- R450LC-7
- R450LC-7A
- R500LC-7
- R500LC-7A
- R800LC-7A
- R55-3
- R130LC-3
- R160LC-3
- R180LC-3
- R210LC-3
- R250LC-3
- R290LC-3
- R320LC-3
- R360LC-3
- R450LC-3
- R16-9
- R17Z-9A
- R18-9
- R25Z-9A
- R25Z-9AK
- R27Z-9
- R30Z-9AK
- R35Z-9
- R35Z-9A
- R15-7
- R16-7
- R22-7
- R28-7
- R35-7
- R35Z-7
- R35Z-7A
- R36N-7
- R75-7
Wheel Excavators

- HW140
- HW160,180
- HW210
- R55W-9
- R55W-9A
- R60W-9S
- R140W-9
- R140W-9S
- R140W-9A
- R160W-9A
- R170W-9
- R170W-9S
- R180W-9S
- R180W-9A
- R210W-9
- R210W-9S
- R210W-9A
- R210W-9AMH
- R55W-7
- R55W-7A
- R140W-7
- R140W-7A
- R170W-7
- R170W-7A
- R200W-7
- R200W-7A
- R55W-3
- R95W-3
- R130W-3
- R170W-3
- R200W-3
Wheel Loaders

- HL940/HL940TM
- HL955/HL955TM
- HL960
- HL960HD
- HL965
- HL970
- HL975
- HL980
- HL730(TM)-9
- HL730(TM)-9A
- HL730-9S
- HL740(TM)-9
- HL740(TM)-9A
- HL740-9S
- HL757(TM)-9
- HL757(TM)-9A
- HL757-9S
- HL757-9SM
- HL760-9
- HL760-9A
- HL760-9S
- HL760-9A (Waste Handler)
- HL770-9
- HL770-9A
- HL770-9S
- HL775-9S
- HL780-9
- HL780-9A
- HL780-9S
- HL780-9S UMA
- HL630/635/660/665
- HL730(TM)-7
- HL730(TM)-7A
- HL740(TM)-7
- HL740(TM)-7A
- HL740-7S
- HL757-7
- HL757(TM)-7A
- HL757-7S
- HL757TM-7
- HL760-7
- HL760-7A
- HL770-7
- HL770-7A
- HL780-7A
- HL720-3
- HL730-3
- HL730TM-3
- HL740-3(-#0847)
- HL740TM-3(-#0250)
- HL740(#0848-)
- HL740TM-3(#0251-)
- HL750
- HL750TM
- HL760(#1001-#1301)
- HL760(#1302-)
- HL770(#1001-#1170)
- HL770(#1171-)
- HL780-3
- HL780-3A
- SL730
- SL733
- SL733S
- SL735
- SL760
- SL763(-#0500)
- SL763(#0501-)
- SL763S
- SL765
- SL765S
Backhoe Loader

- HB90/HB100
- H930C/H940C
- H930CB/H940CB
- H930S/H940S
- H930ST/H940ST
- H940S-4WS
Skid Steer Loaders

- HSL810
- HSL650-7
- HSL650-7A
- HSL850-7
- HSL850-7A
- HSL500T
- HSL600T-680T
- HSL800T
- HSL1500T
Road Roller

- HR25/30T-9
- HR70/110/120/140C-9
- HR120C-9(canopy)
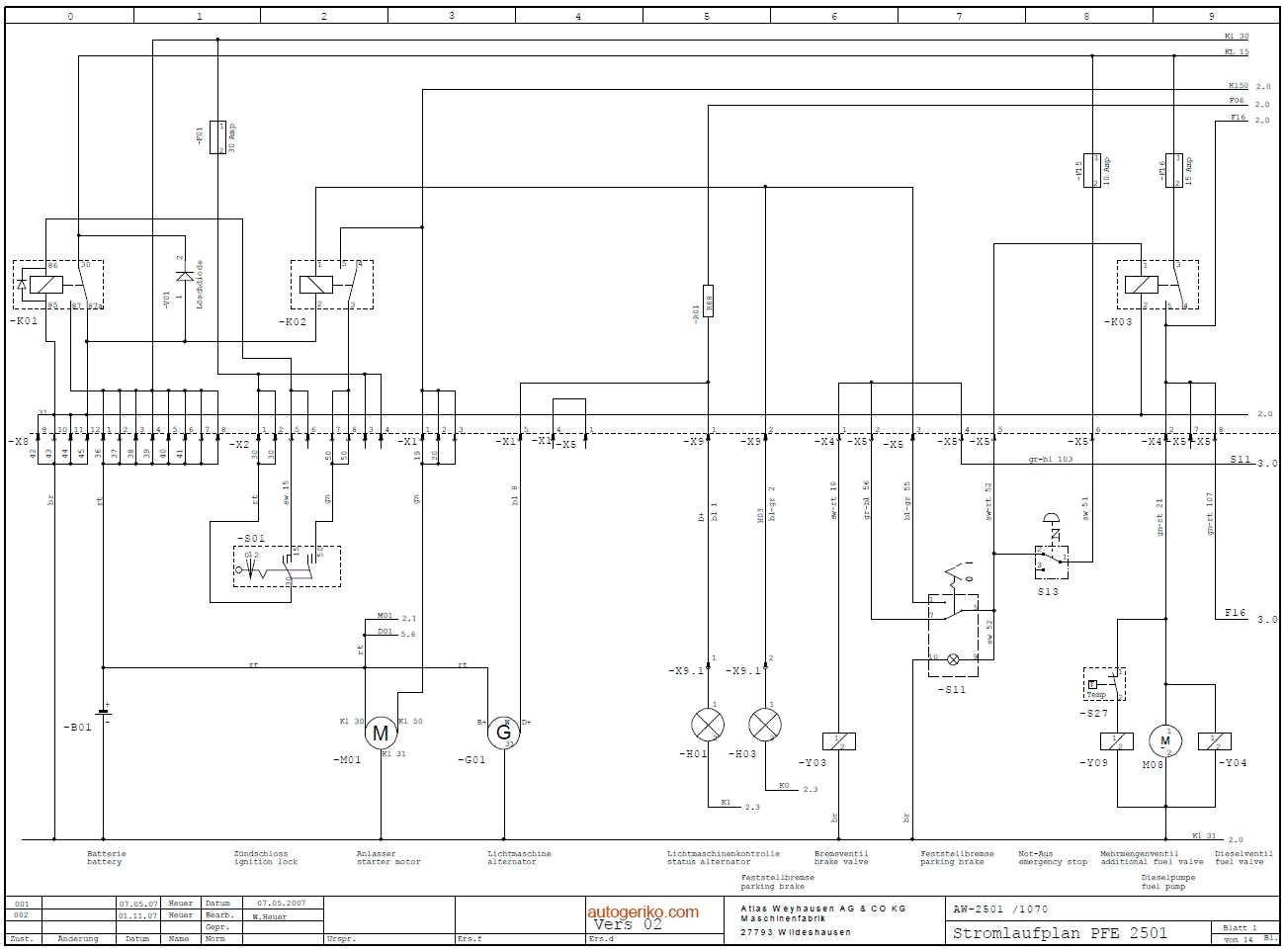
Пример одной схемы HR70C-9:
