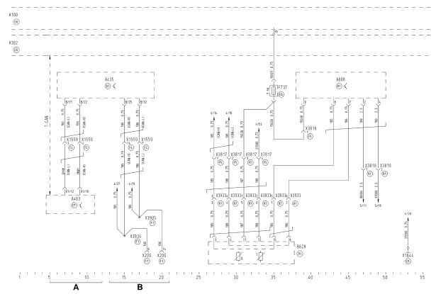
EDC 7 Common Rail с системой AdBlue MAN
A Датчик температуры отработавших газов 2 (после катализатора)
B Дозирующий модуль AdBlue
C Клапан хладагента для контура подогрева AdBlue
A100 Электрическая бортовая сеть
A302 Центральный процессор 2
A403 Управляющий процессор автомобиля
A808 Блок управления AdBlue (подающий модуль)
B634 Датчик температуры отработавших газов 2 (после катализатора)
F738 Предохранитель блока управления AdBlue (клемма 30)
RES7 Резервный кабель (Диагностика K-кабеля)
X1549 Штекерное соединение двигатель/EDC/коробка передач I
X1559 Штекерное соединение двигатель/EDC/коробка передач IV
X1644 Точка массы кабины (рядом с ZE)
X3816 Штекерное соединение кабина водителя - подающий модуль
X3817 Штекерное соединение кабина - датчик уровня заполнения/температуры AdBlue
Y436 Дозирующий модуль
Y437 Клапан хладагента для контура подогрева AdBlue
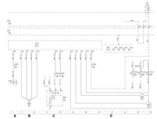
A Датчик температуры воды
B Обороты коленвала
C Распределительный вал
D Датчик давления топлива
E Датчик температуры воздуха
F Датчик давления наддува/температуры
G Датчик давления масла
A100 Электрическая бортовая сеть
A302 Центральный процессор 2
A435 Блок управления EDC
B104 Датчик давления масла
B123 Датчик температуры наддувочного воздуха EDC
B124 Датчик температуры охлаждающей жидкости
B377 Датчик давления топлива
B488 Датчик величины приращения частоты вращения
B489 Сегментный датчик частоты вращения
B632 Датчик давления наддува/температуры
A Диагностика
B Точка массы блока MP
C Управление стартером
D Электропитание
A100 Электрическая бортовая сеть
A302 Центральный процессор 2
A407 Приборная панель
A435 Блок управления EDC
F163 Предохранитель регулировки двигателя (клемма 30)
F236 Предохранитель регулировки двигателя (клемма 15)
F354 Главный предохранитель (клемма 30-1)
F355 Главный предохранитель (клемма 30-2)
H109 Сигнальная лампочка давления масла
H296 Сигнальная лампочка EDC (сбой)
H374 Сигнализатор загрязнения воздушного фильтра
H478 Контрольная лампочка отработавших газов (MIL)
M100 Стартер
X1559 Штекерное соединение двигатель/EDC/коробка передач IV
X1906 Резьбовая шпилька M6 (блок MP)
X1907 Резьбовая шпилька M6 (блок MP)
X1913 Перемычка кабеля 30076 (блок MP)
X2544 Распределитель потенциала 21-жильный К-кабель
X2549 Штекерный разъем IMR (стартер)
X3381 Резьбовая шпилька M5 (блок MP)
A Шина данных M-CAN
B Шина данных HD-OBD-CAN
A100 Электрическая бортовая сеть
A302 Центральный процессор 2
A403 Управляющий процессор автомобиля
A435 Блок управления EDC
A808 Блок управления AdBlue (подающий модуль)
B628 Датчик уровня заполнения/температуры AdBlue
F737 Предохранитель блока управления AdBlue (клемма 15)
X200 Штекер диагностики
X1559 Штекерное соединение двигатель/EDC/коробка передач IV
X1644 Точка массы кабины (рядом с ZE)
X3816 Штекерное соединение кабина водителя - подающий модуль
X3817 Штекерное соединение кабина - датчик уровня заполнения/температуры AdBlue
X3818 Штекерное соединение подающего модуля
X3933 Штекерное соединение датчика уровня заполнения/температуры AdBlue
X3934 Обжимное соединение кабеля 185
X3935 Обжимное соединение кабеля 186
A Датчик температуры отработавших газов 2 (после катализатора)
B Дозирующий модуль AdBlue
C Клапан хладагента для контура подогрева AdBlue
A100 Электрическая бортовая сеть
A302 Центральный процессор 2
A403 Управляющий процессор автомобиля
A808 Блок управления AdBlue (подающий модуль)
B634 Датчик температуры отработавших газов 2 (после катализатора)
F738 Предохранитель блока управления AdBlue (клемма 30)
RES7 Резервный кабель (Диагностика K-кабеля)
X1549 Штекерное соединение двигатель/EDC/коробка передач I
X1559 Штекерное соединение двигатель/EDC/коробка передач IV
X1644 Точка массы кабины (рядом с ZE)
X3816 Штекерное соединение кабина водителя - подающий модуль
X3817 Штекерное соединение кабина - датчик уровня заполнения/температуры AdBlue
Y436 Дозирующий модуль
Y437 Клапан хладагента для контура подогрева AdBlue




