Подписчикам
"Большой энциклопедии
для автоэлектриков
и диагностов"
доступно 52 гиг. информации
по спецтехнике
KOMATSU
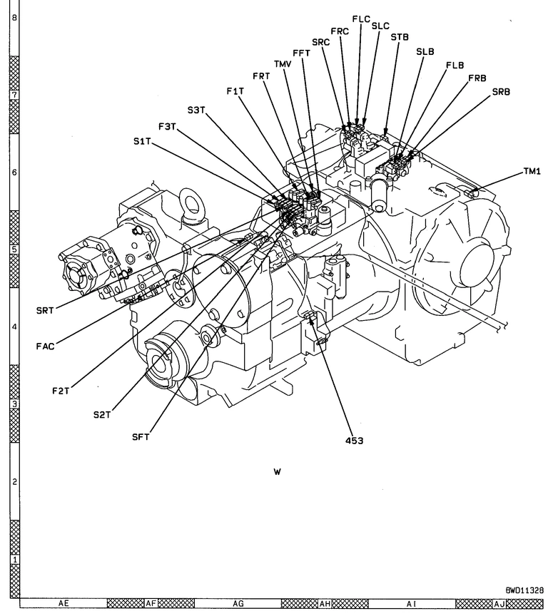
Электрические схемы экскаватора Komatsu D275A


№ разъема Наименование устройства
- 101 Промежуточный соединитель
- 201 Промежуточный соединитель
- 203 Правая фара
- 204 Левая фара
- 205 Звуковой сигнал
- 209 Промежуточный соединитель
- 214 Промежуточный соединитель
- 215 Промежуточный соединитель
- 216 Промежуточный соединитель
- 217 Зуммер предупреждения
- 218 Включатель задней лампы
- 219 Фара • включатель рабочей фары
- 221 Левая рабочая фара
- 223 Левая задняя лампа
- 224 Электромагнитный клапан съемника пальца
- 241 Промежуточный соединитель
- 242 Правая рабочая фара
- 243 Правая задняя лампа
- 244 Звуковой сигнал заднего хода
- 262 Включатель звукового сигнала
- 263 Выключатель съемника пальца
- 264 Промежуточный соединитель
- 265 Включатель звукового сигнала
- 266 Включатель звукового сигнала
- 361 Электромотор переднего стеклоомывателя
- 362 Электромотор левого стеклоомывателя
- 363 Электромотор правого стеклоомывателя
- 364 Электромотор заднего стеклоомывателя
- 423 Датчик уровня топлива
- 453 Датчик температуры масла в гидротрансформаторе
- 800 Промежуточный соединитель (сервисный источник питания)
- 801 Промежуточный соединитель (сервисный источник питания)
- А/С Компрессор кондиционера
- АС1 Панель управления кондиционером воздуха
- ADH Включатель нагревателя
- ASD Включатель автоматического понижения передачи
- ВВ1 Реле передней лампы
- ВВ2 Реле передней лампы
- CUR Включатель вывода данных
- DCL Потенциометр педали управления замедлителем оборотов двигателя
- DL1 Промежуточный соединитель
- E21 Промежуточный соединитель
- E22 Промежуточный соединитель
- E51 Промежуточный соединитель
- ECN1 Контроллер двигателя
- ECN2 Контроллер двигателя
- ECN3 Контроллер двигателя
- EGS Промежуточный соединитель
- ESD Промежуточный соединитель
- F1T Клапан ECMV муфты 1-й передачи (вклю чатель наполнения)
- F2T Клапан ECMV муфты 2-й передачи (вклю чатель наполнения)
- F3T Клапан ECMV муфты 3-й перед ачи (включатель наполнения)
- FAC Электромагнитный клапан насоса вентилятора
- FD5 Промежуточный соединитель
- FE2 Промежуточный соединитель
- FFT Клапан ECMV муфты ПЕРЕДНЕГО хода (включатель наполнения)
- FLB Клапан ECMV левого тормоза рулевого механизма (включатель наполнения)
- FLC Клапан ECMV левой муфты рулевого механизма (включатель наполнения)
- FLS Промежуточный соединитель (для 232С)
- FRB Клапан ECMV правого тормоза рулевого механизма (включатель наполнения)
- FRC Клапан ECMV правой муфты рулевого механизма (включатель наполнения)
- FRT Клапан ECMV муфты ЗАДНЕГО хода (включатель наполнения)
- FS1 Блок предохранителей 1
- FS2 Блок предохранителей 2
- FS4 Блок предохранителей 4
- FSB Промежуточный соединитель
- FTU Выключатель поворота вокруг оси
- G Датчик частоты вращения G двигателя
- GND "МАССА" [кабина]
- GND1 "МАССА"
- GND1 "МАССА"
- GND1 "МАССА"
- GND1 "МАССА" [кабина]
- GND2 "МАССА" [кабина]
- H Реле аккумуляторной батареи (клемма В)
- H01 Промежуточный соединитель
- H01 Промежуточный соединитель
- HHP Датчик давления масла гидросистемы
- HT Ленточный нагреватель (клемма С)
- HT/A Ленточный нагреватель (клемма А)
- HT/B Ленточный нагреватель (клемма В)
- KEY Пусковой включатель
- M26 Блок кондиционера
- NE Датчик частоты вращ ения двигателя при нейтрал ьной передаче
- NSF Реле включения нейтральной передачи
- NSW Включатель блокировки
- РОЗ Включатель режима наклона отвала
- PCV1 Клапан PCV1 подающего насоса
- PCV2 Клапан PCV2 подающего насоса
- PDS-a Электромагнитный клапан наклона отвала
- PDS-b Электромагнитный клапан наклона отвала
- PFUEL Датчик давления топлива в общем нагнетательном трубопроводе
- PIM Датчик давления наддува
- PL1 Промежуточный соединитель
- PL2 Промежуточный соединитель
- PL4 Промежуточный соединитель
- PL5 Промежуточный соединитель
- PPA Двойной электромагнитный клапан отвала
- PPR Реле мощности насоса
- PRE Устройство предпусковой смазки
- PRS Устройство предпусковой смазки
- PSH Датчик давления масла в двигателе (высокое давление)
- PSL Датчик давления масла в двигателе (низкое давление)
- PT1 Датчик угла наклона отвала
- PWR Промежуточный соединитель
- RHR Реле предпускового подогрева
- RHT Таймер предпускового подогрева
- RPD Реле давления масла в контуре ОПУСКАНИЯ рыхлителя (в исполнении SSC)
- RPU Реле давления масла в контуре ПОДЪЕМА рыхлителя (в исполнении SSC)
- RTI Реле давления масла в контуре наклона рыхлителя ВПЕРЕД (в исполнении SSC)
- S01 Контрольная панель
- S02 Контрольная панель
- S03 Контрольная панель
- S04 Контрольная панель
- S13 Промежуточный соединитель
- S1T Клапан ECMV муфты 1-й передачи (электром агнитны й клапан)
- S21 Начальная перемычка SSC
- S24 Сервисный включатель
- S2T Клапан ECM V муфты 2-й передачи (электром агнитны й клапан)
- S3T Клапан ECMV муфты 3-й передачи (электромагнитный клапан)
- SDR Реле мощности контроллера двигателя
- SDS Температура масла гидросистемы
- SFT Клапан ECMV муфты ПЕРЕДНЕГО хода (электромагнитный клапан)
- SLB Клапан ECMV левого тормоза рулевого механизма (электромагнитный клапан)
- SLC Клапан ECMV левой муфты рулевого механизма (электромагнитный клапан)
- SRB Клапан ECMV правого тормоза рулевого механизма (электромагнитный клапан)
- SRC Клапан ECMV правой муфты рулевого механизма (электромагнитный клапан)
- SRT Клапан ECMV муфты ЗАДНЕГО хода (электромагнитный клапан)
- SS3 Датчик ускорения
- ST Стартер
- STB Э лектромагнитны й клапан предотвращения аварийной остановки
- STCN1 Контроллер рулевого управления
- STCN2 Контроллер рулевого управления
- STCN3 Контроллер рулевого управления
- STF Разъем программной документации (контроллер рулевого управления)
- SW Реле аккумуляторной батареи (клемма BR)
- THL Датчик температуры топлива
- TL1 Рычаг клапана РРС • регулятор подачи топлива
- TM1 Датчик частоты вращения конической шестерни
- TMCN1 Контроллер коробки передач
- TMCN2 Контроллер коробки передач
- TMCN3 Контроллер коробки передач
- TMF Разъем программной записи (контроллера коробки передач)
- TMV Промежуточный соединитель
- TWH Датчик температуры охлаждающей жидкости двигателя (высокая температура)
- TWL Датчик температуры охлаждающей жидкости двигателя (низкая температура)
- USB Промежуточный соединитель
- VHMS Промежуточный соединитель
- WLD Датчик уровня охлаждающей жидкости в радиаторе
- WLM Датчик уровня охлаждающей жидкости в радиаторе
Таблица кодов неисправностей
- Код ошибки 1500L0 (муфта коробки передач: см. перечень. (LO))
- Код ошибки 15SAL1 (муфта переднего хода: см. перечень. (L1))
- Код ошибки 15SALH (муфта переднего хода: см. перечень. (LH))
- Код ошибки 15SBL1 (муфта заднего хода: см. перечень. (L1))
- Код ошибки 15SBLH (муфта заднего хода: см. перечень. (LH))
- Код ошибки 15SEL1 (муфта 1-й передачи: см. перечень. (L1))
- Код ошибки 15SELH (муфта 1-й передачи: см. перечень. (LH))
- Код ошибки 15SFL1 (муфта 2-й передачи: см. перечень. (L1))
- Код ошибки 15SFLH (муфта 2-й передачи: см. перечень. (LH))
- Код ошибки 15SGL1 (муфта 3-й передачи: см. перечень. (L1))
- Код ошибки 15SGLH (муфта 3-й передачи: см. перечень. (LH))
- Код ошибки 2201L1 (правая муфта: см. перечень. (L1))
- Код ошибки 2201LH (правая муфта: см. перечень. (LH))
- Код ошибки 2202L1 (левая муфта: см. перечень. (L1))
- Код ошибки 2202LH (левая муфта: см. перечень. (LH))
- Код ошибки 2301L1 (правый тормоз: см. перечень. (L1))
- Код ошибки 2301LH (правый тормоз: см. перечень. (LH))
- Код ошибки 2302L1 (левый тормоз: см. перечень. (L1))
- Код ошибки 2302LH (левый тормоз: см. перечень. (LH))
- Код ошибки AB00MA (генератор: неисправность (MA))
- Код ошибки B@BAZG (масло в двигателе: уменьшение давления масла (ZG))
- Код ошибки B@BCNS (охлаждающая жидкость радиатора: перегрев (NS))
- Код ошибки B@BCZK (охлаждающая жидкость радиатора: снижение уровня (ZK))
- Код ошибки B@CENS (масло силовой передачи: перегрев (NS))
- Код ошибки B@HANS (масло гидросистемы: перегрев (NS))
- Код ошибки D110KA (реле аккумуляторной батареи: обрыв цепи (KA))
- Код ошибки D110KB (реле аккумуляторной батареи: короткое замыкание (KB))
- Код ошибки D130KA (реле блокировки нейтральной передачи: обрыв цепи (KA)
- Код ошибки D130KB (реле блокировки нейтральной передачи: короткое замыкание (KB))
- Код ошибки D161KA (реле звукового сигнала заднего хода: обрыв цепи (KA))
- Код ошибки D161KB (реле звукового сигнала заднего хода: короткое замыкание (KB))
- Код ошибки DAFKR (сеть CAN контрольной панели: неисправность канала связи (KR))
- Код ошибки DAQ0KK (контроллер коробки передач: уменьшение напряжения питания (на входе) (KK))
- Код ошибки DAQ0KT (конроллер коробки передач: неисправность контроллера (KT))
- Код ошибки DAQ5KK (источник питания потенциометра коробки передач: уменьшение напряжения питания (на входе) (KK))
- Код ошибки IDAQ6KK (источник питания датчика коробки передач: уменьшение напряжения питания (на входе) (KK))
- Код ошибки DAQ9KQ (проверка типа контроллера коробки передач: несоответствие сигнала выбора типа (KQ))
- Код ошибки DAQRKR (сеть CAN контроллера коробки передач: неисправность канала связи (неисправность адресуемого компонента системы) (KR))
- Код ошибки DAQSKR (сеть SNET контроллера коробки передач: неисправность канала связи (неисправность адресуемого компонента системы) (KR))
- Код ошибки DB30KK (контроллер рулевого управления: уменьшение напряжения питания (на входе) (KK))
- Код ошибки DB30KT (контроллер рулевого управления: неисправность контроллера (KT))
- Код ошибки DB35KK (источник питания потенциометра контроллера рулевого управления: уменьшение напряжения питания (на входе) (KK))
- Код ошибки DB36KK (источник питания датчика контроллера рулевого управления: снижение напряжения питания на входе (KK))
- Код ошибки DB39KQ (проверка типа контроллера рулевого управления: несоответствие сигнала выбора типа (KQ))
- Код ошибки DB3RKR (сеть CAN контроллера рулевого управления: неисправность канала связи (неисправность адресуемого компонента системы) (KR))
- Код ошибки DB3SKR (сеть SNET контроллера рулевого управления: неисправность канала связи (неисправность адресуемого компонента системы) (KR))
- Код ошибки DD11KB (пусковой включатель: короткое замыкание цепи (KB))
- Код ошибки DD12KA (переключатель повышения передачи: обрыв цепи (KA))
- Код ошибки DD12KB (переключатель повышения передачи: короткое замыкание цепи (KB))
- Код ошибки DD13KA |(переключатель понижения передачи: обрыв цепи (KA))
- Код ошибки DD13KB (переключатель понижения передачи: короткое замыкание цепи (KB))
- Код ошибки DD14KA включатель стояночного тормоза: обрыв цепи (KA)).
- Код ошибки DD14KB (включатель стояночного тормоза: короткое замыкание цепи (KB))
- Код ошибки DDN7KA включатель наклона отвала: обрыв цепи (KA))
- Код ошибки DDN7KB включатель наклона отвала: короткое замыкание цепи (KB))
- Код ошибки DDN9KA (включатель перекоса отвала: обрыв цепи (KA))
- Код ошибки DDN9KB включатель перекоса отвала: короткое замыкание цепи (KB))
- Код ошибки DDQ2KA (включатель стояночного тормоза: обрыв цепи (KA))
- Код ошибки DDQ2KB (включатель стояночного тормоза: короткое замыкание цепи (KB))
- Код ошибки DDQ2L4 (включатель стояночного тормоза: см. таблицу (L4))
- Код ошибки DGE4KX (датчик температуры топлива: входящий сигнал не соответствует нормативным значениям (КХ))
- Код ошибки DGS1KX (датчик температуры масла гидросистемы: входящий сигнал не соответствует нормативным значениям (КХ))
- Код ошибки DН21КА (датчик давления масла в насосе рабочего оборудования: обрыв цепи (КА))
- Код ошибки DН21КВ (датчик давления масла в насосе рабочего оборудования: короткое замыкание цепи (КВ))
- Код ошибки DK10KZ (неисправность регулятора подачи топлива)
- Код ошибки DК12КХ (потенциометр замедлителя оборотов двигателя: входной сигнал
- не соответствует нормативному значению (КХ))
- Код ошибки DК30КА (потенциометр рулевого управления 1: обрыв цепи (КА))
- Код ошибки DК30КВ (потенциометр рулевого управления 1: короткое замыкание цепи (КВ))
- Код ошибки DК30КХ (потенциометр рулевого управления 1: входной сигнал не соответствует нормативному значению (КХ))
- Код ошибки DK30KZ (потенциометр рулевого управления 1: обрыв цепи или короткое замыкание цепи (KZ))
- Код ошибки DK30L8 (потенциометр рулевого управления 1: см. таблицу (L8))
- Код ошибки DК31КА (потенциометр рулевого управления 2: обрыв цепи (КА))
- Код ошибки DК31КВ (потенциометр рулевого управления 2: короткое замыкание цепи (КВ))
- Код ошибки DК40КА (потенциометр тормозной системы: обрыв цепи (КА))
- Код ошибки DK40KB (потенциометр тормозной системы: короткое замыкание цепи)
- Код ошибки DK54KZ (неиспрвность потенциометра регулятора)
- Код ошибки DК55КХ (потенциометр переднего-заднего хода: входной сигнал не соответствует нормативному значению (КХ))
- Код ошибки DK55KZ (потенциометр переднего-заднего хода: обрыв цепи или короткое замыкание цепи (KZ))
- Код ошибки DK55L8 (потенциометр переднего-заднего хода: см. таблицу (L8))
- Код ошибки DК56КА (потенциометр 1 переднего-заднего хода: обрыв цепи (КА))
- Код ошибки DК56КВ (потенциометр 1 переднего-заднего хода: короткое замыкание цепи(КВ))
- Код ошибки DК57КА (потенциометр 2 переднего-заднего хода: обрыв цепи (КА))
- Код ошибки DК57КВ (потенциометр 2 переднего-заднего хода: короткое замыкание цепи (КВ))
- Код ошибки DКН1КА (датчик угла наклона отвала: обрыв цепи (КА))
- Код ошибки DКН1КВ (датчик угла наклона отвала: короткое замыкание цепи (КВ))
- Код ошибки DLF1КА (датчик частоты вращения на выходе коробки передач: обрыв цепи (КА))
- Код ошибки DV00KB (зуммер предупреждения: короткое замыкание цепи (КВ))
- Код ошибки DW59KA (соленоид выбора перекоса отвала с двумя цилиндрами: обрыв цепи (КА))
- Код ошибки DW59КВ (соленоид выбора перекоса отвала с двумя цилиндрами: короткое замыкание цепи (КВ))
- Код ошибки DW5AKA (соленоид выбора наклона отвала: обрыв цепи (КА))
- Код ошибки DW5AKB (соленоид выбора наклона отвала: короткое замыкание цепи (КВ))
- Код ошибки DWN3KA (соленоид предотвращения внезапной остановки: обрыв цепи (КА))
- Код ошибки DWN3KB (соленоид предотвращения внезапной остановки: короткое замыкание цепи (КВ))
- Код ошибки DWN5KA (соленоид насоса вентилятора: обрыв цепи (КА))
- Код ошибки DWN5KB (соленоид насоса вентилятора: короткое замыкание цепи (КВ))
- Код ошибки DХН4КА (клапан ECMV муфты 1-й передачи: обрыв цепи (КА))
- Код ошибки DХН4КВ (клапан ECMV муфты 1-й передачи: короткое замыкание цепи (КВ))
- Код ошибки DХН5КА (клапан ECMV муфты 2-й передачи: обрыв цепи (КА))
- Код ошибки DХН5КВ (клапан ECMV муфты 2-й передачи: короткое замыкание цепи (КВ))
- Код ошибки DХН6КА (клапан ECMV муфты 3-й передачи: обрыв цепи (КА))
- Код ошибки DХН6КВ (клапан ECMV муфты 3-й передачи: короткое замыкание цепи (КВ))
- Код ошибки DХН7КА (клапан ECMV муфты заднего хода: обрыв цепи (КА))
- Код ошибки DХН7КВ (клапан ECMV муфты заднего хода: короткое замыкание цепи (КВ))
- Код ошибки DХН8КА (клапан ECMV муфты переднего хода: обрыв цепи (КА))
- Код ошибки DХН8КВ (клапан ECMV муфты переднего хода: короткое замыкание цепи (КВ))
- Код ошибки DХН9КА (клапан ECMV правой муфты: обрыв цепи (КА))
- Код ошибки DХН9КВ (клапан ECMV правой муфты: короткое замыкание цепи (КВ))
- Код ошибки DХНАКА (клапан ECMV левой муфты: обрыв цепи (КА))
- Код ошибки DХНАКВ (клапан ECMV левой муфты: короткое замыкание цепи (КВ))
- Код ошибки DХНВКА (клапан ECMV правого тормоза: обрыв цепи (КА))
- Код ошибки DХНВКВ (клапан ECMV правого тормоза: короткое замыкание цепи (КВ))
- Код ошибки DХНСКА (клапан ECMV левого тормоза: обрыв цепи (КА))
- Код ошибки DХНСКВ (клапан ECMV левого тормоза: короткое замыкание цепи (КВ))
- Код ошибки DY10K4 (прерывистость работы регулятора)
- Код ошибки DY10KA (обрыв в фазах А и В электромотора регулятора)
- Код ошибки DY10KB (короткое замыкание в фазах А и В электромотора регулятора)
Продолжение информации и в полном объеме - только в





