Интерфейс ZDR компьютера управления автомобилем для
внешней регулировки частоты вращения двигателя у моделей
TRUCKNOLOGY® GENERATION

СОДЕРЖАНИЕ
- Область применения
- Используемые обозначения и сокращения
- Соответствующие директивы и стандарты
- Адреса для получения компетентной информации
- Общие указания для использования интерфейса ZDR компьютера управления автомобилем
- Указания по применению регулятора частоты вращения двигателя для отбора мощности (ZDR)
- Принцип действия
- Возможности программирования интерфейса
- Описание контактов и схема подключения
- Исполнение интерфейса и место его установки
- Примеры схем подключения
Общие указания для использования интерфейса ZDR компьютера управления автомобилем
• Данный интерфейс входит в базовую комплектацию каждого автомобиля.
• Желаемые параметры для блока управления компьютера управления автомобилем, такие как число оборотов и т. п., необходимо указать в заявке на приобретение продукции MAN для проведения программирования в заводских условиях. Прежде всего, для проведения специфических расчетов и регулировок на заводе следует указать тип надстройки (например, кран, самосвал, бетононасос и т. д.).
• Наличие такой опции, как «устройство пуска и остановки двигателя» не связано с интерфейсом ZDR,
и она может быть заказана отдельно.
Проводка для подключения внешнего пульта управления (пуск и остановка двигателя), в зависимости от варианта исполнения, может находиться в скрученном состоянии в задней части рамы.
• Такая опция, как «блокировка заднего хода у автомобилей-мусоровозов» также не входит в число функций данного интерфейса и должна быть заказана отдельно.
• При подключении интерфейса необходимо проявлять повышенное внимание, поскольку при этом
происходит серьёзное вмешательство в бортовую сеть и коммутацию электронного оборудования.
• Разрешается использовать только такие детали электропроводки, которые соответствуют требованиям норматива M 3135.
• Для коммутации наружных цепей следует использовать только такие реле, которые соответствуют требованиям справочника по нагрузочным характеристикам реле MAN.
• Необходимо обеспечить надлежащий обжим контактов с учетом требований производителя данных контактов.
• Наружные пульты управления надстроек должны соответствовать классу защиты IP69K в соответствии со стандартом DIN 40 050 и, кроме того, должны быть защищены от непреднамеренного постороннего вмешательства.
• Питание (+UBAT) агрегатов и узлов управления надстройки должно осуществляться посредством отдельной защищенной проводки. Снятие +12 В только с одной из батарей не допускается.
• Для подключения к массе должен использоваться отдельный кабель, подключенный к общей точке на опоре двигателя (запрещается использовать в качестве проводника для подключения к массе раму автомобиля!).
• Массовые проводники от различных наружных устройств не должны соединяться между собой.
• Проводка для подключения к интерфейсу должна быть отделена от силовых цепей управления агрегатов надстройки.
• При подключении наружных устройств должны выполняться требования норматива MAN M 3285, касающиеся систем грузовых автомобилей. Точно так же радиотехническое оборудование, например то, которое используется для дистанционного управления, не должно влиять на функционирование систем автомобиля.
• Если управление отбором мощности в автомобиле осуществляется через интерфейс ZDR, то он может быть отключен только путем прекращения подачи запроса на включение через интерфейс, а не с помощью выключателя, имеющегося в кабине автомобиля.
• Примеры подключения, приводимые MAN для наглядности, не являются в строгом смысле указаниями по проведению монтажа. Ответственность за исправное функционирование интерфейса несет тот, кто осуществляет подключение к нему.
Указания по применению регулятора частоты вращения двигателя для отбора мощности (ZDR)
Принцип действия
Интерфейс ZDR служит для установки постоянного числа оборотов двигателя путём регулирования его работы.
С помощью системы MAN-cats II® может быть запрограммировано до 8 различных значений частоты вращения двигателя.
• ZDR 1, ZDR 2.... ZDR 7:
Любое из этих значений частоты вращения может быть установлен, если при запуске механизма отбора мощности задействовать соответствующий контакт на разъеме интерфейса ZDR.
• ZDR S:
Значение частоты вращения будет установлено, если нажать клавишу «MEMORY» в случае, когда не задействован ни один контакт на разъеме ZDR.
Дальнейшее увеличение частоты вращения возможно с помощью команды «SET+» до предельного для данного режима ZDR значения или до уровня, задаваемого ограничениями. Значения частоты вращения могут регулироваться вручную с помощью пульта управления как вверх, так и вниз в пределах, заданных MAN-cats II®. Если посредством MAN-cats II® установлена соответствующая функция, то откорректированное значение можно записать в память, а если такой функции нет, то при новом включении привода будет установлено запрограммированное изначально значение.
Возможности программирования интерфейса
• Для режимов ZDR S, 1,2... 7 с помощью тестера MAN-cats II® могут быть запрограммированы следующие функции:
• Частота вращения двигателя:
При использовании соответствующих контактов ZDR (X1996/Конт. 2, 7 и 8) автоматически устанавливается заданное значение частоты вращения.
• Нижний предел регулирования частоты вращения двигателя (в режимах ZDR S, 1,2..., 7):
• который достигается нажатием на клавишу «SET-»
• Верхний предел регулирования частоты вращения двигателя (в режимах ZDR S, ZDR1, ZDR2.... 7):
• который достигается нажатием на педаль акселератора
• который достигается нажатием на клавишу «SET+»
• Функции пульта управления
• Параметры отключения
• Набор регулируемых параметров
• Датчик положения педали
• Максимальный крутящий момент
• Автоматическое восстановление
Если условия включения выполнены и установлен определенный режим, то этот режим будет запущен частотой вращения, запрограммированной с помощью функции MEMORY. Если одно из условий не выполнено, будет выбрано значение, соответствующее нижней границе частоты вращения двигателя для данного режима. При выполнении условий включения этот режим будет автоматически снова запущен с частотой вращения, запрограммированной с помощью функции MEMORY.
Внимание:
Данная функция может быть реализована только в режимах ZDR от 1 до 7. В режиме ZDR S эта функция не работает.
• Автоматическое восстановление - бетононасос
Эта функция может быть активирована даже при выключенном двигателе. После запуска двигателя будет выбрано значение, соответствующее нижней границе частоты вращения двигателя для данного режима.
Внимание:
Данная функция может быть реализована только в режимах ZDR от 1 до 7. В режиме ZDR S эта функция не работает.
• С помощью пульта управления выполняются функции «SET+», «SET-», «MEMORY» и «ВЫКЛ.»
• При длительном нажатии на клавиши «SET+» и «SET-» частота вращения изменяется непрерывно, а при коротком нажатии (t £ 200 мс) изменяется с запрограммированным шагом (стандартное значение 10 об/мин)
• С помощью клавиши «MEMORY»
• при включенных режимах ZDR S, ZDR1, ZDR2.... ZDR 7 после различных переключений, проведенных в ручном режиме, при новом включении ZDR устанавливается первоначально выставленное значение частоты вращения двигателя,
• а при отключенных режимах ZDR S, ZDR1, ZDR2.... ZDR 7; включается режим ZDR S и устанавливаются значение частоты вращения, запрограммированное для режима ZDR S.
• С помощью клавиши «ВЫКЛ.»
у автомобилей, выпущенных до 04/2001:
• при включенных режимах ZDR S, ZDR1, ZDR2.... ZDR 7, интерфейс ZDR отключается и устанавливается частота вращения двигателя, соответствующая режиму холостого хода.
у автомобилей, выпущенных начиная с 05/2001:
• При включенном режиме ZDR S интерфейс ZDR отключается и устанавливается частота вращения двигателя, соответствующая режиму холостого хода.
• При включенных режимах ZDR 1, 2... или 7 устанавливается значение, соответствующее нижней границе частоты вращения двигателя, запрограммированной с помощью MAN-cats II® для включённого в данный момент режима.
При этом сохраняется возможность регулировки частоты вращения в сторону верхней границы. Интерфейс ZDR может быть полностью выключен только посредством прекращения подачи сигнала на его включение, например, при отключении механизма отбора мощности.
• Посредством системы MAN-cats II® могут быть установлены различные режимы работы пульта управления, а именно «Не активен», «Активен без запоминания» и «Активен с запоминанием»:
• В режиме «Активен без запоминания» после выключения интерфейса ZDR и последующего включения будет установлено ранее запрограммированное значение частоты вращения двигателя.
• В режиме «Активен с запоминанием» частота вращения может быть установлена на любом уровне между нижней и верхней границами, заданными программой. Для запоминания установленного значения частоты вращения нужно нажать на клавишу «MEMORY» (t ³ 2000 мс). При кратком нажатии на клавишу «MEMORY» или при новом включении интерфейса ZDR значение частоты вращения будет установлено на уровне, записанном в памяти.
• Параметры отключения:
Посредством MAN-cats II® могут быть заданы различные условия отключения интерфейса ZDR:
• Условия отключения могут быть заданы для определенных функциональных систем. Если одна или несколько функций соответствуют заданным условиям отключения, то происходит то же самое, что и при нажатии на клавишу «ВЫКЛ.»
Условия отключения могут быть запрограммированы на основе следующих функций:
• Тормоза (рабочие тормоза/моторный тормоз/ретардер): «активен», или «не активен».
• Стояночный тормоз: «не имеет значения» или «включен», или «не включен».
• Превышение «порога скорости для отключения интерфейса ZDR».
• Положение N КП: «не имеет значения» или «коробка передач на нейтрали», или «коробка передач не на нейтрали».
• Сцепление: «не имеет значения» или «разомкнуто», или «замкнуто».
• Скорость изменения частоты вращения «стандартная» или «повышенная»
Если скорость изменения частоты вращения в режиме «стандартная» (или «повышенная») недостаточна (или слишком велика), ее можно соответственно поднять до уровня «повышенная» (или уменьшить до уровня «стандартная») посредством программирования. Точно так же можно запрограммировать скорость изменения числа частоты вращения при отключении интерфейса ZDR на «стандартную» или «повышенную».
• Установка скорости изменения частоты вращения с помощью клавиш «SET+»/«SET-» в режимах «стандартная» или «повышенная»:
Если скорость увеличения частоты вращения с помощью клавиши «SET+» в режиме «стандартная» (или
«повышенная») недостаточна (или слишком велика), ее можно посредством программирования соответственно поднять до уровня «повышенная» (или уменьшить до уровня «стандартная»). Точно так же можно выбрать «стандартную» или «повышенную» скорость изменения частоты вращения с помощью клавиши «SET-».
• Набор регулируемых параметров:
Посредством MAN-cats II® для каждого интерфейса ZDR может быть задан различный набор регулируемых параметров: «стандартный» или «бетононасос». Если при изменении нагрузки величина ошибки регулирования становится слишком большой (частота вращения слишком сильно отклоняется от надлежащего значения), её можно уменьшить, установив режим «бетононасос».
• Датчик положения педали:
Посредством MAN-cats II® функция датчика положения педали (в режимах ZDR S, ZDR 1.... ZDR 7) может быть запрограммирована как «активная» или «не активная» (с помощью педали акселератора невозможно выйти за пределы, установленные для включенного интерфейса ZDR!).
• Порог скорости для отключения режимов ZDR (в режимах ZDR S, ZDR 1.... ZDR 7):
Посредством MAN-cats II® может быть задан порог скорости «до 5 км/ч» или «свыше 5 км/ч».
• Порог скорости «до 5 км/ч»:
Базовая установка (не требует никаких настроек)
• Порог скорости «свыше 5 км/ч»:
Может быть выбран при следующих условиях:
Условие отключения «нейтраль коробки передач» запрограммировано для положения «коробка передач на нейтрали». Включение соответствующего ZDR-интерфейса возможно лишь в том случае, когда коробка передач находится на нейтрали.
Описание контактов и схема подключения
+Uaccu (разъем X1996/контакт 1)
+Uaccu-выход управляющего сигнала с напряжением, равным напряжению питания блока управления компьютера автомобилем (клемма 15).
Нагрузка:
Не более 1,5 А.
Назначение:
Информация о том, что напряжение питания через клемму 15 подано на компьютер управления автомобилем (включено зажигание). Используется, например, для разблокировки функций механизма отбора мощности.
ZDR 1+3+5+7 (разъем X1996/контакт 2)
+Uaccu-вход управляющего сигнала для регулировки числа оборотов в режимах 1, 3, 5 и 7.
Назначение:
При соединении входа с потенциалом +UBat происходит переход в режим ZDR 1. Режим ZDR 1 будет активен до тех пор, пока подключен потенциал +UBat.
При отключении напряжения +UBat режим ZDR 1 отключается, и двигатель переходит в режим холостого хода.
Если одновременно с ZDR 1+3+5+7 подключен вход ZDR 2+3+6+7 (X1996/контакт 7), то происходит переход в режим ZDR 3.
Режим ZDR 3 активен до тех пор, пока потенциал +UBat подключен к обоим входам (X1996/контакты 2 и 7).
При отключении напряжения +UBat от обоих входов режим ZDR 3 отключается, и двигатель переходит в режим холостого хода.
Если одновременно с ZDR 1+3+5+7 подключен вход ZDR 4+5+6+7 (X1996/контакт 8), то происходит переход в режим ZDR 5.
При отключении напряжения +UBat режим ZDR 3 отключается, и двигатель переходит в режим холостого хода.
Если одновременно с ZDR 1+3+5+7 подключены входы ZDR 2+3+6+7 (X1996/контакт 7) и ZDR 4+5+6+7 (X1996/контакт 8), то происходит переход в режим ZDR 7 (X1996/контакты 2, 7 и 8).
При отключении напряжения +UBat режим ZDR 7 отключается, и двигатель переходит в режим холостого хода.
Разблокировка функции:
После запуска двигателя, при подключении потенциала +UBat.
NA1 (выключатель механизма отбора мощности 1) (разъем X1996/контакт 3)
• Механическая КП, автоматизированная механическая КП или автоматическая КП (ZF-HP):
выход управляющего сигнала +UBat. При незадействованном переключателе NA1 (цепь разомкнута)
устанавливается низкий уровень Ulow < 2 В (уровень переключения: Ulow < 2 В/Uhigh >12 В).
Только в случае, когда установлен механизм отбора мощности NA1!
Нагрузка:
не более 500 мА
Назначение:
Информация о запросе к переключателю NA1, или о том, что может быть использован запрос к NA1.
Однако включение NA1 производится лишь тогда, когда для этого выполняются соответствующие условия, заданные файлом данных автомобиля или запрограммированные посредством системы MAN-cats II®, а именно:
• NA1 включается только тогда, когда включена нейтраль КП: «активно»/«не активно».
• NA1 включается только при разомкнутом сцеплении: «активно»/«не активно».
• NA1 включается только при включенном стояночном тормозе: «активно»/«не активно».
• NA1 включается только при неподвижном автомобиле: «активно»/«не активно».
Внимание:
• В случае механической КП включение NA1 возможно только при неподвижном автомобиле и разомкнутом сцеплении;
изменить это условие включения невозможно.
• В случае автоматизированной механической КП включение NA1 возможно только при неподвижном автомобиле и нейтральном положении КП; изменить это условие включения невозможно.
• В случае автоматической КП (ZF-HP) включение NA1 возможно только, когда частота вращения двигателя не превышает 900 об/мин; при более высоких оборотах включение невозможно.
Функция может быть использована для разблокировки агрегатов надстройки, когда необходимо ограничить возможность несанкционированного использования органов управления агрегатами надстройки.
Внимание:
Механизм отбора мощности не входит в базовую комплектацию автомобилей и должен заказываться отдельно.
КОНЦЕВОЙ ВЫКЛЮЧАТЕЛЬ NA1 (разъем X1996/контакт 4)
• Механическая КП, автоматизированная механическая КП или автоматическая КП (ZF-HP):
-UBat — выход управляющего сигнала, равного напряжению на светодиоде в концевом выключателе NA1 при включении NA1. При незадействованном механизме отбора мощности NA1 (цепь разомкнута), концевой выключатель находится под высоким потенциалом контакта FFR — примерно +UBat (уровень переключения: Ulow <2 В/Uhigh >12 В).
Только в случае, когда переключатель NA1 установлен!
Нагрузка:
не более 500 мА
Назначение:
Информация о том, что NA1 включен.
Функция может быть использована для разблокировки агрегатов надстройки, когда необходимо ограничить возможность несанкционированного использования органов управления агрегатами надстройки.
Внимание:
Механизм отбора мощности не входит в базовую комплектацию автомобилей и должен заказываться отдельно.
NA2 (выключатель механизма отбора мощности 2) (разъем X1996/контакт 5)
• Механическая КП, автоматизированная механическая КП или автоматическая КП (ZF-HP):
выход управляющего сигнала +UBat. При незадействованном переключателе NA2 (цепь разомкнута)
устанавливается низкий уровень Ulow <2 В (уровень переключения: Ulow <2 В/Uhigh >12 В).
Только в случае, когда установлен механизм отбора мощности NA2!
Нагрузка:
не более 500 мА
Назначение:
Информация о запросе к переключателю NA2, или о том, что может быть использован запрос к NA2.
Однако включение NA2 производится лишь тогда, когда для этого выполняются соответствующие условия, заданные файлом данных автомобиля или запрограммированные посредством системы MAN-cats II®, а именно:
• NA2 включается только, когда включена нейтраль КП: «активна»/«не активна»
• NA2 включается только при разомкнутом сцеплении: «активно»/«не активно»
• NA2 включается только при включенном стояночном тормозе: «активен»/«не активен»
• NA2 включается только при неподвижном автомобиле: «активен»/«не активен»
Внимание:
• В случае механической КП включение NA2 возможно только при неподвижном автомобиле и разомкнутом сцеплении;
изменить это условие включения невозможно.
• В случае автоматизированной механической КП включение NA2 возможно только при неподвижном автомобиле и нейтральном положении КП; изменить это условие включения невозможно.
• В случае автоматической КП (ZF-HP) включение NA2 возможно только, когда обороты двигателя не превышают 900 об/мин; при более высоких оборотах включение невозможно.
Функция может быть использована для разблокировки агрегатов надстройки, когда необходимо ограничить возможность несанкционированного использования органов управления агрегатами надстройки.
Внимание:
Переключатель NA2 не входит в базовую комплектацию автомобилей и заказывается отдельно.
КОНЦЕВОЙ ВЫКЛЮЧАТЕЛЬ NA2 (разъем X1996/контакт 6)
• Механическая КП, автоматизированная механическая КП или автоматическая КП (ZF-HP):
-UBat — выход управляющего сигнала, равного напряжению на светодиоде в концевом выключателе NA2 при включении NA2. При незадействованном механизме отбора мощности NA2 (цепь разомкнута), концевой выключатель находится под высоким потенциалом контакта FFR — примерно +UBat (уровень переключения: Ulow <2 В/Uhigh >12 В).
Только в случае, когда переключатель NA1 установлен!
Нагрузка:
не более 500 мА
Назначение:
Информация о том, что NA2 включен.
Функция может быть использована для разблокировки агрегатов надстройки, когда необходимо ограничить возможность несанкционированного использования органов управления агрегатами надстройки.
Внимание:
Механизм отбора мощности не входит в базовую комплектацию автомобилей и должен заказываться отдельно.
ZDR 2+3+6+7 (разъем X1996/контакт 7)
+Uaccu-вход управляющего сигнала для регулировки числа оборотов в режимах 2, 3, 6 и 7.
Назначение:
При соединении входа с потенциалом +UBat происходит переход в режим ZDR 2.
Режим ZDR 2 будет активен до тех пор, пока подключен потенциал +UBat.
При отключении потенциала +UBat интерфейс ZDR 2 отключается, и двигатель переходит в режим холостого хода.
Если одновременно с ZDR 2+3+6+7 подключен вход ZDR 1+3+5+7 (X1996/контакт 2), то происходит переход в режим ZDR 3.
Режим ZDR 3 будет активен до тех пор, пока потенциал +UBat подключен к обоим входам (X1996/контакты 2 и 7).
При отключении напряжения +UBat от обоих входов интерфейс ZDR 3 отключается, и двигатель переходит в режим холостого хода.
Если одновременно с ZDR 2+3+6+7 подключен вход ZDR 4+5+6+7 (X1996/контакт 8), то происходит переход в режим ZDR 6.
Режим ZDR 6 ,будет активен до тех пор, пока потенциал +UBat подключен к обоим входам (X1996/контакты 7 и 8).
При отключении напряжения +UBat от обоих входов интерфейс ZDR 6 отключается, и двигатель переходит в режим холостого хода.
Если одновременно с ZDR 2+3+6+7 подключены входы ZDR 1+3+5+7 (X1996/контакт 2) и ZDR 4+5+6+7 (X1996/контакт 8), то происходит переход в режим ZDR 7.
Режим ZDR 7 будет активен до тех пор, пока потенциал +UBat подключен ко всем 3 входам (X1996/контакты 2, 7 и 8).
При отключении напряжения +UBat от всех 3 входов интерфейс ZDR 7 отключается, и двигатель переходит в режим холостого хода.
Разблокировка функции:
После запуска двигателя, при подключении потенциала +UBat ZDR 4+5+6+7 (разъем X1996/контакт 8)
+Uaccu-вход управляющего сигнала для регулировки числа оборотов в режимах 4, 5, 6 и 7.
Назначение:
При соединении входа с потенциалом +UBat происходит переход в режим ZDR 4.
Режим ZDR 4 будет активен до тех пор, пока подключен потенциал +UBat.
При отключении потенциала +UBat интерфейс ZDR 4 отключается, и двигатель переходит в режим холостого хода.
Если одновременно с ZDR 4+5+6+7 подключен вход ZDR 1+3+5+7 (X1996/контакт 2), то происходит переход в режим ZDR 5.
Режим ZDR 5 будет активен до тех пор, пока потенциал +UBat подключен к обоим входам (X1996/контакты 2 и 8).
При отключении напряжения +UBat от обоих входов интерфейс ZDR 5 отключается, и двигатель переходит в режим холостого хода.
Если одновременно с ZDR 4+5+6+7 подключен вход ZDR 2+3+6+7 (X1996/контакт 7), то происходит переход в режим ZDR 6.
Режим ZDR 6 будет активен до тех пор, пока потенциал +UBat подключен к обоим входам (X1996/контакты 7 и 8).
При отключении напряжения +UBat от обоих входов интерфейс ZDR 6 отключается, и двигатель переходит в режим холостого хода.
Если одновременно с ZDR 4+5+6+7 подключены входы ZDR 1+3+5+7 (X1996/контакт 2) и ZDR 2+3+6+7 (X1996/контакт 7), то происходит переход в режим ZDR 7. Режим ZDR 7 будет активен до тех пор пока потенциал +UBat подключен ко всем 3 входам (X1996/контакты 2, 7 и 8).
При отключении напряжения +UBat от всех 3 входов интерфейс ZDR 7 отключается, и двигатель переходит в режим холостых оборотов.
Разблокировка функции:
После запуска двигателя, при подключении потенциала +UBat ВХОД MDB (разъем X1996/контакт 9)
Кодированный вход управляющего сигнала для переключения между различными режимами ограничения частоты вращения/крутящего момента.
Назначение:
При подключении этого входа посредством серийной внешней перемычки (между контактами 9 и 12 разъема X1996) устанавливается режим ограничения частоты вращения/крутящего момента MDB 0. Для того чтобы перейти в режим ограничения частоты вращения/крутящего момента 1, нужно переключиться) (с помощью выключателя, реле и т. п. с выхода сигнала MDB 0 (разъем X1996/контакт 12) на выход сигнала MDB 1 (разъем X1996/контакт 11) Для того чтобы перейти в режим ограничения частоты вращения/крутящего момента 2, нужно переключиться (с помощью выключателя, реле и т. п.)
с выхода сигнала MDB 0 (разъем X1996/контакт 12) на выход сигнала MDB 2 (разъем X1966/контакт 10).
Разблокировка функции:
Немедленно после активации.
Внимание:
Если данный вход в течение более 1 секунды остается никуда не подключенным или на него подан ошибочный сигнал, в памяти компьютера управления автомобилем (FFR) будет сохранена ошибка.
MDB 2 (разъем X1996/контакт 10)
Кодированный выход управляющего сигнала для режима ограничения частоты вращения/крутящего момента 2 (стандартная установка: ограничение максимальной частоты вращения в данном режиме).
Назначение:
Если на вход MDB (разъем X1996/контакт 9) подать этот сигнал, то будет установлен режим ограничения частоты вращения/крутящего момента MDB 2. Ограничение режима MDB 2 задается предельной частотой вращения двигателя, программируемой с помощью системы MAN-cats II®.
Заводская установка
1350 об/мин при 100% момента.
MDB 1 (разъем X1996/контакт 11)
Кодированный выход управляющего сигнала для включения режима ограничения частоты вращения/крутящего момента MDB 1 (стандартная установка: ограничение максимальной частоты вращения в данном режиме).
Назначение:
Если на вход MDB (разъем X1996/контакт 9) подать этот сигнал, то будет установлен режим ограничения частоты вращения/крутящего момента MDB 1. Ограничение режима MDB 1 задается предельной частотой вращения двигателя, программируемой с помощью системы MAN-cats II®.
Заводская установка
1650 об/мин при 100% момента.
MDB 0 (разъем X1996/контакт 12)
Кодированный выход управляющего сигнала для режима ограничения частоты вращения/крутящего момента MDB 0.
Назначение:
Если на вход MDB (разъем X1996/контакт 9) подать этот сигнал, то будет установлена режим ограничения частоты вращения/крутящего момента MDB 0.
Заводская установка
Нет ограничения.
МАССА (разъем X1996/контакт 13)
-Uaccu-(масса) — выходной контакт от массы автомобиля с потенциалом, равным потенциалу в точке подключения массы в центральном блоке предохранителей и реле в кабине автомобиля.
Нагрузка:
Не более 1,5 А
Назначение:
Подключение к массе внешних реле.
СИГНАЛ ЧИСЛА ОБОРОТОВ (разъем X1996/контакт 14)
Прямоугольные импульсы со скважностью 50:50. Частота импульсов (количество импульсов за один оборот), скважность и пороговая частота импульсов, начиная с которой сигнал будет выдаваться, могут программироваться с помощью системы MAN-cats II®.
Нагрузка:
200 мА; low-side
Назначение:
Информация о числе оборотов двигателя.
Используется при внешнем управлении, например, для того, чтобы с помощью клавиш «SET+» или «SET-» установить определенное число оборотов или в качестве управляющего сигнала для агрегата надстройки.
Внимание:
Сигнал, информирующий о числе оборотов двигателя, не формируется интерфейсом, входящим в базовую комплектацию!
Для его получения необходим специализированный устанавливаемый по заказу блок управления (KSM).
HGB 1 (разъем X1996/контакт 15)
Кодированный выход управляющего сигнала для включения режима ограничения максимальной скорости 1.
Назначение:
Если на вход HGB (разъем X1966/контакт 18) подать этот сигнал, то будет активирован режим ограничения максимальной скорости 1.
HGB 2 (разъем X1996/контакт 16)
Кодированный выход управляющего сигнала для включения режима ограничения максимальной скорости 2.
Назначение:
Если на вход HGB (разъем X1966/контакт 18) подать этот сигнал, то будет активирован режим ограничения максимальной скорости 2.
HGB 3 (разъем X1996/контакт 17)
Кодированный выход управляющего сигнала для включения режима ограничения максимальной скорости 3.
Назначение:
Если на вход HGB (разъем X1966/контакт 18) подать этот сигнал, то будет активирован режим ограничения максимальной скорости 3.
Вход HGB (разъем X1996/контакт 18)
Кодированный вход управляющего сигнала для переключения между различными режимами ограничения максимальной скорости.
Назначение:
При подключении этого входа посредством серийной внешней перемычки (между контактами 18 и 15 разъема X1996) устанавливается запрограммированный посредством MAN-cats II® режим ограничения максимальной скорости 1.
Для того чтобы задать запрограммированный посредством системы MAN-cats II® режим ограничения максимальной скорости 2, нужно переключиться (с помощью выключателя, реле и т. п.) с выхода сигнала HGB 1(разъем X1996/контакт 15) на выход сигнала HGB 2 (разъем X1966/контакт 16).
Для того чтобы задать запрограммированный посредством системы MAN-cats II® режим ограничения максимальной скорости 3, нужно переключиться (с помощью выключателя, реле и т. п.) с выхода сигнала HGB 1 (разъем X1996/контакт 15) на выход сигнала HGB 3 (разъем X1966/контакт 17).
Разблокировка функции:
Немедленно после активации.
Внимание:
Если данный вход в течение более 1 секунды остается никуда не подключенным или на него подан ошибочный сигнал, в памяти компьютера управления автомобилем (FFR) будет сохранена ошибка.
Описанные в настоящем разделе способы ограничения максимальной скорости никак не связаны с законодательными требованиями по ограничению скорости движения автомобиля. Они обусловлены только техническими требованиями, возникающими при управлении механизмами отбора мощности для агрегатов, размещаемых в надстройках.
Режимы ограничения максимальной скорости 1, 2 или 3 могут быть активированы только при движении автомобиля вперед.
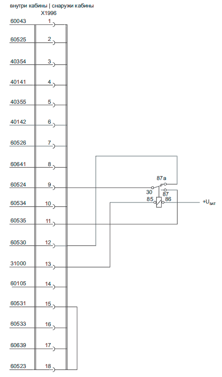
Схема подключения к разъему X1996 в случае механической или автоматизированной механической КП

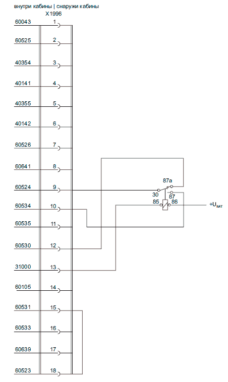
Схема подключения к разъему X1996 в случае автоматической КП (ZF-HP)

Исполнение интерфейса и место его установки

Интерфейс состоит из 18-контактного разъема X1996.
Это обозначение разъема применяется на всех схемах, а в автомобиле разъем помечен соответствующим цветом.
Для доступа к разъему снаружи нужно снять крышку.
Примеры схем подключения
Пример схемы подключения для активации режима ZDR 1, 2, …, 7

Пример схемы подключения для активации режима ZDR 1, 2, …, 7

Пример схемы подключения для включения режима ограничения максимальной скорости 2

Пример схемы подключения для включения режима ограничения максимальной скорости 3

Пример схемы подключения для включения режима ограничения частоты вращения/крутящего момента MDB 1

Пример схемы подключения для включения режима ограничения частоты вращения/крутящего момента MDB 2

Полное описание - смотрите в