Комментарии к кодам неисправностей FLA Mercedes Actros
(полезно тем - кто диагностирует мультимарочниками)
Все комментарии к ошибкам - доступны нашим пользователям
с выходом 63 обновления
- 00100 Слишком малое напряжение питания блока управления (пониженное напряжение)

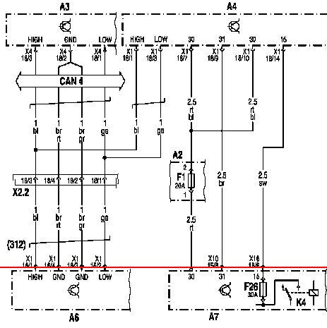
- А4: Блок управления FLA электрофакельный подогреватель воздуха
- А7: Базовый модуль
- F1-A2: Предохранитель блока управления Электрофакельный подогреватель воздуха, клемма 30
- F26-A7: Предохранитель кл. 15
- К4-А7: Реле 'Клемма 15'
Возможные причины неисправности:
- Неисправны провода от базового модуля к блоку управления FLA электрофакельный подогреватель воздуха или к аккумуляторной батарее или генератору
- Предохранитель A2/F1 неисправен.
- Аккумуляторная батарея сильно разряжена или неисправна.
- Генератор или регулятор неисправен
- 00101 Слишком высокое напряжение питания блока управления (повышенное напряжение)
- 00202 Факельная свеча накаливания имеет
- 00203 Факельная свеча накаливания имеет
- 00204 Факельная свеча накаливания имеет
- 00206 Разница напряжения свечи накаливания
- 00302 Электромагнитный клапан Y5 имеет
- 00303 Электромагнитный клапан Y5 имеет
- 00304 Электромагнитный клапан Y5 имеет
- 00305 Электромагнитный клапан Y5 перегрузка
- 00310 На электромагнитный клапан Y5 непрерывно подаётся управляющий сигнал
- 00402 Электромагнитный клапан 2 имеет
- 00403 Электромагнитный клапан 2 имеет
- 00404 Электромагнитный клапан 2 имеет
- 00405 Электромагнитный клапан 2 перегрузка
- 00410 На электромагнитный клапан 2 непрерывно подаётся управляющий сигнал
- 00503 Отключение электромагнитного клапана имеет
- 00504 Отключение электромагнитного клапана имеет
- 00604 Указатель предпускового подогрева
- 00706 Блок управления FLA электрофакельный подогреватель воздуха распознаёт разницу напряжения между свечой накаливания и блоком управления
- 00707 Неисправность шины CAN
- 00708 Внутренняя ошибка в блоке управления
- 00709 Внутренняя ошибка в блоке управления
- 00712 Блок управления не параметрирован
- 00811 Температура нагнетаемого воздуха превышена